02014 Infrared Presence Sensor
Instructions

Welcome to use the 02014 Infrared Presence sensor!
SPECIFICATION:
Power Sourcing: 220 -240V/AC
Power Frequency: 50/60Hz
Ambient Light: <3-2000LUX (adjustable)
Time Delay: Min.10sec±3sec Max.30min±2min
Rated Load: 2000W![]()
1000W![]()
300W LED
Detection Range: 360°
Detection Distance: 20m max(<24°C)
Working Temperature: -20~+40°C
Working Humidity: <93%RH
Power Consumption: approx 0.5W
Installation Height: 2.2-6m
FUNCTION:
- Can identify day and night: The consumer can adjust the working state in different ambient light. It can work in the daytime and at night when the LUX knob is adjusted on the “sun” position (max). It can work in ambient light less than 3LUX when it is adjusted on the “3” position (min). As for the adjustment pattern, please refer to the testing pattern.
- Time-Delay is added continually: When it receives the second induction signals within the first induction, it will restart to time from the moment.
INSTALLATION ADVICE:
As the detector responds to changes in temperature, avoid the following situations:
- Avoid pointing the detector towards objects with highly reflective surfaces, such as mirrors, etc.
- Avoid mounting the detector near heat sources, such as heating vents, air conditioning units, lights,s, etc.
- Avoid pointing the detector towards objects that may move in the wind, such as curtains, tall plants, etc.

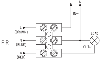
CONNECTION
| Warning. The danger of death through electric shock! | |
| • Must be installed by a professional electrician. • Disconnect power source. • Cover or shied any adjacent live components. • Ensure the device cannot be switched on. • Check power supply is disconnected. |
- Unload the cover directly.
- Connect the power and the load into the connection-wire column of the sensor according to the connection-wire diagram.
- Fix the sensor on the selected position with the inflated screw as the figure on the right.
- Install back the cover and then you can test it.

CONNECTION-WIRE DIAGRAM

TEST
- Turn the TIME knob anti-clockwise on the minimum (10s). Turn the LUX knob clockwise on the maximum (sun).
- Switch on the power; the sensor and its connected lamp will have no signal at the beginning. After Warm-up 30sec, the sensor can start work. If the sensor receives the induction signal, the lamp will turn on. While there is no other induction signal anymore, the load should stop working within 10sec±3sec and the lamp would turn off.

- Turn the LUX knob anti-clockwise on the minimum (3). If the ambient light is more than 3LUX, the sensor would not work and the lamp stop working too. If the ambient light is less than 3LUX (darkness), the sensor would work. Under no induction signal condition, the sensor should stop working within 10sec±3sec.
Note: when testing in daylight, please turn the LUX knob to the
(SUN) position, otherwise the sensor lamp could not work! If the lamp is more than 60W, the distance between the lamp and sensor should be 60cm at least.
SOME PROBLEMS AND SOLVED WAY
- The load does not work:
a. Please check if the connection of the power source and load is correct.
b. Please check if the load is good.
c. Please check if the settings of working light correspond to ambient light. - The sensitivity is poor:
a. Please check if there is any hindrance in front of the detector to affect it to receive the signals.
b. Please check if the ambient temperature is too high.
c. Please check if the induction signal source is in the detection field.
d. Please check if the installation height corresponds to the height required in the instruction.
e. Please check if the moving orientation is correct. - The sensor can not shut off the load automatically:
a. Please check if there is a continual signal in the detection field.
b. Please check if the time delay is set to the maximum position
c. Please check if the power corresponds to the instruction.
SENSOR INFORMATION

Manufactured in PRC
www.thorgeon.com
SIA “ATTA-1”, Jurkalnes street 1,
Riga, Latvia, LV-1046 ![]()


















