ERV & HRV
Fresh Air Systems
ERVXXSHA1130, ERVXXSVA1130, HRVXXSHA1130, HRVXXSVA1130
ERVXXSHA1150, ERVXXSVA1150, ERVXXSHB1145, ERVXXSVB1145
HRVXXSHA1160, HRVXXSVA1160, HRVXXSHB1160, HRVXXSVB1160
User and Installer Manual

INSTALLER: READ THESE INSTRUCTIONS BEFORE INSTALLING UNIT. SAVE THEM FOR THE USER.
RESIDENTIAL USE ONLY
REGISTER YOUR PRODUCT ONLINE AT: www.cac-bdp-all.com
For additional information, https://www.hvacpartners.com/
ERVXXSHA1130 ERV and HRV Fresh Air Systems
Consumer Information
A. To ensure quiet operation of the H/ERV, each product model must be installed using sound attenuation techniques appropriate for the installation.
B. The way your heat/energy-recovery ventilator is installed can make a significant difference to the electrical energy you use. To minimize the electricity use of the heat/energy-recovery ventilator, a stand-alone fully ducted installation is recommended. If you choose a simplified installation that operates your furnace air handler for room-to-room ventilation, an electrically efficient furnace that has an electronically commutated (EC) variable speed blower motor will minimize your electrical energy consumption and operating cost.
Please take note that this manual uses the following symbols to emphasize particular information:
Recognize safety information. When you see this symbol
on the unit and in instructions or manuals, be alert to the potential for personal injury. Understand the signal words DANGER, WARNING, and CAUTION. These words are used with the safety-alert symbol. DANGER identifies the most serious hazards, which will result in severe personal injury or death. WARNING signifies hazards, which could result in personal injury or death. CAUTION is used to identify unsafe practices, which may result in minor personal injury or product and property damage. NOTE is used to highlight suggestions which will result in enhanced installation, reliability, or operation.
LIMITATION
For residential (domestic) installation only. Installation work and electrical wiring must be done by a qualified person in accordance with all applicable codes and standards, including fire-rated construction codes and standards.
WARNING
TO REDUCE THE RISK OF FIRE, ELECTRIC SHOCK, OR INJURY TO PERSON(S) OBSERVE THE FOLLOWING
- Use this unit only in the manner intended by the manufacturer.
- Before servicing or cleaning this unit, disconnect power cord from electrical outlet.
- This unit is not designed to provide combustion and/or dilution air for fuel-burning appliances.
- When cutting or drilling into a wall or ceiling, do not damage electrical wiring and other hidden utilities.
- Do not use this unit with any solid-state speed control device other than those specified in (CONNECTIONS on p8).
- This unit must be grounded. The power supply cord has a 3-prong grounding plug for your personal safety. It must be plugged into a mating 3-prong grounding receptacle, grounded in accordance with the national electrical code and local codes and ordinances. Do not remove the ground prong. Do not use an extension cord.
- Do not install in a cooking area or connect directly to any appliances.
- Do not use to exhaust hazardous or explosive materials and vapors.
- When performing installation, servicing or cleaning this unit, it is recommended to wear safety glasses and gloves.
- When applicable local regulation comprises more restrictive installation and/or certification requirements, the aforementioned requirements prevail on those of this document and the installer agrees to conform to these at his own expenses.
CAUTION
TO AVOID UNIT DAMAGE AND ENSURE LONG LIFE
- To avoid prematurely clogged filters, turn the unit OFF during construction or renovation.
- Please read specification label on product for further information and requirements.
- Be sure to duct air outside Do not intake/exhaust air into spaces within walls or ceiling or into attics, crawl spaces, or garage. Do not attempt to recover the exhaust air from a dryer or a range hood.
- Intended for residential installation only in accordance with the requirements of NFPA 90B (for a unit installed in U.S.A.) or Part 9 of the National Building Code of Canada (for a unit installed in Canada).
- Do not run any air ducts directly above or within 2 feet (0.61 m) of a furnace or its supply plenum, boiler, or other heat producing appliance. If a duct has to be connected to the furnace return plenum, it must be connected 10 feet (3.1 m) away from plenum’s connection to the furnace.
- The ductwork is intended to be installed in compliance with all applicable local and national codes.
- When leaving the house for a long period of time (more than two weeks), a responsible person should regularly check if the unit operates adequately.
- If the ductwork passes through an unconditioned space (e.g.: attic), the unit must operate continuously except when performing maintenance and/or repair. Also, the ambient temperature of the house should never drop below 18°C (65°F).
- At least once a year, the unit mechanical and electronic parts should be inspected by qualified service personnel.
- Do not use your unit during construction or renovation of your house or when sanding drywall. Certain types of dust and vapors may damage your system.
- Make sure at all times that the outside intake and exhaust hoods are free from any snow during the winter season. It is important to check your unit during a big snow storm, so it doesn’t draw in any snow. If this is the case, please turn the unit OFF for a few hours.
- Since the electronic control system of the unit uses a microprocessor, it may not operate correctly because of external noise or very short power failure. If this happens, unplug the unit and wait approximately 10 seconds. Then, plug the unit in again.
- Do not make excessive use of fragrance appliances or chemicals since some may damage the unit components material.
AIR DISTRIBUTION (NORMAL OPERATION)

NOTE: The dimensions, performance charts, defrost cycle tables and specifications are listed on the specification sheets of the unit. Visit our website at https://www.hvacpartners.com/.
INSTALLATION
CAUTION
SAFETY HAZARD
Failure to follow this caution could result in bodily injury. When performing installation, servicing or cleaning the unit, it is recommended to wear safety glasses and gloves.
CAUTION
OPERATIONAL HAZARD
Failure to follow this caution could result in degraded operation or damage to the unit.
Make sure that no pieces of insulation material enter the unit during installation. This could reduce airflow, generate noise and vibrations in the unit.
LOCATING AND MOUNTING THE UNIT Choose an appropriate location for the unit:
- Within an area of the house where the ambient temperature is kept between 10°C (50°F) and 65°C (149°F);
- Away from living areas (dining room, living room, bedroom), if possible;
- So as to provide easy access to the interior cabinet for maintenance, and to the control panel on the side of the unit;
- Close to an exterior wall, so as to limit the length of the insulated flexible ducts to and from the unit;
- HRV units only: close to a drain. If no drain is close by, use a pail to collect run-off;
- Away from hot chimneys, electrical panel and other fire hazards;
- Within 6 feet of a power source (standard outlet).
Suspended to the Joists or Trusses:
- Slightly bend the brackets on the unit to insert the provided chains (Fig. 2).
- Hang the unit to the joists using the provided chains. Springs are not required.
- Always make sure that the unit is no more than 1/4″ off level.

Wall Mounted:
- Choose the appropriate location(s) for the mounting brackets (see illustration below) according to stud(s) position (Fig. 3).
- Insert the provided brackets under the unit frame (Fig. 4).
- Fix the bracket using the screw no. 8 x 3/8″.
- Using the four #8 x 1½” screws provided, secure the unit to the wall making sure that the 4 screws engage into a stud.
- Always make sure that the unit is no more than 1/4″ off level.


INSTALLING THE DUCTWORK AND THE REGISTERS
WARNING
CARBON MONOXIDE HAZARD
Failure to follow this warning could result in serious personal injury or death.
Never install stale air exhaust register in a room where there is a combustion device, such as a gas furnace, a gas water heater or a fireplace. A negative pressure could be created in the area of the fuel burning unit and draw carbon monoxide into the room. CO can cause personal injury or death.
CAUTION
PROPERTY DAMAGE HAZARD
If ducts have to go through an unconditioned space (e.g. attic), always use insulated ducts to prevent condensation from forming inside and outside ducts, which could cause material damage and/or mold growth.
Also, if fresh air to building duct and/or stale air from building duct goes through an unconditioned space, the unit must be set to operate continuously in cold conditions (below 10°C/50°F). Continuous air movement inside ducts will prevent condensation formation. The unit can be stopped temporarily for maintenance and/or repair purposes in such conditions.
FULLY DUCTED SYSTEM (T-1)
This configuration allows Recirculation mode to operate.

STALE AIR FROM BUILDING:
- Install registers in areas where contaminants and humidity are produced: kitchen, bathrooms, laundry room, etc.
- Install registers on an interior wall, 6 to 12 inches away from the ceiling OR in the ceiling.
- Install the kitchen register at least 4 feet away from the range.
- Bathroom fans and range hoods can be used to better exhaust stale air.
- Homes with more than one level require at least one exhaust register at the highest level.
FRESH AIR TO BUILDING:
- Install registers in bedrooms, dining room, living room and basement.
- Install registers in the ceiling OR high on the walls with the airflow directed towards the ceiling.
- If a register must be installed in the floor, direct airflow up the wall.
NOTE: For this type of configuration, the T-1 option must be selected on the LCD screen when auto-balancing the unit.
EXHAUST DUCTED SYSTEM (T-2)
This configuration allows Recirculation mode to operate.
When performing duct connection to the furnace/AHU, installation must be done in accordance with all applicable codes and standards. Please refer to your local building code.

STALE AIR FROM BUILDING:
- Same as for Fully Ducted System.
FRESH AIR TO BUILDING:
- Connect the fresh air distribution duct of the unit to the furnace/AHU return duct at least 10 feet away from the furnace/AHU (A+B).
NOTE: This 10-ft. distance applies only in areas where the outside temperature falls below the freezing point 0°C (32°F).
NOTE: The furnace/AHU blower operation can be synchronized with the unit (CONNECTION TO THE CENTRAL FORCED-AIR SYSTEM on p10). It is recommended, but not essential that the furnace/AHU blower runs when the unit is in operation.
NOTE: For this type of configuration, the T-2 option must be selected on the LCD screen when auto-balancing the unit.
ALTERNATE INSTALLATION (T-3)
This configuration allows Recirculation mode to operate.

Unit should be synchronized with AHU/furnace operation to avoid Stale air from bathroom condensation and mold growth in furnace/AHU distribution ducting if cooling mode of furnace/AHU is used. This configuration is not recommended with high velocity furnace.
NOTE: For this type of configuration, the T-3 option must be selected on the LCD screen when auto-balancing the unit.
CAUTION
UNIT DAMAGE HAZARD
Failure to follow this caution may result in equipment damage or improper operation.
This configuration is not recommended with high velocity furnace.
High pressures produced by these systems could cause errors.
SIMPLIFIED INSTALLATION (T-4)
This configuration does NOT allow Recirculation mode to operate.

For this type of installation, the furnace/AHU must always be synchronized with the unit in order to maximize the amount of fresh air to the building (CONNECTION TO THE CENTRAL FORCED-AIR SYSTEM on p10).
When performing duct connection to the furnace/AHU, installation must be done in accordance with all applicable codes and standards. Please refer to your local building code.
Fresh air and exhaust air flow through the furnace/AHU ducts, which simplifies the installation.
The use of bathroom fans and a range hood is suggested to exhaust stale air.
STALE AIR FROM BUILDING:
Connect the stale air intake port of the unit to the furnace return duct at least 3 feet ahead of the fresh air distribution from the unit.
FRESH AIR TO BUILDING:
Connect the fresh air distribution duct of the unit to the furnace return duct at least 10 feet away from the furnace (A+B).
NOTE: This 10-ft. distance applies only in areas where the outside temperature falls below the freezing point 0°C (32°F).
NOTE: For this type of configuration, the T-4 option must be selected on the LCD screen when auto-balancing the unit.
ALTERNATE INSTALLATION (T-5)
This configuration does NOT allow Recirculation mode to operate.

Unit should be synchronized with AHU/Furnace operation to avoid condensation and mold growth in furnace/AHU distribution ducting if cooling mode of furnace/AHU is used.
CAUTION
UNIT DAMAGE HAZARD
Failure to follow this caution may result in equipment damage or improper operation.
This configuration is not recommended with high velocity furnace.
High pressures produced by these systems could cause errors.
NOTE: For this type of configuration, the T-5 option must be selected on the LCD screen when auto-balancing the unit.
CONNECTING THE DRAIN (HRV ONLY)
CAUTION
UNIT DAMAGE HAZARD
Failure to follow this caution may result in equipment/property damage or improper operation.
A drain hose (included) must be installed on these units, as they may generate a large amount of water, especially in cooler weather.
- Cut the appropriate length of drain tubing (Fig. 10).
- Connect the tubing to the provided adapter.
- Make a water trap loop in the tube to prevent the unit from drawing unpleasant odors from the drain source.
- Add water in the loop to prevent noise or hiss.
- Make sure there is a distance of at least 2″ between the unit and the tubing loop.
- Using the tie wrap provided, attach the tubing as illustrated.
- Run the tube to the floor drain or to an alternate drain pipe or pail.
IMPORTANT: If using a pail to collect water, place the tube end approximately 1″ inside the pail in order to prevent water from being drawn back up into the unit.
![]() | ![]() |
INSTALLING DUAL EXTERIOR HOOD USING
TANDEM® TRANSITION KIT (OPTIONAL)
For units set at 110 CFM or less, a Tandem transition kit can be used instead of 2 exterior hoods; but take into account this device will generate approximately an additional 0.2 in w.g. static pressure depending on the installation.
The minimum joist opening needed to install the Tandem® transition is 9¾”. The maximum height of the Tandem transition is 8¾”.
To connect the insulated flexible ducts to the Tandem transition (Exhaust air to outdoors and Fresh air from outdoors), follow the instructions included with the Tandem transition kit (P/N KVAAC0101HCO).

INSTALLING THE EXTERIOR HOODS
Choose an appropriate location for the exterior hoods:
- At least 6 feet between both hoods to avoid cross-contamination
- At least 18 inches away from the ground
WARNING
EXPLOSION HAZARD
Failure to follow this warning could result in death, serious personal injury, and/or property damage.
Make sure the intake hood is at least 6 feet away from any of the following:
- Dryer exhaust, high efficiency furnace vent, central vacuum vent
- Gas meter exhaust, gas barbecue-grill
- Any exhaust from a combustion source
- Garbage bin and any other source of contamination.
Refer to Fig. 12 for proper connection method of the insulated ducts to the hoods. An “Anti-Gust Intake Hood” should be installed in regions where a lot of snow is expected to fall.

CONNECTING THE DUCTS TO THE UNIT
CAUTION
UNIT DAMAGE HAZARD
Failure to follow this caution may result in equipment damage or improper operation.
- If ducts have to go through an unconditioned space (e.g.: attic), always use insulated ducts to avoid condensation and mold.
- Do not use screws to connect the ducts or transitions to the ports. They could interfere with proper damper operation.
INSULATED FLEXIBLE DUCTS
Use the following procedure to connect the insulated flexible ducts to the ports of the unit (exhaust to outside and fresh air from outside).
- Expose the flexible duct by pulling back the insulation, and place it over the inner port ring.
- Attach the flexible duct to the port using a tie wrap.
- Seal the joint using duct tape.
- Pull the insulation and vapor barrier over the joint, tuck them between the inner and outer rings of the double collar and fasten them in place using duct tape.
CAUTION
UNIT DAMAGE HAZARD
Failure to follow this caution may result in equipment damage or improper operation.
- Avoid tearing off the vapor barrier on the insulated ducts during installation to avoid condensation within the ducts.

TRANSITIONING TO 6-IN. DUCTS (FOR 130 CFM UNITS ONLY)
If using 6-in. ducts, install 5-in. to 6-in. transitions on the ports, and secure using duct tape only. If rigid ducting is used, install a 12-in. section of flexible duct between the transition and the rigid ducting (Fig. 13).
RIGID DUCTS
To prevent potential water leakage in cold side rigid ducting insulation, seal all rigid ducting joints with duct tape. To avoid transmission of vibrations, always use a 12-inch section of flexible duct to connect rigid ducts to the unit. To connect insulated rigid ducts to the unit (cold side) using insulated flexible ducts, follow instructions per (INSTALLING THE EXTERIOR HOODS on p7). To connect regular rigid ducts (warm side) to the unit using non-insulated flexible ducts, use a tie wrap.
DUCTS CONNECTION
IMPORTANT: Make sure to connect ducting as illustrated below to get airflows reading accuracy. Correct installation will also allow proper drainage of water that may accumulate in ducting.

CAUTION
UNIT DAMAGE HAZARD
Failure to follow this caution may result in equipment damage or improper operation.
- Ducting must not be too crushed. Otherwise, airflows reading accuracy will be affected.
- Insulated ducts must have the same diameter as the ports to ensure proper drainage of water that may accumulate in ducts.

CONNECTIONS
ELECTRICAL CONNECTION TO OPTIONAL MAIN WALL CONTROL
WARNING
ELECTRIC SHOCK HAZARD
Failure to follow this warning could result in personal injury, death, or equipment damage.
Always disconnect the unit before making any connections. Failure to cut power could result in electrical shock or damage to the wall control or electronic module inside the unit.
CAUTION
EQUIPMENT DAMAGE HAZARD
Failure to follow this caution may result in equipment damage or improper operation.
- Never install more than one optional main wall control per unit.
- Make sure the wires do not short-circuit between themselves or by touching any other components on the wall control.
- Avoid poor wiring connections.
- To reduce the risk of electrical interference (noise), do not run wall control wiring next to control contactors or near light dimming circuits, electrical motors, dwelling/building power or lighting wiring or power distribution panel.
Use the terminal connector included to perform the electrical connection for optional main wall control. Check if all wires are correctly inserted in their corresponding holes in the terminal connector. Use screws to fix wires in the terminal connector. Once the wall control connections have been made, insert the terminal connector in the electrical compartment.
NOTE: For information about the operation of the wall control, refer to the corresponding Installation and User Guide.
Connection to Speed Selector, Automatic, DE humidistat or Premium Optional Main Wall Control

Electrical Connection to Optional Auxiliary Wall Control
Electrical Connection to Bathroom Override Optional Auxiliary Wall Control

When configurating OVR option on the LCD screen, choose among these 3 configurations: BAL (the unit remains balanced while providing maximum airflow), PER (the unit is slightly unbalanced since the distribution motor is in MAX speed while allowing maximum exhaust ventilation) and DIS (the unit is unbalanced since air distribution is constant despite a higher need in exhaust ventilation).
NOTE: The auxiliary wall control can be used with a 3-wire connection by removing the LED signals. This optional wiring will not allow an installation with more than one auxiliary wall control to properly synchronize their LEDs on an event requested from a peer. Only the auxiliary wall control having requested the timer event will have the LEDs updated accordingly.
Electrical Connection to Dry Contact Optional Auxiliary
Wall Control (Crank Timer)

CAUTION
UNIT DAMAGE HAZARD
Failure to follow this caution may result in equipment damage.
A miswiring that sends a 24VAC signal to the 6-position terminal block (OVR, LED, 12V, D-, D+, GND) could permanently damage the control circuit. Verify the wire connections carefully before powering up the unit.
CONNECTION TO THE CENTRAL FORCED-AIR SYSTEM
CAUTION
UNIT DAMAGE HAZARD
Failure to follow this caution may result in equipment damage or improper operation.
Never connect a 120V AC circuit to the terminals of the central forced-air system interlock (standard wiring). Only use the low voltage class 2 circuit of the central forced-air system blower control. The unit is designed for low voltages only. Connecting the unit to 120V would damage it instantly.
Unit Operation Using a Dry Contact Connection
This unit can be controlled by any dry contact connection such as the thermostat equipped with an optional ventilation output (Fig. 17).
Once wired, unit will toggle between the Standby mode when contact is opened and the selected mode when contact is closed. Choose among these 4 configurations in DRY option on the LCD screen when the VENT contact is activated:
- minimum (unit operating in MIN speed)
- intermittent (unit operating in MIN speed 20 min/hr then as per INT configuration selection for 40 min)
- auto* (unit operating according to outdoor temperature)
- maximum (unit operating in MAX speed)
Refer to (NAVIGATION ON LCD SCREEN on p13) for more details.
* In auto mode, the unit will operate as follows:
- Less than -25°C = 10 min/hr
- -25°C to -7°C = 20 min/hr
- -7°C to 10°C = 40 min/hr
- 10°C to 25°C = MIN speed
- 25°C to 28°C = 30 min/hr
- 28°C to 33°C = 20 min/hr
- Above 33°C = 10 min/hr
NOTE: In this configuration do not use a separate ERV/HRV wall control.

1 – External switch or any dry contact can be used to activate vent input if not available on the thermostat. Some thermostats offer a single-wire 24VAC outut for accessory ventilation. It can be directly connected to the vent input and therefore the Act- / R connection is not required.

Note: Synchronization with a central forced-air system with W and Y is not available with this configuration.
NOTE: This dry contact option will override the main wall control, so we do not recommend the use of a wall control with this type
connection.
NOTE: Following ducting installation configuration and temperature conditions, it may be necessary for the unit to operate continuously.
Refer to (INSTALLING THE DUCTWORK AND THE REGISTERS on p5) for more details.
UNIT INTERCONNECTION WITH CENTRAL FORCED-AIR SYSTEM (R/C/G/GF)
NOTE: In this configuration, a separate ERV/HRV wall control is required to operate the ventilator connected to the J9 terminal block. See (CONNECTIONS on p8).

These connections must be done if you want the unit to force the central forced-air system blower operation when ventilating (see solid lines in Fig. 19).
NOTE: These connections are required for installation configuration
T-4. Refer to (INSTALLING THE DUCTWORK AND THE REGISTERS on p5) for more details.
SYNCHRONIZATION WITH CENTRAL FORCED-AIR SYSTEM FUNCTION
The new ventilation technology allows synchronizing the unit operation with the central forced-air system operating time. It prevents
unnecessary central forced-air system operating time while providing a better air distribution.
To use this function, W and Y connections must be added to R and C connections to inform the unit that the central forced-air system is running (refer to dotted lines in Fig. 19).
Infinity®/Evolution™ Control
Do not connect the Infinity® System Control, Evolution™ Connex™ Control, or the Infinity®/Evolution™ Damper Control directly to the ventilator. Connecting the to the ventilator may cause damage. If you have one of these controls, use one of the optional Main Wall Controls to control the ventilator.
Please do not connect the Network Interface Module (NIM) to the two terminal blocks on new ventilator. The new ventilator terminals do not match up to the NIM control terminals. Connecting the two controls may cause damage.
Synchronize the ventilator to the AHU using the following connections:

This will close the connection between R and G which will turn on the blower in the AHU when the blowers in the ventilator come on.
It is important to have the AHU and the ventilator synchronized for the T-2, T-3, T-4 and T-5 duct configurations.
The Infinity® System Control or Evolution™ Connex™ Control cannot command the ventilator in this configuration.
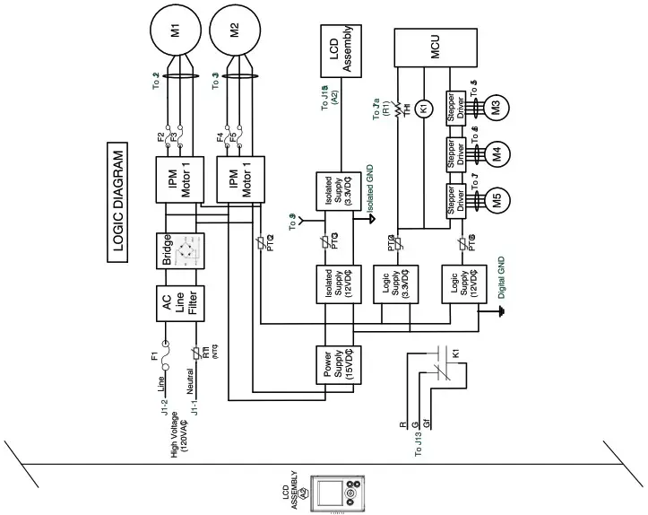
WIRING DIAGRAM
Refer to Fig. 21 on next page.
WARNING
- Risk of electric shocks. Before performing any maintenance or servicing, always disconnect the unit from its power source.
- This product is equipped with an overload protection (fuse). A blown fuse indicates an overload or a short-circuit situation. If the fuse blows, unplug the product from the outlet. Discontinue using the unit and contact technical support.



- Press the OK button to change the operating mode.
- Use the + and – buttons to select the desired operating mode.
- Use the + and – buttons to modify MAX CFM, MIN CFM, or OPTIONS configuration.

Table 1 – Display on LCD Screen
| DISPLAY | DEFINITION |
| STB | Standby mode |
| MED | MED speed |
| INT | Intermittent mode |
| REC | Recirculation mode (Min, Med, or Max speed) |
| AUT | AUTO mode |
| SMT | SMART mode |
| OVR 20 | Override 20 min |
| OVR 40 | Override 40 min |
| OVR 60 | Override 60 min |
| OVR CNT | Override by dry contact |
| AHU | Refer to (AHU MODE DISPLAY on p15) |
| HUM | Humidistat or DE humidistat override |
| TUR | Turbo mode |
| OTH | Away mode or Scheduling mode |
| DEF | Defrost mode |
| EXX or WXX (XX = error or warning number) | Refer to (USER’S TROUBLESHOOTING on p22) |
UNIT FIRST BOOT
PREPARATION
Follow these steps to ensure accurate measurements:
- Seal all the ductwork with tape. Close all windows and doors.
- Turn off all exhaust devices such as range hood, dryer and bathroom fans.
- If the installation is in any way connected to the ductwork of the cold air return of a furnace/air handler, make sure that the furnace/air handler blower is ON. If not, leave furnace/air handler blower OFF.
AUTO-BALANCING PROCEDURE
- Plug in the unit and wait for the maximum CFM to display on the LCD screen. If the unit is colder than ambient temperature, it is normal to experience up to a 60-second longer boot-up since the motors need to preheat.
- The maximum CFM will display on the LCD screen. Use (+/-) to adjust the CFM and OK to confirm.
- The minimum CFM will display on the LCD screen. Use (+/-) to adjust the CFM and OK to confirm.
- The house icon that flashes on the LCD screen indicates which side currently limits the airflow (supply or exhaust). If the airflow reached is not sufficient, the installer can improve the installation to increase airflow.
INSTALLATION CONFIGURATION SELECTION
- INS will display on the LCD screen. Choose among T-1, T-2, T-3, T-4 or T-5 following the installation configuration (INSTALLING THE DUCTWORK AND THE REGISTERS on p5).

- Auto-balancing is completed.
SETTINGS MODIFICATION
TO MODIFY MIN CFM SETTING
- Go to MIN using (+/-), then press the OK button for 4 seconds.
- Use (+/-) to increase or decrease CFM. Press OK to confirm.
TO MODIFY MAX CFM SETTING
- Go to MAX using (+/-), then press the OK button for 4 seconds.
- Use (+/-) to increase or decrease CFM. Press OK to confirm.
TO MODIFY OPTIONS SETTING
- Go to CFG OPT using (+/-), then press the OK button for 4 seconds.
TO MODIFY INDEPENDENT AIRFLOWS SETTING
- Simultaneously press (+/-) for 4 seconds.

| Options | Configurations Available |
| DEF (Defrost) | DIS* (Discretion – defrost without speed variation for more comfort), PLU (Plus – extended defrost for colder areas) |
| INS (Installation) | T-1, T-2, T-3, T4*, T-5 (INSTALLING THE DUCTWORK AND THE REGISTERS on p5) |
| DRY (Dry contact) | MIN* (Minimum), INT (Intermittent), AUT (AUTO), MAX (Maximum) (UNIT INTERCONNECTION WITH CENTRAL FORCED-AIR SYSTEM (R/C/G/GF) on p10) |
| OVR (Override) | BAL* (Balanced), PER (Performance), DIS (Discretion) (Electrical Connection to Bathroom Override Optional Auxiliary Wall Control on p9) |
| INT (Intermittent) | STB* (Standby – 20 min in MIN speed and 40 min in standby mode) |
* Factory setting
NOTE: If no selection is confirmed within 10 minutes, the unit will exit the menu without saving any changes.
If any change is made to the ducting, reset settings to restart the airflow test.
PROCEDURE TO RESET SETTINGS
Press on the OK and (-) buttons simultaneously for 4 seconds. Use (+/-) to select Yes or No and OK to confirm. Then perform the auto-balancing procedure.
USING THIS UNIT
YOUR VENTILATION SYSTEM
This balanced ventilation unit is designed to provide fresh air to your home while exhausting stale, humid air. Thanks to its energy/heat recovery module, the unit recovers a large proportion of heat or energy that is part of indoor or outdoor air according to the seasons to improve comfort and energy efficiency during the heating and the cooling periods. With the new ventilation technology, this unit responds to the variations in its environment in an autonomous way, ensuring to provide a proper level of ventilation and air quality. This unit also features automatic modes (AUTO or SMART) that manage autonomously the required ventilation level as per indoor and/or outdoor conditions. In colder areas, the unit will perform, at intervals, recovery module discreet
defrost to maintain performance and comfort.
INTEGRATED CONTROL

All units are equipped with an integrated control, located in front of the electrical compartment. For more convenience, these units can be controlled using an optional wall control or the furnace/AHU thermostat equipped with external fan activation.
MODE SELECTION
- To change the mode, use (+/-) to access the Mode screen. Press OK to edit the mode and use (+/-) to change the mode (Standby, Min, Max).
- Press OK to confirm selection. The airflows will be displayed for both MIN and MAX modes.
NOTE: If an optional auxiliary wall control or the furnace/AHU thermostat equipped with external fan activation is used, it overrides the integrated control.
AHU MODE DISPLAY
Depending on unit configuration and/or installation, the unit could not be able to reach desired minimum CFM. This situation could happen with installation configurations T-2 to T-5. In such a case, AHUXX (XX referring to desired minimum CFM value) will display on LCD screen. In AHU mode, the unit operates in intermittent mode to reach desired minimum CFM value. Intermittent mode duration varies as per desired minimum CFM value.
SERVICE PARTS


REPLACEMENT PARTS AND REPAIRS—In order to ensure your ventilation unit remains in good working condition, you must use the manufacturer’s genuine replacement parts only. The manufacturer’s genuine replacement parts are specially designed for each unit and are manufactured to comply with all the applicable certification standards and maintain a high standard of safety. Any third party replacement part used may cause serious damage and drastically reduce the performance level of your unit, which will result in premature failing. The manufacturer recommends to contact a certified service depot for all replacement parts and repairs.
* Not shown.
** See next page to get the part number that corresponds to the ventilation unit model.

INSTALLER’S TROUBLESHOOTING
WARNING
PERSONAL INJURY HAZARD
Failure to follow this warning could result in personal injury, death, or equipment damage.
A few diagnosis procedures may require the unit to be in operation while proceeding. Be careful with moving and/or live parts.
| ERROR | DESCRIPTION | SOLUTION |
| E01 | Supply damper range | STEP I: Unplug unit, inspect the damper system, remove any undesirable obstacle or din (filters and core may have to be removed to access the damper system). Plug in the unit. If STEP I did not fix the problem, perform STEP 2: Open electrical compartment. check if connector 15 (white) is well inserted, check for any loose wires. If STEP 2 did not fix the problem, perform STEP 3: If the damper is not moving at all, unplug 17 (red) from the electronic assembly, connect the white damper system connector into J7. If the damper moves (but the system still shows an error), the electronic assembly must be replaced. Otherwise, replace the damper system. |
| E02 | Supply damper timeout | |
| E03 | Supply damper | |
| E05 | Exhaust damper range | STEP I: Unplug unit, inspect the damper system, remove any undesirable obstacle or din (filters and core may have to be removed to access the damper system). Plug in the unit. If STEP I did not fix the problem, perform STEP 2: Open electrical compartment, check if connector J7 (red) is well inserted, check for any loose wires. If STEP 2 did not fix the problem, perform STEP 3: If the damper is not moving at all, unplug 15 (white) from the electronic assembly, connect the white damper system connector into 15. If the damper moves (but the system still shows an error), the electronic assembly must be replaced. Otherwise, replace the damper system. |
| E06 | Exhaust damper timeout | |
| E07 | Exhaust damper | |
| E09 | Recirculation damper range | STEP I: Unplug unit, inspect the damper system, remove any undesirable obstacle or din (filters and core may have to be removed to access the damper system). Plug in the unit. If STEP I did not fix the problem, perform STEP 2: Open electrical compartment, check if connector 16 (blue) is well inserted, check for any loose wires. If STEP 2 did not fix the problem, perform STEP 3: If the damper is not moving at all, unplug 15 (white) from the electronic assembly, connect the blue damper system connector into 15. If the damper moves (but the system still shows an error), the electronic assembly must be replaced. Otherwise, replace the damper system. |
| E10 | Recirculation damper umeout | |
| E11 | Recirculation damper | |
| E22 | Supply airflow | STEP I: Unplug the unit. Perform a visual inspection of the supply damper system. Clean filters, distribution registers and outside supply hood. Inspect ducting to ensure it is not squeezed or bent. Plug in the unit. If STEP I did not fix the problem, perform STEP 2: Remove ducting of the supply path. On the LCD screen, select MAX to check if the unit is able to reach the selected flow. If so, review the ducting path. If STEP 2 did not fix the problem, perform STEP 3: On the LCD screen, select the MIN and MAX flow setting %alues then reset the unit. MAX flow value will display on the LCD screen. If MAX flow is above desired MAX flow, set MAX and MIN flows. If STEP 3 did not fix the problem, perform STEP 4: Replace the supply blower and repeat STEP 3. If STEP 4 did not fix the problem, perform STEP 5: Replace the electronic assembly. |
| E23 | Supply motor (drive over current) | STEP I: Unplug/then plug in the unit. If STEP I did not fix the problem, perform STEP 2: Remove core and clear the ventilation wheel from any dirt or obstacles. If STEP 2 did not fix the problem, perform STEP 3: Disconnect 12 (white) and connect a spare blower system. If it works, replace supply blower. If STEP 3 did not fix the problem, perform STEP 4: Replace the electronic assembly. |
| E27 | Supply motor (drive for duration) | |
| E28 | Supply motor (drive speed feedback) | |
| E29 | Supply motor (startup) | |
| E24 | Supply motor (drive over voltage) | STEP 1: Unplug/then plug in the unit. Under and over voltage may be detected with severe in-house power supply fluctuation and stop the motor for protection. If STEP 1 did not fix the problem, perform STEP 2: Replace the electronic assembly. |
| E25 | Supply motor (drive under voltage) | |
| E26 | Supply motor (drive over temp) | STEP 1: Validate if the air exchanger is exposed to ambient temperatures within the operating limits (INSTALLATION on p4). If STEP 1 did not fix the problem, perform STEP 2: Replace the electronic assembly. |
| E32 | Exhaust airflow | STEP 1: Unplug the unit. Perform a visual inspection of the exhaust damper system. Clean filters, distribution registers and outside supply hood. Inspect ducting to ensure it is not squeezed or bent. Plug in the unit. If STEP 1 did not fix the problem, perform STEP 2: Remove ducting of the supply path. On the LCD screen, select MAX to check if the unit is able to reach the selected flow. If so, review the ducting path. If STEP 2 did not fix the problem, perform STEP 3: On the LCD screen, select the MIN and MAX flow setting values then reset the unit. MAX flow value will display on the LCD screen. If MAX flow is above desired MAX flow, set MAX and MIN flows. If STEP 3 did not fix the problem, perform STEP 4: Replace the exhaust blower and repeat STEP 3. If STEP 4 did not fix the problem, perform STEP 5: Replace the electronic assembly. |
| E33 | Exhaust motor (drive over current) | STEP 1: Unplug/then plug in the unit. If STEP 1 did not fix the problem, perform STEP 2: Remove core and clear the ventilation wheel from any dirt or obstacles. If STEP 2 did not fix the problem, perform STEP 3: Disconnect J3 (red) and connect a spare blower system. If it works, replace exhaust blower. If STEP 3 did not fix the problem, perform STEP 4: Replace the electronic assembly. |
| E37 | Exhaust motor (drive foc duration) | |
| E38 | Exhaust motor (drive speed feedback) | |
| E39 | Exhaust motor (startup) | |
| E34 | Exhaust motor (drive over voltage) | STEP 1: Unplug/then plug in the unit. Under and over voltage may be detected with severe in-house power supply fluctuation and stop the motor for protection. If STEP 1 did not fix the problem, perform STEP 2: Replace the electronic assembly. |
| E35 | Exhaust motor (drive under voltage) | |
| E36 | Exhaust motor (drive over temp) | STEP 1: Validate if the air exchanger is exposed to ambient temperatures within the operating limits (INSTALLATION on p4). If STEP 1 did not fix the problem, perform STEP 2: Replace the electronic assembly. |
| E40 | Outside air thermistor | STEP 1: Check if thermistor is well connected in connector J7A. If STEP 1 did not fix the problem, perform STEP 2: Disconnect connector J7A and check if the measured resistance (thermistor connector) is within 5 KOhm to 120 Ohms. If outside the range, replace the thermistor. If STEP 2 did not fix the problem, perform STEP 3: Replace the electronic assembly. |
| E41 | Distribution air thermistor | STEP 1: Check if thermistor is well connected in connector J7B. If STEP 1 did not fix the problem, perform STEP 2: Disconnect connector J7B and check if the measured resistance (thermistor connector) is within 5 Ohms to 120 Ohms. If outside the range, replace the thermistor. If STEP 2 did not fix the problem, perform STEP 3: Replace the electronic assembly. |
| E42 | PCBA thermistor fault | STEP 1: Replace the electronic assembly. |
| E43 | PCBA temperature over limit | STEP 1: Validate if the air exchanger is exposed to ambient temperatures within the operating limits (INSTALLATION on p4). If STEP 1 did not fix the problem, perform STEP 2: Replace the electronic assembly. |
| E50 | Wall control communication lost | STEP 1: Unplug unit, inspect wires, plug in the unit. If STEP 1 did not fix the problem, perform STEP 2: Remove wall control from the wall installation and test with a short cable. If it works, bring a new cable to the wall installation location. If STEP 2 did not fix the problem, perform STEP 3: Test the air exchanger with a spare wall control. If it works, replace the wall control. If STEP 3 did not fix the problem, perform STEP 4: Replace the electronic assembly. |
| E51 | Wall control sensor | STEP 1: Unplug unit, inspect wires, then plug in the unit. If STEP 1 did not fix the problem, perform STEP 2: Replace the wall control. |
| E60 | Protection mode | STEP 1: Perform general inspection of the unit (dampers, core, filters). |
| WARNING | DESCRIPTION | SOLUTION |
| W22 | Supply airflow | STEP 1: Unplug the unit. Perform a visual inspection of the supply damper system. Clean filters, distribution registers and outside supply hood. Inspect ducting to ensure it is not squeezed or bent. Plug in the unit. If STEP 1 did not fix the problem, perform STEP 2: Remove ducting of the supply path. On the LCD screen, select MAX to check if the unit is able to reach the selected flow. If so, review the ducting path. If STEP 2 did not fix the problem, perform STEP 3: On the LCD screen, select the MIN and MAX flow setting values then reset the unit. MAX flow value will display on the LCD screen. If MAX flow is above desired MAX flow, set MAX and MIN flows. If STEP 3 did not fix the problem, perform STEP 4: Replace the supply blower and repeat STEP 3. If STEP 4 did not fix the problem, perform STEP 5: Replace the electronic assembly. |
| W32 | Exhaust airflow | STEP 1: Unplug the unit. Perform a visual inspection of the exhaust damper system. Clean filters, distribution registers and outside supply hood. Inspect ducting to ensure it is not squeezed or bent. Plug in the unit. If STEP 1 did not fix the problem, perform STEP 2: Remove ducting of the supply path. On the LCD screen, select MAX to check if the unit is able to reach the selected flow. If so, review the ducting path. If STEP 2 did not fix the problem, perform STEP 3: On the LCD screen, select the MIN and MAX flow setting values then reset the unit. MAX flow value will display on the LCD screen. If MAX flow is above desired MAX flow, set MAX and MIN flows. If STEP 3 did not fix the problem, perform STEP 4: Replace the exhaust blower and repeat STEP 3. If STEP 4 did not fix the problem, perform STEP 5: Replace the electronic assembly. |
| W52 | Initial setting incomplete | STEP 1: Press + or – to access the selection menu. STEP 2: Complete configuration. (Refer to (AUTO-BALANCING PROCEDURE on p14) for more details). |
| W61 | Protection mode electronics overheating | The unit is currently in protection mode. The power transmitted to the motor is deliberately reduced to decrease electronics temperature. The unit will exit this mode by itself once conditions are back to normal. It is normal to observe reduction in airflows during this period. This condition should appear only when the unit is set in high speed and located in a warmer environment, for example over 30°C (86°F). |
CAUTION
OPERATIONAL HAZARD
Failure to follow this caution could result in degraded operation or damage to the unit.
Make sure that no pieces of insulation material enter the unit during installation. This could reduce airflow, generate noise and vibrations in the unit.
MAINTENANCE
WARNING
PERSONAL INJURY HAZARD
Failure to follow this warning could result in personal injury, death, or equipment damage.
- Dangerous voltage. During maintenance and repairs, the unit must always be unplugged.
- We take great care to minimize sharp edges; however, please proceed with caution when handling all components.
- When cleaning the unit, it is recommended to wear safety glasses and gloves.
QUARTERLY

- Disconnect power cord.
- The door of this unit is hinged and maintained closed by 2 latches.
Open them and set aside. - Clean the inside of the door with a damp cloth.
- Clean filters:
a. Remove filters.
b. Vacuum to remove most of the dust.
c. Wash with a mixture of warm water and mild soap. You may add bleach if you wish to disinfect (one tablespoon per gallon). Rinse thoroughly. Shake filters to remove excess water and let dry.
NOTE: The MERV13 filter is NOT washable. Vacuum the MERV13 membrane filter quarterly using the dusting brush attachment. It should be replaced when too dirty.
d. MERV13 note: Pull out the core about 3-4” to install the MERV13 filter, install the filter on top of the core (follow the orientation of the image), then push the core and filter together inside the unit. - Remove the core.
- Clean the condensing tray with a damp cloth.
- Check the exterior air intake hood:
IMPORTANT: A blocked air vent, even partially, can cause the unit to malfunction.
a. Make sure there are no leaves, twigs, ice or snow that could be drawn into the vent.
b. Clean if necessary. - Rotate the blower wheels by hand. If one of the wheels does not rotate easily, contact your installer.
- Reassemble the components. Pay special attention to the filters by making sure that they are engaged in their slots.
- Rotate the blower wheels by hand. If one of the wheels does not rotate easily, contact your installer.
- Close the unit door and reconnect power supply.
- Reset filters, if required. If using an optional main wall control
(DEHUMIDISTAT OR AUTOMATIC), press on the INT/AUTO button for 5 seconds to reset the filters. If using the ADVANCED optional main wall control, follow the instructions on the touch screen. - Pull the core 3″ to 4″ out.
- Bend the two MERV13 flaps down to form a 45-degree angle (Fig. 27).

- Install the MERV13 filter over the core (Fig. 28).
- Push the core and the MERV13 filter to the bottom of the unit.
NOTE: The optional MERV13 filter replaces the MERV8 filter. The MERV13 filter and HEPA membrane filter have the same Installation instructions.

ANNUAL (AT FALL)
- Repeat steps 1 to 6 from the previous section and continue with the
following steps:
CAUTION
UNIT DAMAGE HAZARD
Failure to follow this caution may result in equipment damage or improper operation.
Handle the recovery core with care. - Clean the recovery core:
HRV MODELS ERV MODELS 1. Remove the core.
2. Let it soak in a mixture of cold or lukewarm water and mild soap (dishwashing liquid).
3. Rinse thoroughly.
4. Shake the core to remove excess water and let it dry.1. Remove the dust on the core using a vacuum cleaner and a soft brush attachment.
CAUTION: DO NOT SOAK THE ENERGY ECOVERY CORE IN WATER. - Clean the blower assemblies. Do not disassemble the blower assemblies.
- Remove the dust using a vacuum cleaner with a soft brush attachment.
- Reassemble the components.
- Reconnect power supply.
USER’S TROUBLESHOOTING
Contact your local dealer for any unresolved issue.
| PROBLEM | TRY THIS |
| 1. Nothing works. | See if the unit is plugged in. See if the unit is receiving power from the house circuit breaker or fuse. |
| 2. Noisy unit. | Clean the unit (MAINTENANCE on p21). If the problem is not solved, contact your installer. |
| 3. Condensation inside windows under cold weather conditions. | Operate the unit at MAX speed during activities generating excess humidity (family gatherings, extra cooking, etc.). Leave curtains half-open to allow air circulation. Store all firewood in a closed room with a dehumidifier or in a well ventilated room, or store the wood outdoors. Keep the temperature in your house above 18°C (64°F). |
| 4. Humidity inside under hot/humid weather conditions. | Operate the unit in MIN speed. Temporarily switch to INT mode (if available). Use a dehumidifier. |
| 5. Air too dry. | Operate the unit at MIN speed. Temporarily switch to INT mode (if available). Temporarily use a humidifier. |
| 6. Air too cold at the air supply register. | Make sure the outdoor hoods are not blocked. Operate the unit at MIN speed. Install a duct heater (contact your installer). |
© 2022 Carrier. All rights reserved.
A Carrier Company
Edition Date: 12/22
Catalog No: OM-ERVHRV-04
Replaces: OM-ERVHRV-03





















