DAIKIN VRV System Air Conditioner Instruction Manual

Read these instructions carefully before installation. Keep this manual in a handy place for future reference. This manual should be left with the equipment owner.
Safety considerations
Read these Safety considerations for Installation carefully before installing an air conditioner. After completing the installation, make sure that the unit operates properly during the start-up operation. Instruct the customer on how to operate and maintain the unit. Inform customers that they should store this Installation Manual with the Operation Manual for future reference. Always use a licensed installer or contractor to install this product. Improper installation can result in water or refrigerant leakage, electrical shock, fire, or explosion. Meanings of DANGER, WARNING, CAUTION, and NOTE Symbols:
DANGER . . . . . . . . Indicates an imminently hazardous situation which, if not avoided, will result in death or serious injury.
WARNING . . . . . . . Indicates a potentially hazardous situation which, if not avoided, could result in death or serious injury.
CAUTION . . . . . . . . Indicates a potentially hazardous situation which, if not avoided, may result in minor or moderate injury. It may also be used to alert against unsafe practices.
NOTE . . . . . . . . . . . Indicates situations that may result in equipment or property damage accidents only.
DANGER
- Refrigerant gas is heavier than air and replaces oxygen. A massive leak will result in oxygen depletion, especially in basements, and an asphyxiation hazard will result in serious injury or death.
- Do not ground units to water pipes, gas pipes, telephone wires, or lightning rods as incomplete grounding will result a severe shock hazard resulting in severe injury or death. Additionally, grounding to gas pipes will result a gas leak and potential explosion resulting in severe injury or death.
- If refrigerant gas leaks during installation, ventilate the area immediately. Refrigerant gas will result in producing toxic gas if it comes into contact with fire. Exposure to this gas will result in severe injury or death.
- After completing the installation work, check that the refrigerant gas does not leak throughout the system.
- Do not install unit in an area where flammable materials are present due to risk of explosions that will result in serious injury or death.
- Safely dispose of all packing and transportation materials in accordance with federal/state/local laws or ordinances. Packing materials such as nails and other metal or wood parts, including plastic packing materials used for transportation will result in injuries or death by suffocation.
WARNING
- Only qualified personnel must carry out the installation work. Installation must be done in accordance with this installation manual. Improper installation could result in water leakage, electric shock, or fire.
- When installing the unit in a small room, take measures to keep the refrigerant concentration from exceeding allowable safety limits. Excessive refrigerant leaks, in the event
of an accident in a closed ambient space, could result in oxygen deficiency. - Use only specified accessories and parts for installation work. Failure to use specified parts could result in water leakage, electric shocks, fire, or the unit falling.
- Install the air conditioner on a foundation strong enough
that it can withstand the weight of the unit. A foundation of insufficient strength could result in the unit falling and causing injuries. - Take into account strong winds, typhoons, or earthquakes when installing. Improper installation could result in the unit falling and causing accidents.
- Make sure that a separate power supply circuit is pro voided for this unit and that all electrical work is carried out by qualified personnel according to local, state and national regulations. An insufficient power supply capacity or improper electrical construction could result in electric shocks or fire.
- Make sure that all wiring is secured, that specified wires are used, and that no external forces act on the terminal connections or wires. Improper connections or installation could result in fire.
- When wiring, position the wires so that the control box cover can be securely fastened. Improper positioning of the control box cover could result in electric shocks, fire, or
the terminals overheating. - Before touching electrical parts, turn off the unit.
- This equipment can be installed with a Ground-Fault Circuit Interrupter (GFCI). Although this is a recognized measure for additional protection, with the grounding system in North America, a dedicated GFCI is not necessary.
- Securely fasten the unit terminal cover (panel). If the terminal cover/panel is not installed properly, dust or water may enter the outdoor unit and could result in fire or electric shock.
- When installing or relocating the system, keep the refrigerant circuit free from substances other than the specified refrigerant (R410A) such as air. Any presence of air or other foreign substance in the refrigerant circuit could result in abnormal pressure rise or rupture, resulting in injury.
- Do not change the setting of the protection devices. If the pressure switch, thermal switch, or other protection device is shorted and operated forcibly, or parts other than those specified by Daikin are used, fire or explosion could result.
- Do not install in a wet room such as a bathroom or laundry room due to a risk of fire or electric shock.
CAUTION
- Do not touch the switch with wet fingers. Touching a switch with wet fingers may result in electric shock.
- Do not allow children to play on or around the unit or it may result in injury.
- The heat exchanger fins are sharp enough to cut, and
may result in injury if improperly used. To avoid injury wear glove or cover the fins when working around them. - Do not touch the refrigerant pipes during and immediately after operation as the refrigerant pipes may be hot or cold, depending on the condition of the refrigerant flowing through the refrigerant piping, compressor, and other refrigerant cycle parts. It may result in your hands getting burns or frostbite if you touch the refrigerant pipes.
To avoid injury, give the pipes time to return to normal temperature or, if you must touch them, be sure to wear proper gloves. - Insulate piping to prevent condensation.
- Be careful when transporting the product.
- Do not turn off the power immediately after stopping operation. Always wait for at least 5 minutes before turning off the power. Otherwise, water leakage may result.
- Do not use a charging cylinder. Using a charging cylinder may cause the refrigerant to deteriorate.
- Refrigerant R410A in the system must be kept clean, dry, and tight.
(a) Clean and Dry – Foreign materials (including mineral oils such as SUNISO oil or moisture) should be pre- vented from getting into the system.
(b) Tight – R410A does not contain any chlorine, does not destroy the ozone layer, and does not reduce the earth’s protection again harmful ultraviolet radiation. R410A can contribute to the greenhouse effect if it is released. Therefore take proper measures to check for the tightness of the refrigerant piping installation. Read the chapter Refrigerant Piping and follow the procedures. - Since R410A is a blend, the required additional refrigerant must be charged in its liquid state. If the refrigerant is charged in a gaseous state, its composition can change and the system will not work properly.
- The indoor unit is for R410A. See the catalog for indoor models that can be connected. Normal operation is not possible when connected to other units.
- Handheld remote controller (wireless kit) transmitting
distance can be shorter than expected in rooms with electronic fluorescent lamps (inverter or rapid start types). Install the indoor unit far away from fluorescent lamps as
much as possible. - Indoor units are for indoor installation only. Outdoor units can be installed either outdoors or indoors. This unit is for indoor use.
- Do not install the air conditioner in the following locations:
(a) Where a mineral oil mist or oil spray or vapor is produced, for example, in a kitchen. Plastic parts may deteriorate and fall off and thus may result in water leakage.
(b) Where corrosive gas, such as sulphurous acid gas, is produced. Corroding copper pipes or soldered parts may result in refrigerant leakage.
(c) Near machinery emitting electromagnetic waves. Electromagnetic waves may disturb the operation of the control system and cause the unit to malfunction.
(d) Where flammable gas may leak, where there is carbon fibber, or ignitable dust suspension in the air, or where volatile flammables such as thinner or gasoline are handled. Operating the unit in such conditions may result in a fire. - Take adequate measures to prevent the outdoor unit from being used as a shelter by small animals. Small animals making contact with electrical parts may result in malfunctions, smoke, or fire. Instruct the customer to keep the area around the unit clean.
- This appliance is not intended for use by persons (including children) with reduced physical, sensory or mental capabilities, or lack of experience and knowledge, unless they have been given supervision or instruction concerning use of the appliance by a person responsible for their safety.
NOTE
- Install the power supply and transmission wires for the indoor and outdoor units at least 3.5 ft. (1 m) away from televisions or radios to prevent image interference or noise. Depending on the radio waves, a distance of 3.5 ft. (1 m) may not be sufficient to eliminate the noise.
- Dismantling the unit, treatment of the refrigerant, oil and additional parts must be done in accordance with the relevant local, state, and national regulations.
- Do not use the following tools that are used with conventional refrigerants: gauge manifold, charge hose, gas leak detector, reverse flow check valve, refrigerant charge base, vacuum gauge, or refrigerant recovery equipment.
- If the conventional refrigerant and refrigerator oil are mixed in R410A, the refrigerant result in deterioration.
- This air conditioner is an appliance that should not be accessible to the general public.
- As design pressure is 580 psi (4.0 Mpa), the wall thickness of field-installed pipes should be selected in accordance with the relevant local, state, and national regulations.
Codes and Regulations
This product is designed and manufactured to comply with national codes. Installation in accordance with such codes and/or prevailing local codes/regulations is the responsibility of the installer. The manufacturer assumes no responsibility for equipment installed in violation of any codes or regulations. Rated performance is achieved after 72 hours of operation.
The original instructions are written in English. All other languages are translations of the original instructions.
1 . BEFORE INSTALLATION
1-1 Precautions
- Be sure to verify in advance that the refrigerant used in installation work is R410A. The unit will not operate correctly with a different type of refrigerant.
- When moving the unit during or after unpacking, hold it using the 4 hanger brackets and avoid subjecting other parts, particularly refrigerant pipes and the control box, to force.
- For more information about installation of outdoor and indoor units, refer to the installation manual that came with each unit.
1-2 Accessories
- Verify that the following accessories have been included in the packaging.
Important
Do not throw away any accessories that may be needed in installation work until installation is complete.

NOTE
- You will need reducers (to be supplied in the field) if the diameter of the pipe on site as described in the outdoor unit’s installation manual or Engineering Data Book does not match the diameter of the connection pipe on the outdoor side of the Branch Selector unit.
- Thermal insulation for connection pipes on the outdoor unit side must be supplied in the field.
1-3 Combination
- For series of applicable indoor units and outdoor units, refer to the catalog or other literature.
- Select the Branch Selector unit to fit the total capacity (sum of unit’s capacity) of the indoor units to be connected downstream, refer to the Table 1. About indoor unit’s capacity, refer to the Table 2.

* The total capacity and number of indoor units connectable to each branch connector are up to 54 and 5, respectively. When the total capacity of indoor units to be connected downstream is larger than 54 (MAX. 96), use a junction pipe kit (KHRP26A250T, sold separately) to join two connections downstream from the Branch Selector unit.

<Example selection> In the case of a Branch Selector unit connected to a FXFQ12 and a FXMQ18.
Total capacity = 12+18 = 30
1-4 Checklist
Exercise particular care concerning the following items during installation work and check again after installation is complete:
Post-installation checklist

Delivery checklist
2 . SELECTING INSTALLATION SITE
Consider the following requirements when choosing the installation location and obtain the customer’s consent:
- The location must be able to withstand the weight of the Branch Selector unit.
- The location must allow inspection holes to be installed on the control box side. (A separate opening is necessary when lowering the product.)
- There must be adequate space in which to perform installation and service work. (Refer to Fig . 1 .)
- The length of pipe to the indoor unit and outdoor unit must be less than or equal to the permissible pipe length (as listed in the installation manual included with the outdoor unit).
- Refrigerant circulated through the pipes can generate sound. Ensure that the installation takes necessary precautions when installing in a sound sensitive applications.

(*1) Leave enough space to connect the field pipes.
(*2) This space is needed to place the top plate when performing service on EV coil.
(*3) This space is needed to remove the top plate when performing service on EV coil.
WARNING
Securely install the unit at a location that is capable of withstanding its weight . Inadequate strength may cause the Branch Selector unit to fall, resulting in bodily injury.
CAUTION
- Leave enough space to perform maintenance on the control box.
- To prevent video and audio interference, install the Branch Selector unit as well as associated power supply wiring and transmission wiring at least 3.5 ft. (1 m) away from TVs and radios. However, depending on the reception, interference may result even if a minimum distance of 3.5 ft. (1 m) is maintained.
3 . PREPARATIONS BEFORE INSTALLATION
Install suspension bolts and hanger brackets as illustrated in the diagram below .
- Use a suspension bolt size of 3/8 in.(M8) to 7/16 in.(M10).
- Use mold-in inserts and embedded foundation bolts for new installations or hole-in anchor bolts or similar hardware for existing installations, taking care to install in a manner that can withstand the unit’s weight.

4 . BRANCH SELECTOR UNIT INSTALLATION
Use only accessories and parts that conform to the designated specifications when installing the unit .
- Position the Branch Selector unit and secure it temporarily in place.
Attach the hanger brackets to the suspension bolts as per the instructions in the figure on the right. Be sure to affix nuts (3/8 in.(M8) or 7/16 in.(M10), 3 pieces in 4 locations) and washers (for 3/8 in.(M8), outside diameter of 15/16 in. (24 mm) to 1-1/8 in. (28 mm) or for 7/16 in.(M10), outside diameter of 1-3/16 in. (30 mm) to 1-5/16 in. (34 mm): 2 pieces in 4 locations) (to be supplied in the field) from both the top and bottom of the hanger brackets on both sides of the unit to secure it in place. - Adjust the height of the unit as desired.
- Using a level, verify that the unit has been installed in a level orientation.

WARNING
- Install the Branch Selector unit in a level orientation. (Vertical installation is not permitted.)
- Attach nuts on both the top and bottom of the hanger brackets. Overtightening the lower nut without the upper nut in place may cause the hanger bracket and top plate to deform, causing the unit to produce abnormal noise.
5 . REFRIGERANT PIPING WORK
- For instructions for installing piping between the outdoor unit and the Branch Selector unit, selecting a refrigerant branch kit, and installing piping between the refrigerant branch kit and indoor units, refer to the installation manual included with the outdoor unit.
- Before beginning the work, be sure to verify that the type of refrigerant used is R410A. (The unit will not operate correctly with a different type of refrigerant.)
- Insulate all of the piping, including the liquid pipes, high/low pressure gas pipes, suction gas pipes, gas pipes, and the pipe connections for these. Not insulating these pipes could result in water leaks or burns. In particular, low-temperature gas flows in the high/low pressure gas piping during full cooling operation, so the same amount of insulation as used for the suction gas pipes is required. In addition, high-temperature gas flows in the high/low pressure gas piping and gas piping, so use insulation that can withstand more than 250°F (120°C).
- Select insulation material as necessary for the installation environment. For details, refer to the Engineering Data Book. If you fail to do so, condensation could form on the surface of the insulation.
5-1 Pipe size selection
Select the size of piping between the outdoor unit (refrigerant branch kit) and the Branch Selector unit and between the Branch Selector unit and indoor units (refrigerant branch kits) based on example connections 1 and 2 below and Tables 3, 4 and 5.




NOTE
- If the number of indoor units to be connected is less than the number of branch ports (so that there are empty branch ports left, or if you plan to increase the number in the future), any of the branch ports can be left unused. Ensure to follow appropriate procedure for closing the unused ports.
- If you plan to add new indoor units in the future, select a pipe size based on the total indoor unit capacity before addition of new units. Do not select a pipe size based on the total future capacity. It will result in abnormal operation. If piping size doesn’t change before and after extension, extension will be allowed.
- For more information about extension, contact your Daikin sales representative.
5-2 Pipe connection work precautions
Connect the pipes .
- Braze (*2) refrigerant pipes after nitrogen replacement (replacing air with nitrogen while allowing nitro-
gen to flow inside the refrigerant pipe (*1)). (Refer to Fig . 2 .) (*1) The pressure regulator for the nitrogen released when doing the brazing should be set to about 2.9 psi (0.02 Mpa) (enough to feel a slight breeze on your cheek).
(*2) Do not use flux when brazing the refrigerant pipe.
Use phosphor copper (B-Cu93P-710/795: ISO 3677), which does not require flux, as the filler metal for brazing. (Using chlorine flux may cause the pipes to corrode, and if it contains fluoride it may cause the refrigerant lubricant to degrade, adversely affecting the refrigerant piping system.)

CAUTION
- Do not use an anti-oxidizing agent when brazing the piping. (Residual debris could clog the piping or cause parts to malfunction.)
- For more information about outdoor unit refrigerant pipes, see the installation manual included with the outdoor unit or the Engineering Data Book. (Failure to purge air from the pipes or fill additional refrigerant may result in an insufficient volume of refrigerant in the pipes or other problems, causing the equipment to malfunction [for example, to not cool or heat properly].)
5-3 Piping connection

(*1) Indicates field pipe.
(*2) Reducers may be required (field supply) if the field pipe size does not suit on the pipe size of the Branch Selector unit (Table 5).
If there are branch ports left unused (not connected to an indoor unit)
- If there are unused branch ports, use stopper pipe (Accessory (4)). If there are many unused branch ports, be sure to use an optional Closed pipe kit (KHFP26A100C).
5-4 Airtightness test and vacuum drying
- After completing refrigerant piping work for the indoor units, Branch Selector unit, and outdoor unit, conduct an airtightness test and vacuum drying. For more information about the airtightness test pressure, refer to the outdoor unit’s installation manual.
5-5 Piping insulation
- After the gas leak inspection is completed, refer to the following figures and use the included insulation tube (Accessory (2)) and clamps (Accessory (1)) to apply the insulation.

CAUTION
- Insulate all of the piping including the liquid pipes, high/low pressure gas pipes, suction gas pipes, gas pipes, and the pipe connections for these. Not insulating these pipes could result in water leaks or burns. In particular, low-temperature gas flows in the high/low pressure gas pipes during full cooling operation, so the same amount of insulation as used for the suction gas pipes is required. In addition, high-temperature gas flows in the high/low pressure gas piping and gas piping, so use insulation that can withstand more than 250°F (120°C).
- When reinforcing the insulation material in accordance with the installation environment, also reinforce the insulation on the piping protruding from the unit. Insulation material required for reinforcement work should be supplied in the field. For more information, refer to the Engineering Data Book.
- If the taping or clamps of the insulation material is tightly wound, the thickness of the insulation material will decrease and it will lead to deterioration of the insulation performance.



CAUTION
- Wrap insulation material with the seam facing up to prevent condensation from leaking through it. (Refer to Fig . 3 .)

6 . ELECTRIC WIRING WORK
6-1 General instructions
- All wiring must be performed by an authorized electrician.
- All field supplied parts and materials, electric works must conform to local codes.
- Always ground wires. (In accordance with national regulations of the pertinent country.)
- Always turn off the power supply before performing the electric wiring work.
- Follow the “WIRING DIAGRAM” attached to the control box cover to wire the outdoor unit and indoor units.
- Properly connect wire of the specified wire type and copper thickness. Also use the included clamp to avoid applying excessive force to the terminal (field wire, ground wire).
- A disconnection incorporated in the fixed wiring is to be provided. Use an all-pole disconnection type breaker with at least 1/8 in. (3 mm) between the contact point gaps.
- Do not let the ground wire come in contact with gas pipes, water pipes, lightning rods, or telephone ground wires.
- Gas pipes: gas leaks can cause explosions and fire.
- Water pipes: cannot be grounded if hard vinyl pipes are used.
- Telephone ground and lightning rods: the ground potential when struck by lightning gets extremely high.
- A circuit breaker capable of shutting down the power supply to the entire system must be installed.
- This system consists of multiple Branch Selector units. Mark each Branch Selector unit as unit A, unit B . . . , and be sure the symbols on the terminal blocks to the outdoor unit and indoor unit are properly matched. If wiring and piping between the outdoor unit, Branch Selector unit and an indoor unit are mismatched, the system may cause a malfunction.
- Do not turn on the power supply (branch switches, overload interrupters) until all other work is done.
6-2 Example for the whole system

6-3 Power supply circuit, safety device and cable requirements
- A power supply circuit (refer to Table 6) must be provided for connection of the unit. The circuit must be protected with safety devices in accordance with local and national codes i.e. a fuse, a circuit breaker or a GFCI.
- When using residual current operated circuit breakers, be sure to use a high-speed type (0.1 second or less) 30mA rated residual operating current.
- Use copper conductors only.
- Use insulated wire for the power supply.
- Select the power supply cable type and size in accordance with relevant local and national regulations.
- Use vinyl cord with sheath or cable (2 wire) of AWG 18 – 16 for transmission wiring. · The transmission wire lengths are as follows: Between the Branch Selector unit and indoor units: Max. 3,280 ft. (1,000 m) Between the Branch Selector unit and outdoor unit: Max. 3,280 ft. (1,000 m) Between Branch Selector units: Max. 3,280 ft. (1,000 m)
Total wiring length: 6,560 ft. (2,000 m) or less

NOTE
- The above Table 6 of electrical characteristics refers to one Branch Selector unit.
6-4 Wiring example
WARNING
Install circuit protection safety devices in accordance with local and national codes . Failure to install circuit protection safety devices in accordance with local and national codes may result in electric shock or fire.
- A transmission wiring example is shown below.
- Connect “TO IN/D UNIT (F1, F2)” terminals on the printed circuit board of the outdoor unit to “OUT- DOOR UNIT (F1, F2)” terminals of the first Branch Selector unit.

NOTE
- Connect the cooling-only unit to “BS UNIT (F1, F2)” terminals of the final Branch Selector unit.
- This wiring example applies when joining the C and D branch ports and connecting them to indoor unit. The terminal block to which the transmission wiring is connected can be connected to either indoor unit C or indoor unit D. However, the DIP switches must be set appropriately. For more information about how to set DIP switches, refer to “7 . INITIAL SETTING”.
- The maximum number of indoor units connected to one branch port is 5.
CAUTION
- Use 2-core transmission wiring. Using the same wire with 3 or more cores to connect 2 or more indoor units may cause them to stop with an error.
- When shielded wire is used, be sure to ground one side of the shielded wire. The total wiring length is 4,920 ft. (1,500m) when shielded wire is used.
- Be sure to use ring type crimp style terminals with insulation sleeves to connect wires to the power supply terminal block. (Refer to Fig . 4 .)

- Do not use with the power supply terminal block and ground terminal connected to wiring for another circuit.
- Do not pre-solder stranded wire.
- Connect wires securely so that the terminals will not be subjected to external force.
- Use an appropriately sized screwdriver to tighten the terminal screws. Use of a screwdriver that is too small could damage the screw head and prevent proper tightening.
- Overtightening the terminal screws could damage the screw. Refer to the table for the terminal screw tightening torque.

- Never connect power supply wiring to the transmission wiring terminal block. Doing so may damage the entire system.
- A daisy chain configuration is required for transmission wiring. Transmission wiring cannot be branched again after the initial branch. (Refer to Fig . 5 .)

6-5 Wiring connections

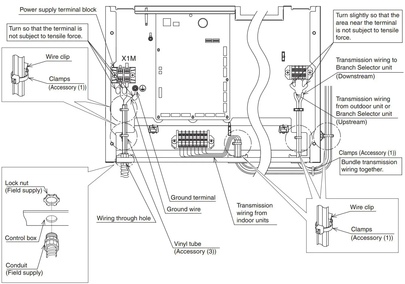
- Transmission wiring Remove the control box cover and connect the wires to the transmission wiring terminals (outdoor unit F1 and F2, Branch Selector unit F1 and F2, and each indoor unit (for example, for the BS12Q54TAVJ, indoor unit A through L) (F1 and F2)).
At this time, pass the wiring into the unit through the wiring through hole and use the included clamp (Accessory (1)) to securely hold the wires. For more information about how much insulation to strip off transmission wiring, refer to the following figure.

CAUTION Verify that the piping line coincides with the transmission wiring

- Power supply wiring and ground wires Remove the control box cover and connect the power supply wiring to the power supply terminal block (X1M). Also connect the ground wiring to the ground wire terminal. Pass both the power supply wires and the ground wiring together through the conduit hole (left) into the control box and use the included clamp (Accessory (1)) to securely hold the wires in place. Be sure to wire the ground wiring so that it comes out of the cut out slit in the cup washer. (Not doing so could cause insufficient ground wire contact, causing the wire not to function as a ground.) For more information about how much sheath to strip off power supply wiring, refer to the following figure.

WARNING
Organize the wiring and securely reattach the control box cover. Pinched wires or a loose control box cover could result in electric shock or fire.
CAUTION
- When fastening the wire, use the included clamp (Accessory (1)) so as not to apply tensile force to the wire connection and then securely fasten the wire. Also, after the wiring is completed, organize the wiring so that the control box cover does not pop up and then properly replace the control box cover. Make sure no wires are pinched when replacing the control box cover. Always use the wire through hole to protect wires.
- Do not pass the transmission wiring and power supply wiring through the same locations, and outside of the unit keep them separated by at least 2 in. (50 mm). Not doing so could cause the transmission wiring to pick up electric noise (external noise) and result in a malfunction or breakdown.
- After the wiring work is complete, use sealer (to be supplied in the field) to seal closed the conduit hole. (Entry by small animals, etc., could cause a malfunction.)
- As shown in the figure on the right, wrap the transmission wiring between each Branch Selector unit and indoor unit with finishing tape (to be supplied in the field).

7 . INITIAL SETTING
7-1 Settings in the field
Follow the instructions below to set the DIP switches as necessary.
WARNING
Electric shock hazard! Before performing work, be sure to disconnect any power source connected to the unit .
Procedure
- Disconnect the power source.
- Set the DIP switches (DS1, DS2) for the corresponding branch ports based on the following table.
- Once work is complete, be sure to close the control box cover.

<Setting>
- Setting for branch ports to which no indoor unit is connected

- Setting when joining branch ports

8 . ADDING AN ADDITIONAL CHARGE OF REFRIGERANT
Follow the instructions in the installation manual included with the outdoor unit to add an additional charge of refrigerant.
9 . CHECK OPERATION AND TEST OPERATION
- Verify that the control box cover is reattached to the control box.
- Refer to the installation manual included with the outdoor unit and conduct a check and a test run
after all the work on the Branch Selector unit and outdoor and indoor units is completed and the operational safety of the units is confirmed.
• You will hear the motor operated valve operating for about 90 seconds as it is automatically initialized (closed) after power is turned on, but this is not a problem.
• System malfunctions can be verified by means of the following methods: Indication on the remote controller Overall system malfunctions, including the Branch Selector unit, can be identified using the LCD display on the remote controller. For more information about the malfunction display and its significance, refer to the installation manual included with the outdoor unit.
DAIKIN MANUFACTURING COMPANY, L.P.
Daikin Texas Technology Park,
19001 Kermier Road,
Waller, TX, 77484, U.S.A.

3P405106-12C EM20A009 [2105] HT





















