venmar A110H65RT N-Series HRV Air Exchangers

Models

| A110H65RT | A110H65RS |
| A130H65RT | A130H65RS |
| A130E65RT | A130E65RS |
| A150H75NT* | A150H75NS* |
| **A160H75RT | A160H75RS |
| A160H65RT | A160H65RS |
| A160E65RT | A160E65RS |
| A150E75NT* | A150E75NS* |
| **A160E75RT | A160E75RS |
Recirculation mode is not offered on these models.
| V110H65RT | V110H65RS |
| V130H65RT | V130H65RS |
| V130E65RT | V130E65RS |
| V150H75NT* | V150H75NS* |
| **V160H75RT | V160H75RS |
| V160H65RT | V160H65RS |
| V160E65RT | V160E65RS |
| V150E75NT* | V150E75NS* |
| **V160E75RT | V160E75RS |
Recirculation mode is not offered on these models.
REGISTER YOUR PRODUCT ONLINE AT:
www.venmar.ca/register-your-product.html or www.vanee.ca/en/register-your-product.html For additional information, visit www.venmar.ca or www.vanee.ca.
THESE PRODUCTS EARNED THE ENERGY STAR® BY MEETING STRICT ENERGY EFFICIENCY GUIDELINES SET BY NATURAL RESOURCES CANADA AND THE US EPA. THEY MEET ENERGY STAR REQUIREMENTS ONLY WHEN USED IN CANADA.
Please take note that this manual uses the following symbols to emphasize particular information: Identifies an instruction which, if not followed, might cause serious personal injuries including possibility of death.
CAUTION
Denotes an instruction which, if not followed, may severely damage the unit and/or its components.
NOTE:
Indicates supplementary information needed to fully complete an instruction.
LIMITATION
For residential (domestic) installation only. Installation work and electrical wiring must be done by a qualified person in accordance with all applicable codes and standards, including fi re-rated construction codes and standards.
WARNING
TO REDUCE THE RISK OF FIRE, ELECTRIC SHOCK, OR INJURY TO A PERSON(S) OBSERVE THE FOLLOWING:
- Use this unit only in the manner intended by the manufacturer.
- Before servicing or cleaning this unit, disconnect power cord from the electrical outlet.
- This unit is not designed to provide combustion and/or dilution air for fuel-burning appliances.
- When cutting or drilling into a wall or ceiling, do not damage electrical wiring and other hidden utilities.
- Do not use this unit with any solid-state speed control device other than those specified in section 3.1.
- This unit must be grounded. The power supply cord has a 3-prong grounding plug for your personal safety. It must be plugged into a mating 3-prong grounding receptacle, grounded in accordance with the national electrical code and local codes and ordinances. Do not remove the ground prong. Do not use an extension cord.
- Do not install in a cooking area or connect directly to any appliances.
- Do not use to exhaust hazardous or explosive materials and vapors.
- When performing installation, servicing or cleaning this unit, it is recommended to wear safety glasses and gloves.
- When applicable local regulation comprises more restrictive installation and/or certification requirements, the aforementioned requirements prevail on those of this document and the installer agrees to conform to these at his own expenses.
CAUTION
- To avoid prematurely clogged fi lters, turn the unit OFF during construction or renovation.
- Please read specifi cation label on product for further information and requirements.
- Be sure to duct air outside – Do not intake/exhaust air into spaces within walls or ceiling or into attics, crawl spaces, or garage. Do not attempt to recover the exhaust air from a dryer or a range hood.
- Intended for residential installation only in accordance with the requirements of NFPA 90B (for a unit installed in U.S.A.) or Part 9 of the National Building Code of Canada (for a unit installed in Canada).
- Do not run any air ducts directly above or within 2 ft (0.61 m) of a furnace or its supply plenum, boiler, or other heat producing appliance. If a duct has to be connected to the furnace return plenum, it must be connected 10’ (3.1 m) away from plenum’s connection to the furnace.
- The ductwork is intended to be installed in compliance with all applicable local and national codes.
- When leaving the house for a long period of time (more than two weeks), a responsible person should regularly check if the unit operates adequately.
- If the ductwork passes through an unconditioned space (e.g.: attic), the unit must operate continuously except when performing maintenance and/or repair. Also, the ambient temperature of the house should never drop below 18°C (65°F).
- At least once a year, the unit mechanical and electronic parts should be inspected by qualifi ed service personnel.
- Do not use your unit during construction or renovation of your house or when sanding drywall. Certain types of dust and vapors may damage your system.
- Make sure at all times that the outside intake and exhaust hoods are free from any snow during the winter season. It is important to check your unit during a big snow storm, so it doesn’t draw in any snow. If this is the case, please turn the unit OFF for a few hours.
- Since the electronic control system of the unit uses a microprocessor, it may not operate correctly because of external noise or very short power failure. If this happens, unplug the unit and wait approximately 10 seconds. Then, plug the unit in again.
- Do not make excessive use of fragrance appliances or chemicals since some may damage the unit components material.
Consumer Information
- To ensure quiet operation of the H/ERV, each product model must be installed using sound attenuation techniques appropriate for the installation.
- The way your heat/energy-recovery ventilator is installed can make a signifi cant difference to the electrical energy you use. To minimize the electricity use of the heat/energy-recovery ventilator, a stand-alone fully ducted installation is recommended. If you choose a simplifi ed installation that operates your furnace air handler for room-to-room ventilation, an electrically effi cient furnace that has an electronically commutated (EC) variable speed blower motor will minimize your electrical energy consumption and operating cost.
- Installation of a user-accessible control with your product model will improve comfort and may signifi cantly reduce the product model’s energy use.
TECHNICAL DATA
AIR DISTRIBUTION (NORMAL OPERATION)

NOTE:
The dimensions, performance charts, defrost cycle tables and specifi cations are listed on the specifi cation sheets of the unit.
Visit our website at www.venmar.ca or www.vanee.ca.
INSTALLATION
WARNING
The wearing of safety glasses and gloves is recommended when installing, maintaining or cleaning the unit to reduce the risk of injury that could be caused by the presence of thin metal and/or high moving parts.
CAUTION
Make sure that no piece of mineral wool will enter in the unit during installation. Otherwise, this could reduce airfl ow and generate vibrations and noise in the unit.
LOCATING AND MOUNTING THE UNIT
Choose an appropriate location for the unit:
- Within an area of the house where the ambient temperature is kept between 10°C (50°F) and 65°C (149°F);
- Away from living areas (dining room, living room, bedroom), if possible;
- So as to provide easy access to the interior cabinet for maintenance, and to the control panel on the side of the unit;
- Close to an exterior wall, so as to limit the length of the insulated fl exible ducts to and from the unit;
- HRV units only: close to a drain. If no drain is close by, use a pail to collect run-off;
- Away from hot chimneys, electrical panel and other fi re hazards;
- Within 6 feet of a power source (standard outlet).
Suspended to the joists or trusts:
- Slightly bend the brackets on the unit to insert the provided chains.
- Hang the unit to the joists using the provided chains. Springs are not required.
- Always make sure that the unit is no more than 1/4″ off level.

Wall mounted:
- Choose the appropriate location(s) for the mounting brackets (see illustration below) according to stud(s) position.
- Insert the provided brackets under the unit frame (see illustration hereafter).
- Fix the bracket using the screw no. 8 x 3/8″.
- Using the 4 no. 8 x 1½” screws provided, secure the unit to the wall making sure that the 4 screws engage into a stud.
- Always make sure that the unit is no more than 1/4″ off level.


INSTALLING THE DUCTWORK AND THE REGISTERS
WARNING
Never install a stale air exhaust register in a room where there is a combustion device, such as a furnace, gas water heater, fi replace or any appliance or equipment that can generate gaseous contaminants, or pollutants. The negative pressure this could create in the room may impair proper evacuation of the gas or pollutants, which may have severe health consequences.
CAUTION
If ducts have to go through an unconditioned space (e.g.: attic), always use insulated ducts to prevent condensation formation inside and outside ducts, which could cause material damage and/or mold growth. Moreover, if fresh air to building duct and/or stale air from building duct goes/go through an unconditioned space, the unit must be set to operate continuously in cold conditions (below 10°C/50°F). Continuous air movement inside ducts will prevent condensation formation. The unit can be stopped temporarily for maintenance and/or repair purposes in such conditions.
FULLY DUCTED SYSTEM (T-1) (THIS CONFIGURATION ALLOWS RECIRCULATION MODE TO OPERATE.)
STALE AIR FROM BUILDING:
- Install registers in areas where contaminants and humidity are produced: kitchen, bathrooms, laundry room, etc.
- Install registers on an interior wall, 6 to 12 inches away from the ceiling OR in the ceiling.
- Install the kitchen register at least 4 feet away from the range.
- Bathroom fans and range hoods can be used to better exhaust stale air.
- Homes with more than one level require at least one exhaust register at the highest level.
FRESH AIR TO BUILDING:
- Install registers in bedrooms, dining room, living room and basement.
- Install registers in the ceiling OR high on the walls with the airfl ow directed towards the ceiling.
- If a register must be installed in the fl oor, direct the airfl ow up the wall.
NOTE: For this type of confi guration, the T-1 option must be selected on the LCD screen when auto-balancing the unit.

EXHAUST DUCTED SYSTEM (T-2) (THIS CONFIGURATION ALLOWS RECIRCULATION MODE TO OPERATE.)
WARNING
Duct connection to the central forced-air system can be regulated by some codes and standards. It is your responsibility to consider and comply with your local requirements to avoid any non-compliance.
STALE AIR FROM BUILDING:
Same as for Fully Ducted System, described on point
FRESH AIR TO BUILDING:
- Connect the fresh air distribution duct of the unit to the central forced-air system return duct at least 10 feet away from the central forced-air system (A+B)*.
This 10-ft. distance applies only in areas where the outside temperature falls below the freezing point 0°C (32°F).
- NOTE: The central forced-air system blower operation can be synchronized with the unit (see Section 3.3). It is recommended, but not essential that the central forced-air system blower runs when the unit is in operation.
- NOTE: For this type of confi guration, the T-2 option must be selected on the LCD screen when auto-balancing the unit.

ALTERNATE INSTALLATION (T-3) (THIS CONFIGURATION ALLOWS RECIRCULATION MODE TO OPERATE.) Unit should be synchronized with central forced-air system operation to avoid condensation and mold growth in central forced-air system distribution ducting if cooling mode of central forced-air system is used.

CAUTION
This confi guration is not recommended with high velocity central forced-air system. High pressures produced by these systems could affect unit proper operation and generate errors.
NOTE: For this type of confi guration, the T-3 option must be selected on the LCD screen when auto-balancing the unit.
SIMPLIFIED INSTALLATION (T-4) (THIS CONFIGURATION DOES NOT ALLOW RECIRCULATION MODE TO OPERATE.)
CAUTION
The central forced-air system must be synchronized with the unit since fresh air evacuation and distribution come from the same section. The central forced-air system must operate to avoid fresh air to be directly drawn by the evacuation, which would reduce signifi cantly fresh air supply to the building. See Section 3.3 for ducting.
WARNING
Duct connection to the central forced-air system can be regulated by some codes and standards. It is your responsibility to consider and comply with your local requirements to avoid any non-compliance.
Fresh air and exhaust air fl ow through the central forced-air system ducts, which simplifi es the installation. The use of bathroom fans and a range hood is suggested to exhaust stale air.
STALE AIR FROM BUILDING:
Connect the stale air intake port of the unit to the central forced-air system return duct at least 3 feet ahead of the fresh air distribution from the unit.
FRESH AIR TO BUILDING:
Connect the fresh air distribution duct of the unit to the central forced-air system return duct at least 10 feet away from the central forced-air system (A+B)*.

This 10-ft. distance applies only in areas where the outside temperature falls below the freezing point 0°C (32°F).
NOTE:
For this type of confi guration, the T-4 option must be selected on the LCD screen when auto-balancing the unit.
ALTERNATE INSTALLATION (T-5) (THIS CONFIGURATION DOES NOT ALLOW RECIRCULATION MODE TO OPERATE.)
Unit should be synchronized with central forced-air system operation to avoid condensation and mold growth in central forced-air system distribution ducting if cooling mode of central forced-air system is used.
CAUTION
This confi guration is not recommended with high velocity central forced-air system. High pressures produced by these systems could affect unit proper operation and generate errors.
NOTE:
For this type of confi guration, the T-5 option must be selected on the LCD screen when auto-balancing the unit.

CAUTION
Install the drain hose included and run it to a drain or a pail. This unit may generate a large amount of water in cooler weather. It is necessary to install the drain hose properly to prevent water damage and/or material damage.
- Cut the appropriate length of drain tubing (see illustrations below).
- Connect the tubing to the provided adaptor.
- Make a water trap loop in the tube to prevent the unit from drawing unpleasant odors from the drain source.
- Add water in the loop to prevent noise or hiss.
- Make sure there is a distance of at least 2″ between the unit and the tubing loop (see illustration below).
- Using the tie wrap provided, attach the tubing as illustrated below.
- Run the tube to the fl oor drain or to an alternate drain pipe or pail.
- IMPORTANT: If using a pail to collect water, place the tube end approximately 1″ inside the pail in order to prevent water from being drawn back up into the unit.

INSTALLING DUAL EXTERIOR HOOD USING TANDEM® TRANSITION KIT (OPTIONAL)
For units set at 110 CFM or less, a Tandem transition kit can be used instead of 2 exterior hoods; but take into account this device will generate approximately an additional 0.2 in w.g. static pressure depending on the installation. The minimum joist opening needed to install the Tandem® transition is 9¾”. The maximum height of the Tandem transition is 8¾”. To connect the insulated fl exible ducts to the Tandem transition (Exhaust air to outdoors and Fresh air from outdoors), follow the instructions included with the Tandem transition kit (part no.14690).

INSTALLING THE EXTERIOR HOODS
To avoid cross-contamination:
- Keep at least 6 feet between both hoods OR use approved combined hoods model 14690.
- Install hood(s) at least at 18 inches away from the ground OR depth of expected snow accumulation, whichever is greater.
WARNING
Make sure intake hood is at least 6 feet (1.8 m) away from any of the following:
- Dryer exhaust, high effi ciency central forced-air system vent, central vacuum vent
- Gas meter exhaust, gas barbecue-grill
- Any exhaust from a combustion source
- Garbage bin and any other source of contamination. Ignoring these recommendations could signifi cantly degrade the quality of the incoming air which, in some cases, could result in health consequences.
In the event of a confl ict between our conditions and local requirements, the latter will have priority.

Refer to illustration above for proper connection method of the insulated ducts to the hoods. An “Anti-Gust Intake Hood” should be installed in regions where a lot of snow is expected to fall.
CONNECTING THE DUCTS TO THE UNIT
CAUTION
- If ducts have to go through an unconditioned space (e.g.: attic), always use insulated ducts to prevent condensation formation inside and outside ducts, which could cause material damage and/or mold growth.
- Do not use screws to connect the ducts or transitions to the ports so as not to interfere with ports inner dampers operation. A non-functioning damper could freeze the unit, which could cause damages.
INSULATED FLEXIBLE DUCTS
Use the following procedure to connect the insulated fl exible ducts to the ports of the unit (exhaust to outside and fresh air from outside).
- Expose the flexible duct by pulling back the insulation, and place it over the inner port ring.
- Attach the flexible duct to the port using a tie wrap.
- Seal the joint using duct tape.
- Pull the insulation and vapor barrier over the joint, tuck them between the inner and outer rings of the double collar and fasten them in place using duct tape.
CAUTION
The vapor barrier should remain intact and free of cracks or openings. An opening could produce condensation inside or outside duct, which could cause material damage and/or mold growth in the long run.

TRANSITIONING TO 6-IN. DUCTS (FOR 110, 130 AND 150 CFM UNITS ONLY)
If using 6-in. ducts, install 5-in. to 6-in. transitions on the ports, and secure using duct tape only. If rigid ducting is used, install a 12-in. section of flexible duct between the transition and the rigid ducting (see above).
RIGID DUCTS
To prevent potential water leakage in cold side rigid ducting insulation, seal all rigid ducting joints with duct tape. To avoid transmission of vibrations, always use a 12-inch section of flexible duct to connect rigid ducts to the unit. To connect insulated rigid ducts to the unit (cold side) using insulated fl exible ducts, follow the instructions in section 2.5. To connect regular rigid ducts (warm side) to the unit using non-insulated flexible ducts, use a tie wrap.
NOTE:
It is recommended to use 6″ ducting instead of 5″ ducting for 150H75NT, 150H75NS, 150E75NT and 150E75NS units if required airfl ow is over 130 CFM. It will prevent having too high static pressure in the ducting.
DUCTS CONNECTION
IMPORTANT:
Make sure to connect ducting as illustrated below to get airfl ows reading accuracy. Correct installation will also allow proper drainage of water that may accumulate in ducting.
CORRECT INSTALLATION

CAUTION
- Ducting must not be too crushed. Otherwise, airfl ows reading accuracy will be affected.
- Insulated ducts must have the same diameter as the ports to ensure proper drainage of water that may accumulate in ducts.

NOTE:
Route ducts as straight as possible, minimize the number of elbows and design and install ducts in accordance with HRAI best practices.
CONNECTIONS
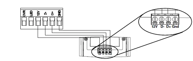
ELECTRICAL CONNECTION TO OPTIONAL MAIN WALL CONTROL
WARNING
Always disconnect the unit before making any connections. Failure to cut power could result in electrical shock or damage to the wall control or electronic module inside the unit.
CAUTION
Never install more than one optional main wall control per unit. Make sure that the wires do not short-circuit between themselves or by touching any other components on the wall control. Avoid poor wiring connections. To reduce the risk of electrical interference (noise), do not run wall control wiring next to control contactors or near light dimming circuits, electrical motors, dwelling/building power or lighting wiring or power distribution panel.

Use the terminal connector included to perform the electrical connection for optional main wall control. Check if all wires are correctly inserted in their corresponding holes in the terminal connector. Use screws to fi x wires in the terminal connector. Once the wall control connections have been made, insert the terminal connector in the electrical compartment.
NOTE:
For information about the operation of the wall control, refer to the corresponding Installation and User Guide, available at www.vanee.ca or www.venmar.ca.
ELECTRICAL CONNECTION TO DEHUMIDISTAT OR AUTOMATIC OPTIONAL MAIN WALL CONTROL

ELECTRICAL CONNECTION TO ADVANCED OPTIONAL MAIN WALL CONTROL

ELECTRICAL CONNECTION TO OPTIONAL AUXILIARY WALL CONTROL
ELECTRICAL CONNECTION TO 20-40-60 OPTIONAL AUXILIARY WALL CONTROL

When confi gurating OVR option on the LCD screen, choose among these 3 confi gurations: BAL (the unit remains balanced while providing maximum airfl ow), PER (the unit is slightly unbalanced since the distribution motor is in MAX speed while allowing maximum exhaust ventilation) and DIS (the unit is unbalanced since air distribution is constant despite a higher need in exhaust ventilation).
NOTE:
The auxiliary wall control can be used with a 3-wire connection by removing the LED signals. This optional wiring will not allow an installation with more than 1 auxiliary wall control to properly synchronize their LEDs on an event requested from a peer. Only the auxiliary wall control having requested the timer event will have the LEDs updated accordingly.
ELECTRICAL CONNECTION TO DRY CONTACT OPTIONAL AUXILIARY WALL CONTROL (E.G. CRANK TIMER)

WARNING
A miswiring that sends a 24 VAC signal to the 6-position terminal block (OVR, LED, 12V, D-, D+, GND) could permanently damage the control circuit. Verify carefully wire connections before powering-up the unit.
CONNECTION TO THE CENTRAL FORCED-AIR SYSTEM
WARNING
Never connect a 120-volt AC circuit to the terminals of the central forced-air system interlock (standard wiring). Only use the low voltage class 2 circuit of the central forced-air system blower control. The unit is designed for low voltages only. Connecting the unit on 120-volt circuit would damage it instantly.
UNIT OPERATION USING A DRY CONTACT CONNECTION
This unit can be controlled by any dry contact connection such as the thermostat equipped with an optional ventilation output.
Once wired, unit will toggle between the Standby mode when contact is opened and the selected mode when contact is closed. Choose among these 4 confi gurations: minimum (unit operating in MIN speed), intermittent (unit operating in MIN speed 20 min/hr then as per INT confi guration selection for 40 min), auto* (unit operating according to outdoor temperature) and maximum (unit operating in MAX speed) in DRY option on the LCD screen when the VENT contact is activated. Refer to section 5 for more details.

- NOTE: This dry contact option will override the main wall control so we do not recommend the use of a wall control with this type of connection.
- NOTE: Following ducting installation confi guration and temperature conditions, it may be necessary for the unit to operate continuously. Refer to section 2.2 for more details.
In auto mode, the unit will operate as follows:
- Less than -25°C = 10 min/hr
- -25°C to -7°C = 20 min/hr
- -7°C to 10°C = 40 min/hr
- 10°C to 25°C = MIN speed
- 25°C to 28°C = 30 min/hr
- 28°C to 33°C = 20 min/hr
- Above 33°C = 10 min/hr
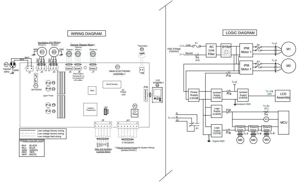
UNIT INTERCONNECTION WITH CENTRAL FORCED-AIR SYSTEM (R/C/G/GF)

These connections must be done if you want the unit to force the central forced-air system blower operation when ventilating (refer to solid lines in above diagram).
NOTE: These connections are required for installation confi guration T-4. Refer to section 2.2 for more details.
SYNCHRONIZATION WITH CENTRAL FORCED-AIR SYSTEM FUNCTION
The Virtuo technology allows synchronizing the unit operation with the central forced-air system operating time. It prevents unnecessary central forced-air system operating time while providing a better air distribution. To use this function, W and Y connections must be added to R and C connections to inform the unit that the central forced-air system is running (refer to dotted lines in above diagram).
WIRING DIAGRAM
WARNING
- Risk of electric shocks. Before performing any maintenance or servicing, always disconnect the unit from its power source.
- This product is equipped with an overload protection (fuse). A blown fuse indicates an overload or a short-circuit situation. If the fuse blows, unplug the product from the outlet. Discontinue using the unit and contact technical support.

| OK button | To confirm a selection. |
| + button | To increase a value. |
| To scroll up in a selection. | |
| – button | To decrease a value. |
| To scroll down in a selection. |

PRESS ON OK BUTTON TO CHANGE THE OPERATING MODE. USE + BUTTON OR – BUTTON TO SELECT THE DESIRED OPERATING MODE.
- PRESS ON + BUTTON OR – BUTTON TO MODIFY MAX CFM, MIN CFM OR OPTIONS CONFIGURATION.

LCD SCREEN
| DISPLAY | DEFINITION |
| STB | Standby mode |
| MED | MED speed |
| INT | Intermittent mode |
| REC | Recirculation mode (Min, Med or Max speed) |
| AUT | AUTO mode |
| SMT | SMART mode |
| OVR 20 | Override 20 min |
| OVR 40 | Override 40 min |
| DISPLAY | DEFINITION |
| OVR 60 | Override 60 min |
| OVR CNT | Override by dry contact |
| AHU | Refer to section 6.3 for explanation |
| HUM | Humidistat or Dehumidistat override |
| TUR | Turbo mode |
| OTH | Away mode or Scheduling mode |
| DEF | Defrost mode |
| EXX or WXX (XX referring to error or warning number) | Refer to section 8 for each error/warning explanation |
UNIT FIRST BOOT
PREPARATION
Follow these steps to ensure accurate measurements:
- Seal all the ductwork with tape. Close all windows and doors.
- Turn off all exhaust devices such as range hood, dryer, and bathroom fans.
- If the installation is in any way connected to ductwork of a central forced-air system, make sure that the central forced-air
The system blower is ON. If not, leave central forced-air system blower OFF.
AUTO-BALANCING PROCEDURE
- Plug the unit and wait for the maximum CFM to display on the LCD screen. If the unit is colder than the ambient temperature, it is normal to experience a 60-longer boot-up since motors have to preheat.
- The maximum CFM will display on the LCD screen. Use (+/-) to adjust the CFM and OK to confirm.
- The minimum CFM will display on the LCD screen. Use (+/-) to adjust the CFM and OK to confirm.
- The house that flashes on the LCD screen indicates which side currently limits the airflow (supply or exhaust). If the airflow reached is not sufficient, the installer can improve the installation to increase airfl ow.
INSTALLATION CONFIGURATION SELECTION
- INS will display on the LCD screen. Choose among T-1, T-2, T-3, T-4 or T-5 following the installation configuration (Refer to section 2.2 for more details).
- Auto-balancing is completed.
SETTINGS MODIFICATION
PROCEDURE TO MODIFY MIN CFM SETTING
- Go to MIN using (+/-) then press the OK button for 4 seconds.
- Use (+/-) to increase/decrease CFM and OK to confirm.
PROCEDURE TO MODIFY MAX CFM SETTING
- Go to MAX using (+/-) then press on the OK button for 4 seconds.
- Use (+/-) to increase/decrease CFM and OK to confirm.
PROCEDURE TO MODIFY OPTIONS SETTING
- Go to CFG OPT using (+/-) then press on the OK button for 4 seconds.
PROCEDURE TO MODIFY INDEPENDENT AIRFLOWS SETTING
- Press simultaneously (+/-) buttons for 4 seconds.

| Options | Configurations available |
| DEF (Defrost) | DIS* (Discretion – defrost without speed variation for more comfort), PLU (Plus – extended defrost for colder areas) |
| INS (Installation) | T-1, T-2, T-3, T-4*, T-5 (Refer to section 2.2) |
| DRY (Dry contact) | MIN* (Minimum), INT (Intermittent), AUT (AUTO), MAX (Maximum) (Refer to section 3.3.1) |
| OVR (Override) | BAL* (Balanced), PER (Performance), DIS (Discretion) (Refer to section 3.2.1) |
|
INT (Intermittent) | STB* (Standby – 20 min in MIN speed and 40 min in standby mode), REC** (Recirculation – 20 min in MIN speed and 40 min in recirculation mode) **REC (Recirculation) configuration is not available for T-2 to T-5 installation configurations nor for 150H75NT, 150H75NS, 150E75NT and 150E75NS units. NOTE: Following ducting installation configuration and temperature conditions, it may be necessary for the unit to operate continuously. Refer to section 2.2 for more details. |
Factory setting
NOTE:
If no selection is confi rmed within 10 minutes, the unit will exit the menu without saving any changes.
FACTORY SETTINGS RESET
If any change is made to the ducting, reset settings to restart the airfl ow test.
PROCEDURE TO RESET SETTINGS
Press on the OK and (-) buttons simultaneously for 4 seconds. Use (+/-) to select Yes or No and OK to confi rm. Then perform the auto-balancing procedure.
USING THIS UNIT
YOUR VENTILATION SYSTEM
This balanced ventilation unit is designed to provide fresh air to your home while exhausting stale, humid air. Thanks to its energy/heat recovery module, the unit recovers a large proportion of heat or energy that is part of indoor or outdoor air according to the seasons to improve comfort and energy effi ciency during the heating and the cooling periods. With the Virtuo Air TechnologyTM, this unit responds to the variations in its environment in an autonomous way, ensuring to provide a proper level of ventilation and air quality. This unit also features automatic modes (AUTO or SMART) that manage autonomously the required ventilation level as per indoor and/or outdoor conditions. In colder areas, the unit will perform, at intervals, recovery module discreet defrost to maintain performance and comfort.
INTEGRATED CONTROL
All units are equipped with an integrated control, located in front of the electrical compartment. For more convenience, these units can be controlled using an optional wall control or the central forced-air system thermostat equipped with external fan activation.
MODE SELECTION
- To change the mode, use (+/-) to access the Mode screen. Press OK to edit the mode and use (+/-) to change the mode (Standby, Min, Max).
- Press OK to confi rm selection. The airfl ows will be displayed for both MIN and MAX modes.
NOTE: If an optional auxiliary wall control or the central forced-air system thermostat equipped with external fan activation is used, it overrides the integrated control.

AHU MODE DISPLAY
Depending on unit confi guration and/or installation, the unit could not be able to reach desired minimum CFM. This situation could happen with confi gurations T-2 to T-5. In such a case, AHUXX (XX referring to desired minimum CFM value) will display on LCD screen. In AHU mode, the unit operates in intermittent mode to reach desired minimum CFM value. Intermittent mode duration varies as per desired minimum CFM value.
SERVICE PARTS

|
ITEM |
DESCRIPTION |
PART NUMBER | A110H65RT/RS | V110H65RT/RS | A130H65RT/RS | V130H65RT/RS | A130E65RT/RS | V130E65RT/RS | A160H65RT/RS | V160H65RT/RS | A160E65RT/RS | V160E65RT/RS | A160H75RT/RS | V160H75RT/RS | A160E75RT/RS | V160E75RT/RS | A150H75NT/NS | V150H75NT/NS | A150E75NT/NS | V150E75NT/NS |
| 1 | 6″ port warm side | SV66139 | 2 | 2 | 2 | 2 | 2 | 2 | 2 | 2 | ||||||||||
| 5″ port warm side | SV66140 | 2 | 2 | 2 | 2 | 2 | 2 | 2 | 2 | 2 | 2 | |||||||||
| 2 | 6″ metal port motorized damper | SV66135 | 1 | 1 | 1 | 1 | 1 | 1 | 1 | 1 | ||||||||||
| 5″ metal port motorized damper | SV66136 | 1 | 1 | 1 | 1 | 1 | 1 | 1 | 1 | 1 | 1 | |||||||||
| 3 | Electronic assembly | SV66144** | 1 | 1 | 1 | 1 | 1 | 1 | 1 | 1 | 1 | 1 | 1 | 1 | 1 | 1 | 1 | 1 | 1 | 1 |
| 4 | Terminal blocks | SV66145 | 1 | 1 | 1 | 1 | 1 | 1 | 1 | 1 | 1 | 1 | 1 | 1 | 1 | 1 | 1 | 1 | 1 | 1 |
| 5 | 6″ exhaust port assembly | SV66137 | 1 | 1 | 1 | 1 | 1 | 1 | 1 | 1 | ||||||||||
| 5″ exhaust port assembly | SV66138 | 1 | 1 | 1 | 1 | 1 | 1 | 1 | 1 | 1 | 1 | |||||||||
| 6 | Door latches and keepers for door | SV61218 | 1 | 1 | 1 | 1 | 1 | 1 | 1 | 1 | 1 | 1 | 1 | 1 | 1 | 1 | 1 | 1 | 1 | 1 |
| 7 | Thermistor | SV66134 | 1 | 1 | 1 | 1 | 1 | 1 | 1 | 1 | 1 | 1 | 1 | 1 | 1 | 1 | 1 | 1 | 1 | 1 |
| 8 | Recirculation damper with thermistor | SV66148 | 1 | 1 | 1 | 1 | 1 | 1 | 1 | 1 | 1 | 1 | 1 | 1 | 1 | 1 | 1 | 1 | ||
| 9 | Exhaust blower with damper | SV66142 | 1 | 1 | 1 | 1 | 1 | 1 | 1 | 1 | 1 | 1 | 1 | 1 | 1 | 1 | 1 | 1 | 1 | 1 |
| 10 | Supply blower assembly | SV66141 | 1 | 1 | 1 | 1 | 1 | 1 | 1 | 1 | 1 | 1 | 1 | 1 | 1 | 1 | 1 | 1 | 1 | 1 |
|
11 | Core ERV 65 % | SV66113 | 1 | 1 | 1 | 1 | ||||||||||||||
| Core ERV 75 % | SV66114 | 1 | 1 | 1 | 1 | |||||||||||||||
| Core HRV 65 % | SV66115 | 1 | 1 | 1 | 1 | 1 | 1 | |||||||||||||
| Core HRV 75 % | SV66116 | 1 | 1 | 1 | 1 | |||||||||||||||
| 12 | MERV8 filters kit | SV66133 | 1 | 1 | 1 | 1 | 1 | 1 | 1 | 1 | 1 | 1 | 1 | 1 | 1 | 1 | 1 | 1 | 1 | 1 |
| 13 | Door | SV66150 | 1 | 1 | 1 | 1 | 1 | 1 | 1 | 1 | 1 | |||||||||
| SV66151 | 1 | 1 | 1 | 1 | 1 | 1 | 1 | 1 | 1 | |||||||||||
| 14 | Exhaust damper | SV66143 | 1 | 1 | 1 | 1 | 1 | 1 | 1 | 1 | 1 | 1 | 1 | 1 | 1 | 1 | 1 | 1 | 1 | 1 |
| 15 | Separator WE with thermistor | SV66149 | 1 | 1 | ||||||||||||||||
| * | Hardware kit | SV66146 | 1 | 1 | 1 | 1 | 1 | 1 | 1 | 1 | 1 | 1 | 1 | 1 | 1 | 1 | 1 | 1 | 1 | 1 |
| * | Fuse for PCB | SV66147 | 1 | 1 | 1 | 1 | 1 | 1 | 1 | 1 | 1 | 1 | 1 | 1 | 1 | 1 | 1 | 1 | 1 | 1 |
| * | ½” hose | SV00592 | 1 | 1 | 1 | 1 | 1 | 1 | 1 | 1 | 1 | 1 | 1 | 1 | 1 | 1 | 1 | 1 | 1 | 1 |
- Not shown.
- See next page to get the part number that corresponds to the ventilation unit model.
| VENTILATION UNIT MODEL | ||||||||||||||||||
|
ELECTRONIC ASSEMBLY PART NUMBER | A/V110H65RS | A/V110H65RT | A/V130H65RS | A/V130H65RT | A/V160H65RS | A/V160H65RT | A/V150H75NS | A/V150H75NT | A/V160H75RS | A/V160H75RT | A/V130E65RS | A/V130E65RT | A/V160E65RS | A/V160E65RT | A/V150E75NS | A/V150E75NT | A/V160E75RS | A/V160E75RT |
| SV66144-01 | X | |||||||||||||||||
| SV66144-02 | X | |||||||||||||||||
| SV66144-03 | X | |||||||||||||||||
| SV66144-04 | X | |||||||||||||||||
| SV66144-05 | X | |||||||||||||||||
| SV66144-06 | X | |||||||||||||||||
| SV66144-07 | X | |||||||||||||||||
| SV66144-08 | X | |||||||||||||||||
| SV66144-09 | X | |||||||||||||||||
| SV66144-10 | X | |||||||||||||||||
| SV66144-11 | X | |||||||||||||||||
| SV66144-12 | X | |||||||||||||||||
| SV66144-13 | X | |||||||||||||||||
| SV66144-14 | X | |||||||||||||||||
| SV66144-19 | X | |||||||||||||||||
| SV66144-20 | X | |||||||||||||||||
| SV66144-17 | X | |||||||||||||||||
| SV66144-18 | X | |||||||||||||||||
REPLACEMENT PARTS AND REPAIRS
In order to ensure your ventilation unit remains in good working condition, you must use the manufacturer’s genuine replacement parts only. The manufacturer’s genuine replacement parts are specially designed for each unit and are manufactured to comply with all the applicable certifi cation standards and maintain a high standard of safety. Any third party replacement part used may cause serious damage and drastically reduce the performance level of your unit, which will result in premature failing. The manufacturer recommends to contact a certifi ed service depot for all replacement parts and repairs.
INSTALLER’S TROUBLESHOOTING
WARNING
The wearing of safety glasses and gloves is recommended since a few diagnosis procedures may require the unit to be in operation while proceeding. Be careful with moving and live parts to prevent any risk of injury.
| ERROR | DESCRIPTION | SOLUTION |
| E01 | Supply damper range | STEP 1: Unplug unit, inspect the damper system, remove any undesirable obstacle or dirt (filters and core may have to be removed to access the damper system). Plug unit. If STEP 1 did not fix the problem, perform STEP 2: Open electrical compartment, check if connector J5 (white) is well inserted, check for any loose wires. If STEP 2 did not fix the problem, perform STEP 3: If the damper is not moving at all, unplug J7 (red) from the electronic assembly, connect the white damper system connector into J7. If the damper moves (but the system still shows an error), the electronic assembly must be replaced. Otherwise, replace the damper system. |
| E02 | Supply damper timeout | |
| E03 | Supply damper | |
| E05 | Exhaust damper range | STEP 1: Unplug the unit, inspect the damper system, remove any undesirable obstacle or dirt (filters and core may have to be removed to access the damper system). Plug the unit. If STEP 1 did not fix the problem, perform STEP 2: Open electrical compartment, check if connector J7 (red) is well inserted, check for any loose wires. If STEP 2 did not fix the problem, perform STEP 3: If the damper is not moving at all, unplug J5 (white) from the electronic assembly, connect the white damper system connector into J5. If the damper moves (but the system still shows an error), the electronic assembly must be replaced. Otherwise, replace the damper system. |
| E06 | Exhaust damper timeout | |
| E07 | Exhaust damper | |
| E09 | Recirculation damper range | STEP 1: Unplug the unit, inspect the damper system, remove any undesirable obstacle or dirt (filters and core may have to be removed to access the damper system). Plug the unit. If STEP 1 did not fix the problem, perform STEP 2: Open electrical compartment, check if connector J6 (blue) is well inserted, check for any loose wires. If STEP 2 did not fix the problem, perform STEP 3: If the damper is not moving at all, unplug J5 (white) from the electronic assembly, connect the blue damper system connector into J5. If the damper moves (but the system still shows an error), the electronic assembly must be replaced. Otherwise, replace the damper system. |
| E10 | Recirculation damper timeout | |
| E11 | Recirculation damper | |
| E22 | Supply airflow | STEP 1: Unplug the unit. Perform a visual inspection of the supply damper system. Clean filters, distribution registers and outside supply hood. Inspect ducting to ensure it is not squeezed or bent. Plug the unit. If STEP 1 did not fix the problem, perform STEP 2: Remove ducting of the supply path. On the LCD screen, select MAX to check if the unit is able to reach the selected flow. If so, review the ducting path. If STEP 2 did not fix the problem, perform STEP 3: On the LCD screen, select the MIN and MAX flow setting values then reset the unit. MAX flow value will display on the LCD screen. If MAX flow is above desired MAX flow, set MAX and MIN flows. If STEP 3 did not fix the problem, perform STEP 4: Replace the supply blower and repeat STEP 3. If STEP 4 did not fix the problem, perform STEP 5: Replace the electronic assembly. |
| E23 | Supply motor (drive over current) | STEP 1: Unplug/plug unit. If STEP 1 did not fix the problem, perform STEP 2: Remove core and clear the ventilation wheel from any dirt or obstacles. If STEP 2 did not fix the problem, perform STEP 3: Disconnect J2 (white) and connect a spare blower system. If it works, replace supply blower. If STEP 3 did not fix the problem, perform STEP 4: Replace the electronic assembly. |
| E27 | Supply motor (drive foc duration) | |
| E28 | Supply motor (drive speed feedback) | |
| E29 | Supply motor (startup) | |
| E24 | Supply motor (drive over voltage) | STEP 1: Unplug/plug unit. Under and over voltage may be detected with severe in-house power supply fluctuation and stop the motor for protection. If STEP 1 did not fix the problem, perform STEP 2: Replace the electronic assembly. |
| E25 | Supply motor (drive under voltage) |
| ERROR | DESCRIPTION | SOLUTION |
| E26 | Supply motor (drive over temp) | STEP 1: Validate if the air exchanger is exposed to ambient temperatures within the operating limits (see p. 4) If STEP 1 did not fix the problem, perform STEP 2: Replace the electronic assembly. |
| E32 | Exhaust airflow | STEP 1: Unplug the unit. Perform a visual inspection of the exhaust damper system. Clean filters, distribution registers and outside supply hood. Inspect ducting to ensure it is not squeezed or bent. Plug the unit. If STEP 1 did not fix the problem, perform STEP 2: Remove ducting of the supply path. On the LCD screen, select MAX to check if the unit is able to reach the selected flow. If so, review the ducting path. If STEP 2 did not fix the problem, perform STEP 3: On the LCD screen, select the MIN and MAX flow setting values then reset the unit. MAX flow value will display on the LCD screen. If MAX flow is above desired MAX flow, set MAX and MIN flows. If STEP 3 did not fix the problem, perform STEP 4: Replace the exhaust blower and repeat STEP 3. If STEP 4 did not fix the problem, perform STEP 5: Replace the electronic assembly. |
| E33 | Exhaust motor (drive over current) | STEP 1: Unplug/plug unit. If STEP 1 did not fix the problem, perform STEP 2: Remove core and clear the ventilation wheel from any dirt or obstacles. If STEP 2 did not fix the problem, perform STEP 3: Disconnect J3 (red) and connect a spare blower system. If it works, replace exhaust blower. If STEP 3 did not fix the problem, perform STEP 4: Replace the electronic assembly. |
| E37 | Exhaust motor (drive foc duration) | |
| E38 | Exhaust motor (drive speed feedback) | |
| E39 | Exhaust motor (startup) | |
| E34 | Exhaust motor (drive over voltage) | STEP 1: Unplug/plug unit. Under and over voltage may be detected with severe in-house power supply fluctuation and stop the motor for protection. If STEP 1 did not fix the problem, perform STEP 2: Replace the electronic assembly. |
| E35 | Exhaust motor (drive under voltage) | |
| E36 | Exhaust motor (drive over temp) | STEP 1: Validate if the air exchanger is exposed to ambiant temperatures within the operating limits (see p. 4) If STEP 1 did not fix the problem, perform STEP 2: Replace the electronic assembly. |
| E40 | Outside air thermistor | STEP 1: Check if thermistor is well connected in connector J7A. If STEP 1 did not fix the problem, perform STEP 2: Disconnect connector J7A and check if the measured resistance (thermistor connector) is within 5 Kohms to 120 Kohms. If outside the range, replace the thermistor. If STEP 2 did not fix the problem, perform STEP 3: Replace the electronic assembly. |
| E41 | Distribution air thermistor | STEP 1: Check if thermistor is well connected in connector J7B. If STEP 1 did not fix the problem, perform STEP 2: Disconnect connector J7B and check if the measured resistance (thermistor connector) is within 5 Kohms to 120 Kohms. If outside the range, replace the thermistor. If STEP 2 did not fix the problem, perform STEP 3: Replace the electronic assembly. |
| E42 | PCBA thermistor fault | STEP 1: Replace the electronic assembly. |
| E43 | PCBA temperature over limit | STEP 1: Validate if the air exchanger is exposed to ambiant temperatures within the operating limits (see p. 4) If STEP 1 did not fix the problem, perform STEP 2: Replace the electronic assembly. |
| E50 | Wall control communication lost | STEP 1: Unplug unit, inspect wires, plug unit. If STEP 1 did not fix the problem, perform STEP 2: Remove wall control from the wall installation and test with a short cable. If it works, bring a new cable to the wall installation location. If STEP 2 did not fix the problem, perform STEP 3: Test the air exchanger with a spare wall control. If it works, replace the wall control. If STEP 3 did not fix the problem, perform STEP 4: Replace the electronic assembly. |
| E51 | Wall control sensor | STEP 1: Unplug unit, inspect wires, plug unit. If STEP 1 did not fix the problem, perform STEP 2: Replace the wall control. |
| E60 | Protection mode | STEP 1: Perform general inspection of the unit (dampers, core, filters). |
| WARNING | DESCRIPTION | SOLUTION |
| W22 | Supply airflow | STEP 1: Unplug the unit. Perform a visual inspection of the supply damper system. Clean filters, distribution registers and outside supply hood. Inspect ducting to ensure it is not squeezed or bent. Plug the unit. If STEP 1 did not fix the problem, perform STEP 2: Remove ducting of the supply path. On the LCD screen, select MAX to check if the unit is able to reach the selected flow. If so, review the ducting path. If STEP 2 did not fix the problem, perform STEP 3: On the LCD screen, select the MIN and MAX flow setting values then reset the unit. MAX flow value will display on the LCD screen. If MAX flow is above desired MAX flow, set MAX and MIN flows. If STEP 3 did not fix the problem, perform STEP 4: Replace the supply blower and repeat STEP 3. If STEP 4 did not fix the problem, perform STEP 5: Replace the electronic assembly. |
| W32 | Exhaust airflow | STEP 1: Unplug the unit. Perform a visual inspection of the exhaust damper system. Clean filters, distribution registers and outside supply hood. Inspect ducting to ensure it is not squeezed or bent. Plug the unit. If STEP 1 did not fix the problem, perform STEP 2: Remove ducting of the supply path. On the LCD screen, select MAX to check if the unit is able to reach the selected flow. If so, review the ducting path. If STEP 2 did not fix the problem, perform STEP 3: On the LCD screen, select the MIN and MAX flow setting values then reset the unit. MAX flow value will display on the LCD screen. If MAX flow is above desired MAX flow, set MAX and MIN flows. If STEP 3 did not fix the problem, perform STEP 4: Replace the exhaust blower and repeat STEP 3. If STEP 4 did not fix the problem, perform STEP 5: Replace the electronic assembly. |
| W52 | Initial setting incomplete | STEP 1: Press + or – to access the selection menu. STEP 2: Complete configuration. (Refer to section 5 for more details). |
| W61 | Protection mode electronics overheating | The unit is currently in protection mode. The power transmitted to the motor is deliberately reduced to decrease electronics temperature. The unit will exit this mode by itself once conditions are back to normal. It is normal to observe reduction in airflows during this period. This condition should appear only when the unit is set in high speed and located in a warmer environment, for example over 30°C (86°F). |
CAUTION
Make sure that no piece of mineral wool will enter in the unit during installation. Otherwise, this could reduce airfl ow and generate vibrations and noise in the unit.
MAINTENANCE
WARNING
High voltage risk. During maintenance or repairs, always stop the unit then unplug it to prevent any risk of electric shock. The wearing of safety glasses and gloves is recommended when handling unit components to prevent any risk of injury that could be caused by the presence of thin metal.
QUARTERLY
- Disconnect power cord.
- The door of this unit is hinged and maintained closed by 2 latches. Open them and set aside.
- Clean the inside of the door with a damp cloth.
- Clean fi lters:
- Remove fi lters.
- Vacuum to remove most of the dust.
- Wash with a mixture of warm water and mild soap. You may add bleach if you wish to disinfect (one tablespoon per gallon). Rinse thoroughly. Shake fi lters to remove excess water and let dry.
Note: The optional MERV13 fi lter is a disposable fi lter. It should be replaced when it is too dirty. Vacuum the MERV13 membrane fi lter quarterly using the dusting brush attachment to extend its service life.
- Remove the core.
- Clean the condensing tray with a damp cloth.

- Check the exterior air intake hood:
CAUTION
A blocked air vent or fi lter, even partially, could cause the unit to malfunction. The comfort provided by the unit could be reduced and the risk of unit frost could increase. This could cause unit breakdown and/or damage to property.- Make sure there are no leaves, twigs, ice or snow that could be drawn into the vent.
- Clean if necessary.
- Rotate the blower wheels by hand. If one of the wheels does not rotate easily, contact your installer.
- Reassemble the components. Pay special attention to the fi lters by making sure that they are engaged in their slots.
- Close the unit door and reconnect power supply.
- Reset filters, if required. If using an optional main wall control (DEHUMIDISTAT OR AUTOMATIC), press on the INT/AUTO button for 5 seconds to reset the fi lters. If using the ADVANCED optional main wall control, follow the instructions on the touch screen.

ANNUAL (AT FALL)
- Repeat steps 1 to 6 from the previous section and continue with the following steps:
CAUTION- Handle the recovery core with care.

- Handle the recovery core with care.
- Clean the recovery core:
HRV MODELS ERV MODELS • Remove the core. • Let it soak in a mixture of cold or lukewarm water and mild soap (dishwashing liquid).
• Rinse thoroughly.
• Shake the core to remove excess water and let it dry.
Remove the dust on the core using a vacuum cleaner and a soft brush attachment. CAUTION: DO NOT SOAK THE ENERGY RECOVERY CORE IN WATER
- Clean the blower assemblies. Do not disassemble the blower assemblies.
- Remove the dust using a vacuum cleaner with a soft brush attachment.
- Reassemble the components.
- Reconnect power supply.
USER’S TROUBLESHOOTING
If the unit does not work properly, reset the unit by unplugging it for one minute then replug it. Contact customer service at 1-800-567-3855 for any unresolved issue.
| PROBLEM | TRY THIS |
| 1. Nothing works. | • See if the unit is plugged in. • See if the unit is receiving power from the house circuit breaker or fuse. |
| 2. Noisy unit. | • Clean the unit (see Section 9). If the problem is not solved, contact your installer. |
| 3. Condensation inside windows under cold weather conditions. | • Operate the unit at MAX speed during activities generating excess humidity (family gatherings, extra cooking, etc.). • Leave curtains half-open to allow air circulation. • Store all firewood in a closed room with a dehumidifier or in a well ventilated room, or store the wood outdoors. • Keep the temperature in your house above 18 °C (64°F). |
| 4. Humidity inside under hot/humid weather conditions. | • Operate the unit in MIN speed. • Temporarily switch to INT mode (if available). • Use a dehumidifier. |
| 5. Air too dry. | • Operate the unit at MIN speed. • Temporarily switch to INT mode (if available). • Temporarily use a humidifier. |
| 6. Air too cold at the air supply register. | • Make sure the outdoor hoods are not blocked. • Operate the unit at MIN speed. • Install a duct heater (contact your installer). |
WARRANTY
This ventilation unit is a high quality product, built and packaged with care. The manufacturer warrants to the original purchaser of its product, that such products will be free from defects for the period stated below, from date of original purchase. For all units, the warranty covers parts only against any operational defect. This 5-year warranty is subject to performance of the core maintenance according recommendations in this manual. The heat recovery core (HRV) has a limited lifetime warranty, and the energy recovery core (ERV) has a 5-year warranty. If any defect should occur, we urge you to read the user guide carefully. If the problem persists, observe the following rules:
RULES TO FOLLOW
If the unit is defective, contact your ventilation contractor (see address on your manual’s cover page). The contractor will determine with you the reason for the defect, and if needed, do the replacement or repair. If ever it is impossible to reach your ventilation contractor, call 1-800-567-3855 (in North America); the personnel will be pleased to give you the phone number of a distributor or a service center near you.
REPLACEMENT PARTS AND REPAIR
In order to ensure your ventilation unit remains in good working condition, you must use the manufacturer’s genuine replacement parts only. The manufacturer’s genuine replacement parts are specially designed for each unit and are manufactured to comply with all the applicable certifi cation standards and maintain a high standard of safety. Any third party replacement part used may cause serious damage and drastically reduce the performance level of your unit, which will result in premature failing. The manufacturer also recommends that you contact a service depot certifi ed by the manufacturerfor all replacement parts and repair.
BILL OF PURCHASE
No replacement or repair covered by the warranty will be carried out unless the unit is accompanied by a copy of the original bill of purchase. Please retain your original.
MISCELLANEOUS COSTS
In each case, the labor and shipping costs for the removal of a defective part and/or installation of a compliant part will not be covered by the manufacturer.
CONDITIONS AND LIMITATIONS
These units are created for residential use only and must be used in a building as defi ned below:
- Building: All structures zoned and/or erected for the act, process or art of human or animal habitation and/or the storage or warehousing of goods.
- Residential use: Dwelling, lodging, suite: Building, or part of a building, intended to act as either the domicile to one or several people which can include general sanitary, food consumption and rest facilities. Buildings of only one room or a group of rooms including those occupied by a tenant or owner; comprise the lodgings, the individual rooms of the motels, hotels, rooming/lodging houses, boarding/half-way/foster homes, dormitories, and suites, as well as the stores and the business establishments constituted by only one room in a dwelling.
- Commercial use: Agricultural establishment, commercial establishment for assembly, care, or detention: Building or part of a building that does not contain a dwelling, situated on land dedicated to agriculture or farming and used primarily to shelter animals, or for the production, the storage or the treatment of agricultural or horticultural products or animal food. Building or part of a building, used for the display or retail of goods, professional or personal services, or commodities. Building, or part of a building used by persons gathering for civic activities, religious or political assembly, tourism, educational/vocational training, recreation or the consumption of food or drink. Building, or part of a building used to shelter persons of impaired physical or psychological states, persons requiring palliative care or medical treatments, or persons for reasons out of their control, cannot escape harm or threat of danger autonomously.
- Industrial use: Building, or part of a building, used for the assembly, the manufacture, the creation, the treatment, the repair or the storage of products and combustible materials and that contain fuels that when ignited or exploded in suffi cient quantity may constitute a risk of fi re.
The above warranty applies to all cases where the damage is not a result of poor installation, improper use, mistreatment or negligence, acts of God, or any other circumstances beyond the control of the manufacturer. Furthermore, the manufacturer will not be held responsible for any bodily injury or damage to personal property or real estate, whether caused directly or indirectly by the unit. This warranty supersedes all prior warranties.
Venmar Ventilation ULC, 550 Lemire Blvd., Drummondville, Québec, Canada J2C 7W9 venmar.ca / vanee.ca 800-567-3855





















