JENSEN CM7MIR 7-Inch Touch Screen Multimedia Mechless Receiver

FCC Compliance
This device complies with Part 15 of the FCC Rules. Operation is subject to the following two conditions:
- this device may not cause harmful interference, and
- this device must accept any interference received, including interference that may cause undesired operation.
Warning: Changes or modifications to this unit not expressly approved by the party responsible for compliance could void the user’s authority to operate the equipment.
Note: This equipment has been tested and found to comply with the limits for a Class B digital device, pursuant to Part 15 of the FCC Rules. These limits are designed to provide reasonable protection against harmful interference in a residential installation. This equipment generates, uses and can radiate radio frequency energy and, if not installed and used in accordance with the instructions, may cause harmful interference to radio communications. However, there is no guarantee that interference will not occur in a particular installation. If this equipment does cause harmful interference to radio or television reception, which can be determined by turning the equipment off and on, the user is encouraged to try to correct the interference by one or more of the following measures:
- Reorient or relocate the receiving antenna.
- Increase the separation between the equipment and receiver.
- Connect the equipment into an outlet on a circuit different from that to which the receiver is connected.
- Consult the dealer or an experienced radio/TV technician for help.
Copyright and Trademark
The Bluetooth® word mark and logos are registered trademarks owned by Bluetooth SIG, Inc.
microSD Logo is a registered trademark of SD-3C, LLC.
Siri and Apple have registered trademarks owned by Apple, Inc.
Google Assistant and Android are trademarks owned by Google LLC.
Other trademarks and trade names are those of their respective owners.
Safety Notice
Video/movie playback will not operate while the vehicle is moving. This is a safety feature to prevent driver distraction. In-dash video/movie functions will only operate when the vehicle is in Park and the parking brake is engaged. It is illegal in most jurisdictions for the driver to view video while the vehicle is in motion.
The SAFETY NOTICE is reminder to drive responsibly and safely while using your mobile phone device, or any APP’s that are compatible with this unit. it is highly recommended that your JENSEN CM7MIR is installed by a professional installer or an authorized dealer. This product is only for use in vehicles with 12VDC negative ground only.
To prevent damage or injury:
- Make sure to ground the unit securely to the vehicle chassis ground.
- Do not remove the top or bottom covers of the unit.
- Do not install the unit in a spot exposed to direct sunlight or excessive heat or the possibility of water splashing.
- Do not subject the unit to excessive shock.
- When replacing a fuse, only use a new one with the correct rating. Using a fuse with the wrong rating may cause the unit to malfunction.
- To prevent short circuits when replacing a fuse, disconnect the wiring harness first.
- Use only the provided hardware and wire harness.
- If you experience problems during installation, consult your nearest JENSEN dealer.
- If the unit malfunctions, reset the unit as described. If the problem still persists, consult your nearest JENSEN dealer or call tech assistance @ 1-888-921-4088.
- To clean the monitor, wipe only with a dry silicone cloth or soft cloth. Do not use a stiff cloth, or solvents such as paint thinner and alcohol. They can scratch the surface of the panel and/or remove the printing.
- When the temperature of the unit falls (as in winter), the liquid crystal inside the screen will become darker than usual. Normal brightness will return after the unit is in use for a while.
- When extending the ignition, battery or ground wiring, make sure to use automotive-grade wiring with an a minimum AWG 16 or more to prevent voltage drops.
- Do not touch the liquid crystal fluid if the LCD is damaged or broken. The liquid crystal fluid may be hazardous to your health or fatal. If the liquid crystal fluid from the LCD contacts your body or clothing, wash it off with soap immediately.
Preparation
Please read and understand entire manual before installation.
Consult a qualified technician for detailed instructions or installation assistance.
Before You Start
- Disconnect negative battery terminal.
- Avoid installing the unit where it would be subject to high temperatures, such as from direct sunlight, or where it would be subject to dust, dirt or excessive vibration.
Getting Started
- Unpack unit from its protective packaging.
- Connect vehicle wiring harness and antenna to this receivers harness. See wiring instructions. Consult a qualified technician if you are unsure.
- Certain vehicles may require an installation dash kit and/or wiring harness adapter (sold separately).
- Reconnect battery negative terminal.
- Test for correct operation and secure back into dashboard.
- Snap trim ring into place if needed.

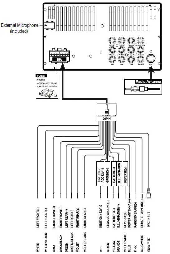
Typical ISO-DIN Installation
Input / Output Wiring Diagram
Tips
When replacing a fuse, make sure to use the correct type and amperage. Using an incorrect fuse could cause damage. The unit uses (1) 10 amp ATC blade-type fuse located on the back of the unit.
Front / Rear camera inputs
Up to two cameras (not included) can be used. We recommend JENSEN Part # BUCAM200J for front camera and BUCAM300AJ or BUCAM400AJ for rear camera.
Main Control Locations
- 1 Microphone
- 2 Mode / Voice Assistant
- 3 Tune/Track Up
- 4 Volume / Power / Mute
- 5 Tune/Track Down
- 6 microSD Card Slot
- 7 Reset
- 8 Auxiliary Input
- 9 USB Slot
- Radio 1Press to access Radio.
- USB Mirroring 2Press to initiate USB mirroring.
- Bluetooth Phone 3Press to access Bluetooth phone.
- Settings 4Press to display and adjust system settings.
- Camera 5Press to display the rear and front cameras.
- AV Input 6Press to access AV input.
- Auxiliary Input 7Press to access auxiliary input.
- BT Music 8Press to access the Bluetooth music.
- microSD 9Press to access files on microSD card.
- USB 10Press to access files on USB device.
On-Screen Controls
- Screen Brightness 1: Press up to two times to dim the screen. Press a third time to put the unit in standby mode (screen will go black). Press anywhere on the screen to return to normal screen operation.
- Voice Assistant 2: Press to activate the voice assistant feature.
- Audio 3: Press to access and adjust audio settings.
- Settings 4: Press to display and adjust system settings.
Audio Settings
Select any of the preset EQ settings (Flat, Classic, Rock, Pop, Jazz, Beat or User) or use the touch screen to manually adjust EQ settings.
Select any of the preset Surround settings: Concert, Church, Passive, Wide, Live or None.
Adjust balance (8L to 8R) and fader (8F to 8R), or use the touch screen to manually adjust balance and fader settings.
From the Main Menu, press the gear icon to access the Setup menu and adjust the following: General, Audio, Display and Bluetooth.
General:
- OSD Language – Select English.
- Wallpaper – Select from three different wallpaper options.
- Screen Calibration – Select to calibrate the touch screen.
- Radio Area – Select Europe, USA, South America or Asia.
- Time Setting – Set the date (month, day, year) and time (hours, minutes, AM/PM and 12-hour or 24-hour clock).
- Beep – Enable or disable the audible beep.
- Camera – Enable or disable the rear camera input.
- Version – Press to display version numbers.
- Restore Default – Press to restore unit to default factory settings.
Audio:
- Audio Adjustment – Press to access and adjust audio EQ settings.
- Subwoofer- Press to adjust subwoofer frequency and volume.
- Loudness – Enable or disable the loudness feature.
Display:
- Screen Ratio – Select screen ratio (4:3PS 4:3 LB, 16:9).
- Adjust Picture Settings – Press to adjust screen brightness, contrast, hue, saturation and shaprness.
- Panel – Select from the following Backlight settings: Off, 10 seconds, 20 seconds or 30 seconds.
Bluetooth:
- Bluetooth – Turn Bluetooth signal on or off.
- Auto Answer – Turn auto answer feature on or off.
Tuner Operation
- Radio Operation: Select the Radio icon from the Main Menu screen.
- Main Menu 1: Press to return to the Main Menu screen.
- Mode Indicator 2: Displays the current mode of operation.
- Tune Down 3: Press to tune to a lower frequency one step at a time. Press and hold to automatically tune to the last strong station.
- Preset Stations 4: Press any preset station stored in the current band to tune the radio to save frequency. To save presets, tune the radio to desired station, then press and hold the desired preset button to save the station.
- Band 5: Press to select between 2 AM and 3 FM bands.
- Local | Distance 6: Press to toggle between local and distance tuning.
- Stereo | Mono 7: Press to toggle between Stereo and Mono tuning.
- AS | PS 8: Press to scan presets and listen to the first 10 seconds of each. Press again to stop scanning and listen to the station. Press and hold to automatically find and store the strongest stations as presets,
- Tune-Up 9: Press to tune to a higher frequency one step at a time. Press and hold to automatically tune to the last strong station.
USB/microSD Operation
- USB/microSD Operation: To play MP3 files from a USB device or microSD card, insert a USB device or microSD card, and playback will begin automatically. To return to USB or microSD playback from another mode of operation, select the corresponding icon from the Main Menu.
- Main Menu 1: Press to return to Main Menu screen.
- Mode Indicator 2: Displays the current mode of operation.
- File Information 3: Displays information about the current file
- Previous Track 4: Press to go back to the previous track. Press and hold to fast reverse the current track, then press PLAY / PAUSE to resume playback.
- Play / Pause 5: Press to pause the current track, then press again to resume playback
- Next Track 6: Press to advance to the next track. Press and hold to fast forward the current track, then press PLAY / PAUSE to resume playback.
- Folder Search 7: Press to access the directory of folders and files. Use the up/down arrows to scroll through the folder, then press on the name of the desired folder to access it. Use the up/down arrows to scroll through the file list, then press on the name of the desired file to access it.
- Random 8: Press to turn Random feature on or off.
- Repeat 9: Select a Repeat option: All, One, Folder or Off.
Media Compatibility
| File Type | MP3 | ||
| File System | FAT | FAT 12 | X |
| FAT 16/FAT 32 | ü | ||
| File Extension | .mp3/.MP3/.Mp3/.mP3 | ü | |
| .rmp/.m4a | X | ||
| MPEG Format | MPEG 1 | ü | |
| MPEG 2 | ü | ||
| MPEG 2.5 | ü | ||
| Sampling Frequency | MPEG 1 | 32/44.1/48kHz | |
| MPEG 2 | 12/16/22.05/24kHz | ||
| MPEG 2.5 | 8/11.025/12kHz | ||
| Bitrate | MPEG 1 | 32 ~ 320kbps | |
| MPEG 2 | 8 ~ 160kbps | ||
| MPEG 2.5 | 8 ~ 160kbps | ||
|
Other Information | Directory Depth | Unlimited | |
| File Name Length | 32 bytes | ||
| Total File Number | 2000 files | ||
| Total Folder Number | 200 folders | ||
| File Number via Folder | 2000 files | ||
| MP3 ID3 TAG | ver.1.x | ü | |
| ver.2.x | ü | ||
| Title, Artist, Album | ü | ||
Notes:
- It is not possible to view JPG files on the in-dash monitor while the vehicle is moving. This is a safety feature to prevent driver distraction.
- The JPG image viewer function will only operate when vehicle is in park and the parking brake is engaged.
Media Compatibility
The following types of files are not compatible:
- MP3 PRO format, MP3 playlists
- RMP format
- WAV format
- WMV format
- AAC, protected AAC, M4A format
Playback Order
MP3 playback sequence begins in the root folder. Any folders that do not include MP3/JPG files are skipped.
Compatible Recording Formats
ISO9660 standards:
- Maximum nested folder depth is 8 (including the root folder).
- Valid characters for folder/file names are letters A-Z (all caps), numbers 0-9, and “_” (underscore). Some characters may not be displayed correctly, depending on the character type.
Notes
Some files may not play, depending on sampling rates and bit rates. For best results, use the following settings when ripping MP3 files: 128kbps or higher constant bit rate; 44.1kHz or higher sampling frequency.
Bluetooth Operation
Preparation
Before using a Bluetooth device, it must be paired and connected. Make sure that Bluetooth is activated on your device before you begin the pairing process.
Pairing a New Device
The unit broadcasts the pairing signal constantly when no devices are currently connected. Complete the pairing sequence from your Bluetooth device. Refer to the owner’s manual for your device for more details. The device name is “CM7MIR”. The unit can be in any mode of operation when pairing is performed. On certain phones, pairing may need to be done more than once.
Connecting a Paired Device
Most Bluetooth devices support the auto-connect feature and will connect automatically if the device is in range when the unit is powered-on. If your device was previously paired but does not connect, enter the Bluetooth setup menu and turn Auto Connect on.
Bluetooth Phone
To access the phone, select Bluetooth Phone from the Main Menu or from any operational mode.
Main Menu 1
Press to return to Main Menu screen.
Mode Indicator 2
Displays the current mode of operation.
Keypad 3
Use the keypad to dial a phone number.
Backspace 4
Press to backspace when using the keypad.
Keypad Display 5
Press to display the keypad.
Music Display 6
Press to display Bluetooth music.
Contact Display 7
Press to display Contact list, then press desired contact to initiate a call.
Paired Device List 8
Press to display a list of paired devices, and select desired device to connect.
Talk 9
Press to connect a call to the number entered
End Call 10
Press to end a call.
Previous Track 11
Press to go back to the previous track.
Play / Pause 12
Press to pause the current track, then press again to resume playback
Next Track 13
Press to advance to the next track.
App Operation
The Jensen Smart app is the ultimate wireless remote control for your receiver. You can download the Jensen Smart app from the Apple App Store or Google Play Store and install
it on your smartphone or tablet. Scan the following QR code to download the Jensen J-Link P1 application on your smartphone.
Voice Assistant
Your receiver is designed with an easy access voice activation button to use Siri® or the Google Assistant™ via your car’s Bluetooth. Interact with your smartphone assistant while you drive with only the push of a button! Bluetooth should be paired between your smartphone and the receiver. Press the voice activation button, and the receiver will switch into Bluetooth mode, This will activate Siri® or Google Assistant™ on your smartphone. You will need to manually switch back to the previous or desired mode once this operation is terminated.
USB Mirroring
To set up USB Mirroring capabilities, select USB Mirroring from the main menu and follow the on-screen directions for connecting your Android phone or Apple iPhone. Once completed, the unit will mirror the phone display onto the receiver’s display.
- Menu – To return to the main menu from USB Mirroring mode, touch the screen so that the small square white icon appears on the bottom left corner of the screen. Pressing the icon will display the Home icon, Audio Mix, Main Volume and Reconnect buttons on the top of the display.
- Home – Press to return to the Home screen.
- Audio Mix – Press to turn the Audio Mix feature on or off. When turned on, the Audio Mix button will turn blue. The Audio Mix feature is used to listen to other sources such as AM/FM radio, microSD or auxiliary input in the background while mirroring your phone to the screen.
- Main Volume & Mix Volume Level Control – Press the Main VOL button to choose what source volume you want to control (Main or Mix Volume).
- Main Volume will adjust the volume of the secondary source (AM/FM radio, microSD or auxiliary input).
- Mix Volume will control the volume on the sound coming from your mirrored phone.
- Reconnect – Press to reconnect USB mirroring if the connection is not working properly or has become disconnected.
Camera
Rear Camera
Connect an optional rear camera to the Rear Camera inputs (Yellow RCA connector for video; there is no audio connection for a front camera). Refer to the wiring diagram for details. Manual selection – Touch the REAR CAMERA icon from the Main Menu or from any operational mode (when enabled) to select camera mode. Touch the top left area on the screen to exit camera mode.
Note: The manual mode is for dedicated cameras that are ALWAYS on while driving, it is not meant for cameras that are connected to the vehicle’s reverse light. The unit will automatically select camera mode when connected to the reverse lamp circuitry.
Note: External video output is not active when using the rear camera input.
Front Camera
Connect an optional front camera to the Front Camera inputs (Yellow RCA connector for video; there is no audio connection for a front camera. Refer to the wiring diagram for details. To access the front camera, touch the CAMERA icon in the Main Menu. The unit displays rear camera by default. Press the Front Camera icon in the top right corner to switch to front camera view.
Auxiliary Input
Connect an optional audio source into the auxiliary input on the right side of the front panel. Select the auxiliary input icon from the Main Menu to listen to audio. Adjust volume on the external audio source as needed (if connected to the headphone output of the device).
A/V Input
Connect an optional audio source into the rear A/V input. Select A/V Input from the Main Menu to listen to audio. Adjust volume on the external audio source as needed (if connected to the headphone output of the device).
Steering Wheel Controls
A third-party adapter must be used in order for the CM7MIR to be compatible with any OEM steering wheel controls. The CM7MIR has a built-in 3.5mm SWC interface that compatible with many popular 3rd party SWC control modules, such as PAC, METRA, and others.

The following controls are available for most vehicles.
- Volume +
- Volume –
- Mute
- Seek / Track +
- Seek / Track –
- Band
- Mode
- BT Talk
- BT End Call
Note: Not all OE steering wheel functions may be supported by the CM7MIR
We recommend the PAC SWI-RC .
- Set “Radio Select Switch”. Set the SWI-RC to position 7 – “Pioneer/Other/Sony”.
- To program, use the Pioneer/Sony/Other radio function mapping order.
- When programming the SWI-RC, if a function is not supported (or not desired), then the function MUST be skipped as per the PAC SWI-RC instructions.
- The SWC function MUST be programmed in the correct order per the PAC SWI-RC radio function mapping order instructions.
Limited One Year (Or Two Year*) Warranty
This warranty gives you specific legal rights. You may also have other rights which vary from state to state. Namsung America Inc warrants this product to the original purchaser to be free from defects in material and workmanship for a period of one year from the date of the original purchase. Namsung America Inc agrees, at our option, during the warranty period, to repair any defect in material or workmanship or to furnish an equal new, renewed or comparable product (whichever is deemed necessary) in exchange without charges, subject to verification of the defect or malfunction and proof of the date of purchase. Subsequent replacement products are warranted for the balance of the original warranty period.
Who is covered? This warranty is extended to the original retail purchaser for products purchased from an authorized JENSEN dealer and used in the U.S.A.
What is covered? This warranty covers all defects in material and workmanship in this product. The following are not covered: software, installation/removal costs, damage resulting from accident, misuse, abuse, neglect, product modification, improper installation, incorrect line voltage, unauthorized repair or failure to follow instructions supplied with the product, or damage occurring during return shipment of the product. Specific license conditions and copyright notices for the software can be found via www.jensenmobile.com.
Warranty Coverage
Limited 1-year warranty when purchased from an authorized Jensen dealer. or Limited 2-year warranty when purchased from and professionally installed by an authorized Jensen dealer.(Proof of purchase and Installation required)
What to do?
- Before you call for service, check the troubleshooting guide in your owner’s manual. A slight adjustment of any custom controls may save you a service call.
- If you require service during the warranty period, you must carefully pack the product (preferably in the original package) and ship it by prepaid transportation with a copy of the original receipt from the retailer to an authorized service center.
- Please describe your problem in writing and include your name, a return UPS shipping address (P.O. Box not acceptable), and a daytime phone number with your shipment.
- For more information and for the location of the nearest authorized service center please contact us by one of the following methods:
• Call us toll-free at (888) 921-4088
• E-mail us at [email protected]
Exclusion of Certain Damages: This warranty is exclusive and in lieu of any and all other warranties, expressed or implied, including without limitation the implied warranties
of merchantability and fitness for a particular purpose and any obligation, liability, right, claim or remedy in contract or tort, whether or not arising from the company’s negligence, actual or imputed. No person or representative is authorized to assume for the company any other liability in connection with the sale of this product. In no event shall the company be liable for indirect, incidental or consequential damages.
Troubleshooting
| General | ||
| PROBLEM | CAUSE | ACTION |
|
Unit will not turn on (no power) | Red and/or Yellow wire not connected or incorrect voltage | Check connections for proper voltage (11~16VDC) |
| Black wire not connected | Check ground connection | |
| Blown fuse on unit or vehicle | Replace fuse(s) | |
|
Unit has power (but no sound) | Speaker wires not connected | Check all connections, including speakers |
| Speakers are blown | Replace speakers | |
| One or more speaker wires touching each other or touching chassis ground | Insulate all bare speaker wires from each other and chassis ground | |
| Unit blows fuse(s) | Yellow or red wire touching chassis ground | Check for pinched or shorted wires |
| Speaker wires touching chassis ground | Check for pinched or shorted wires | |
| Incorrect fuse rating | Use fuse with correct rating | |
| Unit has audio (but no video) | Parking brake safety circuit not connected Parking brake not applied | Check connections at parking brake Apply parking brake as described in manual |
| Video Playback Codec is not supported | See Media Codec Support section | |
Customer Support
1-888-921-4088
(Monday-Friday, 9 AM-5 PM EST)
Visit https://www.jensenmobile.com

Specifications
FM Tuner
- US Tuning Range:87.5MHz-107.9MHz
- EU Tuning Range:87.50MHz-108.00MHz
- Usable Sensitivity:8.5dBf
- 50dB Quieting Sensitivity:10dBf
- Stereo Separation@ 1kHz:30dB
- Frequency Response:30Hz-13kHz
AM Tuner
- Tuning Range: 530kHz-1710kHz
- Usable Sensitivity: <42dBu
- Frequency Response: 30Hz-2.2kHz
Bluetooth
- Version: 4.1 + EDR
- Profiles: HFP / A2DP / PBAP
- Range: Up to 33ft / 10m
Monitor
- Brightness: 500 nit
- TFT Resolution: 1024×600
- TFT Backlighting: LED
- Touch Screen Type: Capacitive
General Specifications
- Operation Voltage Input: 11~16VDC
- USB 1 Charge Output: 2.1A
- Speaker Nominal Impedance: 4~8 ohms
- Line Output Voltage: 2 Volts RMS
- Dimensions: 5” x 6.2” x 4” (126D x 157W x 100H mm)
CEA-2006 Power Standard Specifications
(reference: 14.4VDC +/- 0.2V, 20Hz~20kHz)
Power Output: 16 Watts RMS x 4 channels at 4 ohms and 1% THD+N Signal to Noise Ratio: 75dBA (reference: 1 watt into 4 ohms)
Customer Support
1-888-921-4088
(Monday-Friday, 9AM-5PM EST) Visit https://www.jensenmobile.com
All rights reserved. No part of this publication may be reproduced, distributed, or transmitted in any form or by any means, including photocopying, recording, or other electronic or mechanical methods, without the
prior written permission of NAMSUNG AMERICA INC.
NSA0921-v01
Printed in China
Namsung America Inc.
©2021 Namsung America Inc. All rights reserved.


























