JENSEN Media Receiver Bluetooth featuring a 7″ Touch Screen Display Installation Guide

Safety Information
Please read all instructions carefully before attempting to install or operate.
Due to its technical nature, it is highly recommended that your JENSEN CMR270 is installed by a professional installer or an authorized dealer. This product is only for use in vehicles with 12VDC negative ground only.
To prevent damage or injury:
- Make sure to ground the unit securely to the vehicle chassis ground.
- Do not remove the top or bottom covers of the unit.
- Do not install the unit in a spot exposed to direct sunlight or excessive heat or the possibility of water splashing.
- Do not subject the unit to excessive shock.
- When replacing a fuse, only use a new one with the correct rating. Using a fuse with the wrong rating may cause the unit to malfunction.
- To prevent short circuits when replacing a fuse, disconnect the wiring harness first.
- Use only the provided hardware and wire harness.
- If you experience problems during installation, consult your nearest JENSEN dealer.
- If the unit malfunctions, reset the unit as described. If the problem still persists, consult your nearest JENSEN dealer or call tech assistance @ 1-888-921-4088.
- To clean the monitor, wipe only with a dry silicone cloth or soft cloth. Do not use a stiff cloth, or solvents such as paint thinner and alcohol. They can scratch the surface of the panel and/or remove the printing.
- When the temperature of the unit falls (as in winter), the liquid crystal inside the screen will become darker than usual. Normal brightness will return after the unit is in use for a while.
- When extending the ignition, battery or ground wiring, make sure to use automotive-grade wiring with an a minimum AWG 16 or more to prevent voltage drops.
- Do not touch the liquid crystal fluid if the LCD is damaged or broken. The liquid crystal fluid may be hazardous to your health or fatal. If the liquid crystal fluid from the LCD contacts your body or clothing, wash it off with soap immediately.
FCC Compliance
This device complies with Part 15 of the FCC Rules. Operation is subject to the following two conditions:
- this device may not cause harmful interference, and
- this device must accept any interference received, including interference that may cause undesired operation.
Warning: Changes or modifications to this unit not expressly approved by the party responsible for compliance could void the user’s authority to operate the equipment.
Note: This equipment has been tested and found to comply with the limits for a Class B digital device, pursuant to
Part 15 of the FCC Rules. These limits are designed to provide reasonable protection against harmful interference in a residential installation. This equipment generates, uses and can radiate radio frequency energy and, if not installed and used in accordance with the instructions, may cause harmful interference to radio communications.
However, there is no guarantee that interference will not occur in a particular installation. If this equipment does cause harmful interference to radio or television reception, which can be determined by turning the equipment off and on, the user is encouraged to try to correct the interference by one or more of the following measures:
- Reorient or relocate the receiving antenna.
- Increase the separation between the equipment and receiver.
- Connect the equipment into an outlet on a circuit different from that to which the receiver is connected.
- Consult the dealer or an experienced radio/TV technician for help.
Before You Start
- Disconnect negative battery terminal. Consult a qualified technician for instructions.
- Avoid installing the unit where it would be subject to high temperatures, such as from direct sunlight, or where it would be subject to dust, dirt or excessive vibration.
Getting Started
- Insert the supplied keys into the slots as shown, and slide the unit out of the mounting sleeve.
- Install mounting sleeve into opening, bending tabs to secure.
- Connect wiring harness as shown on page 5. Consult a qualified technician if you are unsure.
- Certain vehicles may require an installation kit and/or wiring harness adapter (sold separately).
- Reconnect negative battery terminal, and test for correct operation.
- Snap trim ring into place (if required).
- Slide unit into mounting sleeve to secure.
Metal brackets (not included)

TYPICAL FRONT-LOAD DIN MOUNTING METHOD
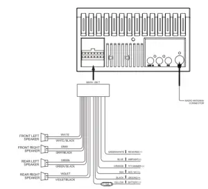
Wiring Diagram – Inputs/Outputs

Note:
When replacing a fuse, make sure to use the correct type and amperage. Using an incorrect fuse could cause
damage. The unit uses (1) 10 amp ATC mini style fuse located on the power connector.
Wiring Notes:
Rear camera input
A rear view camera (not included) can be used with the Camera input.
Control Locations

- Voice Activation Button
- Tune/Track Up
- Power/Volume/Mute
- Tune/Track Down
- microSD Card Slot
- Reset
- Auxiliary Input
- USB Port
General Operation
| Power On/Off Volume Mute Mode Auxiliary Input USB Input microSD Card Main Menu Reset | Momentarily press to turn the unit on. Press and hold to turn the unit off. Rotate the volume knob to increase or decrease the volume level. Momentarily press MUTE to silence the audio. Momentarily press MUTE again to return to the previously selected volume. Rotating the volume knob while the volume is muted will also cancel the mute function. Press MODE to step through all available input modes: Radio, microSD, USB, Bluetooth Phone, Bluetooth Music, Auxiliary Input, Rear Camera and Settings. Modes of operation are indicated on the display and/ or the monitor. Optional USB device and microSD card must be connected/inserted to appear in the mode selection string. Connect external audio/video devices to the 3.5mm auxiliary input on the front panel. Insert a USB device to play MP3 or FLAC audio files. Insert a microSD card into the microSD card slot to play MP3 or FLAC audio files. Press the house icon in the top left corner to access the Main Menu screen. ![]() To resolve abnormal operation or if the unit is inoperable, use the tip of a pen to press the RESET button. The unit will reset the main processor to the default settings. |
Setup Menu | From the Main Menu screen, select Settings to access the Setup menu and select from three categories represented by the icons on the left side of the screen: Settings, Audio and Bluetooth. ![]() Settings: • Time Setting – Access and adjust date and time settings. • Beep – Turn the audible beep on or off. • Camera – Turn the rear camera input on or off. • Loudness – Press to turn Loudness feature on or off. • Radio Area – Adjust the following radio options: USA, Asia, Europe or South America. • Calibration – Follow the prompts to calibrate the touch screen. • Version – View current version numbers for the unit. • Restore default – Press to restore unit to factory settings. Audio: • Sound Effect – Adjust EQ, Treble/Bass or Balance/Fader settings. Bluetooth: • Auto Connect – Turn Auto Connect feature on or off. • Auto Answer – Turn Auto Answer feature on or off. The touch screen controls on the bottom of each screen allow direct access to important features during any mode of operation. Press to dim the display. Press to utilize Voice Activation feature. Press to adjust audio options such as EQ, Treble/Bass or Balance/Fader. Press to directly access Navigation app. Press to access the settings menu. |
AM/FM Tuner Operation

Radio Operation | Select the Radio icon from the Main Menu screen. Press to return to Main Menu screen. Displays current mode of operation. Press and hold << to seek a lower frequency. Press << momentarily to tune the unit down one step at a time. Press between 2 AM and 3 FM bands. Press to toggle between Local and Distance tuning. Press and hold >> to seek a higher frequency. Press >> momentarily to tune the unit up one step at a time. Press to toggle between Stereo and Mono tuning. Press and hold to set the current station in that preset spot. Press momentarily to recall the desired preset and begin playback. Press to scan presets and listen to the first 10 seconds of each. Press again to stop scanning and listen to the station. Press and hold to automatically find and store the strongest stations as presets. |
USB/microSD Card Operation

USB/microSD Operation | To play audio files from a USB device or microSD card, insert device and playback will begin automatically. To return to USB or microSD card playback from another mode of operation, select the corresponding icon from the Main Menu. • USB Playback – Insert a USB device into the USB slot on the side of the unit. • microSD Card Playback – Insert microSD card into the microSD slot on the top of the unit. When inserting a microSD card, the label should face up. Press to return to Main Menu screen. Displays current mode of operation. Press to select a repeat option: Repeat 1, Repeat Folder or Repeat Off. Press to enable or disable random playback. Press to go back to the previous file or track. Press to pause or resume playback. Press to advance to the next file or track. Press to advance to the next folder. Press to go back to the previous folder. Press to directly enter file number to begin playback of that file. |
Media Compatibility – USB/microSD Card
| File Type | MP3 | ||
| File System | FAT | FAT 12 | X |
| FAT 16/FAT 32 | ü | ||
| File Extension | .mp3/.MP3/.Mp3/.mP3 | ü | |
| .rmp/.m4a | X | ||
| MPEG Format | MPEG 1 | ü | |
| MPEG 2 | ü | ||
| MPEG 2.5 | ü | ||
| Sampling Frequency | MPEG 1 | 32/44.1/48kHz | |
| MPEG 2 | 12/16/22.05/24kHz | ||
| MPEG 2.5 | 8/11.025/12kHz | ||
| Bitrate | MPEG 1 | 32 ~ 320kbps | |
| MPEG 2 | 8 ~ 160kbps | ||
| MPEG 2.5 | 8 ~ 160kbps | ||
|
Other Information | Directory Depth | Unlimited | |
| File Name Length | 32 bytes | ||
| Total File Number | 2000 files | ||
| Total Folder Number | 200 folders | ||
| File Number via Folder | 2000 files | ||
| MP3 ID3 TAG | ver.1.x | ü | |
| ver.2.x | ü | ||
| Title, Artist, Album | ü | ||
Notes:
- Due to ongoing technological advancement, some USB flash drives and/or microSD cards may be incompatible with this unit.
Media Compatibility | The following types of files are not compatible: • MP3 PRO format, MP3 playlists • RMP format • WAV format • WMV format • AAC, protected AAC, M4A format MP3 playback sequence begins in the root folder of the USB flash drive or microSD card. Any empty folders or folders that do not include MP3/FLAC files are skipped. ISO9660 standards: • Maximum nested folder depth is 8 (including the root folder). • Valid characters for folder/file names are letters A-Z (all caps), numbers 0-9, and “_” (underscore). Some characters may not be displayed correctly, depending on the character type. Some files may not play or be displayed correctly, depending on sampling rates and bit rates. For best results, use the following settings when ripping MP3 files: 128kbps or higher constant bit rate 44.1kHz or higher sampling frequency |
Bluetooth Operation

Preparation | Before you can use a Bluetooth device, it must be paired and connected. Make sure that Bluetooth is activated on your device before you begin the pairing process. The unit broadcasts the pairing signal constantly when no devices are currently connected. Complete the pairing sequence from your Bluetooth device. Refer to the owner’s manual for your device for more details. The device name is “CMR270”. The Bluetooth passcode is “0000”. The unit can be in any mode of operation when pairing is performed. On certain phones, pairing may need to be done more than once. Most Bluetooth devices support the auto-connect feature and will connect automatically if the device is in range when the unit is powered-on. If your device was previously paired but does not connect, enter the Bluetooth setup menu and turn Auto Connect on. To access the phone, select Bluetooth Phone from the Main Menu or press the phone icon from any operational mode. Press to return to the Main Menu screen. Use the phone keypad to dial the desired phone number. Alternately, numbers can be dialed directly from the phone. Displays current mode of operation. Press to access Bluetooth phone. Press to access Bluetooth music. Press to view a list of available devices. Press to connect a call. Press to end a call |
Bluetooth Operation

Dimmer 9 | Press to dim the display. Press to adjust Audio options. Press to access the Settings menu. Press to access Bluetooth Phone (from Music mode). Press to access Bluetooth Music (from Phone mode). Press to go back to the previous file or track. Press to pause or resume playback. Press to advance to the next file or track. |
Rear Camera Operation – (Optional)
Using Rear Camera | Connect an optional rear camera to the Camera Input (Black RCA connector). Refer to the wiring diagram for details. Manual selection – Touch CAMERA icon from the Main Menu or from any operational mode (when enabled) to select camera mode. Touch the top left area on the screen to exit camera mode. Note: The manual mode is for dedicated cameras that are ALWAYS on while driving, it is not meant for cameras that are connected to the vehicle’s reverse light. The unit will automatically select camera mode when connected to the reverse lamp circuitry. Note: The external video output is not active when using the rear camera input. |
Activation of JENSEN Smart App should not be closed, but open on your smartphone for this operation. Touching will guide you instant access to your favorite navigation App on your smartphone.
JENSEN iPlug P1 Smart App Remote Control

The Jensen Smart app is the ultimate wireless remote control for your receiver. You can download the Jensen Smart app from the Apple App Store or Google Play
Store and install it on your smartphone or tablet. Scan the following QR code to download the Jensen J-Link P1 application on your smartphone.
Voice Activation
Your receiver is designed with an easy access voice activation button to use Siri® or the Google Assistant™ via your car’s Bluetooth. Interact with your smartphone assistant while you drive with only the push of a button! Bluetooth should be paired between your smartphone and the receiver. Press the voice activation button , and the receiver will switch into Bluetooth mode, This will activate Siri® or Google AssistantTM on your smartphone. You will need to manually switch back to the previous or desired mode once this operation is terminated.
Front 3.5mm Aux Input
Connect an optional audio source into the 3.5mm (front panel) input. Select auxiliary input from the Main Menu to listen to audio. Adjust volume on the external audio source as needed (if connected to the headphone output of the device).
Specifications
FM Tuner | Tuning range: 87.5MHz-107.9MHz Usable sensitivity: 10dBf 50dB quieting sensitivity: 20dBf Stereo separation @ 1kHz: 38dB Frequency response: 30Hz-13kHz Tuning range: 530kHz-1710kHz Usable sensitivity: 24uV Frequency response: 30Hz-2.3kHz Compatibility: High Speed USB 2.0 USB Class: Mass storage class Compatibility: microSD memory card & microSDHC memory card Panel size: 7” diagonal measurement View angle (up/down/left/right): 50/70/70/70 Resolution: 800 (H) x 480 (V) Brightness (cd/m2): 250 Contrast ratio: 500:1 Pixels: 1,152,000 Speaker output impedance: 4 ohms Line output voltage: 2 volt RMS Line output impedance: 200 ohms Chassis dimensions: 7” x 2.5” x 4” (W x D x H) Design and specifications subject to change without notice. |
Limited One Year Warranty
This warranty gives you specific legal rights. You may also have other rights which vary from state to state.
Namsung America Inc. warrants this product to the original purchaser to be free from defects in material and workmanship for a period of one year from the date of the original purchase.
Namsung America Inc. agrees, at our option, during the warranty period, to repair any de- fect in material or workmanship or to furnish an equal new, renewed or comparable prod- uct (whichever is deemed necessary) in exchange without charges, subject to verification of the defect or malfunction and proof of the date of purchase. Subsequent replacement products are warranted for the balance of the original warranty period.
Who is covered?
This warranty is extended to the original retail purchaser for products purchased from an authorized Jensen dealer and used in the U.S.A.
What is covered?
This warranty covers all defects in material and workmanship in this product. The follow- ing are not covered: software, installation/removal costs, damage resulting from accident, misuse, abuse, neglect, product modification, improper installation, incorrect line voltage, unauthorized repair or failure to follow instructions supplied with the product, or damage occurring during return shipment of the product. Specific license conditions and copyright notices for the software can be found via www.jensenmobile.com
What to do?
- Before you call for service, check the troubleshooting guide in your owner’s manual. A slight adjustment of any custom controls may save you a service call.
- If you require service during the warranty period, you must carefully pack the product (preferably in the original package) and ship it by prepaid transportation with a copy of the original receipt from the retailer to an authorized service
- Please describe your problem in writing and include your name, a return UPS shipping address (P.O. Box not acceptable), and a daytime phone number with your shipment
- For more information and for the location of the nearest authorized service center please contact us by one of the following methods:
- Call us toll-free at 1-888-921-4088
- E-mail us at [email protected]
Exclusion of Certain Damages: This warranty is exclusive and in lieu of any and all other warranties, expressed or implied, including without limitation the implied warranties of merchantability and fitness for a particular purpose and any obligation, liability, right, claim or remedy in contract or tort, whether or not arising from the company’s negligence, actual or imputed. No person or representative is authorized to assume for the company any other liability in connection with the sale of this product. In no event shall the com- pany be liable for indirect, incidental or consequential damages.
| General | ||
| Problem | Cause | Action |
| Unit will not turn on (no power) | Yellow wire not connected or incorrect voltage Red wire not connected or incorrect voltage | Check connections for proper voltage (11~16VDC) |
| Black wire not connected | Check connection to ground | |
| Fuse blown | Replace fuse(s) | |
| Unit has power (but no sound) | Speaker wires not connected | Check connections at speakers |
| One or more speaker wires touching each other or touching chassis ground | Insulate all bare speaker wires from each other and chassis ground | |
| Unit blows fuse(s) | Yellow or red wire touching chassis ground | Check for pinched wire |
| Speaker wires touching chassis ground | Check for pinched wire | |
| Incorrect fuse rating | Use fuses with correct rating | |
| No video display (when in reverse) | Reverse circuit not connected Vehicle is not in reverse | Check connections at reverse lamp Select reverse gear |
Customer Support
1-888-921-4088
(Monday-Friday, 9AM-5PM EST)
Visit https://www.jensenmobile.com
| For Your Records | Please keep your original sales receipt and be prepared to provide this receipt in the event you require service, as your original receipt is considered the best proof of purchase and indicates the date you purchased your JENSEN product. Dealer Name Dealer Phone Purchase Date |






















