JENSEN CAR710 Media Receiver with Android and CarPlay

Product Information
CAR710 Media Receiver
The CAR710 Media Receiver is a car stereo system featuring a 7-inch digital TFT display. It is designed and engineered in the USA and comes with both Android AutoTM and CarPlayTM compatibility. The system has multiple inputs and outputs, including a subwoofer output and a rear camera input.
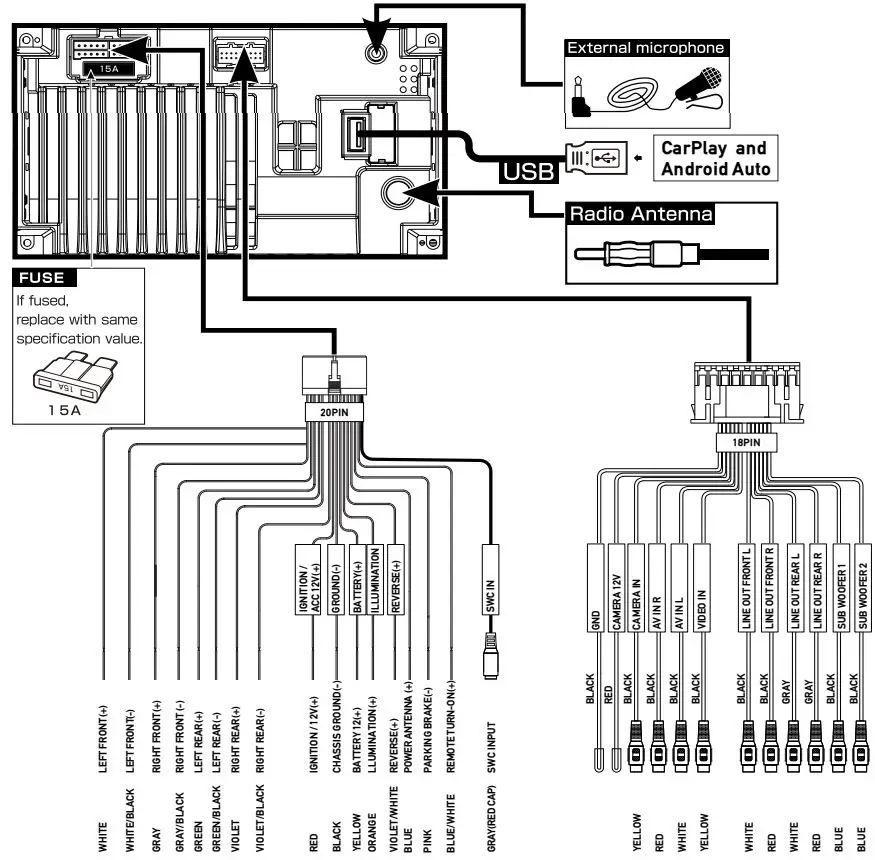
The system uses a 15 amp ATC mini-style fuse located on the power connector. Video playback isenabled only when the vehicle is in park and the parking brake engaged. The unit can be controlled using the display or physical buttons located on the unit.
Product Usage Instructions
Installation
The CAR710 Media Receiver should be installed in a location that is not subject to dust, dirt, or excessive vibration. Use the provided trim ring and mounting screws to securely install the unit in your vehicle.
Wiring
The wiring diagram for the inputs and outputs is provided in the user manual. Make sure to use the correct type and amperage of fuse when replacing a fuse. The subwoofer preamp audio output (Blue jacket with Black RCA) is active in all audio modes. A rear view camera (not included) can be used with the Camera input.
Main Menu
In the main menu, press the desired icon to enter the corresponding mode: Radio/USB/BT Phone/BT Audio/Android Auto/Apple CarPlay/AV In/Equalizer/Settings.
Tuner Operation
To use the tuner, select the Radio mode from the main menu. Use the keypad to manually enter a station frequency or use Seek Tune Up/Down to find a station. Preset stations can be saved for easy access later.
USB Operation
To use the USB mode, select the USB icon from the main menu. The system supports audio playback from USB devices. Use the List function to navigate through files, and Track Up/Down to skip tracks. Repeat and Random playback modes are also available.
Bluetooth Operation
Before using Bluetooth, pair your device with the CAR710 Media Receiver. The unit broadcasts the pairing signal constantly when no devices are currently connected. Complete the pairing sequence from your Bluetooth device. The device name is CAR710. Once paired, the head unit will automatically connect to the last connected device when the connect feature is set to Auto connect On.
Installation

Wiring Diagram – Inputs/Outputs

Control Locations

The radio display features the following functions and displays:
- RESET
- VOLVOL+
- Power/Mute
- SOURCE
- VOICE ACTIVATION BUTTON
In main menu, press the desired icon to enter the corresponding mode: Radio/USB/BT Phone/BT Audio/Android Auto/Apple CarPlay/AV In/Equalizer/Settings.

Product Tuner Operation

- Main Menu
- Current Mode Indicator
- Preset Stations
- Local/Distance
- AS/PS
- Keypad
- EQ
- Seek Tune Up
- Seek Tune Down
- AM
- FM
USB Operation
From the main menu, touch the USB icon on the main screen.

- Main Menu
- Current Mode Indicator
- List
- Repeat
- Random
- Search
- EQ
- Track Up
- Play/Pause
- Track Down
Note: Video playback is enabled only when the vehicle is in park and the parking brake engaged.
Bluetooth Operation
Before using Bluetooth
Before you can use a Bluetooth device to make hands-free calls or stream audio. it must be authenticated.
This is also referred to as “pairing” a device.
Pairing a New Device
The unit broadcasts the pairing signal constantly when no devices are currently connected. Complete the pairing sequence from your Bluetooth device. Refer to the owner’s manual for your device for more details. The device name is “CAR710”. The unit can be in any mode of operation when pairing is performed.
On certain phones, pairing may need to be done more than once.
Connect
The head unit will automatically connect to the last connected device when the connect feature is set to Auto connect On.
If the connect feature is set to Auto Connect Off, the head unit will not automatically connect to any device.

Bluetooth Phone
From the main menu. touch the Bluetooth on the screen.
Bluetooth icon will appear anytime a Bluetooth device is connected.
Dialing a Number
Press
to display keypad and dial a number.

Making and Ending a Call
Press
to connect a call, and press
to end a call.
Transferring Audio
Press
to transfer andio between the head unit and mobile phone.

Streaming Audio
- Press
to play or pause the music. - Press
to skip to the previous track. - Press
to advance to the next track.
Audio Operation
Press the Settings icon on the main menu screen to adjust Fader and Balance controls, Equalizer (8-Band Tone Control and 8 Presets EQ Settings).

CarPlay Operation
Select CarPlay on the Main Menu.
If the iPhone is connected via USB port, press CarPlay icon on main menu to mirror the iPhone’s apps onto the screen. If the iPhone USB cable is inserted to the USB port then the CAR710 will automatically change to CarPlay mode.

Please refer to on-line Owner’s Manual for more details.
Android Auto Operation
Select Android Auto on the Main Menu.
If the Android Phone is connected via USB port, press Android Auto icon on main menu to mirror the Android Auto Basic Image onto the screen. If the Android Phone USB cable is inserted to the USB port then the CAR710 will automatically change to Android Auto mode.
Please refer to on-line Owner’s Manual for more details.
General Operation
From the Main Menu screen, select Setup to access the Settings menu and select from categories represented by the icons on the right of the screen: General, Audio, Display, Others. Select the category, and adjust any of the available options using the touch screen.
Limited One Year (Or Three Year*) Warranty
This warranty gives you specific legal rights. You may also have other rights which vary from state to state. Namsung America Inc warrants this product to the original purchaser to be free from defects in material and workmanship for a period of one year (or three years*) from the date of the original purchase.
Namsung America Inc agrees, at our option, during the warranty period, to repair any defect in material or workmanship or to furnish an equal new, renewed or comparable product (whichever is deemed necessary) in exchange without charges, subject to verification of the defect or malfunction and proof of the date of purchase. Subsequent replacement products are warranted for the balance of the original warranty period.
Who is covered? This warranty is extended to the original retail purchaser for products purchased from an authorized JENSEN dealer and used in the U.S.A.
What is covered? This warranty covers all defects in material and workmanship in this product. The following are not covered: software, installation/removal costs, damage resulting from accident, misuse, abuse, neglect, product modification, improper installation, incorrect line voltage, unauthorized repair or failure to follow instructions supplied with the product, or damage occurring during return shipment of the product. Specific license conditions and copyright notices for the software can be found via www.jensenmobile.com.
Warranty Coverage
Limited 1-year warranty when purchased from an authorized Jensen dealer.
or
Limited 3-year warranty when purchased from and professionally installed by an authorized Jensen dealer.
(Proof of purchase and Installation required)
What to do?
- Before you call for service, check the troubleshooting guide in your owner’s manual. A slight adjustment of any custom controls may save you a service call.
- If you require service during the warranty period, you must carefully pack the product (preferably in the original package) and ship it by prepaid transportation with a copy of the original receipt from the retailer to an authorized service center.
- Please describe your problem in writing and include your name, a return UPS shipping address (P.O. Box not acceptable), and a daytime phone number with your shipment.
- For more information and for the location of the nearest authorized service center please contact us by one of the following methods:
- Call us toll-free at (888) 921-4088
(Monday-Friday, 9:00 a.m,to 5:00 p.m,EST) - E-mail us at [email protected]
- Call us toll-free at (888) 921-4088
Exclusion of Certain Damages: This warranty is exclusive and in lieu of any and all other warranties, expressed or implied, including without limitation the implied warranties of merchantability and fitness for a particular purpose and any obligation, liability, right, claim or remedy in contract or tort, whether or not arising from the company’s negligence, actual or imputed. No person or representative is authorized to assume for the company any other liability in connection with the sale of this product. In no event shall the company be liable for indirect, incidental or consequential damages.
FCC Compliance
This device complies with Part 15 of the FCC Rules. Operation is subject to the following two conditions:
- this device may not cause harmful interference, and
- this device must accept any interference received, including interference that may cause undesired operation.
Warning: Changes or modifications to this unit not expressly approved by the party responsible for compliance could void the user’s authority to operate the equipment.
Note: This equipment has been tested and found to comply with the limits for a Class B digital device, pursuant to Part 15 of the FCC Rules. These limits are designed to provide reasonable protection against harmful interference in a residential installation. This equipment generates, uses and can radiate radio frequency energy and, if not installed and used in accordance with the instructions, may cause harmful interference to radio communications. However, there is no guarantee that interference will not occur in a particular installation. If this equipment does cause harmful interference to radio or television reception, which can be determined by turning the equipment off and on, the user is encouraged to try to correct the interference by one or more of the following measures:
- Reorient or relocate the receiving antenna.
- Increase the separation between the equipment and receiver.
- Connect the equipment into an outlet on a circuit different from that to which the receiver is connected.
- Consult the dealer or an experienced radio/TV technician for help.
This Quick Start Guide gives you the basics to start using your CAR710. Please visit
https://www.jensenmobile.com. to download a complete owner’s manual or call customer service at 1-888-921-4088 (Monday-Friday, 9AM-5PM EST).
www.jensenmobile.com
©2023 Namsung America Inc. All rights reserved.
NSC0323-V01






















