JENSEN J1CA7 Multimedia Receiver User Guide

https://www.jensenmobile.com/user-manuals.html
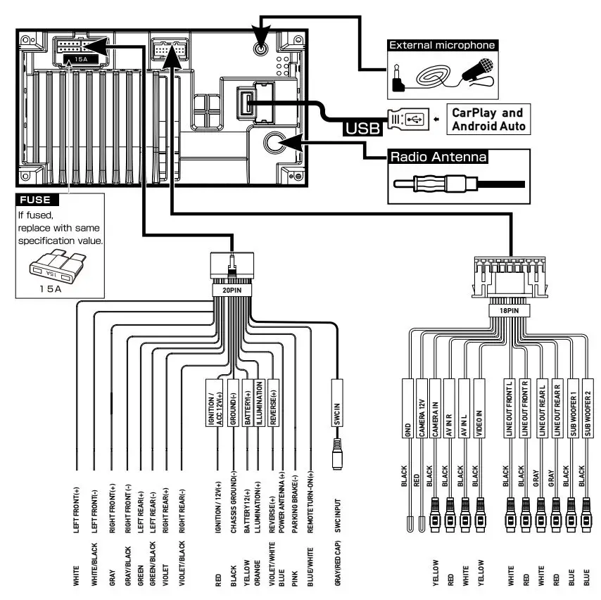
Wiring Diagram – Inputs/Outputs

Note: When replacing a fuse, make sure to use the correct type and amperage. Using an incorrect fuse could cause damage. The unit uses (1) 15 amp ATC mini style fuse located on the power connector.
Wiring Notes: Subwoofer output The Subwoofer preamp audio output (Blue jacket with Black RCA) is active in all audio modes.
Rear camera input A rear view camera (not included) can be used with the Camera input.
Installation
Before You Start
- Disconnect negative battery terminal. Consult a qualified technician for instructions.
- Avoid installing the unit where it would be subject to high temperatures, such as from direct sunlight, or where it would be subject to dust, dirt or excessive vibration.

Control Locations

The radio display features the following functions and displays:
- RESET
- VOL
- VOL+
- Power/Mute
- SOURCE
- VOICE ACTIVATION BUTTON
In main menu, press the desired icon to enter the corresponding mode: Radio/USB/BT Phone/BT Audio/Android Auto/Car Play/AV In/Equalizer/Settings.

Tuner Operation
- Main Menu
- Current Mode Indicator
- Preset Stations
- Local/Distance
- AS/PS
- Keypad
- EQ
- Seek Tune Up
- Seek Tune Down
- AM
- FM
USB Operation
From the main menu, touch the USB icon on the main screen.

- Main Menu
- Current Mode Indicator
- List
- Repeat
- Random
- Search
- EQ
- Track Up
- Play/Pause
- Track Down
Bluetooth Operation
Before using Bluetooth
Before you can use a Bluetooth device to make hands-free calls or stream audio. it must be authenticated. This is also referred to as “pairing” a device.
Pairing a New Device
The unit broadcasts the pairing signal constantly when no devices are currently connected. Complete the pairing sequence from your Bluetooth device. Refer to the owner’s manual for your device for more details. The device name is “J1CA7”. The unit can be in any mode of operation when pairing is performed. On certain phones, pairing may need to be done more than once.

Audio Operation
Press the Settings icon on the main menu screen to adjust Fader and Balance controls, Equalizer (8-Band Tone Control and 8 Presents EQ Settings).

CarPlay Operation

Select CarPlay on the Main Menu. If the iPhone is connected via USB port, press CarPlay icon on main menu to mirror the iPhone’s apps onto the screen. If the iPhone USB cable is inserted to the USB port then the J1CA7 will automatically change to CarPlay mode. Please refer to on-line Owner’s Manual for more details.
Android Auto Operation

Select Android Auto on the Main Menu. If the Android Phone is connected via USB port, press Android Auto icon on main menu to mirror the Android Auto Basic Image onto the screen. If the Android Phone USB cable is inserted to the USB port then the J1CA7 will automatically change to Android Auto mode. Please refer to on-line Owner’s Manual for more details.
General Operation
From the Main Menu screen, select Setup to access the Settings menu and select from eight categories represented by the icons on the top of the screen: General, Audio, Display, Others. Select the category, and adjust any of the available options using the touch screen.

One-Year Limited Warranty
This warranty gives you specific legal rights. You may also have other rights which vary from state to state. Namsung America Inc warrants this product to the original purchaser to be free from defects in material and workmanship for a period of one year from the date of the original purchase. Namsung America Inc agrees, at our option, during the warranty period, to repair any defect in material or workmanship or to furnish an equal new, renewed or comparable product (whichever is deemed necessary) in exchange without charges, subject to verification of the defect or malfunction and proof of the date of purchase. Subsequent replacement products are warranted for the balance of the original warranty period. Who is covered? This warranty is extended to the original retail purchaser for products purchased from an authorized JENSEN dealer and used in the U.S.A. What is covered? This warranty covers all defects in material and workmanship in this product. The following are not covered: software, installation/removal costs, damage resulting from accident, misuse, abuse, neglect, product modification, improper installation, incorrect line voltage, unauthorized repair or failure to follow instructions supplied with the product, or damage occurring during return shipment of the product. Specific license conditions and copyright notices for the software can be found via www.jensenmobile.com.
What to do?
- Before you call for service, check the troubleshooting guide in your owner’s manual. A slight adjustment of any custom controls may save you a service call.
- If you require service during the warranty period, you must carefully pack the product (preferably in the original package) and ship it by prepaid transportation with a copy of the original receipt from the retailer to an authorized service center.
- Please describe your problem in writing and include your name, a return UPS shipping address (P.O. Box not acceptable), and a daytime phone number with your shipment.
- For more information and for the location of the nearest authorized service center please contact us by one of the following methods:
• Call us toll-free at (888) 921-4088 (Monday-Friday, 9:00 a.m., to 5:00 p.m., EST)
• E-mail us at [email protected]
Exclusion of Certain Damages: This warranty is exclusive and in lieu of any and all other warranties, expressed or implied, including without limitation the implied warranties of merchantability and fitness for a particular purpose and any obligation, liability, right, claim or remedy in contract or tort, whether or not arising from the company’s negligence, actual or imputed. No person or representative is authorized to assume for the company any other liability in connection with the sale of this product. In no event shall the company be liable for indirect, incidental or consequential damages.
FCC Compliance
This device complies with Part 15 of the FCC Rules. Operation is subject to the following two conditions:
(1) this device may not cause harmful interference, and
(2) this device must accept any interference received, including interference that may cause undesired operation.
Warning: Changes or modifications to this unit not expressly approved by the party responsible for compliance could void the user’s authority to operate the equipment.
Note: This equipment has been tested and found to comply with the limits for a Class B digital device, pursuant to Part 15 of the FCC Rules. These limits are designed to provide reasonable protection against harmful interference in a residential installation. This equipment generates, uses and can radiate radio frequency energy and, if not installed and used in accordance with the instructions, may cause harmful interference to radio communications. However, there is no guarantee that interference will not occur in a particular installation. If this equipment does cause harmful interference to radio or television reception, which can be determined by turning the equipment off and on, the user is encouraged to try to correct the interference by one or more of the following measures:
- Reorient or relocate the receiving antenna.
- Increase the separation between the equipment and receiver.
- Connect the equipment into an outlet on a circuit different from that to which the receiver is connected.
- Consult the dealer or an experienced radio/TV technician for help.
www.jensenmobile.com
©2021 Namsung America Inc. All rights reserved.
NSC0421-V01


















