
CDR7011
QUICKSTART GUIDE

DVD Multimedia Receiver with Bluetooth featuring a 7” digital touch screen TFT LCD and Detachable Face This Quick Start Guide gives you the basics to start using your CDR7011. Please visit www.jensenmobile.com to download a complete owner’s manual or call customer service at 1-888-921-4088 (Monday-Friday, 9 AM-5 PM EST).
Installation

TYPICAL FRONT-LOAD DIN MOUNTING METHOD
Copyright and Trademark Notes
This product incorporates copyright protection technology that is protected by method claims of certain U.S. patents and other intellectual property rights owned by Macrovision Corporation and other rights owners. Use of this copyright protection technology must be authorized by Macrovision Corporation and is intended for home and other limited viewing uses only unless otherwise authorized by Macrovision Corporation. Reverse engineering or disassembly is prohibited. DVD Logo is a trademark of DVD Format/ Logo Licensing Corporation registered in the U.S., Japan, and other countries. The Bluetooth’ word mark and logos are registered trademarks owned by Bluetooth SIG, Inc.
Siri and Apple have registered trademarks owned by Apple Inc.
Google Assistant and Android is a trademark owned by Google LLC.
Other trademarks and trade names are those of their respective owners.
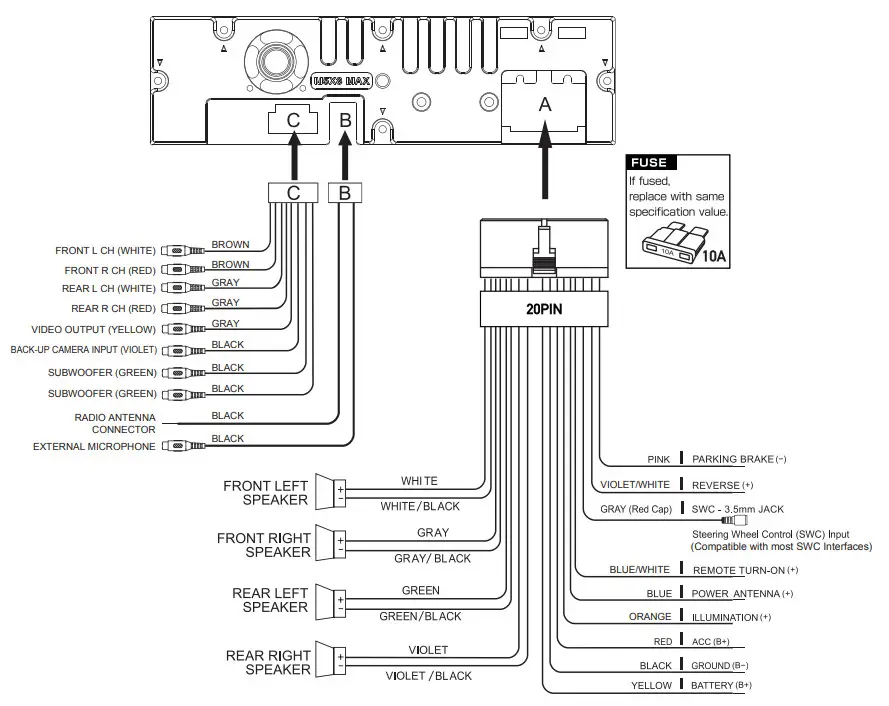
Wiring Diagram-Inputs/Outputs

Control Locations

| 1. Source/Power 2. Press- Mode Change Press and hold — Voice Activation 3. Volume Up/Down, Mute 4. Tune/Track Up, Call End 5. Tune/Track Down, Call | 6. Disc Slot 7. AUX Input 8. USB Slot 9. Reset Button 10. Panel Open 11. Eject |
Press the Top Left Source icon to enter Main Source Menu In the Menu mode, press the desired icon to enter the desired mode:

| 1. Radio 2. Media Player Last Source 3. BT Handsfree 4. DISC 5. USB | 6. BT Streaming 7. AUX In 8. Rearview Camera 9. Main System Setup Menu |
Tuner Operation

Select the Tuner icon from the Main Menu screen
| 1. Current Mode Icon / Main Source Menu 2. Tuner Presets – Press and hold to set 3. AM Direct 4. FM Direct 5. Bluetooth Handsfree Direct 6. Stereo / Mono 7. Previous Station – Press and hold to Manual Tune | 8. AS/PS – Auto Scan / Preset Scan 9. Direct Station Entry 10. Station Number 11. Station Search 12. Next Station – Press and hold to Manual Tune 13. EQ Settings 14. Quick BAND Select – FM 1-2-3 I AM 1-2 |
CD/DVD Operation

Insert a CD/DVD in the disc slot for playback
- Direct File Entry
- EQ Setting
- Repeat
- Random
- Next Page
Media Player Operation
USB/BT Music operation will work the same way.
![]() | ![]() |
| 1. Current Mode / Main Source Menu 2. BT Streaming Music Direct 3. USB Media Direct 4. Bluetooth Handsfree Direct 5. Shuffle On / Off 6. Repeat 1 | All | Off 7. Direct File Entry 8. File List | 9. EQ Settings 10. Track Down 11. Play/Pause 12. Track Up 13. Track Time / Status Bar 14. File Playing – ID3 Metadata |
Audio Operation

Press EQ icon in each Source to select EQ settings
| 1. Main System Volume 2. EQ Settings 3. EQ On/Off 4. Loudness On/Off | 5. EQ Reset 6. Return to Source 7. EQ Presets / Custom 8. Balance / Fader |
Balance/Fader Subwoofer On/Off

| 1. Main Volume 2. Fader Reset 3. Subwoofer ON/OFF | 4. Return to Source 5. Return to EQ Controls |
System Settings

| 1. Back to Main Menu 2. General Setup 3. Clock Settings 4. System Audio | 5. Bluetooth 6. Display Adjustment 7. About – Software Version 8. Panel Angle |
Handfree Operation
Bluetooth Microphone
An external microphone is included and is designed to mount on a visor or on a pillar inside the vehicle.(No built-in microphone is in the radio).
Pairing and Connecting
![]()
Before using Bluetooth functions, you must pair your mobile phone to the CDR7011. The device name is “JENSEN CDR7011”.The Bluetooth passcode “0000”.To ensure the best reception for pairing and re-connection, please make sure the mobile phone battery is fully charged before you begin.
- Try to perform pairing within a few minutes of the mobile phone being turned on.
- Once the unit has been paired with the mobile phone, the unit’s model number,“JENSEN CDR7011”, will be displayed on the mobile phone.
- To achieve the best performance, always keep the mobile phone within 10 feet (3 meters) of the unit.
- Always keep a clear path between the mobile phone and the unit. Never place a metal object or any other obstacle between the mobile phone and the unit.
- Some mobile phones may have a “Power Saving Mode” option. PLEASE DO NOT use the power saving mode with the CDR7011.
- Before accepting or making a call, make sure your mobile phone’s “Bluetooth function” is turned on.
![]() | ![]() |
| Dialing a Number Press keypad to dial a number | Making a Call Dial number, press to connect a call |

| 1. Current Mode / Main Source Menu 2. Dial Keypad 3. Bluetooth Keypad 4. Contacts – must be manually synced 5. Keypad Backspace | 6. Recent Calls 7. Device Manager 8. Call Button 9. Dialing Number |
Phone Book

Press
to download the phone numbers or access the call history info.
Transferring Audio
Press to transfer call audio between the headunit and mobile phone.
Hang Up- Call Transfer
- MIC Mute
- Return to Keypad
One-Year (or Two-Year*) Limited Warranty
This warranty gives you specific legal rights. You may also have other rights which vary from state to state.
Namsung America Inc warrants this product to the original purchaser to be free from defects in material and workmanship for a period of one year (or two years*) from the date of the original purchase.
Namsung America Inc agrees, at our option, during the warranty period, to repair any defect in material or workmanship or to furnish an equal new, renewed or comparable product (whichever is deemed necessary) in exchange without charges, subject to verification of the defect or malfunction and proof of the date of purchase.
Subsequent replacement products are warranted for the balance of the original warranty period.
Who is covered?
This warranty is extended to the original retail purchaser for products purchased from an authorized JENSEN dealer and used in the U.S.A.
What is covered?
This warranty covers all defects in material and workmanship in this product.
The following are not covered: software, installation/removal costs, damage resulting from accident, misuse, abuse, neglect, product modification, improper installation, incorrect line voltage, unauthorized repair or failure to follow instructions supplied with the product, or damage occurring during return shipment of the product.
Specific license conditions and copyright notices for the software can be found via www.jensenmobile.com.
Warranty Coverage
Limited 1-year warranty when purchased from an authorized Jensen dealer.
or
*Limited 2-year warranty when purchased from and professionally installed by an authorized Jensen dealer.
(Proof of purchase and Installation required)
What to do?
- Before you call for service, check the troubleshooting guide in your owner’s manual. A slight adjustment of any custom controls may save you a service call.
- If you require service during the warranty period, you must carefully pack the product (preferably in the original package) and ship it by prepaid transportation with a copy of the original receipt from the retailer to an authorized service center.
- Please describe your problem in writing and include your name, a return UPS shipping address (P 0 Box not acceptable), and a daytime phone number with your shipment.
- For more information and for the location of the nearest authorized service center please contact us by one of the following methods:
- Call us toll-free at 1-888-921-4088 (Monday-Friday, 9:00 a.m. to 5:00 p.m. EST)
- E-mail us at [email protected]
Exclusion of Certain Damages: This warranty is exclusive and in lieu of any and all other warranties, expressed or implied, including without limitation the implied warranties of merchantability and fitness for a particular purpose and any obligation, liability, right, claim or remedy in contract or tort, whether or not arising from the company’s negligence, actual or imputed. No person or representative is authorized to assume for the company any other liability in connection with the sale of this product. In no event shall the company be liable for indirect, incidental or consequential damages.
FCC Compliance
This device complies with Part 15 of the FCC Rules. Operation is subject to the following two conditions:
- this device may not cause harmful interference.
- this device must accept any interference received, including interference that may cause undesired operation. Warning: Changes or modifications to this unit not expressly approved by the party responsible for compliance could void the user’s authority to operate the equipment.
Note: This equipment has been tested and found to comply with the limits for a Class B digital device, pursuant to Part 15 of the FCC Rules. These limits are designed to provide reasonable protection against harmful interference in a residential installation. This equipment generates, uses, and can radiate radio frequency energy and, if not installed and used in accordance with the instructions, may cause harmful interference to radio communications.
However, there is no guarantee that interference will not occur in a particular installation. If this equipment does cause harmful interference to radio or television reception, which can be determined by turning the equipment off and on, the user is encouraged to try to correct the interference by one or more of the following measures:
- Reorient or relocate the receiving antenna.
- Increase the separation between the equipment and receiver.
- Connect the equipment into an outlet on a circuit different from that to which the receiver is connected.
- Consult the dealer or an experienced radio/TV technician for help.
Customer Service
Toll-Free: 1-888-9214088
www.jensenmobile.com
©2021 Namsung America Inc.
NSC0121-V01




Hang Up


















