CDR6221
DVD Multimedia Receiver with Bluetooth
featuring a 6.2″ Touch-Screen Display

INSTALLATION & OWNER’S MANUAL
FCC Compliance
This device complies with Part 15 of the FCC Rules. Operation is subject to the following two conditions:
(1) this device may not cause harmful interference, and
(2) this device must accept any interference received, including interference that may cause undesired operation.
Warning: Changes or modifications to this unit not expressly approved by the party responsible for compliance could void the user’s authority to operate the equipment.
Note: This equipment has been tested and found to comply with the limits for a Class B digital device, pursuant to Part 15 of the FCC Rules. These limits are designed to provide reasonable protection against harmful interference in a residential installation. This equipment generates, uses and can radiate radio frequency energy and, if not installed and used in accordance with the instructions, may cause harmful interference to radio communications. However, there is no guarantee that interference will not occur in a particular installation. If this equipment does cause harmful interference to radio or television reception, which can be determined by turning the equipment off and on, the user is encouraged to try to correct the interference by one or more of the following measures:
- Reorient or relocate the receiving antenna.
- Increase the separation between the equipment and receiver.
- Connect the equipment into an outlet on a circuit different from that to which the receiver is connected.
- Consult the dealer or an experienced radio/TV technician for help.
Copyright and Trademark
The Bluetooth® word mark and logos are registered trademarks owned by Bluetooth SIG, Inc.
microSD Logo is a registered trademark of SD-3C, LLC.
Siri and Apple have registered trademarks owned by Apple, Inc.
Google Assistant and Android are trademarks owned by Google LLC.
Other trademarks and trade names are those of their respective owners.
Video/movie playback will not operate while the vehicle is moving. This is a safety feature to prevent driver distraction. In-dash video/movie functions will only operate when the vehicle is in Park and the parking brake is engaged. It is illegal in most jurisdictions for the driver to view video while the vehicle is in motion.
It is highly recommended that your JENSEN CDR6221 is installed by a professional installer or an authorized dealer.
This product is only for use in vehicles with 12VDC negative ground only.
To prevent damage or injury:
- Make sure to ground the unit securely to the vehicle chassis ground.
- Do not remove the top or bottom covers of the unit.
- Do not install the unit in a spot exposed to direct sunlight or excessive heat or the possibility of water splashing.
- Do not subject the unit to excessive shock.
- When replacing a fuse, only use a new one with the correct rating. Using a fuse with the wrong rating may cause the unit to malfunction.
- To prevent short circuits when replacing a fuse, disconnect the wiring harness first.
- Use only the provided hardware and wire harness.
- If you experience problems during installation, consult your nearest JENSEN dealer.
- If the unit malfunctions, reset the unit as described. If the problem still persists, consult your nearest JENSEN dealer or call tech assistance @ 1-888-921-4088.
- To clean the monitor, wipe only with a dry silicon cloth or soft cloth. Do not use a stiff cloth, or solvents such as paint thinner and alcohol. They can scratch the surface of the panel and/or remove the printing.
- When the temperature of the unit falls (as in winter), the liquid crystal inside the screen will become darker than usual. Normal brightness will return after the unit is in use for a while.
- When extending the ignition, battery or ground wiring, make sure to use automotive-grade wiring with an a minimum AWG 16 or more to prevent voltage drops.
- Do not touch the liquid crystal fluid if the LCD is damaged or broken. The liquid crystal fluid may be hazardous to your health or fatal. If the liquid crystal fluid from the LCD contacts your body or clothing, wash it off with soap immediately.
Preparation
Please read and understand the entire manual before installation. Consult a qualified technician for detailed instructions or installation assistance.
Before You Start
• Disconnect negative battery terminal. Consult a qualified technician for instructions.
• Avoid installing the unit where it would be subject to high temperatures, such as from direct sunlight, or where it would be subject to dust, dirt or excessive vibration.
Getting Started
- Unpack unit from its protective packaging.
- Connect vehicle wiring harness and antenna to this receiver’s harness. See wiring instructions.
Consult a qualified technician if you are unsure. - Certain vehicles may require an installation dash kit and/or wiring harness adapter (sold separately).
- Reconnect battery negative terminal.
- Test for correct operation and secure back into the dashboard.
- Snap trim ring into place if needed.

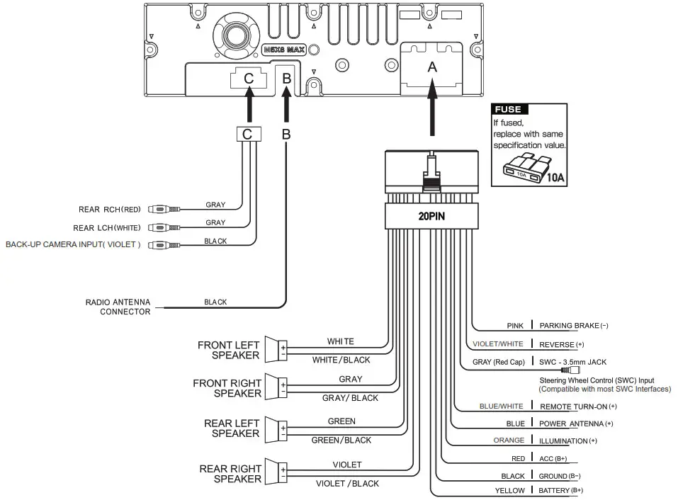
Wiring Diagram – Inputs/Outputs

Note:
When replacing a fuse, make sure to use the correct type and amperage. Using an incorrect fuse could cause damage. The unit uses (1) 10 amp ATC mini-style fuse located on the power connector.
Wiring Notes:
Rear camera input
A rearview camera (not included) can be used with the Camera input.
Control Locations
General Operation
| Power On/Off | Momentarily press to turn the unit on. Press and hold to turn the unit off. |
| Volume | Rotate the volume knob to increase or decrease the volume level. |
| Mute | Momentarily press MUTE to silence the audio. Momentarily press MUTE again to return to the previously selected volume. Rotating the volume knob while the volume is muted will also cancel the mute function. |
| Mode | Press MODE to step through all available input modes: Radio, Disc, microSD, USB, Bluetooth Phone, Bluetooth Music, Auxiliary Input, Rear Camera and Settings. Modes of operation are indicated on the display and/or the monitor. The optional USB device and microSD card must be connected/inserted to appear in the mode selection string. |
| Auxiliary Input | Connect external audio/video devices to the 3.5mm auxiliary input on the front panel. |
| USB Input | Insert a USB device to play MP3 or FLAC audio files. |
| microSD Card | Insert a microSD card into the microSD card slot to play MP3 or FLAC audio files. |
| Main Menu | Press the house icon in the top left corner to access the Main Menu screen. |

| Reset | To resolve abnormal operation or if the unit is inoperable, use the tip of a pen to press the reset button. The unit will reset the main processor to the default settings. |

| Settings Menu | From the Main Menu screen, select Settings to access the Setup menu and select from categories displayed on the left side of the screen: General, Clock, Audio, Bluetooth, Display and About. Use the touch screen to navigate and adjust individual options within each category. |
| Touch Screen Controls | The touch screen controls on the bottom of each screen allow direct access to important features during any mode of operation. |
| Dimmer 1 | Press to dim the display. |
| Voice Activation 2 | Press to utilize Voice Activation feature. |
| Audio 3 | Press to adjust audio options such as EQ, Treble/Bass or Balance/Fader. |
| Settings 4 | Press to access the settings menu. |
![]() | ![]() |
| Audio Settings: | Balance/Fader Settings: |
| 1. Volume 2. EQ Settings 3. EQ On/Off 4. Loudness On/Off 5. EQ Reset 6. Return to Source 7. EQ Presets / Custom 8. Balance / Fader | 1. Volume 2. Fader Reset 3. Subwoofer On/Off 4. Return to Source 5. Return to EQ Controls |
AM/FM Tuner Operation

| Radio Operation | Select the Radio icon from the Main Menu screen. |
| Mode / Main Menu 1 | Displays current mode of operation. Press to return to Main Menu. |
| Preset Stations 2 | Press and hold to set the current station in that preset spot. Press momentarily to recall the desired preset and begin playback. |
| AM 3 | Press to access AM bands. |
| FM 4 | Press to access FM bands. |
| Bluetooth 5 | Press to access Bluetooth phone. |
| Stereo / Mono 6 | Press to toggle between Stereo and Mono tuning. |
| Tune Down 7 | Press << to tune the radio to a lower frequency. Press and hold to tune the unit down one step at a time. |
| AS/PS 8 | Press to scan presets and listen to the first 10 seconds of each. Press again to stop scanning and listen to the station. Press and hold to automatically store the strongest stations as presets. |
| Direct Station Entry 9 | Press to display the keypad and directly enter desired station number. |
| Station Number 10 | Displays the current station number. |
| Station Search 11 | Press to search stations. |
| Tune Up 12 | Press >> to tune radio to a higher frequency. Press and hold to tune the unit up one step at a time. |
| Audio Settings 13 | Press to access and adjust audio settings. |
| Band 14 | Press to select between 2 AM and 3 FM bands. |
USB/microSD Card Operation

| USB/microSD Operation | To play audio files from a USB device or microSD card, insert device and playback will begin automatically. To return to USB or microSD card playback from another mode of operation, selectthe corresponding icon from the Main Menu. • USB Playback – Insert a USB device into the USB slot on the side of the unit. • microSD Card Playback – Insert microSD card into the microSD slot on the top of the unit. When inserting a microSD card, the label should face up. |
| Main Menu 1 | Press to return to Main Menu screen. |
| Clock 2 | Displays the current time. |
| Current Mode Indicator 3 | Displays current mode of operation. |
| Previous File / Track 4 | Press to go back to the previous file or track. |
| Elapsed Time Indicator 5 | Displays the elapsed time and time remaining on the current file. |
| Random 6 | Press to enable or disable random playback. |
| Repeat 7 | Press to select Repeat 1, Repeat Folder or Repeat Off. |
| Direct Search 8 | Press to directly enter file number to begin playback of that file. |
| Play / Pause 9 | Press to pause or resume playback. |
| File List 10 | Press to display a list of all files on the device. |
| Audio Settings 11 | Press to access and adjust audio settings. |
| Next File / Track 12 | Press to advance to the next file or track. |
| File Information 13 | Displays available information about the current file. |
Media Compatibility – USB/microSD Card
| Fite Type | MPS | ||
| Fite System | FAT | FAT 12 | X |
| FAT 16/FAT 32 | √ | ||
| File Extension | .mp3/.MP3/.Mp3/.mP3 | √ | |
| .rmp/. rn4a | X | ||
| MPEG Format | MPEG I | √ | |
| MPEG 2 | √ | ||
| MPEG 2.5 | √ | ||
| Sampling Frequency | MPEG I | 32/44.1/48kHz | |
| MPEG 2 | 12/16/22.05/24kHz | ||
| MPEG 2.5 | 8/11.025/12kHz | ||
| Bitrate | MPEG 1 | 32 – 320kbps | |
| MPEG 2 | 8 – 160kbps | ||
| MPEG 2.5 | 8 – 160kbps | ||
| Other Information | Directory Depth | Unlimited | |
| File Name Length | 32 bytes | ||
| Total File Number | 2000 files | ||
| Total Folder Number | 200 folders | ||
| File Number via Folder | 2000 files | ||
| MP3 103 TAG | verix | √ | |
| ver.2.x | √ | ||
| Title. Artist. Album | √ | ||
Notes:
- Due to ongoing technological advancement, some USB flash drives and/or microSD cards may be incompatible with this unit.
Media Compatibility – CD/DVD
| Fite Type | MP3 | ||||
| File System | 1509660 | Level 1, Level 2 | √ | ||
| Level 3 | X | ||||
| 1509660 Extension | JOLIET | Playback | √ | ||
| Filename | 32 bytes | ||||
| Other | ROMEO | Playback | X | ||
| X | Filename filename | ||||
| Apple ISO | X | ||||
| File Extension | .mp3/.MP3/.Mp3/.mP3 | √ | |||
| .rmp/.m&a | X | ||||
| MPEG Format | MPEG I | √ | |||
| MPEG 2 | √ | ||||
| MPEG 2.5 | √ | ||||
| Sampling Frequency | MPEG 1 | 32/44.1/48kHz | |||
| MPEG 2 | 12/16/22.05/24kHz | ||||
| MPEG 2.5 | 8/11.025/12kHz | ||||
| Bitrate | MPEG I | 32 – 320kbps | |||
| MPEG 2 | 8 – 160kbps | ||||
| MPEG 2.5 | 8 – 160kbps | ||||
| Other Information | Directory Depth | Unlimited | |||
| File Name Length | 32 bytes | ||||
| Total File Number | 2000 files | ||||
| Total Folder Number | 200 folders | ||||
| File Number via Folder | 2000 files | ||||
| MP3103 TAG | ver.l.x | √ | |||
| ver.2.x | √ | ||||
| Tide. Artist, Album | √ | ||||
Notes:
- It is not possible to view JPG files on the in-dash monitor while the vehicle is moving. This is a safety feature to prevent driver distraction.
- The JPG image viewer function will only operate when the vehicle is in the park and the parking brake is engaged.
Media Compatibility
| Media Compatibility | The following types of files are not compatible: • MP3 PRO format, MP3 playlists • RMP format • WAV format • WMV format • AAC, protected AAC, M4A format |
| Playback Order | MP3 playback sequence begins in the root folder of the USB flash drive or microSD card. Any empty folders or folders that do not include MP3/FLAC files are skipped. |
| Compatible Recording Formats | ISO9660 standards: • Maximum nested folder depth is 8 (including the root folder). • Valid characters for folder/file names are letters A-Z (all caps), numbers 0-9, and “_” (underscore). Some characters may not be displayed correctly, depending on the character type. |
| Notes | Some files may not play or be displayed correctly, depending on sampling rates and bit rates. For best results, use the following settings when ripping MP3 files: 128kbps or higher constant bit rate 44.1kHz or higher sampling frequency |
DVD Operation

| Inserting a Disc | Insert disc into the slot, and playback will begin automatically. Sub-menus may have to be pressed to access the DVD content. Read the directions of your specific DVD disc for other features. |
| Ejecting the Disc | Press |
| Touchscreen Controls | Press anywhere on the LCD to display touch screen controls. |
| Disc Menu 1 | Press to select the disc menu. |
| Audio Settings 2 | Press to adjust audio settings. |
| Previous Chapter 3 | Press to return to the previous chapter. |
| Play / Pause 4 | Press to pause or resume playback. |
| Next Chapter 5 | Press to advance to the next chapter. |
| Next Page 6 | Press to display the next page of options. |

| Direct Entry 7 | Enter a chapter number directly to begin playback. |
| Audio 8 | Press to access and adjust audio settings. |
| Repeat 9 | Press to repeat the current chapter. |
| Random 10 | Press to enable or disable random playback. |
| Next Page 11 | Press to display the next page of options. |
Bluetooth Operation

| Preparation | Before you can use a Bluetooth device, it must be paired and connected. Make sure that Bluetooth is activated on your device before you begin the pairing process. |
| Microphone | The built-in microphone is located on the front of the receiver. An external microphone is also included and is designed to mount on a visor or on a pillar inside the vehicle. |
| Pairing a New Device | The unit broadcasts the pairing signal constantly when no devices are currently connected. Complete the pairing sequence from your Bluetooth device. Refer to the owner’s manual for your device for more details. The device name is “CDR6221”. The Bluetooth passcode is “0000”. The unit can be in any mode of operation when pairing is performed. On certain phones, pairing may need to be done more than once. |
| Connecting a Paired Device | Most Bluetooth devices support the auto-connect feature and will connect automatically if the device is in range when the unit is powered on. If your device was previously paired but does not connect, enter the Bluetooth setup menu and turn Auto Connect on. |
| Bluetooth Phone | To access the phone, select Bluetooth Phone from the Main Menu or press the phone icon from any operational mode. |
| Main Menu 1 | Press to return to the Main Menu screen. |
| Phone Keypad 2 | Use the phone keypad to dial the desired phone number. Alternatively, numbers can be dialed directly from the phone. |
| Clock3 | Displays the current time. |
| Phone Number 4 | Shows the current phone number as it is dialed. |
| Talk 5 | Press to connect a call. |
| Backspace 6 | Press to backspace when using the keypad. |

| Keypad 7 | Press to display the telephone keypad. |
| Contacts 8 | Press to display a list of stored contacts. |
| Recents 9 | Press to view a list of recent calls. |
| Device 10 | Press to view and select available devices. |
| Previous File/Track 11 | Press to return to the previous file/track. |
| Play / Pause 12 | Press to pause or resume playback. |
| Next File/Track 13 | Press to advance to the next file/track. |
| Audio 14 | Press to access and adjust audio settings. |
SWC Input Operation
The built-in SWC Interface is compatible with PAC steering wheel control modules.
The PAC SWI-RC is recommended. A third-party adapter must be used in order for the XDVD600 to be compatible with any steering wheel controls. The following controls are available for most vehicles.
| 1. Volume Up (+) | 4. Preset (+) | 7. Seek/Track Up (+) | 10. BT Talk |
| 2. Volume Down (-) | 5. Preset (-) | 8. Seek/Track Down (-) | 11. BT End |
| 3. Mute | 6. Mode | 9. Band |
Note: Not all OE steering wheel functions may be supported by the XDVD600.
PAC SWI-RC Installation Hints
- Set “Radio Select Switch”. Set the SWI-RC to position 7 – “Pioneer/Other/Sony”.
- To program, use the Pioneer/Sony/Other radio function mapping order for CDR171 units.
- When programming the SWI-RC, if a function is not supported (or not desired), then the function MUST be skipped as per the PAC SWI-RC instructions.
| Func- tion Order | Function Mapping | SWI-RC (3.3VDC Reference) | |
| Center Pin (Ring) Volt- age (Function Select) | Tip Pin Voltage | ||
| 1 | Volume + | H 5.0v | 2. |
| 2 | Volume – | H 5.0v | 2. |
| 3 | Mute | H 5.0v | 1. |
| 4 | Preset + | L 0.0V | 2. |
| 5 | Preset – | L 0.0V | 2. |
| 6 | Source | H 5.0v | 0.60 |
| 7 | Seek + / Track + | H 5.0v | 2. |
| 8 | Seek – / Track – | H 5.0v | 2. |
| 9 | Band | H 5.0v | 3. |
| 10 | BT Talk | L 0.0V | 0.60 |
Your receiver is designed with an easy access voice activation button to use Siri® or the Google Assistant™ via your car’s Bluetooth. Interact with your smartphone assistant while you drive with only the push of a button! ![]()
Bluetooth should be paired between your smartphone and the receiver. Press the voice activation button, and the receiver will switch into Bluetooth mode, This will activate Siri® or Google Assistant™ on your smartphone. You will need to manually switch back to the previous or desired mode once this operation is terminated.
Rear Camera Operation – (Optional)
Connect an optional rear camera to the Camera Input (Black RCA connector). Refer to the wiring diagram for details.
Manual selection – Touch CAMERA icon from the Main Menu or from any operational mode (when enabled) to select camera mode. Touch the top left area on the screen to
exit camera mode.
Note: The manual mode is for dedicated cameras that are ALWAYS on while driving, it is not meant for cameras that are connected to the vehicle’s reverse light.
The unit will automatically select camera mode when connected to the reverse lamp circuitry.
Front 3.5mm Aux Input
Connect an optional audio source into the 3.5mm (front panel) input. Select auxiliary input from the Main Menu to listen to audio. Adjust volume on the external audio source as needed (if connected to the headphone output of the device).
Limited One Year (Or Two Year*) Warranty
This warranty gives you specific legal rights. You may also have other rights which vary from state to state.
Namsung America Inc warrants this product to the original purchaser to be free from defects in material and workmanship for a period of one year from the date of the original purchase.
Namsung America Inc agrees, at our option, during the warranty period, to repair any defect in material or workmanship or to furnish an equally new, renewed or comparable product (whichever is deemed necessary) in exchange without charges, subject to verification of the defect or malfunction and proof of the date of purchase.
Subsequent replacement products are warranted for the balance of the original warranty period.
Who is covered? This warranty is extended to the original retail purchaser for products purchased from an authorized JENSEN dealer and used in the U.S.A.
What is covered? This warranty covers all defects in material and workmanship in this product. The following are not covered: software, installation/removal costs, damage resulting from accident, misuse, abuse, neglect, product modification, improper installation, incorrect line voltage, unauthorized repair or failure to follow instructions supplied ith the product, or damage occurring during return shipment of the product. Specific license conditions and copyright notices for the software can be found via
www.jensenmobile.com.
Warranty Coverage
Limited 1-year warranty when purchased from an authorized Jensen dealer. or
*Limited 2-year warranty when purchased from and professionally installed by an authorized Jensen dealer.(Proof of Purchase and Installation required)
What to do?
1. Before you call for service, check the troubleshooting guide in your owner’s manual. A slight adjustment of any custom controls may save you a service call.
2. If you require service during the warranty period, you must carefully pack the product (preferably in the original package) and ship it by prepaid transportation with a copy of the original receipt from the retailer to an authorized service center.
3. Please describe your problem in writing and include your name, a return UPS shipping address (P.O. Box not acceptable), and a daytime phone number with your shipment.
4. For more information and for the location of the nearest authorized service center, please contact us by one of the following methods:
- Call us toll-free at (888) 921-4088
- E-mail us at [email protected]
Exclusion of Certain Damages: This warranty is exclusive and in lieu of any and all other warranties, expressed or implied, including without limitation the implied warranties of merchantability and fitness for a particular purpose and any obligation, liability, right, claim or remedy in contract or tort, whether or not arising from the company’s negligence,
actual or imputed. No person or representative is authorized to assume for the company any other liability in connection with the sale of this product. In no event shall the company be liable for indirect, incidental or consequential damages.
Specifications
| Disc | Frequency response: 20Hz-20kHz Channel separation @ 1kHz: >80dB D/A converter: 24 Bit |
| FM Tuner | Tuning range: 87.5MHz-107.9MHz Usable sensitivity: 10dBf 50dB quieting sensitivity: 20dBf Stereo separation @ 1kHz: 38dB Frequency response: 30Hz-13kHz |
| AM Tuner | Tuning range: 530kHz-1710kHz Usable sensitivity: 24uV Frequency response: 30Hz-2.3kHz |
| Front USB | Compatibility: High Speed USB 2.0 USB Class: Mass storage class |
| microSD | Compatibility: microSD memory card & microSDHC memory card |
| Monitor | Panel size: 6.2” diagonal measurement View angle (up/down/left/right): 50/70/70/70 Resolution: 800 (H) x 480 (V) Brightness (cd/m2): 250 Contrast ratio: 500:1 Pixels: 1,152,000 |
| General | Speaker output impedance: 4 ohms Line output voltage: 2 volt RMS Line output impedance: 200 ohms Chassis dimensions: 6.2” x 6.2” x 4” (W x D x H) Design and specifications subject to change without notice. |

CEA-2006 Power Standard Specifications
(reference: 14.4VDC +/- 0.2V, 20Hz~20kHz)
Power Output: 16 Watts RMS x 4 channels at 4 ohms and < 1%
THD+N
Signal to Noise Ratio: 80dBA (reference: 1 watt into 4 ohms)
Troubleshooting
Customer Support
1-888-921-4088
(Monday-Friday, 9AM-5PM EST)
Visit https://www.jensenmobile.com
For Your Records
Please keep your original sales receipt and be prepared to provide this receipt in the event you require service, as your original receipt is considered the best proof of purchase and indicates the date you purchased your JENSEN product.
Dealer Name…………….
Dealer Phone…………..
Purchase Date………….
Customer Support
1-888-921-4088
(Monday-Friday, 9 AM-5 PM EST)
Visit https://www.jensenmobile.com
Designed and Engineered in the USA

All rights reserved. No part of this publication may be reproduced, distributed, or transmitted in any form or by any means, including photocopying, recording, or other electronic or mechanical methods, without the prior written permission of NAMSUNG AMERICA INC. NSA0721-v01
Namsung America Inc.
©2021 Namsung America Inc.
All rights reserved.
General Operation




















