User Guide
CM7MIR

![]()
Multimedia Receiver with USB Mirroring and Bluetooth® featuring a 7″ Touch Screen Display
This Quick Start Guide gives you the basics to start using your CM7MIR. Please visit www.jensenmobile.com to download a complete owner’s manual or call customer service at 1-888-921-4088 (Monday-Friday, 9 AM-5 PM EST).
Installation

TYPICAL FRONT-LOAD DIN MOUNTING METHOD
Copyright and Trademark Notes
The Bluetooth° word mark and logos are registered trademarks owned by Bluetooth SIG, Inc. The microSD logo is the trademark of SD-3C LLC. Sid and Apple have registered trademarks owned by Apple Inc. Google Assistant and Android are trademarks owned by Google LLC. Other trademarks and trade names are those of their respective owners.
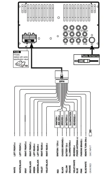
Wiring Diagram- Inputs/Output

Control Locations

- MIC
- Press- Mode Change Press and hold — Voice Activation
- Tune/Track Up
- Volume/Power/Mute
- Tune/Track Down
- miroSD card slot
- Reset
- AUX
- USB port

In the Menu mode, press the desired icon to enter the corresponding mode: Radio, USB Mirror”, BT Phone, USB, MicroSD Card, BT Audio, Aux-In, AV In, Camera, and Settings.
General Operation

Press the function icons to select the setup menu.
Audio Operation
Press the Sound Effect icon in the Settings menu to select EQ Presets, Surround Settings, Fader, and Balance control.

- EQ Settings
- Surround Mode Settings
- Fader/Balance
USB / microSD Card Operations
Insert USB device in the USB slot, and the unit will read the USB device.
microSD operation will work the same way when you insert the microSD card into the unit’s microSD card slot.

- Previous Menu
- Repeat
- Random
- Setup Menu
- File List
- Audio Setting
- Track UP
- Voice Activation
- PIay/Pause
- Screen Dimmer
- Track Down
Tuner Operation

Select the Tuner icon from the Main Menu screen or press MODE until Tuner is selected.
- Current Mode Indicator
- Information Display
- Tune Up
- AS/PS
- Stereo/Mono
- Preset
- Local/DX
- Band
- Tune Down
Bluetooth Operation
Bluetooth Microphone
The built-in microphone is on the front of the receiver.
Preparation
Before you can use a Bluetooth device, it must be paired and connected. Make sure that Bluetooth is activated on your device before you begin the pairing process.
Pairing a New Device
The unit broadcasts the pairing signal constantly when no devices are currently connected. Complete the pairing sequence from your Bluetooth device. Refer to the owner’s manual for your device for more details.
The device name is “CM7MIR”.
The unit can be in any mode of operation when pairing is performed.
Connecting a Paired Device
Most Bluetooth devices support the auto-connect feature and will connect automatically if the device is in range when the unit is powered on. If your device was previously paired but does not connect, enter the Bluetooth setup menu and ensure that Auto Connect is On.

Dialing a Number
Press
display keypad and dial a number.
Making and Ending a Call
Press
to connect a call, and press
on to end a call.
Transferring Audio
Press
to transfer audio between the head unit and mobile phone.
Streaming Audio
Press
to play or pause the music.
Press
to skip to the previous track.
Press
to advance to the next track.
Phone Book
Press
to download the phone numbers or access the call history info.
Voice Activation Operation
Bluetooth should be paired between your smartphone and the receiver. Press and hold the voice activation button
, and the receiver will switch into Bluetooth mode, This will activate Siri® or Google assistant on your smartphone. You will need to manually switch back to the previous or desired mode once this operation is terminated.
USB Screen Mirroring Operation
To set up USB Mirroring capabilities, select USB Mirroring from the main menu and follow the on-screen directions for connecting your Android phone or Apple iPhone. Once completed, the unit will mirror the phone display onto the receiver’s display.
Drong Screen App’s QR Code

- Menu icon
- Home Menu
- Audio Mix On/Off
- Volume Level
- Reconnect Mirroring

- To return to main menu from USB Mirroring mode, touch the screen so that the small square white icon appears on the bottom left corner of the screen. Pressing the icon will display the Home icon, Audio Mix, Main Volume and Reconnect buttons on the top of the display.
- Home Icon — Return to Home Screen.
- Audio Mix Press the Audio Mix to turn this feature on or off. When turned on, the Audio Mix button will turn blue. The Audio Mix feature is used to listen to other sources such as AM/FM radio, microSD or Aux input in the background while mirroring your phone to the screen.
- Main Volume and Mix Volume Level Control Press the Main VOL button to choose what source volume you want to control (Main or Mix Volume). – Main VOL will adjust the volume of the secondary source (AM/FM radio, microSD or Aux input) – Mix VOL will control the volume on the sound coming from your mirrored phone.
- Reconnect Button — Reconnects USB Mirroring if the connection is not working properly or has become disconnected.
Note: Apple and Android operating system updates may cause your receiver to malfunction. This can usually be solved by doing a software/firmware update on the receiver. To see if your receiver has the latest firmware, contact customer service at 1-888-9214088.
(Note: Mirroring Is enabled only when the vehicle Is In the park and the parking brake is engaged)
APP Operation
The Jensen Smart App is the ultimate wireless remote control for your CM7MIR receiver. You can download the Jensen Smart app from the Apple App Store or Google Play Store and install it on your smartphone or tablet.
Please scan the following OR code to download Jensen J-Link P1 App to your smartphone.

One-Year Limited Warranty
This warranty gives you specific legal rights. You may also have other rights which vary from state to state.
Namsung America Inc warrants this product to the original purchaser to be free from defects in material and workmanship for a period of one year from the date of the original purchase.
Namsung America Inc agrees, at our option, during the warranty period, to repair any defect in material or workmanship or to furnish an equally new, renewed or comparable product (whichever is deemed necessary) in exchange without charges, subject to verification of the defect or malfunction and proof of the date of purchase.
Subsequent replacement products are warranted for the balance of the original warranty period.
Who is covered?
This warranty is extended to the original retail purchaser for products purchased from an authorized JENSEN dealer and used in the U.S.A.
What is covered?
This warranty covers all defects in material and workmanship in this product.
The following are not covered: software, installation/removal costs, damage resulting from accident, misuse, abuse, neglect, product modification, improper installation, incorrect line voltage, unauthorized repair or failure to follow instructions supplied with the product, or damage occurring during return shipment of the product.
Specific license conditions and copyright notices for the software can be found via www.jensenmobile.com.
Warranty Coverage
Limited 1-year warranty when purchased from an authorized Jensen dealer.
What to do?
- Before you call for service, check the troubleshooting guide in your owner’s manual. A slight adjustment of any custom controls may save you a service call.
- If you require service during the warranty period, you must carefully pack the product (preferably in the original package) and ship it by prepaid transportation with a copy of the original receipt from the retailer to an authorized service center.
- Please describe your problem in writing and include your name, a return UPS shipping address (P.O. Box not acceptable), and a daytime phone number with your shipment.
- For more information and for the location of the nearest authorized service center please contact us by one of the following methods:
- Call us toll-free at 1-888-921-4088 (Monday-Friday, 9:00 a.m. to 5:00 p.m. EST)
- E-mail us at [email protected]
Exclusion of Certain Damages: This warranty is exclusive and in lieu of any and all other warranties, expressed or implied, including without limitation the implied warranties of merchantability and fitness for a particular purpose and any obligation, liability, right, claim or remedy in contract or tort, whether or not arising from the company’s negligence, actual or imputed. No person or representative is authorized to assume for the company any other liability in connection with the sale of this product. In no event shall the company be liable for indirect, incidental or consequential damages.
FCC Compliance
This device complies with Part 15 of the FCC Rules. Operation is subject to the following two conditions: (1) this device may not cause harmful interference. (2) this device must accept any interference received, including interference that may cause undesired operation.
Warning: Changes or modifications to this unit not expressly approved by the party responsible for compliance could void the user’s authority to operate the equipment.
Note: This equipment has been tested and found to comply with the limits for a Class B digital device, pursuant to Part 15 of the FCC Rules. These limits are designed to provide reasonable protection against harmful interference in a residential installation. This equipment generates, uses and can radiate radio frequency energy and, if not installed and used in accordance with the instructions, may cause harmful interference to radio communications. However, there is no guarantee that interference will not occur in a particular installation. If this equipment does cause harmful interference to radio or television reception, which can be determined by turning the equipment off and on, the user is encouraged to try to correct the interference by one or more of the following measures:
- Reorient or relocate the receiving antenna.
- Increase the separation between the equipment and receiver.
- Connect the equipment into an outlet on a circuit different from that to which the receiver is connected.
- Consult the dealer or an experienced radio/TV technician for help.



















