Multimedia Receiver with Bluetooth and USBMirror

CMM710
Contents hide
QUICK START GUIDE
Multimedia Receiver with Bluetooth and USBMirror featuring a 10.1″ digital TFT LCD
This Quick Start Guide gives you the basics to start using your CMM710.
Please visit www.jensenmobile.com to download a complete owner’s manual or call customer service at 1-888-921-4088 (Monday-Friday, 9AM-5PM EST).
Installation

TYPICAL FRONT-LOAD DIN MOUNTING METHOD
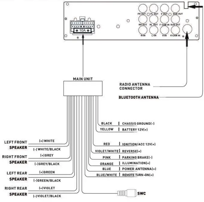
Wiring Diagram – Inputs/Outputs

Control Locations
Remote Control
Tuner Operation
General Operation
Audio Operation
Screen Operation
APP Operation

USBMirror ™ Operation
Bluetooth Operation
One-Year Limited Warranty
FCC Compliance
(Note: Mirroring is enabled only when the vehicle is in park and the parking brake engaged)
Remote Control




























