JENSEN CAR910W Media Receiver with Wireless and Wired CarPlay and Android Auto User Guide
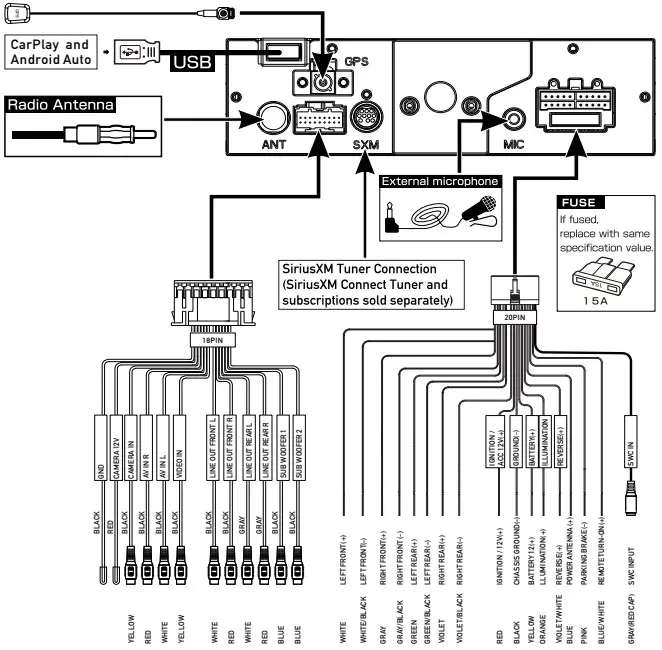
Wiring Diagram – Inputs/Outputs
Note: Works for CarPlay and Android Auto only.
Note:
When replacing a fuse, make sure to use the correct type and amperage. Using an incorrect fuse could cause damage. The unit uses (1) 15 amp ATC mini style fuse located on the power connector.
Wiring Notes:
Subwoofer outputs
The Subwoofer preamp audio outputs (Blue jacket with Black RCA) is active in all audio modes.
Rear camera input
A rear view camera (not included) can be used with the Camera input.
SiriusXM
For more information on how to install the SiriusXM Connect Vehicle tuner, consult the installation guide included with the tuner(SiriusXM connect tuner and subscription sold separely).
Installation
Before You Start
- Disconnect negative battery terminal. Consult a qualified technician for instructions.
- Avoid installing the unit where it would be subject to high temperatures, such as from direct sunlight, or where it would be subject to dust, dirt or excessive vibration.
See the enclosed installation guide for more details.
Control Locations
The radio display features the following functions and displays:
- Voice Activation Button
- SOURCE/HOME
- Power/Volume/Mute
- Previous Button
- Next Button
- RESET / USB Port

In main menu, press the desired icon to enter the corresponding mode: Radio/USB/SiriusXM/BT Phone/ Android Auto/Apple CarPlay/BT Audio/AV In/Equalizer/Settings.
Tuner Operation
- Main Menu
- Current Mode Indicator
- Preset Stations
- Local/Distance
- AS/PS
- Keypad
- EQ
- Seek Tune Up
- Seek Tune Down
- AM
- FM

Audio Operation
Press the Settings icon on the main menu screen to adjust Fader and Balance controls, Equalizer (8-Band Tone Control and 8 Presets EQ Settings).
USB Operation
From the main menu, touch the USB icon on the main screen.
- Main Menu
- Current Mode Indicator
- List
- Repeat
- Random
- Search
- EQ
- Track Up
- Play/Pause
- Track Down

Note: Video playback is enabled only when the vehicle is in park and the parking brake engaged.
SiriusXM® Satellite Radio Operation
From the main menu, touch the SXM icon on the main screen.
- Main Menu
- Band
- Current Mode Indicator
- Program Information
- Search
- Preset Channel List
- Additional Options
- Preset Buttons
- Direct
- Channel Down
- Channel Up
- Tune / Track Down
- Play / Pause
- Tune / Track Up

General Operation
From the Main Menu screen, select Setup to access the Settings menu and select from categories represented by the icons on the right of the screen: General, Audio, Display, Others. Select the category, and adjust any of the available options using the touch screen.
Sync GPS Time: Synchronizes the clock time with the GPS.
Manual: Turn off GPS synchronizes and you can set the time manually.
Time Zone: Select the time zone
Wired & Wireless CarPlay Operation

Wired connection
- Connect an Apple CarPlay compatible device to this unit via USB.
- Press the Apple CarPlay icon. The Apple CarPlay home screen appears.
Wireless connection
Before using Apple CarPlay wirelessly, turn on the Bluetooth/Wifi function on the Phone.
- Press
icon on the main menu; - Press “
” to confirm to use wireless CarPlay; - Press “
”icon to search phone device. The available devices appear on the list; - Find the desired device on the screen and press “Pair”;
- A pass key will be displayed on the screen;
- The same key appears on the iPhone, press “Pair” and then press “Allow” for\ the popups;
- Press “
” on the screen to confirm to connect; - Press “Use CarPlay” on the iPhone. The unit configures the connection then starts the application.
Tip: Press ”
” icon. Displays CarPlay device list. This icon appears Only When CarPlay is connected and two or more devices can be used as CarPlay Source.
Wired & Wireless Android Auto™ Operation

Wired connection
- Connect an Android Auto™ compatible device to this unit via USB.
- Press the Android Auto icon.
The Android Auto home screen appears.
Wireless connection
Before using Android Auto wirelessly, turn on the Bluetooth/Wifi function on the Android device
- Press
icon on the main menu; - Press ”
” to confirm to use wireless Android Auto; - Press “
”icon to search phone device. The available devices appear on the list; - Find the desired device on the screen and press “Pair”;
- A pass key will be displayed on the screen;
- The same key appears on the Android device, press “Pair” and then press “Allow” for the popups;
- Press “
” on the screen to confirm to connect;
The unit configures the connection then starts the application.
Tip: Press “
” icon. Displays Android Auto device list. This icon appears Only When Android Auto is connected and two or more devices can be used as Android Auto Source.
Bluetooth Operation
Before using Bluetooth
Before you can use a Bluetooth device to make hands-free calls or stream audio. it must be authenticated. This is also referred to as “pairing” a device.
Pairing a New Device
The unit broadcasts the pairing signal constantly when no devices are currently connected. Complete the pairing sequence from your Bluetooth device. Refer to the owner’s manual for your device for more details. The device name is “CAR910W”. The unit can be in any mode of operation when pairing is performed. On certain phones, pairing may need to be done more than once.
Connect
The head unit will automatically connect to the last connected device when the connect feature is set to Auto connect On. If the connect feature is set to Auto Connect Off, the head unit will not automatically connect to any device.
Bluetooth Phone
From the main menu. touch the Bluetooth on the screen. Bluetooth icon will appear anytime a Bluetooth device is connected.
Dialing a Number
Press
to display keypad and dial a number.
Making and Ending a Call
Press
to connect a call, and press
to end a call.
Transferring Audio
Press
– to transfer andio between the head unit and mobile phone.
Streaming Audio
Press
to play or pause the music.
Press
to skip to the previous track.
Press
to advance to the next track.
Limited One Year (Or Three Year*) Warranty
This warranty gives you specific legal rights. You may also have other rights which vary from state to state.
Namsung America Inc warrants this product to the original purchaser to be free from defects in material and workmanship for a period of one year (or three years*) from the date of the original purchase.
Namsung America Inc agrees, at our option, during the warranty period, to repair any defect in material or workmanship or to furnish an equal new, renewed or comparable product (whichever is deemed necessary) in exchange without charges, subject to verification of the defect or malfunction and proof of the date of purchase. Subsequent replacement products are warranted for the balance of the original warranty period.
Who is covered? This warranty is extended to the original retail purchaser for products purchased from an authorized JENSEN dealer and used in the U.S.A.
What is covered? This warranty covers all defects in material and workmanship in this product. The following are not covered: software, installation/removal costs, damage resulting from accident, misuse, abuse, neglect, product modification, improper installation, incorrect line voltage, unauthorized repair or failure to follow instructions supplied with the product, or damage occurring during return shipment of the product. Specific license conditions and copyright notices for the software can be found via www.jensenmobile.com.
Warranty Coverage
Limited 1-year warranty when purchased from an authorized Jensen dealer.
or
*Limited 3-year warranty when purchased from and professionally installed by an authorized Jensen dealer. (Proof of purchase and Installation required)
What to do?
- Before you call for service, check the troubleshooting guide in your owner’s manual. A slight adjustment of any custom controls may save you a service call.
- If you require service during the warranty period, you must carefully pack the product (preferably in the original package) and ship it by prepaid transportation with a copy of the original receipt from the retailer to an authorized service center.
- Please describe your problem in writing and include your name, a return UPS shipping address (P.O. Box not acceptable), and a daytime phone number with your shipment.
- For more information and for the location of the nearest authorized service center please contact us by one of the following methods:
- Call us toll-free at (888) 921-4088 (Monday-Friday, 9:00 a.m,to 5:00 p.m,EST)
- E-mail us at c[email protected]
Exclusion of Certain Damages: This warranty is exclusive and in lieu of any and all other warranties, expressed or implied, including without limitation the implied warranties of merchantability and fitness for a particular purpose and any obligation, liability, right, claim or remedy in contract or tort, whether or not arising from the company’s negligence, actual or imputed. No person or representative is authorized to assume for the company any other liability in connection with the sale of this product. In no event shall the company be liable for indirect, incidental or consequential damages.
FCC Compliance
This device complies with Part 15 of the FCC Rules. Operation is subject to the following two conditions:
- this device may not cause harmful interference, and
- this device must accept any interference received, including interference that may cause undesired operation.
Warning: Changes or modifications to this unit not expressly approved by the party responsible for compliance could void the user’s authority to operate the equipment.
Note: This equipment has been tested and found to comply with the limits for a Class B digital device, pursuant to Part 15 of the FCC Rules. These limits are designed to provide reasonable protection against harmful interference in a residential installation. This equipment generates, uses and can radiate radio frequency energy and, if not installed and used in accordance with the instructions, may cause harmful interference to radio communications. However, there is no guarantee that interference will not occur in a particular installation. If this equipment does cause harmful interference to radio or television reception, which can be determined by turning the equipment off and on, the user is encouraged to try to correct the interference by one or more of the following measures:
- Reorient or relocate the receiving antenna.
- Increase the separation between the equipment and receiver.
- Connect the equipment into an outlet on a circuit different from that to which the receiver is connected.
- Consult the dealer or an experienced radio/TV technician for help
www.jensenmobile.com
©2023 Namsung America Inc. All rights reserved.
NSC0323-V01
This Quick Start Guide gives you the basics to start using your CAR910W. Please visit https://www.jensenmobile.com. to download a complete owner’s manual or call customer service at 1-888-921-4088 (Monday-Friday, 9AM-5PM EST).
![]()























