JENSEN CMR682 Multimedia Receiver with Bluetooth Featuring a 6.8-Inch Digital Touch Screen TFT

Safety Information
Please read all instructions carefully before attempting to install or operate.
Due to its technical nature, it is highly recommended that your Jensen CMR682 is installed by a professional installer or an authorized dealer. This product is only for use in vehicles with 12VDC negative ground only.
To prevent damage or injury:
- Make sure to ground the unit securely to the vehicle chassis ground.
- Do not remove the top or bottom covers of the unit.
- Do not install the unit in a spot exposed to direct sunlight or excessive heat or the possibility of water splashing.
- Do not subject the unit to excessive shock.
- When replacing a fuse, only use a new one with the prescribed rating. Using a fuse with the wrong rating may cause the unit to malfunction.
- To prevent short circuits when replacing a fuse, disconnect the wiring harness first.
- Use only the provided hardware and wire harness.
- You cannot view video while the vehicle is moving. Find a safe place to park and engage the parking brake.
- If you experience problems during installation, consult your nearest Jensen dealer.
- If the unit malfunctions, reset the unit as described on page 10 first. If the problem still persists, consult your nearest Jensen dealer or call tech assistance at 888-921-4088.
- To clean the monitor, wipe only with a dry silicone cloth or soft cloth. Do not use a stiff cloth, or volatile solvents such as paint thinner and alcohol. They can scratch the surface of the panel and/or remove the printing.
- When the temperature of the unit falls (as in winter), the liquid crystal inside the screen will become darker than usual. Normal brightness will return after using the monitor for a while.
- When extending the ignition, battery or ground cables, make sure to use automotive-grade cables or other cables with an area of 0.75mm (AWG 18) or more to prevent voltage drops.
- Do not touch the liquid crystal fluid if the LCD is damaged or broken. The liquid crystal fluid may be hazardous to your health or fatal. If the liquid crystal fluid from the LCD contacts your body or clothing, wash it off with soap immediately.
FCC Compliance
This device complies with Part 15 of the FCC Rules. Operation is subject to the following two conditions:
- This device may not cause harmful interference, and
- This device must accept any interference received, including interference that may cause undesired operation.
Warning: Changes or modifications to this unit not expressly approved by the party responsible for compliance could void the user’s authority to operate the equipment.
Note: This equipment has been tested and found to comply with the limits for a Class B digital device, pursuant to Part 15 of the FCC Rules. These limits are designed to provide reasonable protection against harmful interference in a residential installation. This equipment generates, uses and can radiate radio frequency energy and, if not installed and used in accordance with the instructions, may cause harmful interference to radio communications. However, there is no guarantee that interference will not occur in a particular installation. If this equipment does cause harmful interference to radio or television reception, which can be determined by turning the equipment off and on, the user is encouraged to try to correct the interference by one or more of the following measures:
- Reorient or relocate the receiving antenna.
- Increase the separation between the equipment and receiver.
- Connect the equipment into an outlet on a circuit different from that to which the receiver is connected.
- Consult the dealer or an experienced radio/TV technician for help.
Preparation
Before You Start
- Disconnect negative battery terminal. Consult a qualified technician for instructions.
- Avoid installing the unit where it would be subject to high temperatures, such as from direct sunlight, or where it would be subject to dust, dirt or excessive vibration.
Getting Started
- Remove trim ring from unit.
- Remove 2 transit screws located on top of the unit.
- Connect wiring harness as shown on page 4. Consult a qualified technician if you are unsure.
- Certain vehicles may require an installation kit and/or wiring harness adapter (sold separately).
- Reconnect negative battery terminal, and test for correct operation.
- Snap trim ring into place (if required).

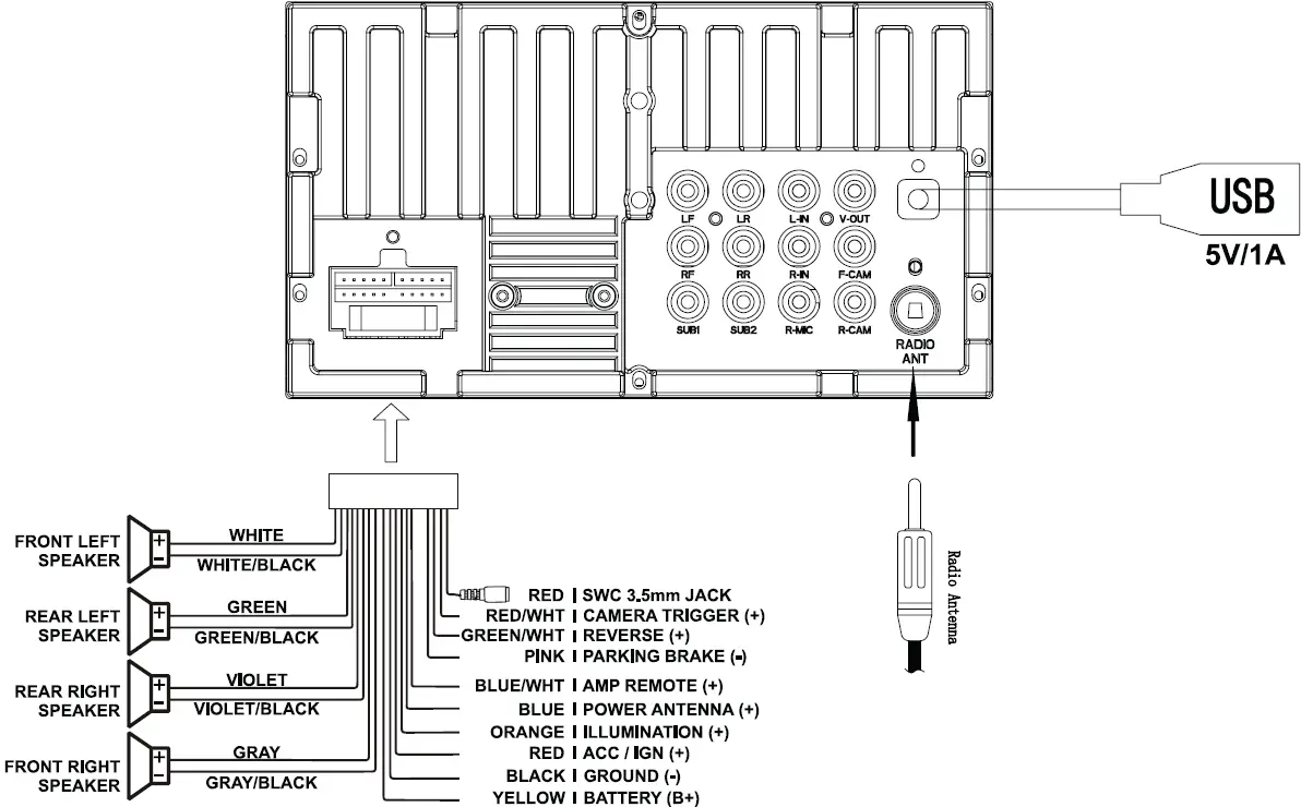
Wiring Diagram – Inputs/Outputs

Note:
When replacing a fuse, make sure to use the correct type and amperage. Using an incorrect fuse could cause damage. The unit uses (1) 10 amp ATC mini style fuse located on the power connector.
Wiring Notes:
Rear camera input
A rear view camera (not included) can be used with the Camera input.
Control Locations

- Power / Source Mode
- Volume Up
- Mute
- Volume Down
- Home
- micro SD Media Port
- BT Microphone
- Reset
- Touch Screen Display
Remove Battery Shipping Protector

How to Replace the Battery

Slide the tray out on back of the remote control and insert battery with the (+) and minus (-) poles pointing in the proper direction
- Power
- Play/Pause
- Seek Up / Next Track
- Volume Down
- Enter
- Dial 2
- Dial 3
- Dial 5
- Dial 6
- Dial 8
- Dial 9 #
- Dial 0 +
- Keypad Backspace
- Answer Call / End Call
- Dial 7 *
- Dial 4
- Dial 1
- Mute
- Seek Down / Previous Track
- Source Mode
- Volume Up
General Operation
- Power On/Off
Momentarily press power button to turn the unit on. Press and hold to turn the unit off. - Mode
Press power button to step through all available input modes: Radio, microSD Card, USB, Bluetooth Phone, Bluetooth Music, Auxiliary Input, Rear Camera and Settings. Modes of operation are indicated on the display and/or the monitor. Optional USB device and microSD card must be connected/inserted to appear in the mode selection string. - Volume
Rotate the volume knob to increase or decrease the volume level. - Mute
Momentarily press the volume knob to silence the audio. Momentarily press the volume knob again to return to the previously selected volume. Rotating the volume knob while the volume is muted will also cancel the mute function. - Auxiliary Input
Connect external audio/video devices to the RCA auxiliary input on the rear panel. - USB Input
Insert a USB device to play MP3 audio files or view XviD or MP4 video files or JPG photos. - microSD Card
Insert an microSD card into the microSD slot to play MP3 audio files or view XviD or MP4 video files or JPG photos. - Main Menu
Press the Top Left Source icon to enter Main Source Menu.
- Reset
To resolve abnormal operation or if the unit is inoperable, use the tip of a pen to press the RESET button, which is located on the front of the radio. The unit will reset the main processor to the default settings. - Setup Menu
From the Main Menu, press the gear icon to access the Setup menu and adjust the following: General, Clock, Audio, Bluetooth, Display and About.
- General:
- System Language – Select English or Spanish.
- Tuner Region – Select between America, Europe or Latin America.
- Beep – Turn the audible beep on or off.
- Rear Camera Delay – Select 1 second, 2 seconds, 3 seconds of Off.
- Reverse Trigger – Enable or disable this feature.
- Clock:
- Mode – Select 12 Hour or 24 Hour clock settings.
- Hour – Adjust the hours for time setting.
- Minute – Adjust the minutes for time setting.
- AM/PM – Adjust the AM/PM setting.
- Audio:
- Camera Audio – Turn audio from the rear camera on or off.
- Audio Level – Select preset audio levels for the following modes: Tuner, USB, microSD Card and Handsfree.
- Bluetooth:
- Bluetooth – Turn Bluetooth signal on or off.
- Auto Connect – Turn auto connect feature on or off.
- Auto Answer – Turn auto answer feature on or off.
- PIN – Displays the Bluetooth PIN code.
- Name – Displays the Bluetooth device name.
- Display:
- Illumination Trigger – Turn illumination trigger on or off.
- Brightness Day – Adjust 1-10.
- Gamma Day – Adjust -4 to 4.
- Panel Angle – Adjust the angle of the LED panel (1-4).
- LED RGB – Adjust color of LED lights (or set to automatic).
- Wallpaper – Select a wallpaper for the LED display.
- About:
- Screen Calibration – Press to calibrate the touch screen.
- Version – Press to display the version number.
- System Reset – Press to restore unit to factory settings.
- EULA – ??? Need more info
- General:
- Audio Settings Equalizer
From any screen, press the Audio button in the lower right corner.
Adjust the EQ screen to select EQ settings for the current source. The unit had source tone memory, meaning that it will remember the selected EQ settings for each source.
- Adjust the volume level for the current source.
- Displays the EQ Settings for the current source.
- Turns the EQ function on or off.
- Turns the Loudness function on or off.
- Press to reset to the default EQ settings.
- Press to return to the source screen.
- Select a preset EQ setting, or select User for custom settings.
- Press to display and adjust Balance / Fader screen.
- Balance / Fader
Adjust the Balance / Fader screen to select Balance, Fader and Subwoofer settings. These controls do not have source tone memory.
- Adjust the volume level of the unit.
- Adjust the Fader and Balance settings to distribute audio as desired front to back and left to right.
- Press to reset Balance and Fader to default settings.
- Turn the subwoofer on or off.
- Press to return to the source screen.
- Return to EQ control screens
AM/FM Tuner Operation

- Radio Operation
Select the Radio icon from the Main Menu screen. - Main Menu 1
Press to return to Main Menu screen. - Preset Stations 2
Press to recall any preset station stored in the current band. To save presets, tune the radio to desired station, then press and hold the desired preset button to save the station. - AM 3
Press to step through AM1 and AM2 band options. - FM 4
Press to step through FM1, FM2 and FM3 band options. - Bluetooth 5
Press to access Bluetooth mode when a Bluetooth device is paired. - Stereo / Mono 6
Press to toggle between Stereo and Mono tuning. - AS/PS 7
Press to scan presets and listen to the first 10 seconds of each. Press again to stop scanning and listen to the station. Press and hold to automatically find and store the strongest stations as presets - Direct Entry 8
Press to directly enter the desired station number using a keypad. - Station Search 9
Press to search for the next strong station in the current band. - Audio Settings 10
Press to access and adjust audio settings.

- Tune Station Down 11
Press << momentarily to seek a lower frequency. Press and hold << to enter manual tuning mode, then press << again to tune the unit down one step at a time. - Current Station 12
Displays the current station. - Tune Station Up 13
Press >> momentarily to seek a higher frequency. Press and hold >> to enter manual tuning mode, then press >> again to tune the unit up one step at a time. - Information Display 14
Displays information about the current song. - Station RDS RT Information 15
Displays Station RDS RT information. - Quick Band Select 16
Press to step through and select between 2 AM and 3 FM bands. - Radio RDS Setup Menu 17
Press to display and adjust Radio RDS settings. - Standby Mode 18
Press the clock to put the unit in standby mode. Press the clock again to return to the source screen. - Local / Distance 19
Press to toggle between local and distance tuning.
USB/microSD Card Operation

- USB/microSD Operation
To play audio files from a USB device or microSD card, insert device and playback will begin automatically. To return to USB or microSD card playback from another mode of operation, select the corresponding icon from the Main Menu. - Main Menu 1
Press to return to Main Menu screen. - Bluetooth Music 2
Press to directly access media on Bluetooth Music. - USB 3
Press to directly access music on USB device. - microSD Card 4
Press to directly access music on microSD Card. - Bluetooth 5
Press to access Bluetooth when a Bluetooth device is paired. - Random 6
Press to play all tracks in random order. - Repeat 7
Press to step through the following repeat options: Repeat 1, Repeat All or Repeat Off. - Direct Entry 8
Press to enter desired station number using a keypad. - File/Folder List 9
Press to display all files and folder on the current drive. - Audio Settings 10
Press to access and adjust audio settings. - Tune/Track Down 11
Press << momentarily to return to the previous track. - Play / Pause 12
Press to pause or resume playback.

- Tune/Track Up 13
Press to advance to the next track. - Elapsed Time 14
Displays the total and elapsed time for the current track. - File Information 15
Displays ID3 metadata for the current track. - File Album Art 16
Displays album art for the current track. - Track Counter 17
Displays track count for current folder. - Standby Mode 18
Press the clock to put the unit in standby mode. Press the clock again to return to the source screen.
Media Compatibility – USB/microSD Card
File Type | MP3 | ||
File System | FAT | FAT 12 | X |
FAT 16/FAT 32 | ✓ | ||
File Extension | .mp3/.MP3/.Mp3/.mP3 | ✓ | |
| .rmp/.m4a | X | ||
MPEG Format | MPEG 1 | ✓ | |
| MPEG 2 | ✓ | ||
MPEG 2.5 | ✓ | ||
| Sampling Frequency | MPEG 1 | 32/44.1/48kHz | |
MPEG 2 | 12/16/22.05/24kHz | ||
| MPEG 2.5 | 8/11.025/12kHz | ||
Bitrate | MPEG 1 | 32 ~ 320kbps | |
| MPEG 2 | 8 ~ 160kbps | ||
MPEG 2.5 | 8 ~ 160kbps | ||
Other Information | Directory Depth | Unlimited | |
| File Name Length | 32 bytes | ||
Total File Number | 2000 files | ||
| Total Folder Number | 200 folders | ||
| File Number via Folder | 2000 files | ||
MP3 ID3 TAG | ver.1.x | ✓ | |
| ver.2.x | ✓ | ||
Title, Artist, Album | ✓ | ||
Notes:
- For USB mode, it is not possible to view JPG files on the in-dash monitor while the vehicle is moving. This is a safety feature to prevent driver distraction.
- The JPG image viewer function will only operate when vehicle is in park and the parking brake is engaged.
- Due to ongoing technological advancement, some USB flash drives and/or microSD cards may be incompatible with this unit.
- Media Compatibility
The following types of files are not compatible:- MP3 PRO format, MP3 playlists
- RMP format
- WAV format
- WMV format
- AAC, protected AAC, M4A format
- Playback Order
MP3 playback sequence begins in the root folder of the USB flash drive or microSD card. Any folders that do not include MP3/JPG files are skipped. - Compatible Recording Formats
ISO9660 standards:- Maximum nested folder depth is 8 (including the root folder).
- Valid characters for folder/file names are letters A-Z (all caps), numbers 0- 9, and “_” (underscore). Some characters may not be displayed correctly, depending on the character type.
- Notes
Some files may not play, depending on sampling rates and bit rates. For best results, use the following settings when ripping MP3 files: 128kbps or higher constant bit rate; 44.1kHz or higher sampling frequency
Bluetooth Operation

- Preparation
Before you can use a Bluetooth device, it must be paired and connected. Make sure that Bluetooth is activated on your device before you begin the pairing process. - Pairing a New Device
The unit broadcasts the pairing signal constantly when no devices are currently connected. Complete the pairing sequence from your Bluetooth device. Refer to the owner’s manual for your device
for more details. The device name is “JENSENBT”. The Bluetooth passcode is “0000”. The unit can be in any mode of operation when pairing is performed. On certain phones, pairing may need to be done more than once. - Connecting a Paired Device
Most Bluetooth devices support the auto-connect feature and will connect automatically if the device is in range when the unit is powered-on. If your device was previously paired but does not connect, enter the Bluetooth setup menu and turn Auto Connect on. - Bluetooth Phone
To access the phone, select Bluetooth Phone from the Main Menu or press the phone icon from any operational mode. - Main Menu 1
Press to return to the Main Menu screen. - Phone Keypad 2
Use the phone keypad to dial the desired phone number. Alternately, numbers can be dialed directly from the phone. - Exit Bluetooth 3
Press to exit Bluetooth and return to the previous mode of operation. - Keypad 4
Press to display the keypad and dial a number. - Contacts 5
Press to display contacts. Use the up/down arrows to scroll, and press the contact name to dial. - Backspace 6
Press to backspace when using the keypad. - Recent Call List 7
Press to view a list of recent calls. Press any number to dial.

- Device Manager 8
Press to display a list of paired devices, and select desired device to connect. - Dial Keypad 9
Press to begin or answer a call. - Current Number 10
Displays the current phone number - Standby Mode 11
Press the clock to put the unit in standby mode. Press the clock again to return to the source screen. - End Call 12
Press to end a call. - Transfer Audio 13
Transfer audio between the head unit and the phone. - Mute 14
Mute call audio. - Keypad 15
Display the keypad.
Rear RCA Aux Input
- Auxiliary Input
Connect an optional audio source into the rear RCA input.
Select AUX IN from the Main Menu to listen to audio.
Adjust volume on the external audio source as needed (if connected to the headphone output of the device).
Front/Rear Cameras – (Optional)
- Using Rear Camera
Connect an optional rear camera to the Rear Camera inputs (Yellow RCA connector for video and Black RCA connector for audio). Refer to the wiring diagram for details.
Manual selection – Touch the REAR CAMERA icon from the Main Menu or from any operational mode (when enabled) to select camera mode. Touch the top left area on the screen to exit camera mode.
Note: The manual mode is for dedicated cameras that are ALWAYS on while driving, it is not meant for cameras that are connected to the vehicle’s reverse light. - Auto Selection
The unit will automatically select camera mode when connected to the reverse lamp circuitry.
Note: The external video output is not active when using the rear camera input. - Using Front Camera
Connect an optional front camera to the Front Camera inputs (Yellow RCA connector for video; there is no audio connection for a front camera. Refer to the wiring diagram for details.
Specifications
- FM Tuner
- Tuning range: 87.5MHz-107.9MHz
- Usable sensitivity: 10dBf
- 50dB quieting sensitivity: 20dBf
- Stereo separation @ 1kHz: 38dB
- Frequency response: 30Hz-13kHz
- AM Tuner
- Tuning range: 530kHz-1710kHz
- Usable sensitivity: 24uV
- Frequency response: 30Hz-2.3kHz
- Front USB
- Compatibility: High Speed USB 2.0
- USB Class: Mass storage class
- microSD
- Compatibility: microSD memory card & microSDHC memory card
- Monitor
- Panel size: 7″ diagonal measurement
- View angle (up/down/left/right): 50/70/70/70
- Resolution: 800 (H) x 480 (V)
- Brightness (cd/m2): 250
- Contrast ratio: 500:1
- Pixels: 1,152,000
- General
- Speaker output impedance: 4 ohms
- Line output voltage: 4 volt RMS
- Line output impedance: 200 ohms
- Chassis dimensions: 7″ x 7″ x 4″ (W x D x H)
- Design and specifications subject to change without notice.
CEA-2006 Power Standard Specifications
(reference: 14.4VDC +/- 0.2V, 20Hz~20kHz)
Power Output: 16 Watts RMS x 4 channels at 4 ohms and < 1% THD+N
Signal to Noise Ratio: 80dBA (reference: 1 watt into 4 ohms)
Limited One Year Warranty
This warranty gives you specific legal rights. You may also have other rights which vary from state to state.
Namsung America Inc. warrants this product to the original purchaser to be free from defects in material and workmanship for a period of one year from the date of the original purchase.
Namsung America Inc. agrees, at our option, during the warranty period, to repair any defect in material or workmanship or to furnish an equal new, renewed or comparable product (whichever is deemed necessary) in exchange without charges, subject to verification of the defect or malfunction and proof of the date of purchase. Subsequent replacement products are warranted for the balance of the original warranty period.
Who is covered? This warranty is extended to the original retail purchaser for products purchased from an authorized Jensen dealer and used in the U.S.A.
What is covered? This warranty covers all defects in material and workmanship in this product. The following are not covered: software, installation/removal costs, damage resulting from accident, misuse, abuse, neglect, product modification, improper installation, incorrect line voltage, unauthorized repair or failure to follow instructions supplied with the product, or damage occurring during return shipment of the product. Specific license conditions and copyright notices for the software can be found via www.jensenmobile.com.
What to do?
- Before you call for service, check the troubleshooting guide in your owner’s manual. A slight adjustment of any custom controls may save you a service call.
- If you require service during the warranty period, you must carefully pack the product (preferably in the original package) and ship it by prepaid transportation with a copy of the original receipt from the retailer to an authorized service center.
- Please describe your problem in writing and include your name, a return UPS shipping address (P.O. Box not acceptable), and a daytime phone number with your shipment.
- For more information and for the location of the nearest authorized service center please contact us by one of the following methods:
- Call: 888-921-4088
- Email: [email protected]
Exclusion of Certain Damages: This warranty is exclusive and in lieu of any and all other warranties, expressed or implied, including without limitation the implied warranties of merchantability and fitness for a particular purpose and any obligation, liability, right, claim or remedy in contract or tort, whether or not arising from the company’s negligence, actual or imputed. No person or representative is authorized to assume for the company any other liability in connection with the sale of this product. In no event shall the company be liable for indirect, incidental or consequential damages.
Troubleshooting
General
Problem | Cause | Action |
| Unit will not turn on (no power) | Yellow wire not connected or incorrect voltage Red wire not connected or incorrect voltage | Check connections for proper voltage (11~16VDC) |
| Black wire not connected | Check connection to ground | |
| Fuse blown | Replace fuse(s) | |
| Unit has power (but no sound) | Speaker wires not connected | Check connections at speakers |
| One or more speaker wires touching each other or touching chassis ground | Insulate all bare speaker wires from each other and chassis ground | |
| Unit blows fuse(s) | Yellow or red wire touching chassis ground | Check for pinched wire |
| Speaker wires touching chassis ground | Check for pinched wire | |
| Incorrect fuse rating | Use fuses with correct rating | |
| Unit has audio (but no video) | Parking brake safety circuit not connected Parking brake not applied | Check connections at parking brake Apply parking brake as described on page 26 |
| No video display (when in reverse) | Reverse circuit not connected Vehicle is not in reverse | Check connections at reverse lamp Select reverse gear |
| IR remote does not work | Dead battery | Replace battery |
Dual Electronics Corp.
Toll Free: 888-921-4088
www.jensenmobile.com
©2019 Namsung America Inc. All rights reserved.
The Bluetooth® word mark and logos are owned by the Bluetooth SIG, Inc. Other trademarks and trade names are those of their respective owners.
NSA1019-V01
























