JENSEN CMM7720 Media Receiver Quick Start Guide

Media Receiver with USB Mirroring and Bluetooth featuring a 7″ Touch Screen Display
This Quick Start Guide gives you the basics to start using your CMM7720. Please visit www.jensenmobile.com to download a complete owner’s manual or call customer service at 1-888-921-4088 (Monday-Friday, 9AM-5PM EST).
![]()
Installation

TYPICAL FRONT-LOAD DIN MOUNTING METHOD
Copyright and Trademark
Notes The Bluetooth® word mark and logos are registered trademarks owned by Bluetooth SIG, Inc.
The microSD logo is trademark of SD-3C LLC.
Siri and Apple are registered trademarks owned by Apple Inc.
Google Assistant and Android are trademarks owned by Google LLC.
Other trademarks and trade names are those of their respective owners.
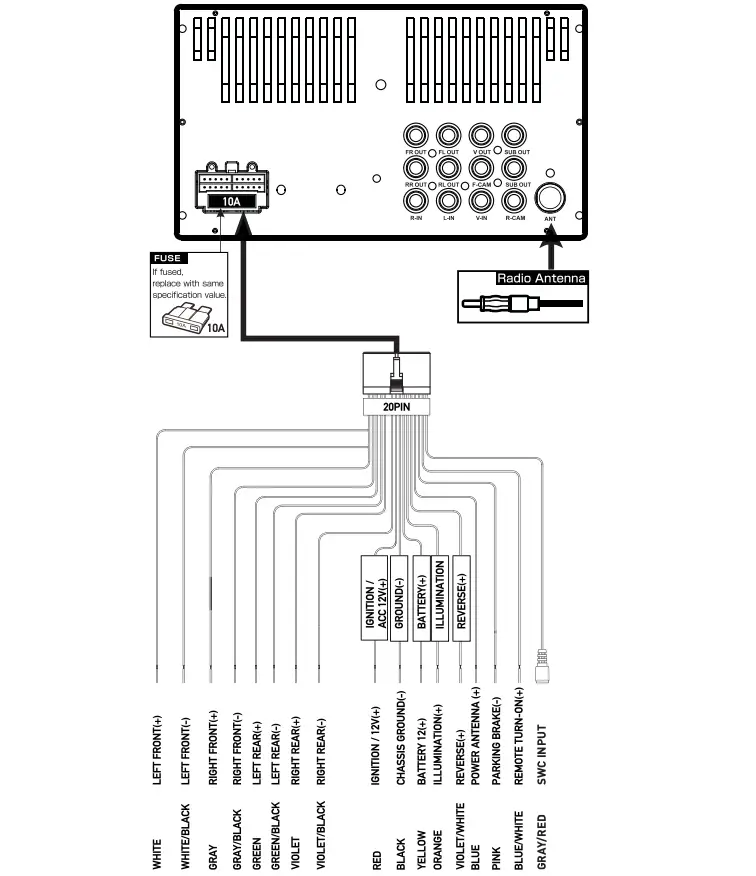
Wiring Diagram – Inputs/Outputs

Control Locations

- MIC
- Short Press- Mode change, Long Press- Voice Trigger
- Tune/Track Up
- Volume/Power/Mute
- Tune/Track Down
- miroSD card slot
- Reset
- AUX
- USB port
In the Menu mode, press the desired icon to enter the corresponding mode:
Radio, USB Screen Mirroring, BT Phone, USB, microSD Card, BT Audio, Aux In, AV In, Camera, Settings.

General Operation
Press the function icons to select the setup menu.

Audio Operation
Press Sound Effect icon in the Settings menu to select EQ Presets, 7-Band Tone Control, Fader and Balance controls.
- EQ Settings
- Surround Mode Settings
- Fader/Balance

USB/microSD Card Operations
Insert USB device in the USB slot, and the unit will read the USB device.
microSD operation will work the same way when you insert the microSD card into unit’s microSD card slot.
- Previous Menu
- Repeat
- Random
- Setup Menu
- File List
- Navi hot button
- Track UP
- Audio Setting
- Voice Activation
- Play/Pause
- Screen Dimmer
- Track Down

Tuner Operation
Select the Tuner icon from the Main Menu screen or press MODE until Tuner is selected.
- Current Mode Indicator
- Information Display
- Tune Up
- AS/PS
- Stereo/Mono
- Preset
- Local/DX
- Band
- Tune Down

Bluetooth Operation
Bluetooth Microphone
The microphone is built-in to the receiver.
Pairing and Connecting
Before using Bluetooth functions, you must pair your mobile phone to the receiver. The device name is “JENSEN CMM7720”.
To ensure the best reception for pairing and re-connection, please make sure the mobile phone battery is fully charged before you begin.
- Try to perform pairing within a few minutes of the mobile phone being turned on.
- Once the unit has been paired with the mobile phone, the unit’s model number, “CMM7720”, will be displayed on the mobile phone.
- To achieve the best performance, always keep the mobile phone within 10 feet (3 meters) of the unit.
- Always keep a clear path between the mobile phone and the unit. Never place a metal object or any other obstacle between the mobile phone and the unit.
- Some mobile phones may have a “Power Saving Mode” option. PLEASE DO NOT use the power saving mode with the CMM7720.
- Before accepting or making a call, make sure your mobile phone’s “Bluetooth function” is turned on.
- To ensure the best conversation quality/performance, stay within 3 feet (1 meter) of the unit’s microphone when talking.
Dialing a Number
Press
to display keypad and dial a number.
Making and Ending a Call
Press
to connect a call, and press
to end a call.
Transferring Audio
Press
transfer audio between the head unit and mobile phone.
Streaming Audio
Press
to play or pause the music.
Press
to skip to the previous track.
Press
to advance to the next track.
Voice Activation Operation
Bluetooth should be paired between your smartphone and the receiver. Press the voice activation button
, and the receiver will switch into Bluetooth mode, This will activate Siri® or Google Assistant™ on your smartphone. You will need to manually switch back to the previous or desired mode once this operation is terminated.
Activation of Jensen Smart App should not be closed, but open on your smartphone for this operation. Touching
will guide you instant access to your favorite navigation App on your smartphone. Please refer to the complete manual on https://www.jensenmobile.com/user-manuals.html
USB Screen Mirroring Operation
Refer to the Owner’s Manual for details.
Note:
Operating system updates from Apple and Android may cause issues with your receiver not to function properly. This can usually be fixed by doing a software/firmware update to the receiver itself. To see if your receiver has the latest firmware, contact customer service at 1-888-921-4088 to see if your radio needs an update.
APP Operation
The Jensen Smart App is the ultimate wireless remote control for your CMM7720 receiver. You can download the Jensen Smart app from the Apple App Store or Google Play Store and install it on your smartphone or tablet.
Please scan the following QR code to download Jensen J-Link P1 App to your smart phone.

FCC Compliance
This device complies with Part 15 of the FCC Rules. Operation is subject to the following two conditions:
(1) this device may not cause harmful interference.
(2) this device must accept any interference received, including interference that may cause undesired operation.
Warning: Changes or modifications to this unit not expressly approved by the party responsible for compliance could void the user’s authority to operate the equipment.
Note: This equipment has been tested and found to comply with the limits for a Class B digital device, pursuant to Part 15 of the FCC Rules. These limits are designed to provide reasonable protection against harmful interference in a residential installation. This equipment generates, uses and can radiate radio frequency energy and, if not installed and used in accordance with the instructions, may cause harmful interference to radio communications.
However, there is no guarantee that interference will not occur in a particular installation. If this equipment does cause harmful interference to radio or television reception, which can be determined by turning the equipment off and on, the user is encouraged to try to correct the interference by one or more of the following measures:
- Reorient or relocate the receiving antenna.
- Increase the separation between the equipment and receiver.
- Connect the equipment into an outlet on a circuit different from that to which the receiver is connected.
- Consult the dealer or an experienced radio/TV technician for help.
Customer Service Toll Free: 1-888-921-4088
www.jensenmobile.com
©2020 Namsung America Inc.
NSC0120-V01



















