
Read and understand this manual and all safety signs before using this appliance. Keep this manual for future reference.
DESCRIPTION
4-channel push button interface
USE AND CONFIGURATION
Push button interface for connecting up to 4 push buttons (with optional feedback LEDs) to the Velbus home automation system. Configure using the Velbus configuration software VelbusLink. (See installation guides on www.velbus.eu.)
Both LEDs with common anode and with a common cathode can be connected (configurable in VelbusLink). Connection of LED connectors (optional): see fig. 2.Advanced: the VMB4PB can be used as an I/O module, which LED outputs can be connected to the control outputs of another system (considering the specifications indicated below). To do so, configure the VMB4PB as an I/O module in VelbusLink, and assign actions to the output channels.
STATUS LEDs:
- PS LED: power voltage detected
- Rx LED: CAN bus packet received
- Tx LED: CAN bus packet sent
CONCISE TECHNICAL SPECIFICATIONS
- Power supply: 15 ± 3 VDC
- Max. current consumption 50 mA
- Dimensions: 36 x 38 x 16 mm (L x W x D)
- Protection rating: IP10
LED outputs:
- max. output voltage 15 VDC, suitable for LEDs up to 24V (AC or DC)
- built-in series resistor: 1.5k Ω
- max. output current: 10 mA @ 15 V
For a detailed list with technical specifications, please refer to the product page on www.velbus.eu.
CONNECTION DIAGRAMS
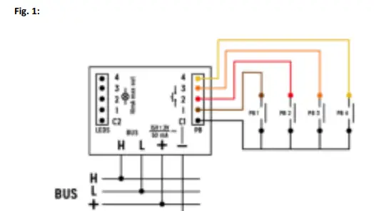
- A. Connection of push buttons without LEDs
See fig. 1
- B. Connection of the LED connectors (necessary only for push buttons with LEDs)
See fig. 2
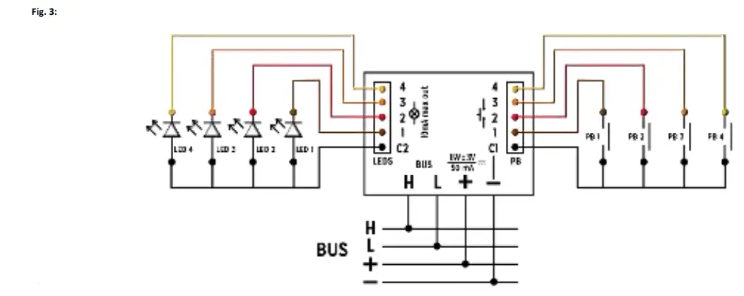
- C. Connection of the push buttons and LEDs with common anode
See fig. 3
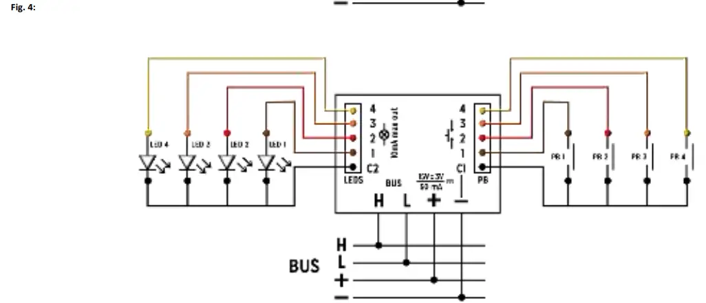
- D. Connection of push buttons and LEDs with common cathode
See fig. 4
This product complies with all of the relevant European guidelines and regulations.
Velbus – Legen Heirweg 33, BE-9890 Gavere, Belgium – tel. +32 9 384 36 11 – e-mail: [email protected] – www.velbus.eu




















