MITSUBISHI ELECTRIC PAC-SE51CRA Classic Simple Wall Controller Instruction Manual
This manual contains only the installation procedure for the remote controller. For information about how to wire and Install air conditioning units, see their Installation manuals
For your safety, thoroughly read (If safety Precautions described below before Installing the remote controller correctly.
Safety Precautions
- The following two symbols are used to denote dangers that may be caused by incorrect use:
WARNING
This symbol denotes what could lead to serious injury or death if the remote controller is misused.
CAUTION
This symbol denotes what could lead to personal Injury or property damage ft the remote controller Is misused. - After reading this Installation manual, keep it in a safe place where the user can refer to it whenever necessary. Make sure that this manual Is forwarded to the next user.
WARNING
Ask your dealer or technical representative to install the unit. Any deficiency caused by your own installation may result in an electric shock or fire.
Install in a place which is strong enough to withstand the weight of the PAC-SE51 CRA. Any lack of strength may cause the PAC-SE51 CRA to fall downs resulting In personal injury.
Firmly connect the wiring using the specified cables. Carefully check that the cables do not exert any force on the terminals. Improper wiring connections may produce heat and possibly a fire.
Never modify or repair the PAC-SE51 CRA by yourself. Any deficiency caused by your modification or repair may result in an elec-tric shock or fire. Consult with your dealer about repairs.
Ensure that Installation work Is done correctly following this Installa-tion manual. Any deficiency caused by installation may result in an electric shock or fire.
All electrical work must be performed by a licensed technician, ac-cording to local regulations and the instructions given In this manual. Any lack of electric circuit or any deficiency caused by installation may re-sult in an electric shock or fire.
Do not move and re-Install the PAC-SES1 CRA yourself. Any deficiency caused by installation may result in an electric shock or fire. Ask your distributor or special vendor for moving and installation.
CAUTION
Do not install in any place exposed to flammable gas leakage. Flammable gases accumulated around the body of PAC-SE51CRA may cause an explosion.
Do not use in any special environment. Using in any place exposed to oil (including machine oil), steam and sulfu-ric gas may deteriorate the performance significantly or give damage to the component parts.
Wire so that it does not receive any tension. Tension may cause wire breakage, heating or tire.
Completely seal the wire lead-in port with putty etc. Any dew, moisture, cockroaches, Insects entering the unit may cause an electric shock or a malfunction.
Do not wash with water. Doing so may cause an electric shock or a malfunction.
Do not install in any place at a temperature of more than 40°C or less than 0°C or exposed to direct sunlight.
Do not Install in any steamy place such a bathroom or kitchen. Avoid any place where moisture Is condensed into dew. Doing so may cause an electric shock or a malfunction.
Do not install in any place where acidic or alkaline solution or special spray are often used. Doing so may cause an electric shock or malfunction.
Use standard wires in compliance with the current capacity. A failure to this may result in an electric leakage, heating or fire.
Do not touch any PCB (Printed Circuit Board) with your hands or with tools. Do not allow dust to collect on the PCB. Doing so may cause fire or an electric shock.
Do not touch any control button with your wet hands. Doing so may cause an electric shock or a malfunction.
Do not press any control button using a sharp object. Doing so may cause an electric shock or a malfunction.
Never contact the power supply with the control wiring terminals. Doing so will certainly cause the controller to catch fire.
Specification
| Source power requirement | Input voltage DC17 V – DC30 V, 0_02 A Power received from outdoor unit via M-NET transmission line_ | |
| Interface condition for transmission line | M-NET transmission line ; DC3O V-i-AMI signal (DC±5 V) | |
| Number of M-NET controlled indoor unit controlled by PAC-SE51CRA | 1 – 16 | |
| Environmental condition | Temperature | Operating 0 – 40°C Non operating 0 – 70°C |
| Humidity | 30 – 90%RH (No condensation) | |
| Dimensions | 120 (High) x 70 (Width) x 8<41> (Depth) mm | |
| Weight | 0.15 kg | |
Checking the Supplied parts
Check that the box includes the following parts in addition to this installation manual:
| Remote Controller Model Name | Enclosed Parts | |
| PAC-SESICRA | (1) | Remote controller 1 |
| (2) | Cross-recessed pan-head screws 2 | |
| (3) | Operation manual 1 | |
NOTE: The parts listed below must be purchased separately.
- Cable connecting the remote controller to the indoor unit: Use the cable specified below.
Cable type: VCTF or CVV (2-core): 0.75 – 1.25 mm2 or equivalent
CVV Is a control cable which is sheathed In polyvinyl chlo-ride with polyvinyl insulated wires inside.
NOTE: If you need to use a cable extension longer than 10 meters, select an electric wire that meets the follow-ing specifications: Wire specification VCTF or CVV (2-core): 1.25 mm2 or equivalent - The switch box Is necessary for mounting. Use the switch box specified in the right.

Installing the remote Controller
Mount the switch boxer
- Install the switch box (purchased separately) as explained below.

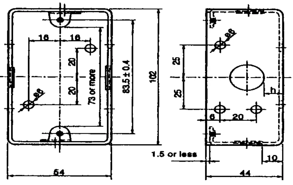
NOTE:- Be sure to install the switch box with the clearance shown in the illustration at the left. (Check the space between the unit and any projection such as a stud.)
- Leave a space of 120 mm or more below the remote controller so that the screwdriver can be used.
- Since the remote controller is equipped with a temperature sen-sor, install the remote controller in a location where the average room temperature can be detected and which is not directly affected by some heat source, direct sunlight or air blown from an air conditioner.
- Purchase the thin-copper wiring pipe and locknuts and bushings separately.
Install the remote controller.
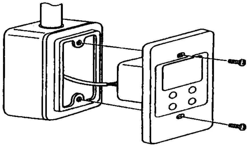
- Pull out about 80 mm of cable from the wall and remove the Insulation from its end.
- Use putty to seal the cable lead-In hole In order to prevent Insects from damaging the wiring and to prevent air from condensing on the remote controller circuit board. If the hole Is not sealed well, the remote controller circuit board may be damaged.

- Connect the cable to the terminal board in the bottom rear of the remote controller unit.

- The cable does not have polarity.
- When connecting stranded cable, hold down the button on the terminal board while inserting the cable.
- The cable connects to the main terminal board when it is Inserted into the bottom terminal.
- When disconnecting the cable, hold down the button while pulling out the cable.
- After Inserting the cable, slightly tug on it to check that It does not easily disconnect. If the cable is not securely connected, a short-circuit or malfunction may occur.
- Remove the remote controller cover using a standard screwdriver, then attach the remote controller unit to the switch box using the two enclosed cross-recessed pan-head screws. Use a standard screwdriver with a blade that is 4 mm or wider to remove the cover.


CAUTION:- Forcing off the cover using a screwdriver that Is less than 4 mm wide may result in damage to the equipment or injuries.
- Attach the remote controller to a level surface. Do not overtighten the screws, otherwise the case may be-come deformed or break.
- Set the remote controller address.

Set the remote controller address using the rotary switches SW1 and SW2 on the front of the remote controller.
III Setting range: 101 to 200 Rotary switch SW1 indicates the tens digit and SW2 indicates the ones digit. In addition, 100 is automatically added to the setting as shown below.Rotary switch setting 01 – 99 00 Remote controller address 101 – 199 200 The address Is set to 01 when the remote controller Is shipped from the manufacturer.
CAUTION:
The address must be set if the remote controller Is used as a part of a multiunit system. Set the address accord-ing to Its position in the system. In addition, refer to the air conditioner Installation Manual for more information concerning the setting of the addresses. - After setting the remote controller address, attach the remote controller cover. When attaching the remote controller cover, set the top of the cover onto the two top hooks, then push In on the bottom of the cover until it snaps into place.
If the bottom of the cover is attached first, the top of the cover cannot be. attached. Forcefully pushing in the top of the cover to attach it may break the hooks.
CAUTION:- Press in on the bottom of the cover until it snaps Into place.
- When attaching the remote controller cover, be careful not to move the room temperature sensor out of place. Moving the sensor out of place or pinching It while attaching the cover may result in the sensor malfunctioning or being damaged.

- When the Indoor unit must be registered with the remote controller In a group arrangement or a system where different refrigerants are used refer to (5: Registering the Indoor Unit With the Remote Controller).
Registering the Indoor Unit With the Remote Controller
(Initial registration mode operation)
An indoor unit must be registered with the remote controller In a group arrangement or a system where different refrigerants are used. Register an indoor unit using the initial registration mode as shown below. In addition, the Initial registration mode can be used to search for an Indoor unit registered to the group or to delete a registration.
This remote controller cannot be used to perform an interlocking registration of Interlocked units. The central controller (MJ-1O3MTRA) or network remote controller (PAR-F25MA) must be used to make interlocking registrations.
Setting Procedure
- Turn off the unit. (Perform the following operation after “HO” flashes on the display.)
- Hold down both TEMP
and
for more than 2 seconds. This starts the initial registration mode and the set remote control-ler address flashes on the display.
- Press TEMP.
to select the address of the indoor unit that you wish to register with this remote controller. After the button is pressed once, the remote controller ad-dress, and then the Indoor unit address is displayed. After-wards, each press of the button increases the indoor unit address by 1 as shown below. Holding down the button changes the address more quickly.
- When the address of the indoor unit that you wish to register is displayed, press
to begin registering. If the registration is completed correctly, the display appears as shown below.
The Indoor unit type, “IC”, is displayed.
If the registration Is not completed correctly, “88” flashes in the display. Check that the selected Indoor unit address or the wiring are correct. Up to 16 Indoor units can be registered. - After registering, hold down both TEMP
and
for more than 2 seconds to end the initial registration mode and the normal display appears.
Confirmation of registered address - Display the addresses of the indoor units that are registered with this remote controller. Each press of TEMP.
in step 2 or 4 displays the ad-dress of a registered indoor unit and its type, “IC”.
If no Indoor unit is registered, “— — —” appears in the address display and no type is displayed.
Address delection - Delete the address of an Indoor unit registered with this re-mote controller. Hold down [ON/OFF] twice for 2 seconds each time either in step 4 or after the registration Is complete to delete the registration of the indoor unit that Is currently displayed.

When the display appears as shown above, hold down [ON/ OFF] twice for 2 seconds each time.
If the registration is deleted correctly, “— — ” appears in the display. If the registration Is not deleted correctly, “88” flashes in the display. Check that the selected indoor unit address and the wiring are correct.
NOTE:
- Up to 16 Indoor units can be registered.
- If the registration cannot be completed or deleted correctly, either the set address or the wiring of the indoor unit whose registration you wish to add or delete may be incorrect. Check the wiring and the address that Is set.
Operating During the Test Run
- How to Use the Test Run The test run cannot be started using this remote controller. Use the network or group remote controller to start the test run. During a test run, this remote controller appears as shown below. After two hours, the test run stops automatically.
- Press [ON/OFF] during the test run to cancel It and turn off the unit. The room temperature cannot be set during a test run; only the air speed can be adjusted.

Indoor address of the displayed pipe temperature
The address of the Indoor unit registered with this remote controller Is displayed. If more than one indoor unit is registered, the addresses of the other units can be displayed unit address of the displayed pipe temperature played by pressing TEMP.
Display range: 001 to 050
Indoor unit pipe temperature
The pipe temperature of the indoor unit address shown is displayed. Display range: -99°C to 99°C If the temperature exceeds this range, “-99°C” or “99°C” flashes on the display.
Remaining time of the test run
The amount of time remaining for the test run is displayed. Display range: 2:00 to 0:01
This product is designed and intended for use In a residential, commercial or light-industrial environment.
The product at hand is based on the following EU regulations:
- Low Voltage Defective 73/23/EEC
- Electromagnetic Compatibility Directive 89/336/EEC





























