MITSUBISHI ELECTRIC PAC-AH63 Air Handling Unit Controller Instruction Manual
Safety precautions
Before installation and electric work
- Before installing the unit, make sure you read all the “Safety precautions”.
- The “Safety precautions” provide very important points regarding safety. Make sure you follow them.
Symbols used in the text
Warning:
Describes precautions that should be observed to prevent danger of injury or death to the user.
Caution:
Describes precautions that should be observed to prevent damage to the unit.
Symbols used in the illustrations
: Indicates an action that must be avoided.
: Indicates that important instructions must be followed.
: Indicates a part which must be grounded.
: Indicates that caution should be taken with rotating parts. (This symbol is displayed on the main unit label.) <Color: yellow>
: Beware of electric shock (This symbol is displayed on the main unit label.) <Color: yellow>
Warning:
Carefully read the labels affixed to the main unit.
Warning:
- Ask the dealer or an authorized technician to install the controller.
- Improper installation by the user may result in water leakage, electric shock, or fire.
- Use the specified cables for wiring. Make the connections securely so that the outside force of the cable is not applied to the terminals.
- Inadequate connection and fastening may generate heat and cause a fire.
- Prepare for typhoons and other strong winds and earthquakes and install the unit at the specified place.
- Improper installation may cause the unit to topple and result in injury.
- Never repair the unit. If the controller must be repaired, consult the dealer.
- If the unit is repaired improperly, electric shock, or fire may result.
- When handling this product, always wear protective equipment. EG: Gloves, full arm protection namely boiler suit, and safety glasses.
- Improper handling may result in injury.
- If refrigerant gas leaks during installation work, ventilate the room.
- If the refrigerant gas comes into contact with a flame, poisonous gases will be released.
- Install the controller according to this Installation Manual.
- If the unit is installed improperly, electric shock, or fire may result.
- Have all electric work done by a licensed electrician according to “Electric Facility Engineering Standard” and “Interior Wire Regulations”and the instructions given in this manual and always use a special circuit.
- If the power source capacity is inadequate or electric work is performed improperly, electric shock and fire may result.
- Keep the electric parts away from water (washing water etc.).
- It might result in electric shock, catching fire or smoke.
- Securely install the outdoor unit terminal cover (panel).
- If the terminal cover (panel) is not installed properly, dust or water may enter the outdoor unit and fire or electric shock may result.
- When installing and moving the air handling unit to another site, do not charge the it with a refrigerant different from the refrigerant specified on the unit.
- If a different refrigerant or air is mixed with the original refrigerant, the refrigerant cycle may malfunction and the unit may be damaged.
- If the air handling unit is installed in a small room, measures must be taken to prevent the refrigerant concentration from exceeding the safety limit even if the refrigerant should leak.
- Consult the dealer regarding the appropriate measures to prevent the safety limit from being exceeded. Should the refrigerant leak and cause the safety limit to be exceeded, hazards due to lack of oxygen in the room could result.
- When moving and reinstalling the air handling unit, consult the dealer or an authorized technician.
- If the controller is installed improperly, electric shock, or fire may result.
- After completing installation work, make sure that refrigerant gas is not leaking.
- If the refrigerant gas leaks and is exposed to a fan heater, stove, oven, or other heat source, it may generate noxious gases.
- Do not reconstruct or change the settings of the protection devices.
- If the pressure switch, thermal switch, or other protection device is shorted and operated forcibly, or parts other than those specified by Mitsubishi Electric are used, fire or explosion may result.
- To dispose of this product, consult your dealer.
- Do not use a leak detection additive.
Precautions for devices that use R410A refrigerant
Caution:
- Do not use the existing refrigerant piping.
- The old refrigerant and refrigerator oil in the existing piping contains a large amount of chlorine which may cause the refrigerator oil of the new unit to deteriorate.
- Use refrigerant piping made of C1220 (Cu-DHP) phosphorus deoxidized copper as specified in the JIS H3300 “Copper and copper alloy seamless pipes and tubes”. In addition, be sure that the inner and outer surfaces of the pipes are clean and free of hazardous sulphur, oxides, dust/dirt, shaving particles, oils, moisture, or any other contaminant.
- Contaminants on the inside of the refrigerant piping may cause the refrigerant residual oil to deteriorate.
- Store the piping to be used during installation indoors and keep both ends of the piping sealed until just before brazing. (Store elbows and other joints in a plastic bag.)
- If dust, dirt, or water enters the refrigerant cycle, deterioration of the oil and compressor trouble may result.
- Use ester oil, ether oil or alkylbenzene (small amount) as the refrigerator oil to coat flares and flange connections.
- The refrigerator oil will degrade if it is mixed with a large amount of mineral oil.
- Use liquid refrigerant to fill the system.
- If gas refrigerant is used to seal the system, the composition of the refrigerant in the cylinder will change and performance may drop.
- Do not use a refrigerant other than R410A.
- If another refrigerant (R22, etc.) is used, the chlorine in the refrigerant may cause the refrigerator oil to deteriorate.
- Use a vacuum pump with a reverse flow check valve.
- The vacuum pump oil may flow back into the refrigerant cycle and cause the refrigerator oil to deteriorate.
- Do not use the following tools that are used with conventional refrigerants.
(Gauge manifold, charge hose, gas leak detector, reverse flow check valve, refrigerant charge base, vacuum gauge, refrigerant recovery equipment.)- If the conventional refrigerant and refrigerator oil are mixed in the R410A, the refrigerant may deteriorated.
- If water is mixed in the R410A, the refrigerator oil may deteriorate.
- Since R410A does not contain any chlorine, gas leak detectors for conventional refrigerants will not react to it.
- Do not use a charging cylinder.
- Using a charging cylinder may cause the refrigerant to deteriorate.
- Be especially careful when managing the tools.
- If dust, dirt, or water gets in the refrigerant cycle, the refrigerant may deteriorate
Before getting installed
Caution:
- Do not install the unit where combustible gas may leak.
- If the gas leaks and accumulates around the unit, an explosion may result.
- Do not use the air conditioner where food, pets, plants, precision instruments, or artwork are kept.
- The quality of the food, etc. may deteriorate.
- Do not use the air conditioner in special environments.
- Oil, steam, sulfuric smoke, etc. can significantly reduce the performance of the air conditioner or damage its parts.
- When installing the unit in a hospital, communication station, or similar place, provide sufficient protection against noise.
- The inverter equipment, private power generator, high-frequency medical equipment, or radio communication equipment may cause the air conditioner to operate erroneously, or fail to operate. On the other hand, the air conditioner may affect such equipment by creating noise that disturbs medical treatment or image broadcasting.
- Do not install the unit on a structure that may cause leakage.
- When the room humidity exceeds 80 % or when the drain pipe is clogged, condensation may drip from the indoor unit. Perform collective drainage work together with the outdoor unit, as required.
Before getting installed (moved) – electrical work
Caution:
- Ground the unit.
- Do not connect the ground wire to gas or water pipes, lightning rods, or telephone ground lines. Improper grounding may result in electric shock.
- Install the power cable so that tension is not applied to the cable.
- Tension may cause the cable to break and generate heat and cause a fire.
- Install an leak circuit breaker, as required.
- If an leak circuit breaker is not installed, electric shock may result.
- Use power line cables of sufficient current carrying capacity and rating.
- Cables that are too small may leak, generate heat, and cause a fire.
- Use only a circuit breaker and fuse of the specified capacity.
- A fuse or circuit breaker of a larger capacity or a steel or copper wire may result in a general unit failure or fire.
- Do not wash the air conditioner units.
- Washing them may cause an electric shock.
- Be careful that the installation base is not damaged by long use.
- If the damage is left uncorrected, the unit may fall and cause personal injury or property damage.
- Be very careful about product transportation.
- Only one person should not carry the product if it weighs more than 20 kg.
- Some products use PP bands for packaging. Do not use any PP bands for a means of transportation. It is dangerous.
- Do not touch the heat exchanger fins. Doing so may cut your fingers.
- When transporting the outdoor unit, suspend it at the specified positions on the unit base. Also support the outdoor unit at four points so that it cannot slip sideways.
- Safely dispose of the packing materials.
- Packing materials, such as nails and other metal or wooden parts, may cause stabs or other injuries.
- Tear apart and throw away plastic packaging bags so that children will not play with them. If children play with a plastic bag which was not torn apart, they face the risk of suffocation.
Before starting the test run
Caution:
- Turn on the power at least 12 hours before starting operation.
- Starting operation immediately after turning on the main power switch can result in severe damage to internal parts. Keep the power switch turned on during the operational season.
- Do not touch the switches with wet fingers.
- Touching a switch with wet fingers can cause electric shock.
- Do not touch the refrigerant pipes during and immediately after operation.
- During and immediately after operation, the refrigerant pipes are may be hot and may be cold, depending on the condition of the refrigerant flowing through the refrigerant piping, compressor, and other refrigerant cycle parts. Your hands may suffer burns or frostbite if you touch the refrigerant pipes.
- Do not operate the air conditioner with the panels and guards removed.
- Rotating, hot, or high-voltage parts can cause injuries.
- Do not turn off the power immediately after stopping operation.
- Always wait at least five minutes before turning off the power. Otherwise, water leakage and trouble may occur.
Accessories
The unit is provided with the following accessories:
[Fig. 2.0.1] (P.2)
No. | Accessories | Quantity | |||
AH63 | AH125 | AH140 | AH250 | ||
| 1 | Controller | 1 | 1 | 1 | 1 |
| 2 | LEV-kit (EDM402) | 1 | 0 | 0 | 0 |
| LEV-kit (EDM804) | 0 | 1 | 0 | 2 | |
| LEV-kit (EDM1004) | 0 | 0 | 1 | 0 | |
| 3 | Thermistor | 3 | 3 | 3 | 3 |
| 4 | Clip (1 spare) | 2 | 2 | 2 | 2 |
| 5 | Insulation (2 spares) | 4 | 4 | 4 | 4 |
| 6 | Tie band (2 spares) | 6 | 6 | 6 | 6 |
| 7 | Installation manual | 1 | 1 | 1 | 1 |
| 8 | Tube | 5 | 5 | 5 | 5 |
System component
[Fig. 3.0.1]
- A Air handling unit controller (PAC-AH · M-G)
- B Air handling unit (field supply)
- C Controller (field supply)
- D Outdoor unit
- E Indoor unit (City Multi)
- F Evaporator (field supply)
- G Gas pipe
- H Liquid pipe
- I LEV-kit
- J Thermistor (gas pipe)
- K Thermistor (liquid pipe)
- L Thermistor (inlet air)
Selection of the evaporator (air handling unit)
Compressive strength
The design pressure of this system is 4.15MPa. The compressive strength of the evaporator and of other pipes must exceed 12.45MPa (=4.15 × 3).
Contamination control
Control the contamination to keep proper quality of the models using HFC refrigerant.
Contamination | Content |
| Residual water content | The content shall be less than [10 mg/lit.]. |
| Residual oil content | The low residual oil pipe [0.5 mg/m or less] shall be used for heat exchangers. For long piping connected or piping tended to be stagnated with oil, the content shall be less than [3 mg/m]. For other piping, [9 mg/m or less] shall be applied. |
| Residual foreign substance (including residual machining oil content) | The content shall be less than [25 mg/m2]. |
| Others | No chlorine content shall be found inside the refrigerant circuit. |
Specifications of the evaporator
Select the evaporator (field supply) according to the table below.
Caution:
If not, malfunction of the outdoor unit may be caused.
| Type | Unit size (Air handling unit) | Allowed evaporator capacity | Allowed evaporator volume | Standard evaporator path number* |
| PAC- H63M-G | P63 | 4.6 ~ 7.1 kW | 950 ~ 1800 cm3 | 3 |
| PAC-AH125M-G | P71 | 6.7 ~ 8.0 kW | 1100 ~ 2000 cm3 | 3 |
| P80 | 7.3 ~ 9.0 kW | 1200 ~ 2250 cm3 | 3 | |
| P100 | 8.6 ~ 11.2 kW | 1500 ~ 2850 cm3 | 4 ~ 5 | |
| P125 | 10.1 ~ 14.0 kW | 1900 ~ 3550 cm3 | 4 ~ 5 | |
| PAC-AH140M-G | P140 | 11.2 ~ 16.0 kW | 2150 ~ 4050 cm3 | 5 ~ 6 |
| PAC-AH250M-G | P200 | 15.9 ~ 22.4 kW | 3000 ~ 5700 cm3 | 6 ~ 10 |
| P250 | 18.7 ~ 28.0 kW | 3750 ~ 7100 cm3 | 8 ~ 10 |
Saturated refrigerant temperature at exit of evaporator = 8.5 °C, SH=5K, liquid temperature = 25 °C, air = 27 °CDB/19 °CWB
* When the diameter of the heat exchanger tube is ø9.52
Caution:
The evaporator must be used within the following temperature range. Inlet air temperature range of the air handling unit: 15-24 ˚CWB (cooling only)
Selecting an installation site and installing the controller
- Avoid locations in direct sunlight.
- Avoid locations exposed to stream or oil vapour.
- Avoid locations where combustible gas may leak, settle or be generated.
- Avoid installation near machines emitting high-frequency waves.
- Avoid places where acidic solutions are frequently handled.
- Avoid places where sulphur-based or other sprays are frequently used.
Combining indoor units with outdoor
units
For combining indoor units with outdoor units, refer to the outdoor unit installation
manual.
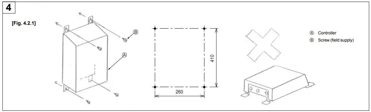
Installing the controller
[Fig. 4.2.1]
A Controller
B Screw (field supply)
When mounting the controller, use 4 supplied controller mounting screws, and mount it vertically.
Warning:
Do not mount the horizontally laid controller
Refrigerant pipe specifications
To avoid dew drops, provide sufficient antisweating and insulating work to the refrigerant and drain pipes.
When using commercially available refrigerant pipes, be sure to wind commercially available insulating material (with a heat-resisting temperature of more than 100 °C and thickness given below) onto both liquid and gas pipes.
Be also sure to wind commercially available insulating material (with a form polyethylene’s specific gravity of 0.03 and thickness given below) onto all pipes which pass through rooms.
- Select the thickness of insulating material by pipe size.
Pipe size Insulating material’s thickness
6.4 mm to 25.4 mm
More than 10 mm 28.6 mm to 38.1 mm More than 15 mm
- If the unit is used on the highest story of a building and under conditions of high temperature and humidity, it is necessary to use pipe size and insulating material’s thickness more than those given in the table above.
- If there are customer’s specifications, simply follow them.
Connecting refrigerant pipes
Refrigerant piping work
This piping work must be done in accordance with the installation manuals for both outdoor unit and BC controller (simultaneous cooling and heating series R2).
- Series R2 is designed to operate in a system that the refrigerant pipe from an outdoor unit is received by BC controller and branches at the BC controller to connect between indoor units.
- For constraints on pipe length and allowable difference of elevation, refer to the outdoor unit manual.
Cautions On Refrigerant Piping
- Be sure to use non-oxidative brazing for brazing to ensure that no foreign matter or moisture enter into the pipe.
- Be sure to apply refrigerating machine oil over the flare connection seating surface and tighten the connection using a double spanner.
- Provide a metal brace to support the refrigerant pipe so that no load is imparted to the indoor unit end pipe. This metal brace should beprovided 50 cm away from the indoor unit’s flare connection.
Warning:
When installing and moving the unit, do not charge it with refrigerant other than the refrigerant specified on the unit.
- Mixing of a different refrigerant, air, etc. may cause the refrigerant cycle to malfunction and result in severe damage.
Caution:
- Use refrigerant piping made of C1220 (CU-DHP) phosphorus deoxidized copper as specified in the JIS H3300 “Copper and copper alloy seamless pipes and tubes”. In addition, be sure that the inner and outer surfaces of the pipes are clean and free of hazardous sulphur, oxides, dust/dirt, shaving particles, oils, moisture, or any other contaminant.
- Never use existing refrigerant piping.
- The large amount of chlorine in conventional refrigerant and refrigerator oil in the existing piping will cause the new refrigerant to deteriorate.
- Store the piping to be used during installation indoors and keep both ends of the piping sealed until just before brazing.
- If dust, dirt, or water gets into the refrigerant cycle, the oil will deteriorate and the compressor may fail.
- Use Suniso 4GS or 3GS (small amount) refrigerator oil to coat the flare and flange connection part. (For models using R22)
- Use ester oil, ether oil or alkylbenzene (small amount) as the refrigerator oil to coat flares and flange connections. (For models using R410A or R407C)
- The refrigerant used in the unit is highly hygroscopic and mixes with water and will degrade the refrigerator oil.
Liner expansion valve piping work
Attach the supplied LEV-kit to the liquid pipe of the evaporator (field supply). For Type250, connect two LEV-kits.
[Fig. 6.2.1]
- A Remove the cap
[Fig. 6.2.2]
- A Evaporator (field supply)
- B LEV-kit
- C Brazing
- D Linear expansion valve
- E Outdoor unit
[Fig. 6.2.3]
- A Evaporator (field supply)
- B LEV-kit
- C Brazing
- D Linear expansion valve
- E Outdoor unit
- F Refrigerant pipe size ø9.52 (field supply)
- G Distributor (field supply)
- H Refrigerant pipe size ø9.52 (field supply)
Caution:
Install the LEV-kit inside the AHU, and keep it away from rain or direct sunlight.
Caution:
Install the LEV-kit with its motor upward.
Thermistor setting work
Caution:
The evaporator and the thermistor must touch each other. The top of the most sensitive part of the thermistor must touch the evaporator.
[Fig. 6.3.0.1]
- A Most sensitive point of the thermistor
- B Maximize the contact
Caution:
Put the thermistor wire slightly down to avoid water accumulation on top of the thermistor.
[Fig. 6.3.0.2]
Thermistor for gas pipe
Put the thermistor as close as possible to the branch pipe that is located the closest to the gas pipe (header) connection on the evaporator (field supply). Turn the lead wire of the thermistor downward, and wind the aluminum tape (field supply) around the header to fix the thermistor. Wind the insulation material over it. Tighten the top and bottom of the insulation material using the supplied tie band. Fold the lead wire of the thermistor at the bottom, and fix it with the insulation material using the tie band.
[Fig. 6.3.1]
- A Evaporator (field supply)
- B Gas pipe
- C Thermistor (gas pipe)
- D Aluminum tape (field supply)
- E Insulation
- F Tie band
Thermistor for liquid pipe
Put the thermistor on the coldest position to prevent the evaporator from freezing. Turn the lead wire of the thermistor downward, and wind the aluminum tape (field supply) around the pipe to fix the thermistor. Wind the insulation material over it.
Tighten the top and bottom of the insulation material using the supplied tie band.
Fold the lead wire of the thermistor, and fix it with the insulation material using the tie band.
[Fig. 6.3.2]
- A Evaporator (field supply)
- B Gas pipe
- C Thermistor (liquid pipe)
- D Aluminum tape (field supply)
E Insulation - F Tie band
- G Capillary tube
Thermistor for inlet air
Attach the thermistor where the inlet air temperature of the air handling unit can be detected.
[Fig. 6.3.3]
- A Thermistor (inlet air)
- B Clip
- C Screw (field supply)
- D Plate (field supply)
Electrical wiring
Precautions on electrical wiring
Warning:
Electrical work should be done by qualified electrical engineers in accordance with “Engineering Standards For Electrical Installation” and supplied installation manuals. Special circuits should also be used. If the power circuit lacks capacity or has an installation failure, it may cause a risk of electric shock or fire.
- Be sure to take power from the special branch circuit.
- Be sure to install an earth leakage breaker to the power.
- Install the unit to prevent that any of the control circuit cables (remote controller, transmission cables) is brought in direct contact with the power cable outside the unit.
- Ensure that there is no slack on all wire connections.
- Some cables (power, remote controller, transmission cables) above the ceiling may be bitten by mouses. Use as many metal pipes as possible to insert the cables into them for protection.
- Never connect the power cable to leads for the transmission cables. Otherwise the cables would be broken.
- Be sure to connect control cables to the indoor unit, remote controller, and the outdoor unit.
- Put the unit to the ground on the outdoor unit side.
- Select control cables from the conditions.
Caution: Be sure to put the unit to the ground on the outdoor unit side. Do not connect the earth cable to any gas pipe, water pipe, lightening rod, or telephone earth cable. Incomplete grounding may cause a risk of electric shock.
Types of control cables
Wiring transmission cables
- Types of transmission cables Design wiring in accordance with the following table.
- Cable diameter More than 1.25 mm2
Connecting wiring
[Fig. 7.0.1]
- A Outer cover K Operation signal
- B Inner cover L Error signal
- C Terminal block TB2 M Thermistor (gas pipe)
- D Terminal block TB5 TB15 N Thermistor (liquid pipe)
- E Terminal block TBX O LEV-kit
- F Terminal block TB4 P Distant signal
- G Power supply (220 – 240 V)/Earth Q Thermistor
- H To outdoor unit R Transmission
- I To remote controller S Thermistor (inlet air)
- J Distant signal (ON/OFF)
| System configuration | For a single-refrigerant system | For a multi-refrigerant system | ||
| Transmission cable length | Less than 120 m | More than 120 m | Regardless of length | |
| Facility example (for noise judgment) | Residence or independent store without noise | Building, clinic, hospital or communications station without noise supposedly generated from inverter equipment, private power gen- erator, high-frequency medical equipment, radio-used communications equipment and so on | All facilities | |
| Types of transmission cables | VCTF, VCTFK, CVV, CVS, VVR, VVF, VCT or shielding wire CVVS or CPEVS | Shielding wire CVVS or CPEVS | ||
| Length | Less than 120 m | Less than 200 m | ||
Remote controller cables
| MA remote controller | M-NET remote controller | |
| Types of cables | 2-core cable (unshielded) | Non-shielding wire for up to 10 m; the same specifications as “1.” Wiring transmission cables for more than 10 m |
| Cable diameter | 0.3 to 1.25 mm2 | 0.3 to 1.25 mm2 |
| Length | Less than 200 m | Add any portion in excess of 10 m to within the longest allowable trans- mission cable length 200 m (Shielding portion is more than 1.25 mm2) |
Power supply wiring
- Power supply cords of appliances shall not be lighter than design 245 IEC 57 or 227 IEC 57.
- A switch with at least 3 mm contact separation in each pole shall be provided by the Air conditioner installation.
Power cable size: more than 1.5 mm2
[Fig. 7.1.1]
- A Switch 16 A
- B Overcurrent protection 16 A
- C Indoor unit
- D Total operating current be less than 16 A
- E Pull box
[Selecting non-fuse breaker (NF) or earth leakage breaker (NV)]
To select NF or NV instead of a combination of Class B fuse with switch, use the following:
- In the case of Class B fuse rated 15 A or 20 A,
NF model name (MITSUBISHI): NF30-CS (15 A) (20 A)
NV model name (MITSUBISHI): NV30-CA (15 A) (20 A)
Use an earth leakage breaker with a sensitivity of less than 30 mA 0.1 s.
Caution:
Do not use anything other than the correct capacity breaker and fuse. Using fuse, wire or copper wire with too large capacity may cause a risk of malfunction or fire.
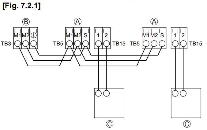
Connecting remote controller, AHU controller and outdoor transmission cables
(Remote contoroller is optionally available.)
A remote controller is required to perform initial setting. No remote controller is required after the initial setting, as the unit is controlled on site. Initial setting can be performed using the M-NET remote controllers connected to other indoor units.
- Connect AHU controller TB5 and outdoor unit TB3. (Non polarized 2-wire) The “S” on AHU controller TB5 is a shielding wire connection. For specifications about the connecting cables, refer to the outdoor unit installation manual.
- Install a remote controller following the manual supplied with the remote controller.
- Connect the “1” and “2” on AHU controller TB15 to a MA remote controller.
(Non-polarized 2-wire) - Connect the “M1” and “M2” on AHU controller TB5 to a M NET remote controller. (Non-polarized 2-wire)
- Connect the remote controller’s transmission cable within 10 m using a 0.75 mm2 core cable. If the distance is more than 10 m, use a 1.25 mm2 junction cable.
[Fig. 7.2.1] MA Remote controller
[Fig. 7.2.2] M-NET Remote controller
- A Terminal block for AHU controller/indoor transmission cable
- B Terminal block for outdoor transmission cable
- C Remote controller
- DC 9 to 13 V between 1 and 2 (MA remote controller)
- DC 24 to 30 V between M1 and M2 (M-NET remote controller)
[Fig. 7.2.3] MA Remote controller
[Fig. 7.2.4] M-NET Remote controller
- A Non-polarized
- B Upper level (TB15)
- C Remote Controller
- D Lower level (TB5)
The MA remote controller and the M-NET remote controller cannot be used at the same time or interchangeably.
Note:
Ensure that the wiring is not pinched when fitting the terminal box cover. Pinching the wiring may cut it.
Caution:
Install wiring so that it is not tight and under tension. Wiring under tension may break, or overheat and burn.
- Fix power source wiring to control box by using buffer bushing for tensile force. (PG connection or the like.) Connect transmission wiring to transmission terminal block through the knockout hole of control box using ordinary bushing.
- After wiring is complete, make sure again that there is no slack on the connections, and attach the cover onto the control box in the reverse order removal.
Caution:
Wire the power supply so that no tension is imparted. Otherwise disconnection, heating or fire result.
Connecting LEV-kit and thermistor cables
Connecting LEV-kit cables
Connect the lead wire of the linear expansion valve to the controller. Pull the end of wire (ring terminal) through the bunch of wires (LEV kit) at the bottom of the controller.
Connect the lead wire of the expansion valve to the same colored terminal.
When the lead wire is too long, cut it to the appropriate length. Do not bind it in the box.
This time, connect the lead wire to the same colored terminal.
Connecting thermistor cables
Pull the end of the wire through the bunch of wires (Thermistor) at the bottom of the controller.
Connect the thermistor for the inlet air to T1 and T2 on the terminal block, the thermistor on the gas side to T11 and T12, the thermistor on the liquid side to T21 and T22.
When the lead wire is too long, cut it to the appropriate length. Do not bind it in the box.
Take proper measures not to miswire. E.g. Attach a label before the cutting part, so that it is obvious whether the wire is for inlet air, for gas side or for liquid side.
Caution:
Do not route the thermistor cables together with power cables.
Connecting distant signal line
Pull the wires for operation command (pulse maneuvering), for operation signal and for error signal through the bunch of wires (Distant signal) at the bottom of the controller.
Connect each wire to operation command: A1 and A2, to operation signal: D1 and D2, and to error signal: D11 and D12.
Item | Connection circuit (on-site circuit) | |
| Operation command | ![]() | SW1: Minimum applica- ble load DC12 V, 1 mA |
![]() | X: Minimum applicable load DC12 V, 1 mA | |
| Operation signal | ![]() | L1: Operation display lamp Display power source: DC30 V, 1 A AC100 V/200 V, 1 A |
| Error signal | ![]() | L2: Error display lamp Display power source: DC30 V, 1 A AC100 V/200 V, 1 A |
Notes:
- After connecting each wire to the terminal, tighten each nut tightly through which the wire runs.
- Check that the bunch of wires do not come off even if they are pulled strongly.
Caution:
- After the wiring work is completed, mount the inner cover first and then the outer cover.
- Tighten the screws tightly. (If not, drop of water may enter, leading to malfunction.)
- Operation signal cables and Error signal cables and Operation command cables must be routed in a distance of at least 20 cm from all other cables.
- When Operation signal, Error signal and Distant signal are taken out, remove the plug inside the bunch of wires.
- Wind the supplied tube around the wire according to the size and number of the wire.
- If the wire comes off the tightly tightened bunch of wires, wind the insulation tape around the wire to make the wire thicker.
[Fig. 7.2.5]
- A Bunch of wires
- B Plug
- C Tube
- D Insulation tape
Setting switches
Setting addresses
(Be sure to operate with the main power turned OFF.)
[Fig. 8.1.1]
A Address switch
B SW2
- There are two types of rotary switch setting available: setting addresses 1 to 9 and over 10, and setting branch numbers.
- How to set addresses Example: If Address is “3”, remain SW12 (for over 10) at “0”, and match SW11 (for 1 to 9) with “3”.
- How to set branch numbers SW14 (Series R2 only) Match the indoor unit’s refrigerant pipe with the BC controller’s end connection number. Remain other than R2 at “0”.
- The rotary switches are all set to “0” when shipped from the factory. These switches can be used to set unit addresses and branch numbers at will.
- The determination of indoor unit addresses varies with the system at site. Set them referring to technical data.
Setting unit size
Set the unit size according to the evaporator type (field supply).
Set the dip switch (SW2) on the control board in accordance with the chart below.
Type | Unit size (Air handling unit) | Allowed evaporator capacity | Setting switches (SW2)* |
| PAC-AH63M-G | P63 | 4.6 ~ 7.1 kW | ![]() |
| PAC-AH125M-G | P71 | 6.7 ~ 8.0 kW | ![]() |
| P80 | 7.3 ~ 9.0 kW | ![]() | |
| P100 | 8.6 ~ 11.2 kW | ![]() | |
| P125 | 10.1 ~ 14.0 kW | ![]() | |
| PAC-AH140M-G | P140 | 11.2 ~ 16.0 kW | ![]() |
| PAC-AH250M-G | P200 | 15.9 ~ 22.4 kW | ![]() |
| P250 | 18.7 ~ 28.0 kW | ![]() |
indicates ON/OFF state.
Initial setting and test run
After the installation work, which was performed in accordance with the outdoor unit installation manual, and after the AHU refrigerant piping work, drain piping work, electrical wiring work, AHU controller wiring work, and switch setting, turn on the main power at least 12 hours before starting operation in accordance with the outdoor unit installation manual.
Test run, initial setting
- Start the fan of AHU.
- Remove the switch connector inside the controller.
- Start AHU using the remote controller.
- Set the operation mode to cooling mode, and set the temperature to 14 °C.
- Check that cool air blows.
- Stop AHU using the remote controller.
- Connect the switch connector as it was.
- Close the contact A1/A2 (close: ON, open: off)
[Fig. 9.0.1]
Notes:
After 16-minute or more cooling operation, and when 1 °C or less of the thermistor detection temperature for liquid pipe is detected for 3 minutes in a row, the linear expansion valve will be closed to prevent freezing. The operation will be normal when either of the following conditions is met.
- When 3 minutes have passed after 10 °C or more of the thermistor detection temperature for liquid pipe is detected.
- When 6 minutes have passed after the expansion valve was closed to prevent freezing.
This product is designed and intended for use in the residential, commercial and light-industrial environment.
The product at hand is based on the following EU regulations:
- Low Voltage Directive 73/23/EEC
- Electromagnetic Compatibility Directive 89/ 336/EEC































