SAJ H2 Series Hybrid Solar Inverter
Tel: 400-960-0112 Fax: (86)20 66608589 Web: www.saj-electric.com user manual
Add: SAJ Innovation Park,No.9, Lizhishan Road, Science City, Guangzhou High-tech Zone, Guangdong, P.R.China.
Scope of Application
This User Manual describes instructions and detailed procedures for installing, operating, maintaining, and troubleshooting of the following SAJ hybrid solar inverters:
H2-5K-T2, H2-6K-T2, H2-8K-T2, H2-10K-T2
Please read the user manual carefully before any installation, operation and maintenance and follow the instruction during installation and operation. Please keep this manual all times available in case of emergency.
Only qualited electricians who have read and fully understood all safety regulations contained in this manual can install, maintain and repair the inveter. Operators must be aware of the high-voltage device.
Safety
Safety instruction
DANGER indicates a hazardous situation, which, if not avoided, will result in death or serious injury.
WARNING indicates a hazardous situation, which, if not avoided, can result in death or serious injury or moderate injury.
CAUTION indicates a hazardous condition, which, if not avoided, can result in minor or moderate injurt.
NOTICE indicates a situation that can result in potential damage, if not avoided.
Explanations of Symbols

Safety Instructions
DANGER
- There is possibility of dying due to electrical shock and high voltage.
- Do not touch the operating component of the inverter; it might result in burning or death.
- To prevent risk of electric shock during installation and maintenance, please make sure that all AC and DC terminals are plugged out.
- Do not touch the surface of the inverter while the housing is wet, otherwise, it might cause electrical shock.
- Do not stay close to the inverter while there are severe weather conditions including storm, lighting, etc.
- Before opening the housing, the SAJ inverter must be disconnected from the grid and PV generator; you must wait for at least ve minutes to let the energy storage capacitors completely discharge after disconnecting from power source.
WARNING - The installation, service, recycling and disposal of the inverters must be performed by qualified personnel only in compliance with national and local standards and regulations.
- Any unauthorized actions including modification of product functionality of any form may cause a lethal hazard to the operator, third parties, the units or their property. SAJ is not responsible for the loss and these warranty claims.
- The SAJ inveter must only be operated with PV generator. Do not connect any other source of energy to the SAJ inveter.
- Be sure that the PV generator and inveter are well-grounded in order to protect properties and persons.
CAUTION - The inveter will become hot during operation. Please do not touch the heat sink or peripheral surface during or shortly after operation.
- Risk of damage due to improper modifications.
NOTICE - Public utility only.
- The inveter is designed to feed AC power directly to the public utility power grid; do not connect AC output of the inveter to any private AC equipment.
PRODUCT overview
H2 series
H2 series is a hybrid photovoltaic inveter and it is applicable to both on-grid and o -grid solar systems. The energy generated by PV system will be fed to loads first, and then the surplus energy can charge the batter for later use, if there is still excess more energy, it will be expoted to the grid. H2 inverter can significantly improve the self-consumption rate of solar energy and lower the dependency on grid.
Figure 2.1
System oveiew

Packing list

Appearance

Figure 2.2
Dimensions of H2 series Product
Datasheet
H2-5K/ 6K/ 8K/ 10K-T2
| MODEL | H2-5K-T2 | H2-6K-T2 | H2-8K-T2 | H2-10K-T2 |
| DC Input | ||||
| Max.PV Array Power [Wp]@STC | 7500 | 9000 | 12000 | 15000 |
| Max. DC Voltage [V] | 1000 | |||
| MPPT Voltage Range [V] | 180~900 | |||
| Nominal DC Voltage [V] | 600 | |||
| Start Voltage [V] | 180 | |||
| Max. DC Input Current [A] | 15 / 15 | |||
| Max. DC Short Circuit Current [A] | 18 / 18 | |||
| No. of MPPT | 2 | |||
| No. of Strings per MPPT | 1/1 | |||
| Battery Data | ||||
| Battery Type | Lithium battery | |||
| Voltage Range [V] | 180~600 | |||
| Max. Charging/ Discharging Current [A] | 30/30 | |||
| Rated Charging/ Discharging Power [W] | 5000 | 6000 | 8000 | 10000 |
| AC Output [On-grid] | ||||
| Rated AC Power [W] | 5000 | 6000 | 8000 | 10000 |
| Max. AC Power [VA] | 5500 | 6600 | 8800 | 11000 |
| Rated AC Current [A]@230Vac | 7.2 | 8.7 | 11.6 | 14.5 |
| Max. AC Current [A] | 8.3 | 10.0 | 13.3 | 16.7 |
| Nominal AC Voltage [V] | 220/ 380Vac, 230/ 400Vac, 3L/ N/ PE | |||
| Rated Grid Frequency / Range [Hz] | 50/ 60 ± 5 | |||
| Power Factor [cos φ] | 0.8 leading~0.8 lagging | |||
| Total Harmonic Distortion [THDi] | <3% | |||
| AC Output [Back-up Mode] | ||||
| Rated Output Power [W] | 5000 | 6000 | 8000 | 10000 |
| Max. Output Current [A] | 8.0 | 9.6 | 12.8 | 15.9 |
| Rated Output Voltage [V] | 220/ 380Vac, 230/ 400Vac, 3L/ N/ PE | |||
| Rated Output Frequency [Hz] | 50/ 60 ± 5 | |||
| Total Harmonic Distortion of Voltage | <3% | |||
| Peak Output Apparent Power [VA] | 10000, 60s | 12000, 60s | 16000, 60s | 16500, 60s |
| MODEL | H2-5K-T2 | H2-6K-T2 | H2-8K-T2 | H2-10K-T2 |
| Efficiency | ||||
| Max. Efficiency | 98.0% | |||
| Euro Efficiency | 97.6% | |||
| MPPT Efficiency | >99.9% | |||
| Max. Battery Charging/ Discharging Efficiency | 97.6% | |||
| Protection | ||||
| AC Short Circuit Protection | Integrated | |||
| Overload Protection | Integrated | |||
| Residual Current Monitoring Unit | Integrated | |||
| Battery Input Reverse Polarity Protection | Integrated | |||
| Anti-islanding protection | Integrated | |||
| AC Surge Protection | Type III | |||
| DC Surge Protection | Type III | |||
| AFCI | Optional | |||
| Interface | ||||
| PV Connection Type | MC4 | |||
| Battery Connection Type | Quick Connector | |||
| AC Output | Plug-in Connector | |||
| Display | LED+APP | |||
| Communication port | CAN/ RS485/ DRM/ RS232 | |||
| Communication | Wi-Fi/ Ethernet/ 4G (Optional) | |||
| General Data | ||||
| Topology | Transformerless | |||
| Ingress Protection | IP65 | |||
| Operating Temperature Range | -40°C to +60°C | |||
| Ambient Humidity | 0~100% No Condensing | |||
| Altitude | 4000m (>3000m power derating) | |||
| Noise [dBA] | <30 | |||
| Cooling method | Natural Convection | |||
| Dimensions [H*W*D][mm] | 433*549*207 | |||
| Weight [kg] | 25 | |||
| Standard Warranty [year] | 5 | |||
| Applicable Standard | CEI 0-21, VDE4105-AR-N, VDE0126-1-1, EN50438, G98, G99, EN50549, AS4777.2 IEC62109-1&-2, IEC62040-1 , EN61000-6-1/2/3/4 | |||
INSTALLATION instruction
DANGER
- Dangerous to life due to potential are or electricity shock.
- Do not install the inveter near any inflammable or explosive items.
NOTICE
- This equipment meets the pollution degree .
- Inappropriate or the harmonized installation environment may jeopardize the life span of the inveer.
- Installation directly exposed under intensive sunlight is not recommended.
- The installation site must be well ventilated.
The Determination of the Installation Position
Mounting position
The equipment employs natural convection cooling, and it can be installed indoors or outdoor.
- Do not expose the inveter to direct solar irradiation as this could cause power derating due to overheating.

- Mount vertically or tilted backward by max. 15°. Never install the inveter tilted forwards, sideways, horizontally or upside down.
- Install the inveter at eye level for convenience when checking the LCD display and possible maintenance activities.
- When mounting the inveter, please consider the solidness of wall for inveter, including accessories. Please ensure the Rear Panel mount tightly.
To make sure the installation spot is suitably ventilated if multiple SAJ hybrid solar inveters are installed same area.

Figure 3.2
Minimum Clearance
Mounting
Procedure
- Mark the Positions of the Drill Holes of the Rear Panel
The mounting position should be marked as shown in Figure 3.3.
Figure 3.3
Dimensions of rear panel of H2 inveter
- Drill Holes and Place the Expansion Tubes
Drill 4 holes in the wall (in conformity with position marked in Figure 3.4, and then place expansion
tubes in the holes using a rubber mallet.
Figure 3.4
Drill holes dimensions of H2 inveter
- Secure the Screws and the Rear Panel
The panels should be secured onto the mounting position by screws as shown in Figure 3.5.
Figure 3.5
Mount the Rear Panel of H2 inveer
- Mount the Inverter
Carefully mount the inveter into the rear panel. Make sure that the rear panel of the equipment is closely mounted into the rear panel.
Figure 3.6
Mount H2 inveter
ELECTRICAL connection
Safety Instruction
Electrical connection must only be operated on by professional technicians. Please keep in mind that the inverter is bi-power supply equipment. Before connection, necessary protective equipment must be employed by technicians including insulating gloves, insulating shoes and safety helmets.
DANGER
- Dangerous to life due to potential are or electricity shock.
- When power-on, the equipment should in conformity with national rules and regulations.
- The direct connection between the inverter and high voltage power systems must be operated by qualified technicians in accordance with local and national power grid standards and regulations.
- The PV arrays will produce lethal high voltage when exposed to sunlight.
NOTICE
- Any improper operation during cable connection can cause device damage or personal injury
Specifications for Electrical Inteface
Figure 4.1
Electrical Inteface of H2 inveter

Table 4.1
Specifications for Inteface
| Code | Name |
| A | DC Switch |
| B | PV Input |
| C | PV Input |
| D | Battey Input |
| E | BMS/ CAN/ METER/ DRM |
| F | CT/ Inveter Parallel pot |
| G | 4G/ Wi-Fi/ Ethernet |
| H | Backup |
| I | Grid |
| J | Ground Connection |
AC Grid Wire and Backup Output Connection
Caution:
For safety operation and regulation compliance, it is requested to install a breaker (32A) between grid and inveter.
Table 4.2
Recommended Specifications of AC Cables
| Cable Cross-sectional area(mm²) | External diameter(mm) | ||
| Range | Recommend | Range | Recommend |
| 2.5~6.0 | 4.0 | 8~14 | 14 |
If the grid-connection distance is too far, please amplify diameter selection of the AC cable as per the actual condition.
Procedure:
- Open the waterproof cover, feed the AC cable through the AC waterproof hole.
Figure 4.2
Thread the cables
- Fix the cables according to conductor marks of L, N and PE.
Figure 4.3
Connect the Cables
- Secure all parts of the grid and backup connector tightly.
Figure 4.4
Screw the Connector
- During o -network operation time, null line at the BACK-UP end will remain to be connected with the null line at the power grid end inside the machine. (Only applicable to market in Australia)
PV Connection
Table 4.3
Recommended Specifications of DC Cables
| Cable Cross-sectional area(mm²) | External diameter(mm) | ||
| Range | Recommend | Range | Recommend |
| 4.0~6.0 | 4.0 | 4.2~5.3 | 5.3 |
DC connector is made up of one positive connector and one negative connector
Figure 4.5
Positive and negative connectors

NOTICE
- Please place the connector separately after unpacking in order to avoid confusion for connection of cables.
- Please connect the positive connector to the positive side of the solar panels, and connect the negative connector to the negative side of the solar side. Be sure to connect them in right position.
Connecting Procedures:
- Use specified strip tool to strip the insulated enclosure of the positive and negative cables with appropriate length (8-10mm).
Figure 4.6
Connecting Cables
- Feed the positive and negative cables into corresponding lock screws and crimp them tightly with a wire crimper. Make sure that the withdrawal force of the pressed cable is larger than 400N.
- Plug in the pressed positive and negative cables into the relevant insulated enclosure, a
“click” sound should be heard when the contact cable assembly is seated correctly. - Fasten the lock screws on positive and negative connectors into the corresponding insulated enclosures and make them tight.
- Connect the positive and negative connectors into positive and negative DC input terminals of the inveter, a “click” sound should be heard when the contact cable assembly is seated correctly.
Figure 4.7
Connect the Inveter
Connection Port
NOTICE
- Before insert the connector into DC input terminal of the inveter, please make sure that the DC switch of the inveter is OFF.
- Please use the original H4 terminal to install.
Battery Connection
If lithium battery is connected, it is not required to install a breaker between battery and inveter.
Table 4.4
Recommended Specifications of DC Cables
| Cable Cross-sectional area(mm²) | External diameter(mm) | ||
| Range | Recommend | Range | Recommend |
| 4~6 | 5 | 4~6 | 5 |
Procedure:
- Open the waterproof cover, feed the AC cable through the AC waterproof hole.
Figure 4.8
Open the waterproof cover
- Strip o the insulation skin of DC cable, the core is exposed to 10mm, and use a special tool to press the Battery Terminal.

- Fix the batterycable on the battery copper terminal by positive and negative in order.
Figure 4.10
Connect the Batte Cable

Eath Fault Alarm
This inveter complies with IEC 62109-2 clause 13.9 for eath fault alarm monitoring. If an Eath Fault Alarm occurs, the second LED indicator will be lit up until the error being solved and inveter functioning properly.
Communication Connection
Serial Port Defnition
Figure 4.11
9-Pin serial port
Table 4.4
Recommended Specifications of DC Cables
H2 series hybrid inveter has a RS232 communication port integrated.

USB inteface with Wi-Fi module, please reference Wi-Fi module user manual.
RJ45 Pin Port Defnition
Figure 4.12
Inteface defnition

Table 4.5
RJ45 pin port defnition
Insert the communication cable
Open the waterproof cover, pass the prepared communication cable through each component,insert corresponding communication port, then tighten the screws.
Figure 4.13
Connection of communication cable

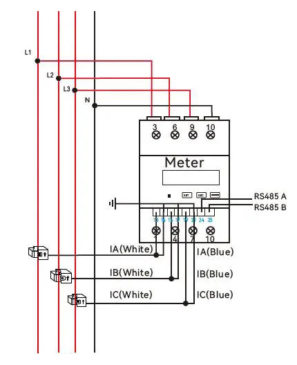
Smart Meter Connection

Figure 4.14
Smart meter wiring
Notice: The hybrid inveter is with export limitation function, which can be realized by connecting SAJ recommended smart meter to the hybrid energy storage system. Users can contact SAJ for futher details for the smart meters. If users have no intention to set the export limitation function, please ignore chapter 4.7.4.
If users have purchased the smart meter that recommended by SAJ, before setting the export limitation function, users shall connect \the meter to the system with procedures below:
Connection Diagram

Figure 4.15
H2 Connection diagram
Note:The sequence of Grid wire must be connected correctly, otherwise, an “Master Grid Phase Error” will be occured (refer to chapter 6). If this fault occured, please switch the position of L2 and L3 cable.
Ground Connection
Remove the screw on the ground terminal and secure the cable with a screwdriver.
Figure 4.16
Inveter ground protection

External AC Circuit Breaker and Residual Current Device
Please install a circuit breaker to ensure the inveter is able to disconnect from grid safely.
The inveter is integrated with an RCMU, however, an external RCD is needed to protect the system from tripping, either type A or type B RCD are compatible with the inverter.
The integrated leakage current detector of inverter is able to detect the real-time external current leakage. When a leakage current detected exceeds the limitation, the inverter will be disconnected from the grid quickly, if an external residual current device is connected, the action current should be 30mA or higher.
DEBUGGING instructions
Introduction of LED Indicator

Instructions of the Inteface

Commissioning
Start up:
- Connect the AC circuit breaker
- Connect the DC circuit breaker between inveter and battery (if applicable)
- Turn ON the battery (if applicable)
- Turn ON the DC switch on the inveter
- Install the communication module into the inveter
- Setup the initial setting for inveter on eSolar APP
- Obese the LED indicators on the inveter to ensure the inveter is running properly
eSolar APP
Connection
Step 1
Login to eSolar O&M APP and click on “My” and select “Remote Configuration”
Step 2
Click on “Bluetooth” and activate the Bluetooth function on your phone, then click on “Next”
Step 3
Choose your inveter according to your inveter SN’s tail numbers
Step 4
Click on the inveter to enter inveter setting

Fault code

Recycling and Disposal
This device should not be disposed as residential waste. An Inveter that has reached the end of its life and is not required to be returned to your dealer, it must be disposed carefully by an approved collection and recycling facility in your area.





























