
RPK5-GM4102
Complete Radio Replacement Kit with Integrated Climate
Control Retention for 2010-2015 Chevrolet Camaro
Overview
The RPK5-GM4102 is a complete radio replacement kit with integrated climate control retention for the 2010-2015 Chevrolet Camaro. This kit comes equipped with factory-style HVAC control knobs for a factory look and experience. To add to the factory look and experience, the exterior temperature display is retained by a small OLED display at the top of the kit retaining this valuable vehicle feature. This kit also includes all of the modules and cables needed to retain all of the important features of the factory system such as OnStar, factory warning chimes, factory Bluetooth, steering wheel mounted radio controls, factory reverse camera, factory amplifier (if equipped), factory AUX jack (if equipped) and the factory USB port (if equipped). The RPK5-GM4102 also provides data bus-driven outputs such as retained accessory power (RAP), vehicle speed sensor (VSS), illumination, reverse trigger, and parking brake. The use of this interface also allows you to program two radio functions to each SWC button by using short press long press dual command functionality.
Important Notes
- These instructions only apply to R.2.5.6.3 or later revisions of the RP5 interface. The revision info can be found on a small white sticker on the interface.
- The center inserts on the control knobs are made to install once! They are not easily removable/swappable. Please ensure you have selected the correct inserts for your installation before snapping the inserts into the control knobs. In the event that the center inserts need to be removed, see the troubleshooting section on page 9.
- For vehicles with heated seats: When installing the center caps, you need to first install the light pipes. They are keyed so they will only fit one way. Pay close attention to the shape and orientation of the light pipes to ensure correct lighting.
- When discussing the control knobs, we will refer to “Left” indicating the driver’s side, and “Right” indicating the passenger side.
- It is recommended that the user’s phone(s) be “Unpaired” from the factory Bluetooth. This will ensure the user’s phone will always pair to the aftermarket radio’s Bluetooth.
- Once the radio has been removed, the vehicle settings which are normally selected through the factory radio can be accessed using the PAC-UP along with the PAC Vehicle Settings program (for windows PC), which can be downloaded here: http://www.pac-audio.com/firmware.
- The Answer/Voice and End/Mute buttons can be set to control the factory OnStar functions or to control the aftermarket radio. This option can be found in the PAC Vehicle Settings program mentioned above in note one. The default setting for these buttons is to control the factory OnStar. If these buttons are set to control the aftermarket radio, OnStar can still be accessed by using the mirror controls.
- The radio replacement interface comes pre-programmed for all of the vehicle’s factory SWC functions and does not require programming unless you wish to re-assign the SWC functions or utilize the short press long press dual command functionality. The SWC can always be restored to default settings by pressing and releasing the program button on the side of the interface once and waiting 7 seconds for the LED to flash 4 times.
- The radio select rotary switch on the side of the interface must be adjusted to the proper radio setting before plugging the interface into the vehicle (see page 4 for setting chart).
Parts List
The RPK5-GM4102 includes everything you need for a professional installation of an aftermarket radio in your Camaro. This kit contains:
- Dash Kit
• (x1) PAC HVAC Control Panel (including factory-style HVAC knobs)
• (x2) Radio Mounting Brackets (One left and one right)
• (x1) Pocket (For single DIN applications)
• (x8) Radio Mounting Screws - RP5-GM4101 (Camaro specific radio replacement module)
- A camaro-specific antenna adapter (BAA-DIN22).
- Reverse camera retention harness for vehicles equipped with the MyLink system.
- USB retention cable. This cable is compatible with vehicles equipped with the MyLink radios and vehicles equipped with the standard non-touchscreen radios. It will require that the cable be run to the back of the center console.
- AUX retention cable for 2010-2012 vehicles equipped with the standard non-touchscreen radios and a USB port.

Removing the factory radio from the vehicle
1.1 – Apply the parking brake. Move the transmission shift assembly to the most rearward position possible. Use a flat-bladed plastic trim tool to release the retainer tabs securing the front floor console front cover to the console assembly. Lift the cover (1) up and towards the rear, making sure that the accessory power receptacle and the electronic traction control switch clear the transmission shift assembly. It may be necessary to pop these items loose from the underside to achieve clearance. Disconnect the harnesses.


1.2 – Remove the 2 x 7mm bolts (1) securing the radio control assembly (2) into the dash. Then use a flat-bladed plastic trim tool to release the retainer clips securing the radio control assembly (2) to the instrument panel. Disconnect the electrical connections.

You can now set the factory radio aside as it will not be needed any longer.
Proceed to the next section to transfer the retention clips from the factory radio control assembly to the PAC HVAC control assembly.
Dash Panel Assembly
To secure the top of the PAC HVAC control assembly into the dash, remove two of the retention clips located on the backside at the top of the factory radio control assembly, and reuse them on the PAC HVAC control assembly.
2.1 – Using a flat-bladed pry tool, carefully remove two of the retention clips off of the black plastic backing of the factory radio control assembly.

2.2 – Slide the retention clips (removed during the previous step) onto the two black posts at the top of the PAC HVAC control assembly.

Knob Inserts
For vehicles without heated seats: Remove the center cap called “Blank Left” and snap that into the climate control knob labeled Left. The insert is keyed, so it will only fit in one orientation. Remove the center cap called “Blank Right” and snap it into the climate control knob labeled Right.
For vehicles equipped with heated seats: Carefully open the package labeled “Heated Seat Left”. There will be a center cap and 2 small, clear plastic, light pipes. They are keyed, so they will only fit in one specific hole each.
- From the front of the control knob, insert the light pipes (non-keyed side first) into the small rectangular openings.
- The left light pipe (A) has a key tab on the narrow side. Insert this light pipe with the key facing down.
- The right light pipe (B) has the key tab on the wide side. Insert this light pipe with the key facing to the right.

Interface Wiring Connection Chart
Aftermarket Radio Connections
| Yellow * | +12v from RP5 DO NOT USE |
| Yellow * | +12v from vehicle |
| Black ** | Ground from RP5 DO NOT USE |
| Black ** | Ground from vehicle |
| Red | Accessory. Output |
| White | Front Left + input |
| White / Black | Front Left – input |
| Grey | Front Right + input |
| Grey / Black | Front Right – input |
| Green | Rear Left + input |
| Green / Black | Rear Left – input |
| Purple | Rear Right + input |
| Purple / Black | Rear Right – input |
| Light Green | Parking Brake Output (-) |
| Pink | Vehicle Speed Output |
| Orange / White | Illumination Output (+) |
| Purple / White | Reverse Output (+) |
| Blue / White | Amplifier Remote Turn On |
| Blue | Not Used |
| Brown Loop | Mute Loop – See Note Installation Step 4 on Page 5 |
SWC Connector
| Blue / Yellow | Kenwood, or Newer JVC |
| 3.5mm Jack | Alpine, JVC, Clarion, Pioneer, Sony, Boyo, Dual, Lightning Audio, Visteon, Jensen or Advent |
Antenna Adapter
| Blue | Power Antenna output from aftermarket radio |
RCA Connectors (Main Connector)
| Red | AUX Audio Retention Right |
| White | AUX Audio Retention Left |
RCA Connector (Grey connector)
| Yellow | Reverse Camera |
3.5mm Connector (Black connector)
| 3.5mm Jack x3 | AUX retention for 20102012 vehicles equipped with a factory USB port. |
Interface Illustration / Schematic
Wiring

SWC Connection
Interface Installation Steps
SET RADIO SELECT SWITCH
| Alpine | JVC | Kenwood | Clarion /Nakamichi | Pioneer/Other | Sony | Fusion |
| 1 | 2 | 3 | 4 | 7 | 8 | 9 |
Other Advent, BOYO, Dual, Jensen, Lightning Audio, Rockford Fosgate & Visteon
- The radio select rotary switch on the side of the interface must be adjusted to the proper radio setting before plugging the interface into the vehicle.
- Make all connections as described in the chart above.
- Plug the CMX chime module in if necessary (If the vehicle chimes when the radio is removed, the CMX is not necessary).
PLEASE NOTE:
In order to get the best possible sound out of the CMX please mount it in a place free and clear of any obstructions, preferably as close as possible to the bottom of the dash pointing down toward the floor of the vehicle. - The Mute loop (if not cut) will turn the accessory output off when an OnStar or Bluetooth call is made or received. If the aftermarket radio has a mute input, cut this loop and connect the outer Brown wire to the mute input.
- Connect the SWC wire according to the chart on page 4 (aftermarket radio MUST support a wired remote input).
- If you wish to reassign functions to the SWC follow the programming instructions in the next section.
- Connect the proper AUX cables depending if your vehicle has the MyLink or standard non-touchscreen radio equipped with a USB port.
- Connect the supplied USB retention cable. MyLink radios will have a mini USB cable behind the radio. In this case, the USB-GM1 cable (sold separately) can be used. The supplied cable will need to be run to the back of the factory USB port located at the rear of the center console.
USB and AUX cable Installation

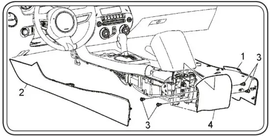
- Use a flat-bladed plastic trim tool and release the retainer clips securing the console’s (1) right and (2) left side covers to the front floor console assembly.
- Move the front seats to the forward most position.
- Remove the 4 Phillips head bolts (3) securing the console’s rear cover (4) to the front floor console.
- Remove the front floor console rear cover (4).
- Remove the electrical connections from the back of the AUX and USB panel located inside the center console.
- Connect the RPK5-GM4101-AUX-HAR and the RPK5-GM4101USB-HAR (if the vehicle is equipped with factory AUX).
- Route the new AUX and USB cables down the driver side and using a fish tape, route the cables up into the radio cavity.
Default Steering Wheel Assignments
IMPORTANT! The interface comes pre-programmed for the functions listed in the chart below and does not require programming unless you wish to re-assign the SWC functions or utilize short press long press dual command functionality. The SWC functions can always be restored to default settings by pressing the program button on the side of the interface once and waiting for the time out.
The Mute/End button has two functions. Pressing this button for less than 1.5 seconds will initiate the mute command. Pressing this button for more than 1.5 seconds will initiate the end command. This dual function button can also be reprogrammed to whatever features the customer chooses.
Default SWC Button Assignments
| Alpine | JVC | Kenwood | Clarion/ Nakamichi | Pioneer | Sony | Fusion | |
| Volume + | Volume + | Volume + | Volume + | Volume + | Volume + | Volume + | Volume + |
| Volume – | Volume – | Volume – | Volume – | Volume – | Volume – | Volume – | Volume – |
| Source | Source | Source | Source | Source | Source | Source | Source |
| Track + | Track + | Track + | Track + | Search + | Track + | Track + | Track + |
| Track – | Track – | Track – | Track – | Search – | Track – | Track – | Track – |
| Answer/Voice | Answer/OnStar Activation | Answer/OnStar Activation | Answer/OnStar Activation | Answer/OnStar Activation | Answer/OnStar Activation | Answer/OnStar Activation | Answer/OnStar Activation |
| Mute/End | Mute/Factory Bluetooth End | Mute/Factory Bluetooth End | Mute/Factory Bluetooth End | Mute/Factory Bluetooth End | Mute/Factory Bluetooth End | Mute/Factory Bluetooth End | Mute/Factory Bluetooth End |
If you wish to re-assign the SWC functions or utilize short press long press dual command functionality, the interface must be programmed in the specific order shown in the chart on the next page. If you come across a function in the chart that your steering wheel does not have, or you do not want to program, press and release the program button on the side of the interface to skip that function. The LED will flash off and on confirming that you have successfully skipped that function and are ready to proceed to the next one.
Optional Steering Wheel Control Programming
Short Press Long Press Dual Command Functionality
This feature allows you to assign two aftermarket radio functions to each of the vehicle’s SWC buttons. It can be used with as many of the buttons as the user likes or none at all. When this functionality is implemented, quickly pressing and releasing an SWC button will initiate the short press command, while pressing and holding an SWC button for longer than two seconds will initiate the long press command. Please note that all buttons except the Mute button do not have a long press command programmed by default. If you wish to assign dual command functionality to the SWC please follow the programming steps on the next page.
Optional Programming Order
| Alpine | JVC | Kenwood | Clarion / Nakamichi | Other | Pioneer | Sony | Fusion | |
| 1 | Volume + | Volume + | Volume + | Volume + | Volume + | Volume + | Volume + | Volume + |
| 2 | Volume – | Volume – | Volume – | Volume – | Volume – | Volume – | Volume – | Volume – |
| 3 | Mute | Mute | Mute | Mute | Mute | Mute | Mute | Mute |
| 4 | Preset + | Source | Source | Source | Preset + | Preset + | Preset + | Source |
| 5 | Preset – | Track + | Play | Search + | Preset – | Preset – | Preset – | Track + |
| 6 | Source | Track – | Track + | Search – | Source | Source | Source | Track – |
| 7 | Track + | Band/Disc + | Track – | Band | Track + | Track + | Track + | Audio |
| 8 | Track – | Preset/Disc – | Disc/FM + | Send/End | Track – | Track – | Track – | Power |
| 9 | Power | Select | Disc/AM – | Send | Band | Band | Band | |
| 10 | Enter/Play | Attenuation | Answer | End | Answer | Phone Menu | Reject Call/Source (Bluetooth equipped radios only) | |
| 11 | Band/Program | Phone Receive | Voice Dial | END | Answer Call | Answer/End Call | ||
| 12 | Receive | Phone Reject | On-Hook | PTT | End Call | |||
| 13 | End | Voice Dial | Off-Hook | VR | ||||
| 14 | VR | Power | Mute (Multimedia units only) | |||||
| 15 | Preset + | |||||||
| – Advent, Boyo, Dual, Lightning Audio, Jensen, Rockford Fosgate & Visteon – Jensen & Advent ONLY | ||||||||
Programming the SWC assignments
- Turn the key to the ignition position.
- Press and release the programming button on the side of the interface. The SWC LED will turn on solid.
- Within 7 seconds, press the button that is to be learned on the steering wheel. The SWC LED will turn off when the button is pressed. At this point you have two options:
A. For short press functionality: Release the button within 1.5 seconds. The SWC LED will turn back on.
B. For long-press functionality: Hold the button until the SWC LED starts blinking. Release the button and the SWC LED will go back to solid. - If you need to program more buttons, repeat step 3 for each additional audio function on the steering wheel.
- If you come across a function in the chart that your steering wheel does not have, or you do not want to program, press and release the program button on the side of the interface to skip that function.
- Once programming is completed, wait seven seconds. The SWC LED will flash three times indicating the end of programming.
- Test the interface for proper functionality. Whenever an SWC is pressed the SWC LED on the interface should blink. If any function does not work, repeat the programming steps.
Sub-Dash Preparation


Note: Some radios will require extra depth during installation. If you encounter this issue please follow the next two steps to modify the dash for extra clearance.
***Warning: Check for factory wiring harnesses around (including behind) this area before cutting. Use caution not to cut any of this wiring!***
Kit Assembly Instructions
Single DIN Mount Applications
- Snap and lock each of the side brackets onto the pocket. (FIG 1)
- Insert ISO mountable radio between the side mount brackets and loosely attach to the sides of the radio using the screws provided with the radio when possible or the hardware included with the kit.
- Slide radio component forward or backward for the desired look and tighten screws.
- Attach a rear support bracket to the rear of the new radio and adjust as necessary to attach to the rear support stud located on the back of the pocket using the small Phillips screw supplied with the kit (optional).
- Insert kit and radio into the dash. Line up with the factory mounting point. Secure to the dash using the factory 7mm bolts.
Double DIN Mount Applications
- Remove the Shaded tab from the back edge of each left and right mounting bracket (right side not shown). (FIG 2)
- Attach the left and right side brackets to an ISO mountable radio using screws provided with the radio when possible or hardware included with the kit. (FIG 3)
- Insert kit and radio into the dash. Line up with the factory mounting point. Secure to the dash using the factory 7mm bolts.

Installation of the PAC HVAC control panel
Vehicles equipped with Non-MyLink radios
- Connect the RPK5-GM4101-KIT-HAR to the vehicle’s white 20-pin connector that was originally connected to the factory HVAC control panel.
- Connect the 8-pin Black Micro-fit Molex connector to the circuit board mounted to the backside of the PAC HVAC control module
- Tape up or remove the loose Orange / Black and Pink / Black wires as they are only needed for applications where the vehicle was factory equipped with the touchscreen MyLink radio. (see next page)
- Fit the PAC HVAC control panel into the vehicle opening and secure it at the bottom using the factory mounting hardware.
- Assemble the remaining pieces of the dash.
Vehicles equipped with MyLink radio
- Connect the RPK5-GM4101-KIT-HAR to the vehicle’s white 20-pin connector that was originally connected to the factory Radio control panel.
- Connect the 8-pin Black Micro-fit Molex connector to the circuit board mounted to the backside of the PAC HVAC control module.
- Locate the Orange / Black (Pin 15) and Pink / Black (Pin 19) wires in the 27-Pin Lt. Blue connector at the Body Control Module (BCM). The BCM is located under the driver’s side of the dash.
- Connect the loose end of the Orange / Black extension wire to the Orange / Black wire in Pin 15.
- Connect the loose end of the Pink / Black extension wire to the Pink / Black wire in Pin 19.
- Route both of the extension wires to the right and through the same opening that the White 20-pin connector passes through and connect them to the bullet connectors on the RPK5-GM4101-KIT-HAR. Be sure to not route these wires near any moving parts as it could cause damage to these wires in the event they become pinched.
** If the kit-mounted door lock buttons operate in reverse after the connection of these wires, then the Orange / Black wire and Pink / Black have been connected in reverse. To fix, reverse the connections at the wires or simply swap the wires at the bullet connectors** - Fit the PAC HVAC control panel into the vehicle opening and secure at the bottom using the factory mounting hardware.
- Assemble the remaining pieces of the dash.

Interface Testing and Verification
- Turn the ignition on. The LED on the interface will turn on and the +12v accessory wire will turn on.
- Turn on the radio and check the balance and fade.
- Verify that all SWCs are functioning properly for both the aftermarket radio and OnStar. To adjust the OnStar volume, press the OnStar button on the mirror then use the volume buttons on the SWC to adjust the level. The volume will raise a total of 8 times before returning to the original level.
- Pressing the OnStar button on the rearview mirror will turn off the rear speakers and allow the OnStar audio to be heard in the two front speakers. The OnStar active LED will also turn on. When OnStar disconnects, the radio will unmute or turn back on and the OnStar LED will turn off. Pressing the Mute/OnStar button on the steering wheel for 1.5 seconds will also activate Onstar.
- Turn off the vehicle and remove key. RAP will be active and keep the radio on for 10 minutes, or until the driver’s door is opened.
- The Accessory LED and radio will turn off when RAP turns off or the driver’s door is opened.
PAC HVAC Control Panel Testing and Verification
- Turn the ignition on. The LCD at the top of the kit should come on and display the external temperature.
- Verify the functionality of the lock, unlock and hazard buttons.
- Verify the functionality of the rotary dials and all of the pushbuttons on each of the HVAC knobs.
- For double DIN applications equipped with a 7” screen, verify that the face of the radio does not come in contact with the kit when ejecting a disk. If it does you will need to adjust the placement of the double-DIN radio in the mounting brackets.
- Verify the LED backlights dim when using the factory dimmer control.
- Verify that the kit, including the temperature LCD, shuts off when the key is turned to the off position.
Product Updates (Firmware)
The interface can be updated with new firmware as it becomes available using the PAC-UP interface updater (sold separately).
Please visit www.PAC-audio.com/firmware for available updates.
The HVAC board can also be updated with new firmware using the RadioPRO application found at the same website link above.
Temperature Display Settings and Operation
The temperature display is a multifunction display that will display the temperature, and the firmware version number and allow you to change between the preloaded splash screen options.
Switching between Fahrenheit and Celsius:
Press and hold the A/C (snowflake) button for 5 seconds to switch the temperature display at the top of the kit between Celsius and Fahrenheit.
Pressing and holding the A/C (snowflake) button again for 5 seconds will switch it back.
The Kit will default to Fahrenheit upon first power-up or upon a power cycle (remove and apply power to kit).
Displaying the Firmware Version of the PAC HVAC Control Panel:
Press and hold the recirculation button for 5 seconds to display the firmware version of the PAC HVAC control panel.
Changing the Splash Screen:
Press and hold the rear defrost button for 5 seconds to change the splash screen that is shown when the kit powers up. Each time the button is pressed and held for 5 seconds it will advance to the next splash screen. Once the splash screen has changed you will need to release the button and press and hold it for 5 seconds for it to change again. For the order in which the splash screens will change when the button is held, see below:

Troubleshooting
To remove/swap the center inserts in the knob assemblies:
1) Access the back of the control knobs.
2) Carefully remove the 2 small Phillips screws, securing the light pipe into the control knob assembly.
3) Remove the light pipe from the control knob assembly, and set it aside.
4) Looking down into the center of the knob assembly, notice the two gray tabs, one on each side.
5) Using a very small flat-blade screwdriver, carefully insert the screwdriver on the outside of the gray tabs, to disengage the latch.
6) Remove the center insert, and replace it with the correct insert for your vehicle (heated seats or blank).
© 2019 AAMP Global. All rights reserved. PAC is a Power Brand of AAMP Global.
Email – [email protected] – Phone: 727-592-5991


















