Danfoss 148R9639 Gas detection Service Tool Installation Guide
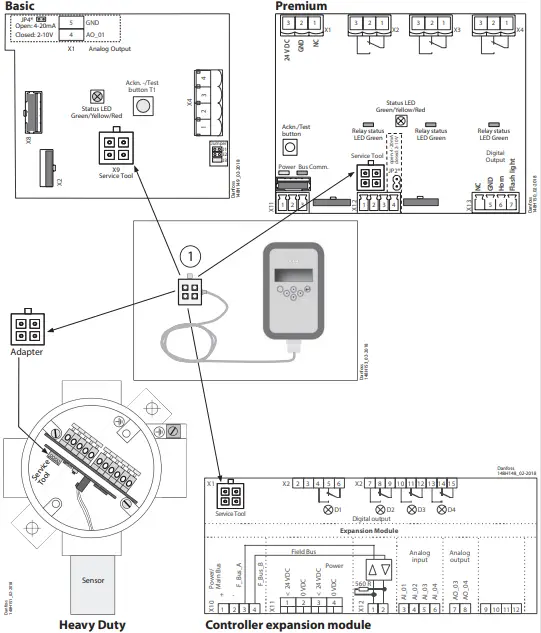
Connection instruction

- Plug-in Service tool plug
- Await Display light
- Follow instructions in User Guide DKRCI.PS.S00.B1.02
Software features
- Addressing of the Basic, Premium and Heavy Duty devices
- Calibration of the Basic, Premium and Heavy Duty devices
- Configuration of application parameters of the Basic, Premium and Heavy Duty devices
- Monitoring of all measuring values at a glance, live
To access the user guide please go to further documentation.
Danfoss A/S
Climate Solutions
danfoss.com
+45 7488 2222
Any information, including, but not limited to information on selection of product, its application or use, product design, weight, dimensions, capacity or any other technical data in product manuals, catalogues descriptions, advertisements, etc. and whether made available in writing, orally, electronically, online or via download, shall be considered informative, and is only binding if and to the extent, explicit reference is made In a quotation or order confirmation. Danfoss cannot accept any responsibility for possible errors In catalogues, brochures, videos and other material. Danfoss reserves the right to alter its products without notice. This also applies to products ordered but not delivered provided that such alterations can be made without changes to form, fit or function of the product. All trademarks in this material are property of Danfoss A/S or Danfoss group companies. Danfoss and the Danfoss logo are trademarks of Danfoss A/S. All rights reserved.

















