C02/02 Cellarwarn Duo
Operating Instructions
Product Instruction
Thank you for selecting the
and 02 Monitor. It is designed to detect the presence of Carbon Dioxide and Oxygen in the ambient air to protect people in confined spaces. High concentrations of CO2 or low concentrations of Oxygen in confined spaces are dangerous and may lead to he011h problems ranging from headaches and fatigue to asphyxiation and death. The
two CO2 & 02 Monitors with the audible alarm and visual indication will activate when CO2 or 02 concentration reaches the pre-set level. Detection of high levels of CO2 will also activate a relay that could be used for a fan or air-conditioning system to ventilate the confined space. 0th reduce CO2 concentration and add 02 concentration in the area. The c/w P CO2 & 02 Monitor can be widely used in CO2 storage areas, breweries, wineries, cellars, beverage dispensing areas, and fast food outlets. ZGa21 CO2 & 02 Monitor is cost-effective and has many features:
- Dual Beam NDIR (Non-Dispersive Infrared) technology is used to measure CO2 concentration up to 50,000ppm (parts per million) and electrochemical technology to measure 02 concentration up to 30%.
- With the SEU (Sensor Unit) and RDU (Remote Display Unit), ii can connect up to 3 RDUs for safety notices.
- The large digital LCD display clearly indicates the ambient CO2& 02 concentration.
- The relay output can automatically control a fan lo ventilate confined spaces.
- .Audible and visual alarm indications.
- IP65 Waler Proof Protection of SEU (Sensor Unit).
Pack e Content Cfleck & Main Unit View
The
package comprises the following parts:
Main Unit·
| SEU( Sensor Unit) | RDU (Remote Display Unit) | Panel holders |
| User manual | 8 meters (26 feet) communication cable | |
Accessones:
| Plug lock | 1 pcs | Screw | 10pcs | Expansion Plug | 10 pcs |
| Nail cable clip | 10 pcs | Warning paper | 1 pcs | ||
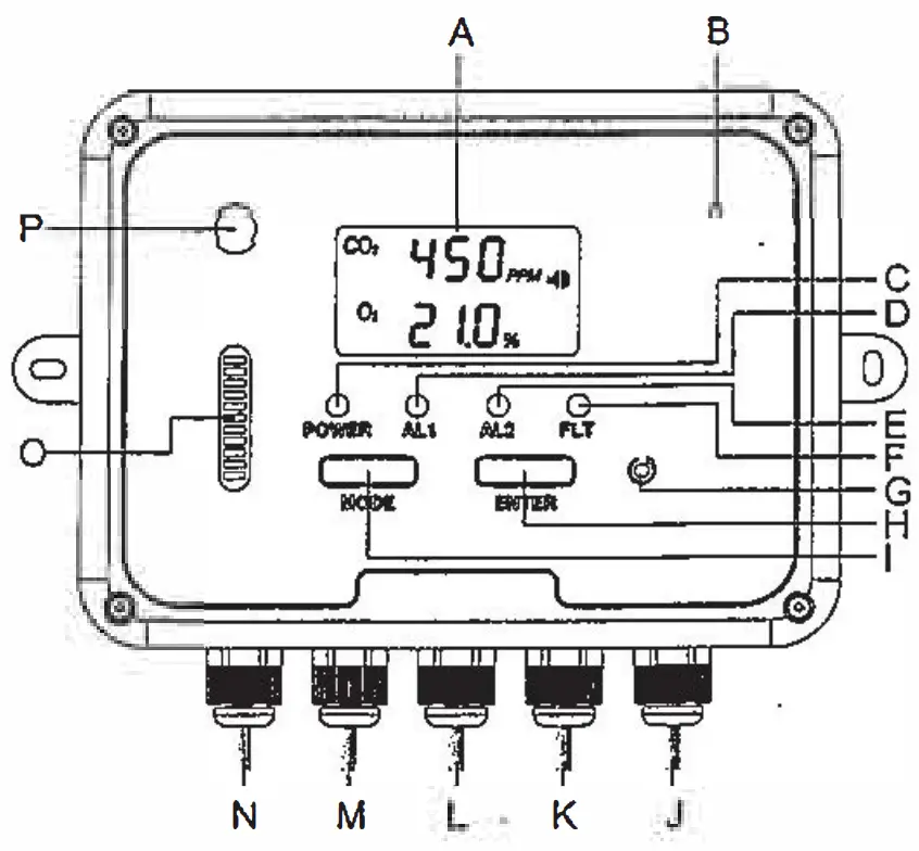
SEU (Sensor Unit)

| A. LCD display 8. Buzzer (Option) C. Green LED (Power indication) D. Red 1 LED(AL1) E. Red 2 LED( AL2 ) F. Yellow LED( Fault indication) G. Reset Button H. Enter Button | I. Mode Button J. CO2 Relay output (red& white: NO, blue& white: NC) K. 02 Relay output (red& white: NO, blue& white: NC) L. Analog output(red&white:CO2, blue &white: 02) M. Communication Cable to RDU N. Power Supply O. CO2 entry P. 02 entry |
RDU (Remote Display Unit)

| Q. Green LED(Power indication) R. Red 1LED (AL 1 ) S. Red 2 LED ( AL2) T. Yellow LED ( Fault indication) U. LCD display | V. Mode Button W. Enter Button X. Buzzer Y. RJ45 Plug for next RDU (Output) Z. RJ45 Plug for SEU( Input) |
LCD Display Symbol
| Symbol | Meaning | Description |
| CO2 Concentration ppm (Parts Per Million) | ambient CO2 concentration | |
| 02 Concentration | ambient 02 concentration | |
| Alarm | alarm icon | |
| DIAG | Diagnose | Test communications between the SELI and RDU |
| AL 1 | CO2/02 First Alarm level | The relay will be triggered when CO2 concentration exceeds the first alarm level or 02 concentration drops the first alarm level, the Red 1 LED will flash. |
| AL 2 | CO2/02 Second Alarm level | Safety Notice “ESC” displays on LCD when CO2 concentration exceeds the second alarm level or 02 concentration drops the second alarm level. The Red I& Red 2 LEDs will flash. |
| CALIBRATING | Calibration | To calibrate the CO2 sensor /02 sensor when the accuracy deviates from the actual CO2102 concentration. |
| ReFactSet | Recover Factory Setting | To recover factory default settings and cancel any customized settings. |
| ESC | To indicate the CO2 leakage once the CO2 level is above the second alarm level. |
| Hi | The CO2 concentration is above 5%, or the 02 concentration is Higher than 30%. | |
| Fan | If CO2<Alarml and 02 >Alarml, there is no fan running; If CO2 >Alarml or 02<Alarml, fan will run. |
SEU (Sensor Unit) Function Instruction
The SEU (Sensor Unit) should be placed in a room where -the CO2 is likely to accumulate or 02 reduce, such as a room where CO2 is stored, like an area with CO2 beverages. The large LCD displays the ambient CO2 & 02 concentration.
The SEU has the ‘DIAG”, ‘AL1″, ‘AL2 “‘ CALI’, ‘ReFactSet’ function. The “DIAG” function executes communication tests between the SEU and RDU. The user can do the calibration under the “CALI’ mode when necessary. If data-setting is done incorrectly, the user can use the ‘ReFactSet” back to the original factory setting. There have ‘AL1’ ‘AL2’ two alarm levels, the alarm level is adjustable, the first alarm level of CO2 is with parameter 5000ppm, 1 %, 1.5%, 2%, the default first alarm level is 1.5%; the first alarm level of 02 is with parameter 18%,18.5%,19%,19.5%,20%, the default first alarm level is 19%.The second alarm level of CO2 is with parameter 1.5%, 2%, 2.5%, 3%, 3.5%, 4%, the default second alarm level is 3%; the second alarm level of 02 is with parameter 16%,16.5%;17%,17.5%,18%, the default second alarm level is 17%.
When the
CO2 &02 Monitor detects CO2 concentration exceeds the first alarm level or 02 concentration drops the first alarm level, the red 1 LED will blink the relay will be triggered. When CO2 concentration drops the first alarm level, or 02 concentration rise to the first alarm level, the red 1 LED will stop blinking.
If the concentration of CO2 continues to rise above the second alarm level, or the concentration of 02 drops the second alarm level, the red 1 and red 2 LED’s will flash together. When CO2 concentration drops below the second alarm level, even to the first alarm level, the red 1 and red 2 lED’s will remain blinking (This function is latch design. Based on DIN6653-2). Unless the ZGa21 is restarted, by means of reset button of
or unplug the AC adapter and reconnected it.
The green LED will light continuously when the power is_normally supplied. Warning: If the ambient CO2 concentration reaches the second alarm level on SEU & RDU, there will be a safety notice “ESC’ displays on the LCD, Careful action, such as ventilating the space, must be taken before entering the room where the SEU is placed.
If the communication cable between the SEU & RDU doesn’t connect well, like the communication cable looses in the Input port, the fault LED of SEU will blink, reconnect the cable, if the cable is inserted into the output port, on RDU, after one minute, the ‘Er7” will flash on LCD. Unplug the cable and plug it into the Input port. The unit will work normal! after corrective action.
RDU (Remote Display Unit) Function Instruction
The RDU (Remote Display Unit) should be placed outside the room when in use.
The RDU is connected to the SEU with a wire that has a maximum length of 8 meters (26 feet). The RDU should be placed where it can be conveniently observed before entering the room where the SEU is located. The RDU is a repeater, and displays the measurements made by the SEU on an easy-to-read digital LCD along with important safety information.
The RDU has ‘DIAG’ function. The ‘DIAG’ can test the communication between the SEU and RDU. Resetting the
CO2 and 02 Monitor is only available from SEU.
Safety Note
Warning: Your safety is very important to us. To ensure to use the product correctly and safety, please read these wam·ings and the entire User Manual before using the product. Otherwise, the protection provided by the equipment may be impaired. These warnings provide important safety information and should be observed at all times.
- 1. Please handle the device carefully; do not subject the product to impact or shock.
Otherwise, this may cause the accuracy drift. - Do not place the unit or the adaptor near a heat source. Heat can cause distortion of the unit, which may result in an explosion or fire.
- Do not touch the exposed electronic circuitry of the device under any circumstances, as there is the dangerous of electric shocks.
- Please use only the included power adaptor. Improper power adaptor or power sources can cause serious damage to the product, or result in injury or death to the user.
- Please use the ‘DIAG” function to verify the communication between SEU and RDU, to make sure the communication between SEU and RDU works normally.
- Please make sure that lhe power adaptor is mounted by plug lock tightly, so the pcwer adapter can not be disconnected without using of mechanical tools.
- Do not enter into the room directly if there has safety notice ‘ESC’ displays on the LCD of SEU & RDU. Some careful and protective action must be taken before entering the roonJ where the SEU is installed.
- Please take care of cable connection between SEU and RDU. Make sure the cable from SEU is connected into the INPUT port ol RDU.
- Please ensure the external power supply is normally supplied to ventilation fan while the relay is working. If there has no normally power supply to !_he fan, the relay will not work, which may result in potential danger with high CO2 concentration or low 02 concentration in confined s ace.
Caring For Product
To make sure to receive the maximum benefit from using this product, please observe the follow guidelines.
- Repair – Do not attempt to repair the product or modify the circuitry by yourself.
Please contact your local dealer or a qualified repairman if the product needs servicing, including the replacement or calibration of sensor. - Note: The oxygen sensor must be replaced every 3 years.
- Cleaning – Disconnect the power before cleaning. Use a damp cloth. Do not use liquid cleaning agents such as benzene, thinner or aerosols, as these will damage the device.
- Maintenance – We recommend users to test the communication between the SEU and RDU under ‘DIAG” function to verify the working conditions or the SEU_ and RDU. If the four LED’s blink simultaneously, it indicates that SEU and RDU work normally.
When the LCD displays a safety icon “ESC”, please.take immediate protective action to check if CO2 leakage has occurred. We suggest users to do the
calibration and thorough function check once within two years to make sure that the
CO2 and 02 Monitor is working properly.
Installation Instruction
Please carefully take out the SEU (Sensor Unit), RDU {Remote Display Unit), panel holders, network cable connector, 7 meters communication cable, user manual, plug lock, screws, expansion plugs, nail cable clips, warning paper from the package.
Step-by-Step Installation:
- Choose a suitable location to install the SEU. Fix the panel holder on the wall with the four screws {included); the recommend installation height is about 0.45 meters (1.5 feet) from floor and close to the manifolds and valves as possible.
- Put the SEU on the panel holder, making sure that they are connected tightly.
- Fix another panel holder in a suitable location outside the monitored space with screws {included). Push the RDU onto panel holder, and stick the warning paper next to RDU.
- The communication cable is pre-wired to the SEU. Route the cable to the RDU and fixed the communication cable to the wall by nail cable clips, and then plug the cable into the input port on the RDU. Communication is now ready between the SEU and RDU.
- The
CO2 and 02 Monitor has two relay output: one is for CO2 and the other is for 02. The relay cable is pre-wired to SEU. The relay can control a fan or blower to ventilate the monitored space when necessary and the relay will be triggered when the CO2 concentration exceeds the first alarm level or 02 concentration drops the first alarm level. - After finishing the installation, Connected the AC power adapter into the electrical supply outlet. Mount the Plug lock by expansion plugs so that the power adapter cannot be disconnected without use of mechanical tools.
- When the power has been connected, The SEU and the RDU will begin to work. Please use the “DIAG” function to verify the communication between SEU and RDU, the four LED’s will blink , after that the communication is ready, the content of display is same on SEU & RDU.


Customizing Settings
When power has been connected, the SEU and RDU will begin to monitor the CO2 & 02 concentration. In order to the get the timely alarm safety information and meet the personal requirements, it is advisable to set up the customizing parameter when necessary.
Temperature ºC/ºF
![]() |
| 1. Press ‘Enter’ to switch between ºC and ºF temperature. |
Using the Mute function:
![]() |
| 1. Press MODE the speaker icon flashes. |
| 2. Press ENTER, use Mode to select the on/off. |
| 3. Press ENTER auain to save the settina. |
Using the DIAG function:
![]() |
| 1. Press Mode until the ‘DIAG’ icon flashes. |
| 2. Press Enter, the four LED’s will blink on the. |
| 3. The four LED’s will blink simultaneous on the RDU |
Setting the CO2 First Alarm parameter:
![]() |
| 1. Press Mode until the ‘AU’ icon flashes |
| 2. Press Enter, the ‘AU’ icon shows on LCD |
| 3. Press Mode to go through ‘ 5000ppm,1%,1.5%,2W alarm level |
| 4. Press Enter again to save the setting after selection |
Setting the CO2 Second Alarm parameter:
![]() |
| 1. Press Mode until the ‘ ALT icon flashes |
| 2. Press Enter, the ‘Al% icon shows on LCD |
| 3. Press Mode to go through ‘1.5%32%,2.5%,3%,3.5%AW alarm level |
| 4. Press Enter again to save the setting after selection |
Note: Thesecond abrm level should be higher Than the fist alarm level when setting with the alarm level parameter.
Setting the 02 First Alarm parameter:
![]() |
| 1. Press Mode until the “AU’ icon flashes 2.Press Enter, the “ALI’ icon shows on LCD |
| 3. Press Mode to go through 18% 18.5%,19%,19.5%,20W alarm level |
| 4. Press Enter again to save the setting after selection |
Setting the 02 Second Alarm parameter
![]() |
| 1. Press Mode until the ‘AL 2’ icon flashes |
| 2. Press Enter, the ‘AL2’ icon shows on LCD |
| 3. Press Mode to go through “16%,16.5%,17%,17.5% 18%’ alarm level |
| 4. Press Enter again to save the setting after selection |
Note: The second alarm level should be lower than the first alarm level when setting with the alarm level parameter.
Using the CO2 CALI function:
![]() |
| 1. Press Mode until the “CALL” icon flashes. |
| 2. Press Enter, the “CALI’ and ‘ZEro” icons show on the LCD. Press and hold Mode for at least 10 seconds, the “CALIBRATING’ and “ZEro” icons will flash simultaneously. The calibration will be done automatically. After about 3 minutes the LCD will display “Pass” or Tail”. If “Fair, please try again. |
| 3. Press Enter, and the “GALS” and “SPAn” icons show on the LCD, press and hold Mode for at least 10 seconds, the “CALIBRATING” and “SPAn” Icon will flash simultaneously and the calibration will be done automatically After about 3 minutes the LCD will display Pass° or Tail”. If Tail’, please try again. |
Note: When do the calibration,
When doing the “ZEro” Calibration, please enter through N2.
When doing the “SPAn” Calibration, please enter through 4% CO2 gas.
Before doing a “ZEro/SPAn” calibration, it will take about 5 min to enter through CO2 to stabilize.
When do ZEro”/” SPAn” calibration, the reading is beating too often and calibration fails?
Using the 02 CALI function:
![]() |
| The 02 CALI function is as same as CO2’s. |
Note: When do the calibration,
When doing the “ZEC Carburation, please enter through N2.
When doing the “SPA” Calibration, please enter through 21% 02 gas.
Before doing “Zur/SPA” calibration, it will take about 5 min to enter through 02 to stabilize.
When doing “ZENSPA”, the reading Is beating too often and calibration falls.
Using the ReFactSet function:
![]() |
| 1. Press Mode until the “ReFactSet” icon flashes, |
| 2. Press Enter, and then press Mode to choose either “Yes’ or ‘No’. |
| 3. Press Enter again to save the selling after selecting. |
Note. if the user sets the data or calibrates the sensor incorrectly, use the ReFactSet (recover the factory Setting) to come back to the default factory setting.
Specification
CO2 & 02& Temperature specification:
| CO2 & 02 Specification | |
| Measurement Range | 002: 0 – 50,000ppm (5%) display |
| 02: 0- 30% display | |
| Display Resolution | 002: lOppm al 0-10,000ppm; 100com at 10,001-501000pom |
| 02: 0.1% | |
| Accuracy greater | 002: ±100ppm or ±5% of reading, whichever is |
| 02: Better than ± 3% of FS over 0.1 to 30% | |
| Repeatability | CO2:±20ppm @400ppm |
| 02: Less than -±1.0% | |
| Temperature Dependence | ±0.2% of reading per °C or ±2ppm per °C, whichever is greater referenced to 25°C |
| Pressure Dependence | 0.13% of reading per mm Hg |
| Response Time | 002: <60 seconds for 90% response to step change |
| 02: <30 seconds for 90% response to step change | |
| A L1 (First Alarm Level) | 002: 5000orn, 1 / 1.5 / 2 % , Default AL1= 1.5% |
| 02:18%,18.5%,19%,19.5%,20%, Default ALI=19% | |
| AL2 (Second Alarm Level) | CO2 1.5 / 2 / 2,5/ 3 / 3.5 / 4 % , Default AL2= 3% |
| 02: 16%,16.5%,17%,17.5%,18%, Default AL2=17% | |
| Warm-Up Time | <60 seconds at 22°C |
| Temperature Specification: | |
| Temperature Range | 0°C to 50°C (32°F to 122°F) |
| Display Resolution | 0.1°C (0.1 °F) |
| Display Options | °DT |
| Accuracy | ±1 °C(±2°F) when CO2 concentration is below the first alarm level |
| Response Time | 20-30 minutes (case must equalize with the environment) |
| Operating Conditions: | |
| Operating Temperature | 0°C to 40°C ( 32°F to 104°F) |
| Humidity Range | 0 – 95% RH non-condensing |
| Storage Conditions: | |
| Storage Temperature | -20°C to 60 °C (-4°F to 140°F) |
Power Supply & Relay Output:
| Power Supply | AC adapter 110/220 VAC | |
| AC Input | Voltage | 100 – 240 VAC |
| Frequency | 50 / 60 Hz | |
| Power Requirement | 1 W maximum @ 115 VAC 60 Hz 2 W maximum @ 230 VAC 50 Hz | |
| AC/DC Output | Voltage | 6VDC |
| Power | 3.0 W | |
| Peak Input Current | 0.5 A from 6 VDC | |
| Analog output | Two-channel linear current output: 4-20mA for 02, RL<1 500; 4-20mA for CO2, Rl_<1 500. | |
| Relay Output | Two Relay outputs Relay 1(CO2 Relay) operates at alarm 1 for CO2, Relay 2(02 Relay) operates at alarm 2 for 02, Peak Current< 2A@30 VDC or 250 VAC, SPDT. | |
Weight & Dimension
Weight: SEU (Sensor Unit):1200 g (including cables) RDU (Remote Display Unit): 120 g
Dimension: SEU (Sensor Unit)

Fault Codes & Troubleshooting Guide
This section includes a list of Frequently Asked Questions for problems you may encounter with the
CO2 &02 Monitor.
| No | LCD Fault Icon | Description (of the fault) | SEU Indication | RDU Indication | Suggested Actions |
| 1 | Er3 | The ambient temperature has exceeded the temperature range 000 to 50°C ( 32°F to 122°F) | ‘Er3″ flash Fault LED blink | tr3.” flash Fault LED blink | This error will disappear when the temperature returns to the range between 0°C and 50°C ( 32°F to 122°F) |
| 2 | Er4 | some wrong measurement or the sensor has exceeded its expected life | °Er4″ flash Fault LED blink | ‘Err flash Fault LED blink | Please unplug the AC adapter and reconnect it. If the “Er4” always appears, please contact the local dealer. |
| 3 | Er5 Er5 | EEPROM System Problem | “Er5” & “Er6” flash, Fault LED blink | “Er7” flash Fault LED blink | Please unplug the AC adapter and reconnect It. If the “Er5, Er6” always appears, please contact the local dealer. |
| 4 | Er7 | Internal Data Transmission Error | “Er7” flash, Fault LED blink | “Er7” flash, Fault LED Blink | 1. Please unplug the AC adapter and reconnected it. 2. Check if the RJ45 plug is connected to the INPUT port of RDU and if the “Er7” displays on the RDU orgy. |
| 5 | Er8 | The accuracy of the CO2& 02 sensors may deviate from the actual concentration. | mEr8″ flash Fault LED blink | “Er8” flash Fault LED blink | 1. Please unplug the AC adapter and reconnect it if the “Er8” still appears, please contact the local dealer. 2. Please calibrate the unit, after the calibration, If the °Er& still appears, please contact with the local dealer. |
Warning: This ver. The user manual,s the temporary one.
Distributed by Bracton.com +61 2 9938 1800
Ref.No.: 112013 



























