
Installation Guide
Danfoss Gas Sensor
Type DGS
Gas Sensor Type DGS
Technician use only!
This unit must be installed by a suitably qualified technician who will install this unit in accordance with these instructions and the standards set down in their particular industry/country. Suitably qualified operators of the unit should be aware of the regulations and standards set down by their industry/country for the operation of this unit.
These notes are only intended as a guide, and the manufacturer bears no responsibility for the installation or operation of this unit.
Failure to install and operate the unit in accordance with these instructions and with industry guidelines may cause serious injury including death, and the manufacturer will not be held responsible in this regard.
It is the installer’s responsibility to adequately ensure that the equipment is installed correctly and set up according to the environment and the application in which the products are being used.
Please observe that DGS works as a safety device securing a reaction to a detected high gas concentration. If a leakage occurs, the DGS will provide alarm functions, but it will not solve or take care of the leakage root cause itself.
Dimensions and appearance

Regular Test:
To maintain product performance and comply with the local requirements, the DGS must be tested regularly.
DGSs are provided with a test button that may be activated to validate the alarm reactions.
Additionally, the sensors must be tested by either bump test or calibration.
Danfoss recommends the following minimum calibration intervals:
DGS-IR: 60 months
DGS-SC: 12 months
DGS-PE: 6 months
With DGS-IR it is recommended to do an annual bump test in years without calibration.
Check local regulations on calibration or testing requirements.
Do not spray or pour pure refrigerant or other liquids onto the sensor head to perform a bump test. This may significantly reduce the lifetime of the sensor head or even destroy it. For propane: after exposure to a substantial gas leak, the sensor should be checked by bump test or calibration and replaced if necessary.
Location:
For all gases heavier than air, Danfoss recommends placing the sensor head app. 30cm (12″) above the floor and, if possible, in the air flow. All gases measured with these DGS sensors are heavier than air: HFC grp 1, HFC grp 2, HFC grp 3, CO2 and Propane.
For further details on Test and Location please see the Danfoss Application Guide: “Gas detection in refrigeration systems”.

Cable gland opening
![]() | ||
| Hole punching for cable gland: 1. Select the location for the safest cable entry 2. Use a sharp screwdriver and a small hammer 3. Place the screwdriver and hammer with precision while moving the screwdriver within a small area until the plastic is penetrated. | Continue precision punching with small movements until the round piece can be pulled out with your fingers. | Remove potential burrs and secure flat surfaces. Install the cable gland according to the enclosed guide. |
WARNING: be very careful not to damage the internal board components with the screwdriver.
Danfoss Gas Sensor DGS

Note: For what concern the power supply, please refer to chapter 3.10 Power Conditions and Shielding Conceptions in the User Guide (BC291049702513en-000201). A Class
II
power supply is recommended
Status LED / B&L:
GREEN is power on.
– flashing if maintenance needed YELLOW is an indicator of Error.
– the sensor head is disconnected or not the expected type
– AO configured as 0 – 20 mA, but no current is running
– flashing when sensor is in special mode (e.g. when changing parameters with the Service Tool)
– Supply voltage out of range
RED flashing: is an indication of alarm due to gas concentration level. The Buzzer & Light behaves identical to the status LED.
Ackn. / Test button / DI_01:
TEST: The button must be pressed for 8 sec.
– Critical and warning alarm is simulated and AO goes to max. (10 V/20 mA), stops on release.
ACKN: If pressed during critical alarm, as default* the relays and Buzzer go out of alarm condition and back on after 5 minutes if the alarm situation is still active.
* the duration and whether to include the relay status with this function or not is user defined.
DI_01 (terminals 1 and 2) is a dry-contact (potential-free) behaving identically to the Ackn./Test button.
DC supply for external Strobe&Horn
Whether the DGS is powered by 24 V DC or 24 V AC, a 24 V DC power supply (max. 50 mA) is available between terminals 1 and 5 on connector x1.
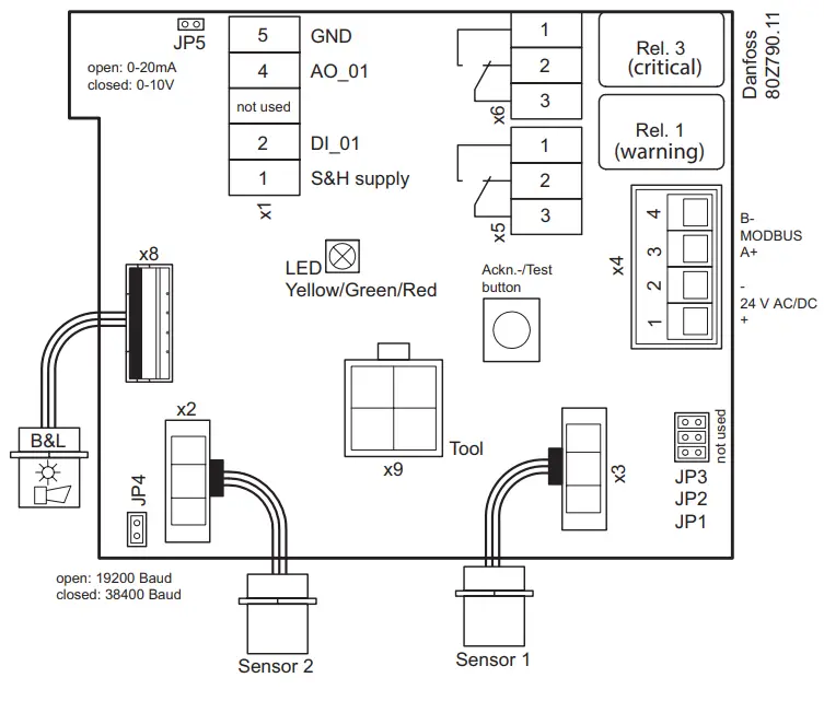
Jumpers
* JP4 open → 19200 Baud
JP4 closed → 38400 Baud (default)
* JP5 open → AO 0 – 20 mA
JP5 closed → AO 0 – 10 V (default)
Note: the DGS must be power cycled before any change to JP4 takes effect.
Analog Output:
If the analog output AO_01 is used (terminals 4 and 5) then you need the same ground potential for the AO and the connected device.
Note: JP1, JP2 and JP3 are not used.
DGS installation instructions
The DGS is available with one or two sensors and B&L (Buzzer and Light) as option (see fig. 1).
For sensors that can be poisoned by e.g. silicones like all semiconductor and catalytic bead sensors, it is imperative to only remove the protective cap after all silicones are dry, and then energize the device.
The sensor protection cap must be removed before taking the DGS into operation
Mounting and wiring
To wall mount the DGS, unscrew the lid by releasing the four plastic screws in each corner and remove the lid. Mount the DGS base to the wall by fitting screws through the holes which the lid screws were fastened by. Complete the mounting by re-applying the lid and fastening the screws.
The sensor head must always be mounted so that it points downwards. The DGS-IR sensor head is sensitive to shock – special attention should be paid to protect the sensor head from shocks during installation and operation.
Observe the recommended placing of the sensor head as stated on page 1.
Extra cable glands are added by following the instruction in fig. 2.
The exact position of the terminals for the sensors, alarm relays, digital input and analogue output is shown in the connection diagrams (see fig. 3).
The technical requirements and regulations for wiring, electrical security, as well as project specific and environmental requirements and regulations must be met.
Configuration
For convenient commissioning, the DGS is pre-configured and parameterized with factory-set defaults. See Menu Survey on page 5.
Jumpers are used to change the analogue output type and the MODBUS baud rate. See fig. 3.
For DGS with Buzzer & Light, alarm actions are given according to following table below.
System integration
To integrate the DGS with a Danfoss system manager or general BMS system, set the MODBUS address using the DGS Service Tool, using password “1234” when prompted. See the DGS User Guide for details on operating the DGS Service Tool.
The Baud Rate is adjusted by jumper JP4. As default, the setting is 38.4k Baud. For integration with AK-SM 720/350 change the setting to 19.2k Baud.
For more information about data communication see Danfoss document RC8AC–
Sensor replacement
The sensor is connected to the DGS via a plug connection enabling simple sensor exchange instead of an on-site calibration.
The internal replacement routine recognizes the exchanging process and the exchanged sensor and re-starts the measurement mode automatically.
The internal replacement routine also examines the sensor for actual type of gas and actual measuring range. If the data does not match the existing configuration, the built-in status LED indicates an error. If everything is OK the LED will light up green.
As an alternative, the on-site calibration via the DGS Service Tool can be performed with the integrated, user friendly calibration routine.
See the DGS User Guide for details on operating the DGS Service Tool.
| Action | Reaction Buzzer | Reaction Light | Warning relay 1** SPDT NO (Normally Open) | Critical relay 3** SPDT NC (Normally closed) |
| Loss of power to DGS | OFF | OFF | X (closed) | |
| Gas signal < warning alarm threshold | OFF | GREEN | ||
| Gas signal > warning alarm threshold | OFF | RED Slow flashing | X (closed) | |
| Gas signal > critical alarm threshold | ON | RED Fast flashing | X (closed) | X (closed) |
| Gas signal ≥ critical alarm threshold, but ackn. button pressed | OFF (ON after delay) | RED Fast flashing | X (closed)* | (open)* |
| No alarm, no fault | OFF | GREEN | ||
| No fault, but maintenance due | OFF | GREEN Slow flashing | ||
| Sensor communication error | OFF | YELLOW | ||
| DGS in special mode | OFF | YELLOW flashing |
Alarm thresholds can have the same value, therefore both the relays and the Buzzer and Light can be triggered simultaneously.
The alarm thresholds have a hysteresis of app. 5%
* whether to include the relay status with the acknowledge function or not is user defined.
** If the DGS has two sensors and the “Room Mode” is configured to “2 rooms” then relay 1 acts as a critical relay for sensor 1 and relay 3 acts as a critical relay for sensor 2. Both relays are SPDT NC. The Buzzer and Light operation is independent of the “Room Mode” setting.
DGS installation test
As DGS is a digital device with self-monitoring, all internal errors are visible via the LED and MODBUS alarm messages.
All other error sources often have their origins in other parts of the installation.
For fast and comfortable installation test we recommend proceeding as follows.
Optical Check
Right cable type used.
Correct mounting height according to definition in the section about mounting.
LED status – see DGS trouble shooting.
Functional test (for initial operation and maintenance)
Functional test is done by pressing the test button for more than 8 seconds and observing that all connected outputs (Buzzer, LED, Relay connected devices) are working properly. After deactivation all outputs must automatically return to their initial position.
Zero-point test (if prescribed by local regulations)
Zero-point test with fresh outdoor air.
A potential zero offset can be read out by use of the Service Tool.
Trip test with reference gas (if prescribed by local regulations)
The sensor is gassed with reference gas (for this you need a gas bottle with pressure regulator and a calibration adapter). In doing so, the set alarm thresholds are exceeded, and all output functions are activated. It is necessary to check if the connected output functions are working correctly (e.g. the horn sounds, the fan switches on, devices shut down). By pressing the push-button on the horn, the horn acknowledgement must be checked. After removal of the reference gas, all outputs must automatically return to their initial position. Other than the trip testing, it is also possible to perform a functional test by means of calibration. For further information, please refer to the User Guide.
Comparing sensor gas type with DGS specification
The replacement sensor specification must match the DGS specification.
The DGS software automatically reads the specification of the connected sensor and compares with the DGS specification.
This feature increases the user and operating security.
New sensors are always delivered factory-calibrated by Danfoss.
This is documented by the calibration label indicating date and calibration gas. A re-calibration is not necessary during commissioning if the device is still in its original packaging (including air-tight protection by the red protective cap) and if the calibration certificate has not expired.
| Function | Min. | Max. | Factory | Unit | AKM name |
| Gas level | |||||
| Sensor 1 Actual gas level in % of range | 0.0 | 100.0 | – | % | Gas level % |
| Sensor 1 Actual gas level in ppm | 0 | FS1) | – | ppm | Gas level ppm |
| Sensor 2 Actual gas level in % of range | 0.0 | 100.0 | – | % | 2: Gas level % |
| Sensor 2 Actual gas level in ppm | 0 | FS1) | – | ppm | 2: Gas level ppm |
| Alarms | Alarm settings | ||||
| Indication of critical alarm (critical alarm of Gas1 or Gas2 active) 0: No active alarm(s) 1: Alarm(s) active | 0 | 1 | – | – | GD alarm |
| Common indication of both critical and warning alarm as well as internal and maintenance alarms 0: No active alarm(s), warning(s) or errors 1: Alarm(s) or warning(s)) active | 0 | 1 | – | – | Common errors |
| Gas 1 Critical limit in %. Critical limit in % (0-100) | 0.0 | 100.0 | HFC: 25 CO2: 25 R290: 16 | % | Crit. limit % |
| Gas 1 Critical limit in ppm Critical limit in ppm; 0: Warning Signal deactivated | 0 | FS1) | HFC: 500 CO2: 5000 R290: 800 | ppm | Crit. limit ppm |
| Gas 1 Warning limit in % (0-100) | 0 | 100.0 | HFC: 25 CO2: 25 R290: 16 | % | Warn. limit % |
| Gas 1 Warning limit ppm 0: Warning Signal deactivated | 0.0 | FS1) | HFC: 500 CO2: 5000 R290: 800 | ppm | Warn. limit ppm |
| High (critical and warning) alarm delay in seconds, if set to 0: no delay | 0 | 600 | 0 | sec. | Alarm delay s |
| When set to 1, the Buzzer is reset (and the relays if defined: Relay rest enable) to no alarm indication. When the alarm is reset or the time-out duration is exceeded, the value is reset to 0. Note: The alarm condition is not reset-only the output indication is reset. 0: Alarm outputs not reset 1: Alarm outputs reset – Buzzer muted and relays reset if configured | 0 | 1 | 0 | – | Reset alarm |
| Duration of alarm reset before automatic re-enable of alarm outputs. A setting of 0 disables the ability to reset alarm. | 0 | 9999 | 300 | sec. | Reset alarm time |
| Relay reset enables: Relay reset with alarm acknowledge function 1= (default) Relays wil be reset if the alarm acknowledge function is activated 0: Relays remain active until the alarm condition clears | 0 | 1 | 1 | – | Relay rst enable |
| Gas 2 Critical limit in %. Critical limit in % (0-100) | 0.0 | 100.0 | CO2: 25 | % | 2: Crit. limit % |
| Gas 2 Critical limit in ppm Critical limit in ppm; 0: Warning Signal deactivated | 0 | FS1) | CO2: 5000 | ppm | 2: Crit. limit ppm |
| Gas 2. Warning limit in % (0-100) | 0 | 100.0 | CO2: 25 | % | 2: Warn. limit % |
| Gas 2. Warning limit ppm 0: Warning Signal deactivated | 0.0 | FS1) | CO2: 5000 | ppm | 2: Warn. limit ppm |
| High (critical and warning) alarm delay in seconds, if set to 0: no delay | 0 | 600 | 0 | sec. | 2: Alarm delay s |
| Configuration of relays for one or two rooms’ application mode. 1: One room with two sensors sharing the same warning relay and critical relay | 1 | 2 | 1 | – | 1:1 room (default) 2:2 rooms |
| Service | |||||
| Status of the sensor’s warm-up period: 0: Ready 1: Warming up one or more sensors | 0 | 1 | – | – | DGS Warm-up |
1 ) The max. alarm limit for CO2 is 16000 ppm / 80% of full scale. All other values equal the full scale range of the specific product.
| Readout the attached gas sensor type. 1: HFC grp 1 R1234ze, R454C, R1234yf R1234yf, R454A, R455A, R452A R454B, R513A 2: HFC grp 2 R407F, R416A, R417A R407A, R422A, R427A R449A, R437A, R134A R438A, R422D 3: HFC grp 3 R448A, R125 R404A, R32 R507A, R434A R410A, R452B R407C, R143b 4: CO2 5: Propane (R290) | 1 | 5 | N | – | Sensor type |
| Full scale range | 0 | 32000 | HFC: 2000 CO2: 20000 R290: 5000 | ppm | Full scale ppm |
| Gas 1 Days until next calibration | 0 | 32000 | HFC: 365 CO2: 1825 R290: 182 | days | Days till calib |
| Gas 1 Estimates how many days remaining for sensor 1 | 0 | 32000 | – | days | Rem.life time |
| Status of the Critical Alarm Relay 1: ON = no alarm signal, coil under power – normal 0: OFF = alarm signal, coil depowered, alarm situation | 0 | 1 | – | – | Critical Relay |
| Status of the Warning Relay: 0: OFF= inactive, no warning active 1: ON = active warning, coil under power | 0 | 1 | – | – | Warning Relay |
| Status of the Buzzer: 0: inactive 1: active | 0 | 1 | – | – | Buzzer |
| Gas 2 Days until next calibration | 0 | 32000 | HFC: 365 CO2: 1825 R290: 182 | days | 2: Days til calib |
| Gas 2 Estimates how many days remaining for sensor 2 | 0 | 32000 | – | days | 2: Rem.life time |
| Activates a mode which simulates an alarm. Buzzer, LED and relays all activate. 1:-> Test function – no alarm generation possible now Automatically falls back to Off after 15 min. 0: back to normal mode | 0 | 1 | 0 | – | Test Mode |
| Analogue output max. scaling 0: zero to full scale (e.g sensor 0-2000 ppm) 0-2000 ppm will give 0-10 V) 1: zero to half scale (e.g sensor 0-2000 ppm) 0-1000 ppm will give 0-10 V) | 0 | 1 | HFC: 1 CO2: 1 R290: 0 | – | AOmax = half FS |
| Analogue output min. value 0: select 0-10 V or 0-20 mA output signal 1: select 2-10 V or 4-20 mA output signal | 0 | 1 | 0 | – | AOmin = 2V/4 mA |
| Alarms | |||||
| Critical Limit alarm 0: OK 1: Alarm. Gas limit exceeded and delay expired | 0 | 1 | – | – | Critical limit |
| 0: OK 1: Fault. Out of range under test – over range or under range | 0 | 1 | – | – | Out of range |
| 0: OK 1: Fault. Sensor and head failures | 0 | 1 | – | – | Wrong SensorType |
| 0: OK 1: Fault. Sensor out or removed, or wrong sensor connected | 0 | 1 | – | – | Sensor removed |
| 0: OK 1: Warning. Due for calibration | 0 | 1 | – | – | Calibrate sensor |
| 0: OK 1: Warning. Gas level above warning level and delay expired | 0 | 1 | – | – | Warning limit |
| Indication if the normal alarm function is inhibited or in normal operation 0: Normal operation, i.e. alarms are created and cleared 1: Alarms inhibited, i.e. alarm status is not updated, e.g. due to DGS in test mode | 0 | 1 | – | – | Alarm inhibited |
| Critical Limit alarm 0: OK 1: Alarm. Gas limit exceeded and delay expired | 0 | 1 | – | – | 2: Criti. limit |
| 0: OK 1: Fault. Out of range under test – over range or under range | 0 | 1 | – | – | 2: Out of range |
| 0: OK 1: Fault. Sensor and Head failures | 0 | 1 | – | – | 2: Wrong SensType |
| 0: OK 1: Fault. Sensor out or removed, or wrong sensor connected | 0 | 1 | – | – | 2: Sens.removed |
| 0: OK. Sensor not due for calibration 1: Warning. Due for calibration | 0 | 1 | – | – | 2: Calibrate sens |
| 0: OK 1: Warning. Gas level above warning level and delay expired | 0 | 1 | – | – | 2: Warning limit |
DGS troubleshooting
| Symptom: | Possible cause(s): |
| LED off | • Check power supply. Check wiring. • DGS MODBUS was possibly damaged in transit. Check by installing another DGS to confirm the fault. |
| Green flashing | • The sensor calibration interval has been exceeded or the sensor has reached the end of life. Carry out calibration routine or replace with a new factory calibrated sensor. |
| Yellow | • AO configured but not connected (only 0 – 20 mA output). Check wiring. • Sensor type does not match DGS specification. Check gas type and measuring range. • Sensor may be disconnected from printed circuit board. Check to see if the sensor is properly connected. • The sensor has been damaged and needs to be exchanged. Order replacement sensor from Danfoss. • Supply voltage out of range. Check power supply. |
| Yellow flashing | • The DGS is set to service mode from the hand-held Service Tool. Change setting or await time-out within 15 minutes. |
| Alarms in the absence of a leak | • If you experience alarms in the absence of a leak, try setting an alarm delay. • Perform a bump test to ensure proper operation. |
| The zero-measurement drifts | The DGS-SC sensor technology is sensitive to the environment (temperature, moist, cleaning agents, gases from trucks, etc). All ppm measurements below 75 ppm should be disregarded, i.e. no zero- adjustment made. |
Power Conditions and Shielding Conceptions
Standalone DGS without Modbus network communication
Shield/screen is not required for standalone DGS with no connection to a RS-485 communication line. However, it can be done as described in the next paragraph (Fig. 4).
DGS with Modbus network communication in combination with other devices powered by the same power supply
It is strongly recommended to use direct current power supply when:
- more than 5 DGS units are powered by the same power supply
- the bus cable length is longer than 50 m for those powered units
It is moreover recommended to use class 2 power supply (see AK-PS 075)
Make sure to not interrupt the shield when connecting A and B to the DGS (see Fig. 4).


Ground potential difference between nodes of the RS485 network might affect the communication.
It is advised to connect a 1 KΩ 5% ¼ W resistor between the shield and the ground (X4.2) of any unit or group of units connected to the same power supply (Fig. 5).
Please refer to Literature No. AP363940176099.
DGS with Modbus network communication in combination with other devices powered by more than one power supply
It is strongly recommended to use direct current power supply when:
- more than 5 DGS units are powered by the same power supply
- the bus cable length is longer than 50 m for those powered units
It is moreover recommended to use class 2 power supply (see AK-PS 075)
Make sure to not interrupt the shield when connecting A and B to the DGS (see Fig. 4).

Ground potential difference between nodes of the RS485 network might affect the communication.
It is advised to connect a 1 KΩ 5% ¼ W resistor between the shield and the ground (X4.2) of any unit or group of units connected to the same power supply (Fig. 6).
Please refer to Literature No. AP363940176099.
Power supply and voltage alarm
The DGS device goes into voltage alarm when voltage exceeds certain limits.
The lower limit is 16 V.
The upper limit is 28 V, if DGS software version is lower than 1.2 or 33.3 V in all other cases.
When in the DGS the voltage alarm is active, in the System Manager the “Alarm inhibited” is raised.
Danfoss A/S
Climate Solutions • danfoss.com • +45 7488 2222
Any information, including, but not limited to information on selection of product, its application or use, product design, weight, dimensions, capacity or any other technical data in product manuals, catalogues descriptions, advertisements, etc. and whether made available in writing, orally, electronically, online or via download, shall be considered informative, and is only binding if and to the extent, explicit reference is made in a quotation or order confirmation. Danfoss cannot accept any responsibility for possible errors in catalogues, brochures, videos and other material. Danfoss reserves the right to alter its products without notice. This also applies to products ordered but not delivered provided that such alterations can be made without changes to form, fit or function of the product. All trademarks in this material are property of Danfoss A/S or Danfoss group companies. Danfoss and the Danfoss logo are trademarks of Danfoss A/S. All rights reserved.
© Danfoss I Climate Solutions I 2022.01 AN284527372096en-000301 I 8




















