ENGINEERING
TOMORROW
148R9641
© Danfoss | Climate Solutions | 2022.07
AN304931444592en-000201 | 1
Installation Guide
Gas Detection Unit (GDU) Basic + AC (100 – 240 V)
GDA, GDC, GDHC, GDHF, GDH
Technician use only!
This unit must be installed by a suitably qualified technician who will install this unit in accordance with these instructions and the standards set down in their particular industry/country. Suitably qualified operators of the unit should be aware of the regulations and standards set down by their industry/country for the operation of this unit. These notes are only intended as a guide and the manufacturer bears no responsibility for the installation or operation of this unit. Failure to install and operate the unit in accordance with these instructions and with industry guidelines may cause serious injury including death and the manufacturer will not be held responsible in this regard. It is the installer’s responsibility to adequately ensure that the equipment is installed correctly and set up accordingly based on the environment and the application in which the products are being used.
Please observe that a Danfoss GDU works as a safety device securing a reaction to a detected high gas concentration. If a leakage occur, the GDU will provide alarm functions, but it will not solve or take care of the leakage’s root cause itself.
Annual Test
To comply with the requirements of EN378 and the F GAS regulation sensors must be tested annually. Danfoss GDU’s are provided with a test button that should be activated once a year for testing of the alarm reactions.
Additionally, the sensors must be tested for functionality by either a Bump test or Calibration. Local regulations should always be followed After exposure to a substantial gas leak, the sensor should be checked and replaced if necessary. Check local regulations on calibration or testing requirements.
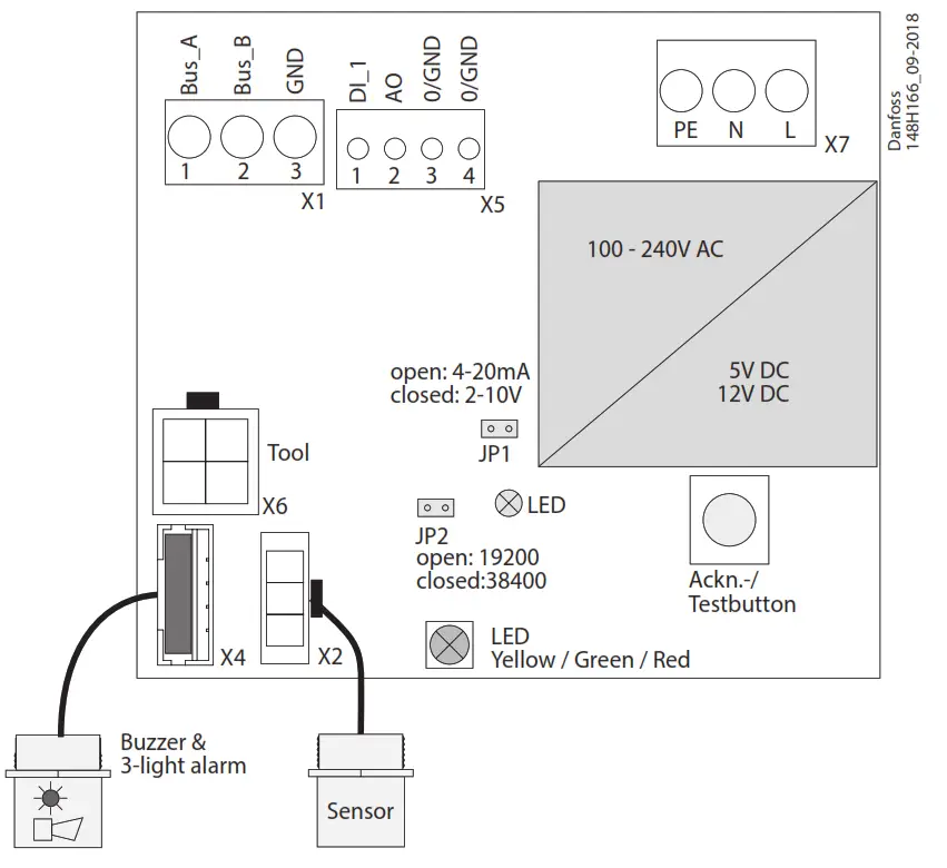
Danfoss Basic + AC (100 – 240 V) GDU
Status LED:
GREEN is power on.
– flashing if maintenance is needed YELLOW is an indicator of Error.
– when the sensor head is disconnected or not the expected type
– AO is activated but nothing connected
– flashing when the sensor is in a special mode (e.g. when changing parameters)
RED on alarm, similar to the Buzzer & light alarm.
Ackn. -/Test button:
TEST – The button must be pressed for 20 sec.
– Alarm1 and Alarm2 is simulated, stop on release
ACKN. – Pressed while Alarm2, the audible warning switches off and goes back on after 5 min. when the alarm situation is still active.
* JP1 open → AO 4 – 20 mA (default) JP1 closed → AO 2 – 10 Volt
Location of Sensors
| Gas type | Relative density (Air = 1) | Recommended sensor location |
| R717 Ammonia | <1 | Ceiling |
| R744 CO2 | >1 | Floor |
| R134a | >1 | Floor |
| R123 | >1 | Floor |
| R404A | >1 | Floor |
| R507 | >1 | Floor |
| R290 Propane | >1 | Floor |
Gas Detection Controller: Fieldbus wiring – max 96 sensors in total i.e. up to 96 GDU
Check of loop completion. Example: 5 x Basic in return loop
- Check of loop resistance: See section: Controller unit multiple GDU commissioning 2. NOTE: Remember to disconnect the wire from the board durinthe g measuring.
- Check of BUS polarity: See section: Controller unit multiple GDU commissioning 3.
Individual Addresses for the GDU’s are given at commissioning, see Controller Unit multiple GDU’s commissioning, according to a predetermined “BUS address plan”
Attachment of suspension ears (Basic)

Cable Gland opening
Hole punching for Cable gland:
- Select the location for the safest cable entry.
- Use a sharp screwdriver and a small hammer.
- Place the screwdriver and hammer with precision while moving the screwdriver within a small area until the plastic is penetrated.

Continue precision punching with small movements until the round piece can be pulled out by your fingers.
Remove potential burrs and secure flat surfaces. nstall the Cable gland according to the enclosed guide.
Ambient conditions – Sensor dependency (Any GDU with below sensor type must not be installed outside given Temp. and rel. Humidity Range)
| Gas Type | Type | Measuring Range | Temp. Range C* | Temp. Range F* | rel. Hum range |
| NH₃ 0 – 100 ppm | EC | 0 – 100 ppm | -30 °C – +50 °C | -22 °F – 122 °F | 15 – 90% r.H. |
| NH₃ 0 – 300 ppm | EC | 0 – 300 ppm | -30 °C – +50 °C | -22 °F – 122 °F | 15 – 90% r.H. |
| NH₃ 0 – 1000 ppm | EC | 0 – 1000 ppm | -30 °C – +50 °C | -22 °F – 122 °F | 15 – 90% r.H. |
| NH₃ 0 – 5000 ppm | EC | 0 – 5000 ppm | -30 °C – +50 °C | -22 °F – 122 °F | 15 – 90% r.H. |
| NH₃ 0 – 1000 ppm | SC | 0 – 10000 ppm | -10 °C – +50 °C | 14 °F – 122 °F | 15 – 90% r.H. |
| NH₃ 0 – 10000 ppm | SC | 0 – 10000 ppm | -10 °C – +50 °C | 14 °F – 122 °F | 15 – 90% r.H. |
| NH₃ 0 – 100% LEL, 0 – 140000 ppm | P | 0 – 100% LEL (0 – 140000 ppm) | -25 °C – +60 °C | -13 °F – 140 °F | 15 – 90% r.H. |
| CO₂ 0 – 2%VOL (20000 ppm) | IR | 0,04% – 2% VOL | -35 °C – +40 °C | -31 °F – 104 °F | 0 – 85% r.H. |
| CO₂ 0 – 5%VOL (50000 ppm) | IR | 0 – 5% VOL | -35 °C – +40 °C | -31 °F – 104 °F | 0 – 85% r.H. |
| Refrigerants like R134a 0 – 2000 ppm | SC | 0 – 2000 ppm | -30 °C – +50 °C | 14 °F – 122 °F | 15 – 90% r.H. |
| HC R290 / Propane 0 – 5000 ppm | P | 0 – 5000 ppm (0 – 30% LEL) | -30 °C – +60 °C | -22 °F – 140 °F | 15 – 90% r.H. |
* Please observe the lowest (highest) temperature allowed for the specific GDU
General GDU Mounting / Electrical wiring
- All GDUs are for wall mounting
- Supporting ears are installed like shown in fig. 6
- Cable entry is recommended on box side. See fig. 7
- Sensor position downwards
- Observe possible constructors’ instruction
- Leave the red protection cap (seal) on the sensor head until commissioning
When choosing the mounting site please pay attention to the following:
- The mounting height depends on the relative density of the gas type to be monitored, see fig 3.
- Choose the mounting location of the sensor according to the local regulations
- Consider ventilation conditions. Do not mount the sensor close to airflow (air passages, ducts etc.)
- Mount the sensor at a location with minimum vibration and minimum temperature variation (avoid direct sunlight)
- Avoid locations where water, oil etc. may influence proper operation and where mechanical damage might be possible
- Provide adequate space around the sensor for maintenance and calibration work
Wiring
The technical requirements and regulations for wiring, electrical security, as well as project specific and environmental conditions etc. must be observed when mounting.
We recommend the following cable types1)
- Power supply for controller 230 V at least NYM-J 3 x 1.5 mm2
- Alarm message 230 V (also possible together with power supply) NYM-J X x 1.5 mm2
- Signal message, bus connection to Controller Unit, warning devices 24 V J-Y(St)Y 2×2 x 0.8
- Possibly connected external analog transmitters J-Y(St)Y 2×2 x 0.8
- Cable for Heavy Duty: 7 – 12 mm diameter round cable
1) The recommendation does not consider local conditions such as fire protection etc.
The alarm signals are available as potential-free change-over contacts.
If required the voltage supply is available at the power terminals.
The exact position of the terminals for the sensors and alarm relays is shown in the connection diagram (see figure 2).
GDU
The GDU Basic + AC (100 – 240 V) is designed for the connection of 1 sensor via local bus.
The GDU provides the power supply of the sensor and makes the measured data available for digital communication. Communication with the Controller Unit takes place via the RS 485 fieldbus interface with Controller Unit protocol. Other communication protocols for direct connection to superordinate BMS are available as well as Analog Output
4 – 20 mA.
The sensor is connected to the local bus via a plug connection enabling simple sensor exchange instead of on-site calibration. The internal X-Change routine recognizes the exchanging process and the exchanged sensor and starts the measurement mode automatically. The internal X-change routine examines the sensor for actual type of gas and actual measuring range. If data does not match the existing configuration, the build-in status LED indicates an error. If everything is OK the LED will light up green.
For convenient commissioning, the GDU is pre-configured and parameterized with factory-set defaults.
As an alternative, the on-site calibration via the Controller Unit Service Tool can be performed with the integrated, user-friendly calibration routine. For units with Buzzer & Light, alarms will be given according to following table:
Digital outputs
| Action | Reaction Horn | Reaction LED |
| Gas signal < alarm threshold 1 | OFF | GREEN |
| Gas signal > alarm threshold 1 | OFF | RED Slow blinking |
| Gas signal > alarm threshold 2 | ON | RED Fast blinking |
| Gas signal ≥ alarm threshold 2, but ackn. button pressed | OFF after delay ON | RED Fast blinking |
| Gas signal < (alarm threshold 2 – hysteresis) but >= alarm threshold 1 | OFF | RED Slow blinking |
| Gas signal < (alarm threshold 1 – hysteresis) but not acknowledged | OFF | RED Very fast blinking |
| No alarm, no fault | OFF | GREEN |
| No fault, but maintenance due | OFF | GREEN Slow blinking |
| Communication error | OFF | YELLOW |
Alarm thresholds can have the same value, therefore the relays and/or Buzzer and LED can be triggered simultaniously.
Commissioning
For sensors that can be poisoned by e.g. silicones like all semiconductor and catalytic bead sensors, it is imperative to remove the protective (seal) cap supplied only after all silicones are dry, and then energize the device. For fast and comfortable commissioning we recommend proceeding as follows. For digital devices with self-monitoring all internal errors are visible via the LED. All other error sources often have their origins in the field, because it is here where most of the causes for problems in the field bus communication appear.
Optical Check
- Right cable type used.
- Correct mounting height according to the definition in Mounting.
- Led status
Comparing sensor gas type with GDU default settings
Each sensor ordered is specific and must match the GDU default settings. The GDU software automatically reads the specification of the connected sensor and compares with the GDU settings. If other gas sensor types are connected, you have to adjust them with the configuration tool, because otherwise the device will respond with an error message.
This feature increases the user and operating security.
New sensors are always delivered factory-calibrated by Danfoss. This is documented by the calibration label indicating date and calibration gas. A repeated calibration is not necessary during commissioning if the device is still in its original packaging (air-tight protection by the red protective cap) and the calibration doesn’t date back more than 12 months.
Functional test (for initial operation and maintenance)
The functional test should be carried out during each service, but at least once a year.
A functional test is done by pressing the test button for more than 20 sec and observing all connected outputs (Buzzer, LED, Relay connected devices) working properly. After deactivation, all outputs must automatically return to its initial position
Zero-point test with fresh outdoor air.
(If prescribed by local regulations) A potential zero offset can be read out by use of the Service tool.
Trip test with reference gas (If prescribed by local regulations)
The sensor is gassed with reference gas (for this you need a gas bottle with a pressure regulator and a calibration adapter).
In doing so, the set alarm thresholds are exceeded, and all output functions are activated. It is necessary to check if the connected output functions are working correctly (e.g. the horn sounds, the fan switches on, devices shut down). By pressing the push button on the horn, the horn acknowledgment must be checked. After removal of the reference gas, all outputs must automatically return to its initial position. Other than the simple functional testing, it is also possible to perform a functional test by means of calibration. For further information, please refer to the User Manual.
Controller Unit multiple GDU commissioning
For fast and comfortable commissioning we recommend proceeding as follows. Especially the given specifications of the field bus cable have to be checked carefully because it is here where most of the causes for problems in the field bus communication appear.
1. Optical Check
- Right cable type used (JY(St)Y 2x2x0.8LG or better).
- Cable topology and cable length.
- Correct mounting height of the sensors
- Correct connection at each GDU according to fig. 5
- Termination with 560 ohm at the beginning and at the end of each segment.
- Pay special attention so that the polarities of BUS_A and BUS_B are not reversed!
2. Check Short-circuit / Interruption / Cable Length of the Field Bus (see fig. 5.1)
This procedure has to be executed for each single segment.
The field bus cable must be laid at the connector terminal block of the GDU for this testing. The plug, however, is not yet plugged into the GDU.
Disconnect the field bus leads from the Controller Unit central control.
Connect ohmmeter to the loose leads and measure the total loop resistance. See fig. 5.1 The total loop resistance is calculated as follows:
- R (total) = R (cable) + 560 Ohm (terminating resistance)
- R (cable) = 72 Ohm / km (loop resistance) (cable type JY(St)Y 2x2x0.8LG)
| R (total) (ohm) | Cause | Troubleshooting |
| < 560 | Short-circuit | Look for short-circuit in the field bus cable. |
| infinite | Open-circuit | Look for interruption in the field bus cable. |
| > 560 < 640 | Cable is o.k. | – |
The allowed cable length can be calculated in a sufficiently exact way according to the following formula.
Total cable length (km) = (R (total) – 560 Ohm) / 72 Ohm
If the field bus cable is OK, reconnect it to the central unit.
3. Check Voltage of the Field Bus (see fig. 5.2 and 5.3)
- Bus connector to be plugged into each GDU.
- Switch operating voltage on at the Controller Unit central unit.
- The green LED at the GDU lights up weakly when operating voltage is applied (voltage indicator).
- Bus polarity:
Measure tension BUS_A against 0 V DC and BUS_B against 0 V DC. U BUS_A = ca. 0.5 V > U BUS_B U BUS_B = ca. 2 – 4 V DC (depending on the number of GDU and on the cable length)
Addressing of the GDU
After having checked the field bus successfully, you have to assign a basic communication address to each GDU via the display on the unit, the service tool or the PC tool. With this basic address, the data of the Sensor Cartridge assigned to input 1 are sent via the field bus to the gas controller. Any further sensor connected/registered on the GDU automatically gets the next address.
Choose the menu Address and enter the predetermined Address according to the Bus Address Plan.
If this connection is OK, you can read the current GDU address in the menu “Address“ either at the display on the unit or by plugging in the service tool or the PC tool.
0 = Address of new GDU XX = Current GDU address (permissible address range 1 – 96) The detailed description of the addressing can be taken from the user manual of the Controller unit or the Controller unit service tool.
Further documentation:
www.gdir.danfoss.com
http://scn.by/krzp87a5z2ak0i
Danfoss A/S Climate Solutions • danfoss.com • +45 7488 2222
Any information, including, but not limited to information on selection of product, its application or use, product design, weight, dimensions, capacity or any other technical data in product manuals, catalogs descriptions, advertisements, etc. and whether made available in writing, orally, electronically, online or via download, shall be considered informative and is only binding if and to the extent, explicit reference is made in a quotation or order confirmation. Danfoss cannot accept any responsibility for possible errors in catalogs, brochures, videos and other material. Danfoss reserves the right to alter its products without notice. This also applies to products ordered but not delivered provided that such alterations can be made without changes to form, fit or function of the product. All trademarks in this material are property of Danfoss A/S or Danfoss group companies. Danfoss and the Danfoss logo are trademarks of Danfoss A/S. All rights reserved.


















