TOPP PRO SPA-4 Mixer 4 Channel Preamplifier

![]()
- The symbol is used to indicate that some hazardous live terminals are involved within this apparatus, even under the normal operating conditions.
![]()
- The symbol is used in the service documentation to indicate that specific component shall be only replaced by the component specified in that Documentation for safety reasons.
![]()
- Protective grounding terminal.
- Alternating current /voltage.
- Hazardous live terminal.
- ON: Denotes the apparatus turns on.
- OFF: Denotes the apparatus turns off, because of using the single pole switch, be sure to unplug the AC power to prevent any electric shock before you proceed your service.
- WARNING: Describes precautions that should be observed to prevent the danger of injury or death to the user.
- “Q” Disposing of this product should A not be placed in municipal waste and should be separate collection.
- CAUTION: Describes precautions that should be observed to prevent danger of the apparatus.
WARNING
- Power Supply:
Ensure the source voltage matches the voltage of the power supply before turning ON the apparatus. Unplug this apparatus during lightning storms or when unused for long periods of time. - External Connection:
The external wiring connected to the output hazardous live terminals requires installation by an instructed person, or the use of readymade leads or cords. - Do not Remove any Cover:
There are maybe some areas with high voltages inside, to reduce the risk of electric shock, do not remove any cover if the power supply is connected. The cover should be removed by the qualified personnel only. No user serviceable parts inside. - Fuse:
To prevent a fire, make sure to use fuses with specified standard (current, voltage, type). Do not use a different fuse or short-circuit the fuse holder. Before replacing the fuse, turn OFF the apparatus and disconnected the power source. - Protective Grounding:
Make sure to connect the protective grounding to prevent any electric shock before turning ON the apparatus. Never cut off the internal or external protective grounding wire or disconnect the wiring of protective grounding terminal. - Operating Conditions:
This apparatus shall not be exposed to dripping or splashing and that no objects filled with liquids, such as vases, shall be placed on this apparatus.r To reduce the risk of fire o electric shock, do not expose this apparatus to rain or moisture. Do not use this apparatus near water. Install in accordance with the manufacture-r’s instructions. Do not install near any heat sources such as radiators, heat registers, stoves, or other apparatus (including amplifiers) that produce heat. Do not block any ventilation openings. No naked flame sources, such as lighted candles, should be placed on the apparatus.
IMPORTANT SAFETY INSTRUCTIONS
- Read these instructions.
- Follow all instructions.
- Keep these instructions.
- Heed all warnings.
- Only use attachments/accessories specified by the manufacturer.
- Power Cord and Plug:
Do not defeat the safety purpose of the polarized or grounding-type plug. A polarized plug has two blades one wider than the other. A grounding-type plug has two blades and a third grounding prong. The wide blade or the third prong are provided for your safety. If the provided plug does not fit into your outlet, consult an electrician for replacement of the obsolete outlet. a blower or clean with rag etc. Don’t use so lvents such as benzol, alcohol, or other fluids with very strong volatility and flammability for clean ng the apparatus body. Clean on ly with dry cloth. - Servicing:
Refer all servicing to qualified personnel. To reduce the risk of electric shock, do not perform any servicing other than that contained in the operating instructions unless you are qualified to do so Servicing is required when the apparatus has been damaged in any way, such as the power supply cord or plug is damaged, liquid has been spilled or objects have fallen into the apparatus, the apparatus has been exposed to rain or moisture, does not operate normally, or has been dropped. The mains plug is used as the disconnect device, the disconnect device shall remain readily operable.
CONTROL ELEMENTS
The Front panel 
- Gain knob
this knob controls input gain. Turn the knob clockwise, then the input increases. Turn the knob counter-clockwise, then the input decreases. - High knob
This is the treble control. You can use it to get rid of high-frequency noises or to boost the sound of cymbals lor the high harmonics of the human voice. The gain range goes from – I 0dB to I 0dB with the central frequency I 0kHz.
- Lowknob:
This is the Bass control. Boost male voice or kickdrum and bass guitar. Your system will sound much bigger than what it is. The gain range goes from – I 0dB to + I 0dB and the center frequency is I 00 Hz. - VOL knob:
This knob controls volume. Turn the knob clockwise, and the volume increases. Turn the knob counter clockwise, and the volume decreases. - Zone selector:
Z I, Z2,Z3, Z4 can be considered as signal assignment switches. Press the button Z I down and signal will be assigned to ZONE I. Release the button and it stops assign signal to ZONE I. 22, Z3,Z4 can be operated in the same way. - Phone Volume:
This knob controls the volume of the Phone (refer to 7). Turn the knob clockwise, and it increases the volume, and vice versa. - Phone:
The signals of the amplifier can be sent to a pair of headphones through this socket. - Monitor Volume:
This knob controls the output signal level to monitor output.
- Zonel VOLUME VOLUME controls the output signal level of ZONEI.
- LED VU-meter: This stereo 6-segment LED meter indicates the level of the overall output signal overall output signal.

- MONITOR: selector Push the MONITOR button down, then it connects the signal from amplifier | to monitor volume. Release the button, then it cuts off the signal connection to monitor volume. The other three buttons are operated in the same way.
- PL This LED: is the power indicator. When the amplifier is powered on, this LED lights up. When the amplifier is powered off, this LED lights off.
- Power switch: When the switch is set in the position ON, the unit is powered on. When the switch is set in the position OFF, the unit is powered off.

- The Rear Panel:

- The Rear Panel:
- AC Input:
Power inlet This inlet connects the unit with the main power. - AC fuse:
The fuse protects the alternating current circuit of the unit, and the fuse can only be replaced in the event of fuse damage.
- AC Voltage Selector:
When the AC Voltage Selector is set to the left I I SV, it selects the power at I 00V to 127V. When the AC Voltage Selector is set to the right 230V, it selects the power at 220V to 240V.
- Monitor Line Out:
Monitor Line Out can be connected with other equipments, such as amplifier, recorder, etc. - Monitor IWBQ:
The terminal is meant for the connection of a small external loudspeaker that gets driven by an internal auxiliary power amplifier, providing a nominal output I Watt. Only the mixed audio signal coming from “AUXIN” are included in the outputted signal. In addition, the output signal is controlled only by the volume control of the “CH4”, “CHS”, music signal level control.
- “Priority” Terminal:
When these terminals are short-circuited (i.e. By means of using an electrical switch), the audio signals coming from “CH4”, “CHS”, are attenuated while the signals coming from”CH I”, “CH2″,”CH3” are gaining priority. - lnput “AUX Paging”:
The terminals input lets you connect to an auxiliary signal . The input features “Voice Priority” function, which overrides all other input signals once, an auxiliary message is sent. If you want to have this function disabled forever, please contact a distributor. - a. Zone:
There are four dip switches here. Push the dip switch up, it switches off and vice versa. b.Volume It controls the volume of sound source that is connected to the “Tel Paging”.Turning the knob clockwise increases the volume of the corresponding source. It is recommended to leave the control of momentarily not used input at their minimal setting “0”. - “LINE IN” inputs:
an audio source with a high-level output signal , such as an AM/FM tuner , a cassette deck, a CD player, etc. Use input sensitivity switch suitable for difference appliances. They are able to take RCA-type coaxial connectors and unbalanced signals.
- The mono MIC/LINE channels:
These are the channels from Channel I to Channe14. You can connect balanced, low impedance microphones to the XLR socket. On the I /4″ phone jack you can connect either a microphone or a line-level instrument. You shall never connect an unbalanced microphone It the XLR socket if you do not want to damage both the Microphone and the Mixer.
- CH I, CH2, CH3 and CH 4 inputs sensitivity and XLR phantom switch:
By turning the switch onto the “LINE” position the CHI, CH2, CH3 & CH 4 input can be connected to an audio CH I, CH2, CH3 & CH 4 input can be connected to an audio source with high level signal output. By turning these switches onto the MIC position, CH I, CH2, CH 3 &CH 4input can be connected to a dynamic microphone with low impedance. By turning the switch onto the “Phantom” position connects the phantom supply n XLR of pin2 and pin3 of CH I, CH2, CH 3 &CH 4 necessary to operate the condenser microphone which require this type of external supply. It is recommended to use this switch with the general volume set on a minimum.
- Line Out Bal/Unbal:
These terminals can be connected to other equipment, such as an amplifier, recorder, etc.
- DC Power Supply:
SPA-4 pre-amplifier can also operate using 24V DC power supply. When both the AC and DC source is connected, is shall operate using AC main whereas the DC supply shall be only consumed whenever the former failed.
INSTALLATION NOTES
At all times , the amplifier has to be operated under appropriate conditions. This includes that the operation location provided sufficient ventilation and the device is not exposed to direct sunlight or the direct radiation or reflection from any heat source. Installing the loudspeaker systems choose a location that gets not affected by extreme and /or constant vibration or other mechanical oscillation . Also make sure that the speakers are installed at locations that are free from dust and /or moisture.
CAUTION
We strongly recommend that you leave the connection of the appliance to the qualified and experienced service technician who is specialized in connecting electrical and electronic equipment. Do not take the risk of Electro-shock hazard. To reduce the risk of Electro-shock, all connections have to be accomplished before it is permissible to connect the amplifier t the main supply, before connecting the appliance to the mains supply, once again make certain that all connections are carried out correctly and that no short-circuit exist. The overall sound reinforcement installation has to be in accordance to the laws, regulations, standards, and guidelines that are relevant and applicable in that country where the equipment is going to be operated.
AC POWER SUPPLY CAUTION
Before using the amplifier for the first time, make sure that the appliance’s voltage is in accordance to your mains supply. Connect the amplifier only to grounded mains outlets. Connecting the amplifier to the mains supply ( I I 5/230Vac) has to be accomplished by inserting the supplied mains cord into the corresponding docket .
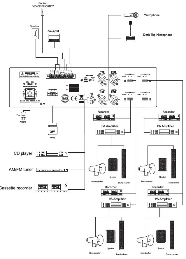
CONNECTION DESCRIPTION

TROUBLE SHOOTING

SEIKAKU TECHNICAL GROUP LIMITED
- NO.I LANE 17, SEC.2,
- HAN SHI WEST ROAD,
- TAICHUNG 40151,
- TAIWAN
- tel: 886-4-22313737
- fax: 886-4-22346757
IMPORTANT:
Please read this manual carefully before operating this unit for the first time. All rights reserved to SEIKAKU. All features and content might be changed without prior notice. Any photocopy, translation, or reproduction of part of this catalogue without written permission is forbidden. Copyright © 2009 SEIKAKU GROUP









There are four dip switches here. Push the dip switch up, it switches off and vice versa. b.Volume It controls the volume of sound source that is connected to the “Tel Paging”.Turning the knob clockwise increases the volume of the corresponding source. It is recommended to leave the control of momentarily not used input at their minimal setting “0”.























