Cloud MX155 7 Channel Pre Amplifier Mixer User Manual
Thank you for choosing Cloud Contractor Series for your sound system. To make sure that this product meets your expectations and provides long-term, reliable performance, please read and follow this instruction manual carefully.
IMPORTANT SAFETY INSTRUCTIONS
- Read these instructions and all markings on the product. Keep these instructions.
- Heed all warnings and instructions, both in this manual and on the product.
- Clean only with a dry cloth. Unplug from AC supply before cleaning.
- Do not use this product near water and avoid any exposure to water.
- Before connecting this product to any AC supply, make sure to check whether the AC mains voltage and frequency match the indication on the product and its packaging.
- Only connect this product to an AC supply with sufficient power handling, protective earth connection, ground-fault (earth-fault) protection and overload protection.
- Disconnect the product from the AC supply during thunderstorms or longer periods of being unused.
- Make sure any heat sink or other cooling surface, or any air convection slot , is exposed
- sufficiently to free air circulation and is not blocked.
- Do not operate this product in environmental temperatures exceeding 35 degrees Celsius and/or 85% relative humidity.
- Position the product in a safe and stable place for operation, out of reach of unauthorized persons.
- Make sure any cable connections to and from the product are neither subject to potentially
- destructive mechanical impact nor present any risk of stumbling or other accident risk to people.
- Audio equipment may generate sound pressure levels sufficient to cause permanent hearing damage to persons. Always start up at low volume settings and avoid prolonged exposure to sound pressure levels exceeding 90 dB.
- Do not open this product for service purposes. There are no user-serviceable parts inside.
- Warranty will be void in any case of unauthorized service by the user or other not authorized persons.
- Take any precaution required by local law, applicable regulations or good business practice to avoid injury of people or material damage by use of this product.
- TTENTION!
Read manual before installation and operation. - DANGER!

Safety hazard. Risk of injury or death. - WARNING!

Hazardous voltage. Risk of severe or fatal electric shock. - WARNING!

Fire hazard.
Overview
General
The MX155 is a mic/line mixer with 5 multi-purpose mic/line inputs, one dedicated microphone input and talkover feature. All inputs feature EQs and Gain control. The balanced output is provided on a Phoenix-compatible connector. Remote muting and emergency signal replay facilitate the use in installed sound systems.
Health advice
This unit produces and absorbs electromagnetic radiation. The strength of radiation and the sensitivity for disturbing interference matches the CE and FCC requirements. A corresponding sign is printed on the backside of the unit. Any change or modification may affect the behavior of the unit concerning electromagnetic radiation, with the CE requirements eventually not to be met any more. The manufacturer takes no responsibility in this case.
Functional advice
This unit is immune to the presence of electromagnetic disturbances – both conducted and radiated – up to a certain level.
Under peak conditions, the unit is classified to show a “class C” performance criteria and may encounter temporary degradation or loss of function which may need manual help to recover. In such case, disconnect the AC power from the unit and reconnect it again to recover.
Environmental advice
This unit is built to conform to the ROHS standards and the WEEE directive 2002/96/EC of the European Parliament and of the Council of the European Union. Under these regulations, the product shall not be discarded into regular garbage at the end of its life, but shall be returned to authorized recycling stations.
Unpacking
- Please check that the box contains the following items:
- Main parts: 1 pc. MX155 main unit
- 1 pc. Mains cable
- 1 pc. Operation manual
- If any part is missing, please contact your dealer immediately for replacement.
AC mains voltage setting
If the AC mains voltage of your power outlet and the setting of the AC supply voltage on your unit do not match, contact your dealer, contractor or a qualified service workshop to change the setting of the AC voltage selector. The AC voltage selector switch is located on the side panel of the unit, close to the AC inlet
WARNING After unpacking, and before plugging the AC cord in the wall outlet, check whether the AC mains voltage and frequency is the same as this product is specified for (see rear panel of product). Whenever the specified voltage or your AC plug should not match the local conditions, do NOT plug the AC cord into the wall outlet and contact your dealer immediately
Controls and Connections
Connections – Rear
Functional Description
The MX155 is a mic/line mixer with 5 multi-purpose mic/line inputs, one dedicated microphone input and talkover feature. All inputs feature EQs and Gain control. The balanced output is provided on a Phoenix-compatible connector. Remote muting and emergency signal replay facilitate the use in installed sound systems.
- AC inlet and fuse holder. Use the supplied AC cord to connect the unit to AC mains. Make sure voltage and frequency stated and set on the unit comply with your local AC supply. The fuse can be accessed by the small drawer at the AC inlet. To change the fuse, unplug the AC cord first, pull out the fuse drawer and replace the fuse ONLY with a fuse of SAME voltage and rating. If the fuse blows again after replacement, hand over the unit to qualified service personnel.
- Stereo Main output. This is a balanced terminal block output.
- Mono switch for main output. Sums the left and right channel to a mono signal when pressed.
- Maximum level setting for Stereo Main output. This control allows to limit the maximum level at the outputs (2) in order to match the connected sound system. Adjustments made on this control will not be displayed by the output level meter (25). Adjustments shall be made with a small screw driver. Note that the total angle is 300 degrees; do not apply excessive force with the screw driver.
- Talkover threshold adjustment for Stereo Main output. This controls allow to set the level at which the talkover is enabled.
The amount of damping which is applied once the talkover is active (DPG) is set by a front panel control (23). Adjustments shall be made with a small screw driver. Note that the total angle is 300 degrees; do not apply excessive force with the screw driver. - Record output. This is an unbalanced stereo output carrying the same signal as the main outputs (2), but not influenced by the main volume control (24). This is normally used for recording the output to an external tape, CD or memory device.
- Music Mute input. This is a terminal block input which allows to remotely mute the main output by simply shorting the contacts.
- Emergency input. This is an auto-sensing, balanced terminal block input which allows the connection to an emergency evacuation system. Once a signal is present on this input, the main output signal will be muted and the emergency message/ signal from this input will become audible instead. Note that the unit can be set to include or exclude the microphone signals from this muting process, please see section “microphone emergency priority setting”.
- Emergency volume control. This control allows to set the level with which the signal fed into the emergency input (8) will be replayed at the main output (2).
- Priority microphone input “MIC”. This is a balanced input with adjustable priority over other signals by means of the talkover controls (5) and (23). Phantom power can be enabled or disabled depending on the connected microphone type, see section “microphone phantom power setting”.
- GAIN control for priority microphone input. “MIC” This allows the sensitivity (input gain) for input (10) to be adjusted to match different microphone output levels.
- MICROPHONE input for CH1/2/3/4/5. These are balanced Phoenix-compatible connectors, which can be internally set to either carry phantom power or not, thus these inputs can be used both with condenser and dynamic microphones.
Please see section “microphone phantom power setting”. The signal of these inputs is controlled by the front panel controls (19)/(20). - LINE input for CH1/2/3/4/5. These RCA connectors provide inputs for line-level signals to the assigned channels.
- SOURCE selector switch for CH1/2/3/4/5. Allows to switch the input source between the connected LINE signal (13) or microphone signal (12) of the respective channel.
- GAIN control for input channels 1/2/3/4/5. This allows the sensitivity (input gain) for every input to be adjusted, so that sources of different output level can be mixed at properly balanced levels.
- LINE input for FOH/AUX channel. This is a Phoenix-compatible balanced stereo input specifically designed to allow the connection of the output of a stage mixer or any other balanced audio source at larger distance, in order to use the connected sound system for the replay of such source‘s signal. This is useful in applications where, e.g., apart from stereosource replay also live music is performed over the same sound system, or where a source signal from a different room/ area needs to be replayed. The volume of this input is controlled by a rotary front-panel control (18). Note that this input is disabled when a connector is inserted into the front-panel AUX IN jack (17).
- AUX Input for FOH/AUX channel. This is a 3.5mm TRS stereo socket which allows to connect sources like MP3 players etc. without removing the mixer from its mounting position. Once a plug is inserted, the rear panel balanced line inputs for this channel (16) are disabled and the connected source is active.
- VOLUME control for FOH/AUX channel. Controls the volume of the signal inserted in the balanced rear-panel input (16) or the front-panel TRS input (17) respectively.
- VOLUME controls for channels 1/2/3/4/5. Control the volume of the signal inserted in the rear-panel microphone inputs
(12) or line inputs (13) depending on the setting of the source selector switch (14). The maximum attainable volume is adjustable by the rear-panel gain control (15). - EQUALIZER for channels 1/2/3/4/5. Allows the adjustment of the tonal balance for the respective input in two frequency bands with an adjustment range of ±12dB.
- VOLUME control for priority microphone channel. Controls the volume of the signal inserted in the rear-panel priority microphone input (10). The maximum attainable volume is adjustable by the rear-panel gain control (11).
- EQUALIZER for priority microphone channel. Allows the adjustment of the tonal balance for the priority microphone in two frequency bands with an adjustment range of ±12dB.
- Talkover Damping Control. This control determines the amount of level reduction applied to the program signal when the priority microphone is spoken into. Being fully turned clockwise, once speaking into the microphone, the program signal is completely suppressed. Being turned fully counter-clockwise, the talkover function is off. Any position in between allows seamless adjustment of the amount of reduction applied to the program signal. The threshold level from which on this function is enabled can be set by the rear panel sensitivity level control (5).
- MAIN (stereo) output level control. Determines the main output level present at output (2).
- MAIN (stereo) output level meter. Displays the output level of the stereo main output (2). Note that the level limitation applied by means of the rear-side maximum level control (4) is not displayed on this meter.
- PFL level. Determines the signal volume at the headphone output (27). Always set this control to minimum before putting on headphones, as sudden high-volume impact may damage your ears. See further health advice below.
- Headphone output. A ¼” TRS connector to connect headphones. Turn the PFL level (26) down before plugging in any headphones.
- Power switch. Switches the unit on and off. Make sure to switch the unit off when not in use.
Internal Settings
WARNING – DANGER Changing the internal settings requires to open the unit. Prior to opening the unit, the unit shall be disconnected from any AC supply. Any work on an open unit shall be expedited only by qualified, certified personnel.
To make the settings, locate and set the jumpers on the rear PCB as show below.
Microphone phantom power setting
While most applications will work well with dynamic microphones, on certain occasions the use of a condenser microphone may be required. To supply the necessary voltage to the microphone, the MX155 provides an internal option to activate phantom power, separately for the priority microphone and for all other microphone inputs (CH1…CH5). Please note that the phantom power settings for channels 1-5 can only be made globally, not individually. Open the unit and locate the rear PCB as shown above. Set the jumpers as required.
B. Microphone emergency priority setting
In the case of an external emergency signal muting the unit’s outputs, an internal jumper can be set to either mute the connected microphones (”off”) as well or to to keep them active (so that aside of a emergency message broadcasted, additional instructions can be given by a local microphone – “on”). To make the setting, locate and set the jumper on the rear PCB as shown above.
Operation
A. Connections
For connecting this unit to AC mains, please note:
- Check whether the AC mains voltage and frequency is the same as this product is specified for (see rear panel of product). Whenever the specified voltage or your AC plug should not match the local conditions, do NOT plug the AC cord into the wall outlet and contact you dealer immediately.
- Do not operate this unit without the line cord earth ground connected. To do so may increase the risk of electric shock and increase line cord conducted emissions.
For making audio signal connections, always remember that good and reliable connections are a basic requirement for good sound and reliable operation. Bad soldering of cables can result in intermittent audio signals or temporarily lost ground connections, hence always use good cables. In case of doubt about making proper connections, please see check the standard pin assignments required for proper operation in the following section of this manual.
B. Powering up
Following a proper power-up sequence protects your equipment – specifically speakers – and your ears. Follow the below procedure:
- Turn down all output volume controls of any equipment in your audio system.
- Switch on your audio sources first (Tuners, CD Players, PCs with soundcards, Tapedecks, etc.).
- Switch on the audio mixer
- Switch on any audio processor between the mixer and the amplifier(s) [if any].
- Switch on the amplifier(s).
- Turn up the audio level on your sources if such controls are provided.
- Set the audio output of your mixer to a low level.
- Set the audio output of any audio processor between the mixer and the amplifier(s) to a medium level [if any such processors].
- Turn up the volume controls of your amplifier(s) slowly.
- Make adjustments to all volume settings as needed.
For switching off, follow the inverse sequence – always switch off your amplifier(s) first, then any processors between mixer and amplifier(s), then the mixer, then the sources.
C. Use
Apart from using good equipment, good sound comes from using it correctly. Level setting mistakes are one of the common reasons why even good equipment may not perform as desired. For setting levels, please be reminded that two guidelines need to be followed:
- Avoid distortion by leaving some headroom. Never overrun any audio equipment’s inputs. Level meters and displays allow you to make sure that signals do not enter critical levels.
- Avoid unnecessary amplification by using as little attenuation as possible. For example, if you turn down the input gain of a mixer to minimum, and then increase the main output of the mixer to maximum to drive your amplifier properly, you will create unnecessary noise, as you first dispose of some already existing signal level, and then later apply amplification (tainted with noise) to make it up.
WARNING – HEALTH RISK Excessive volume levels on headphones or other sound systems may cause hearing damage. Always turn the volume control to minimum when you switch the unit on, and avoid prolonged exposure
to sound pressure levels exceeding 90dB
Connections
The MX 155 uses the connector types below, for which the pin assignment must comply with the following specification. Always make sure to use good connectors and cables to ensure proper operation. Balanced connections are to be preferred over unbalanced connections where applicable and feasible. Avoid unbalanced connections exceeding 2m of cable length.
| Structure | Balanced connection | Unbalanced connection | |
3.5mm TRS-stereo![]() | ![]() | red = tip black = ring shield = sleeve | Unbalanced connection |
RCA![]() | ![]() | Red = tip black = sleeve shield = uncon. | red = tip shield = sleeve+ring |
3-pin Phoenix-compatible plug![]() | ![]() | shield = 1 black = 2 red = 3 | red = tip shield = sleeve |
5-pin Phoenix-compatible plug![]() | ![]() | shield = 1 black (L) = 2 red (L) = 3 black (R) = 4 red (R) = 5 | shield = 1+2 red = 3 |
| CABLE Types | hield = 1+2 red = 3 |
- 2-conductor shielded cable (for balanced connections)

- 1-conductor shielded cable (for unbalanced connections)

Technical Specifications
Signal/Noise : >82dBu (unwgtd 22Hz-22KHz)
Crosstalk Damping.: >65dB (Line)
THD: <0.03% (Line)
Frequency response: 20Hz – 20 kHz
AC IN: 115V/230~ 50/60Hz
Power consumption: max. 20W
Dimensions: W483 x H44.5 x D152.0mm
Weight: 2.30 kg
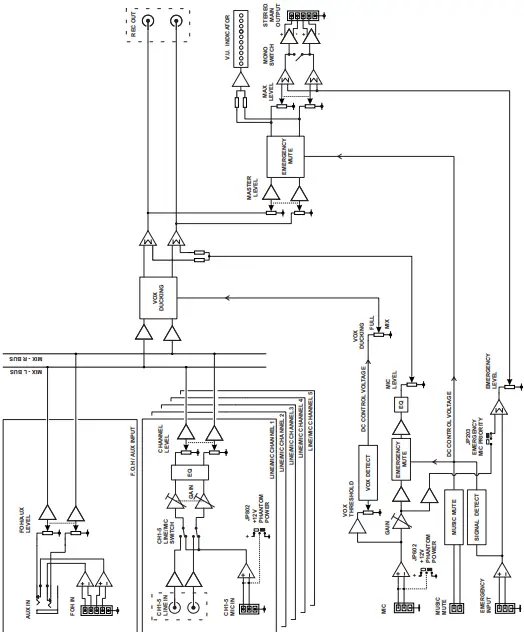
Block Diagram

Maintenance and Warranty
While we have chosen the best components to make this product as rugged and reliable as possible, some parts in audio products (potentiometers, faders, switches) are subject to wear which is a matter of operation cycles, and not of time. While providing a full time-based warranty according to the country’s of purchase requirements on the function of the electronic circuitry, we hence have to limit the warranty on such electro-mechanical parts to 90 days from the date of purchase. In many cases, malfunction of electro-mechanical parts occurs due to dust contamination, which may require cleaning of such parts. As the inside of such parts is not accessible, a common practice is to use cleaning fluids in the shape of sprays. Please be reminded that many of such fluids contain chemicals which may wash away the dust but at the same time corrode or damage contact surface and may cause cosmetic damage to other parts. We hence explicitly exclude any claims for exchange of damaged part due to mechanical or chemical impact.
































