NEXT MX350 Multi Zone Mixer Amplifier

Product Information
- Product Name: Multi-Zone Mixer Amplifier
- Manufacturer: NEXT Audiocom
- Model: MX350
- Website: www.nextaudiogroup.com
- Version: v202203
Product Usage Instructions
Getting Started:
- Unpack the product and review the packaging contents.
- Ensure safety by following the provided safety guidelines.
Front Panel:
- Power Switch: Use this switch to turn the MX350 On or Off.
- LED Power Indicator: This indicator lights up red when the MX350 is turned On.
- Bass Adjustment Knob: Use this knob to increase or decrease the system’s bass response.
- Treble Adjustment Knob: Use this knob to increase or decrease the system’s treble response.
- Auxiliary Inputs Volume Knobs: Use these knobs to increase or decrease the volume of auxiliary inputs.
- Microphone 1 and 2 Volume Knobs: Use these knobs to increase or decrease the volume of microphone inputs.
- Microphone 1 Input: This microphone channel is used for announcements and other priority communications.
- Zone Volume Adjustment Knobs: Use these knobs to increase or decrease the volume of each zone individually.
- Zone Level LED Indicators: These indicators show the presence of audio in each zone.
- Chime Button: Press this button to play a chime tone.
- MP3 SD Card Slot: Insert an SD card to play MP3 audio content.
- Mode Button: Press this button to switch between different modes (MP3 player, FM Tuner, Auxiliary wired connections, and Bluetooth mode).
- Next/Forward Button: In MP3/Bluetooth mode, press this button to play the next song. Long-press to increase general input volume. In FM Tuner mode, press this button to switch to the next memorized station. Long-press to increase the tuner general input volume.
- Previous/Backwards Button: In MP3/Bluetooth mode, press this button to play the previous song. Long-press to decrease general input volume. In FM Tuner mode, press this button to switch to the previous memorized station. Long-press to decrease the tuner general input volume.
- Play/Pause Button: In MP3/Bluetooth mode, press this button to play or pause the currently selected song. In FM Tuner mode, it automatically searches and memorizes all available radio stations.
Connections
The user manual provides detailed instructions on how to make various connections, including input connections, low impedance output connections, and 100V line zone output connections. Please refer to the manual for specific instructions.
Service
The user manual provides information on warranty policy and correct disposal of the product.
Technical Specifications
The user manual provides technical specifications for the MX350.
Please refer to the manual for detailed information.
INTRODUCTION
GENERAL DESCRIPTION
Thank you for purchasing a NEXT Audiocom MX350 multi-zone amplifier. This user manual will provide you with useful and important information about your equipment. Please devote some time reading it and keep it at hand for future reference.
ATTENTION!
Because of the continuous evolution of techniques and standards, NEXT Audiocom reserves the right to change the specifications of its products without warning. For the most updated version of this manual and general information about this and other products, please visit our website www.nextaudiocom.com.
UNPACKING
NEXT Audiocom’s products are built under strict quality guidelines and supervision, according to the highest standards. When unpacking your product, carefully examine it for any signs of possible transit damage and inform your dealer immediately if any such damage has occurred. It is suggested that you retain the original packaging so that the product can be repacked in the future when necessary. Please note that NEXT Audiocom and its authorized distributors cannot accept any responsibility for damage to any returned product using non-approved packaging.
PACKAGING CONTENTS
- NEXT Audiocom MX350
- Remote Control
- IEC Power Cable
- FM Antenna Cable
- RCA Cable
- User Manual
FEATURES
- Integrated platform comprised of an amplifier, a 6 zones controller, an MP3 player from USB pen or SD card, FM tuner and Bluetooth
- Infrared remote control
- LED Screen to display volume, MP3, FM tuner and Bluetooth information
- 4 microphone inputs and 3 auxiliary inputs
- 1 signal output
- 4Ω-16Ω rated output impedance for the low impedance output
- 100V Line Output
- Priority microphone input and Chime function with ducking control
- Bass and Treble control
- LED meter for output level visualization
- DC voltage, overload, and Short circuit protections
SAFETY FIRST
Please take some time to review the following statements concerning safe use of your NEXT Audiocom MX350.
- Read these instructions
- Keep these instructions
- Heed all warnings
- Follow all instructions
- Before installing, observe the applicable safety regulations for your country
- Never install close to ignition or heat sources such as radiators, ovens or any other apparatus that produce heat.
- Do not use or install the equipment near water or exposed to rain
- If the equipment is not functioning properly or has been damaged in any way, switch it off immediately
- Do not open or try to service the equipment. It may only be repaired by authorized, qualified personnel
- Clean the equipment using only a clean dry cloth
WARNINGS
CAUTION
Never remove the cover, because otherwise there may be a risk of electric shock. There are no user serviceable parts inside. Have repairs carried out only by qualified service personnel.
The lightning flash with arrowhead symbol within an equilateral triangle is intended to alert the user to the presence of uninsulated “dangerous voltage” within the product’s enclosure that may be of sufficient magnitude to constitute a risk of electrical shock.
The exclamation mark within an equilateral triangle is intended to alert the user to the presence of important operating and maintenance instructions.
MX350 FRONT PANEL 
- Power Switch
Switches the MX350 On or Off - LED Power Indicator
Lights red when the MX350 is turned On - Bass Adjustment Knob
Increase or decrease the system’s bass response - Treble Adjustment Knob
Increase or decrease the system’s treble response - Auxiliary Inputs Volume Knobs
Increase or decrease the auxiliary inputs’ volume - Microphone 1 and 2 Volume Knobs
Increase or decrease the microphone inputs’ volume - Microphone 1 Inputv
This microphone channel is the one to be used for announcements and other communications that require priority - Zone Volume Adjustment Knobs
Increase or decrease each zone volume individually - Zone Level LED Indicators
Indicates the presence of audio in each zone - Chime Button
Press to play a chime tone - MP3 SD Card Slot
Insert a SD card to play MP3 audio content - Mode Button
Press to switch between MP3 player, FM Tuner, Auxiliary wired connections and Bluetooth mode - Next/Forward Button
MP3/Bluetooth: Press to play next song. Long-press to increase general input volume
FM Tuner: Press to switch to the next memorized station. Long-press to increase the tuner general input volume - Previous/Backwards Button
MP3/Bluetooth: Press to play previous song. Long-press to decrease general input volume
FM Tuner: Press to switch to the previous memorized station. Long-press to decrease the tuner general input volume - Play/Pause Button
MP3/Bluetooth: Press this button to play or pause the currently selected song
FM Tuner: Automatically search and memorize all available radio stations - USB Port (MP3 Only)
Port for connecting a USB data device - LED Display
- LED Level Meter
Offers a visual display of the amplifier’s volume level
MX350 REAR PANEL
Ducking Control Potentiometer
Defines the level difference between common and priority signals- Microphone 2 Input
- Auxiliary Inputs RCA Connectors
- Line Output RCA Connectors
Signal output for external audio device - Speaker Zones Output Connect
only 100V speakers - AC Voltage Input IEC connector
- AC Main Fuse
F4A – 250V - Low Impedance Speaker Output
To connect speakers ranging from 4Ω-16Ω - Chime Volume Potentiometer
Increases or decreases the chime function level - FM Radio Antenna Connector
Connect a suitable 75Ω antenna (Supplied) - Microphone 4 Input
TRS connector - Microphone 3 Input
TRS connector - Microphone 4 Volume Potentiometer
Increases or decreases the microphone 4 level - Microphone 3 Volume Potentiometer I
increases or decreases the microphone 3 level
REMOTE CONTROL
- On/Off
Switches the MX350 On or Off - Mode
Switch between MP3, AUX, FM Tuner and Bluetooth functions - Mute
MP3/FM Tuner mute button. Press once to mute, press again to unmute - Play/Pause
MP3/Bluetooth: Press once to play. When playing press once to pause, press again to continue playing FM Tuner: Press to cycle through the memorized radio station channels in order - Forward
MP3/Bluetooth: Select or jump to the next song
FM Tuner: Select the next saved radio station channel - Backwards
MP3/Bluetooth: Select or jump to the previous song
FM Tuner: Select the previous saved radio station channel - EQ
MP3: Select between Classic, Jazz, Rock, Bass enhanced, and Pop predefined equalizer setups
FM Tuner: Call a memorized radio station using the channel number - Volume Down
Decrease overall volume - Volume Up
Increase overall volume - Numerical Keypad
- U/SD
MP3: Cycle between USB, SD, or both
FM Tuner: Automatic scanning - Repeat
Only works in MP3 mode, press to cycle between repeating only the current song and repeating all songs (playlist style)
OPERATING INSTRUCTIONS
- FM TUNER – To enable the FM Tuner press the “Mode” button either on the front panel (page 2 button 12) or on the remote control (page 3 button 2) until “RAD” appears on the display. Do not forget to connect the antenna cable for the tuner to work properly.
- Automatic Scanning – Press the Play/Pause Button on the front panel (page 2 button 15) or the U/SD button on the remote control to execute an automatic sweep and save the radio frequencies where a station is present. The MX350 will assign an ID number to each station which also corresponds to the memory number. With this process completed, the MX350 will go back to memory 1.
- Browse Stations – Using the front panel buttons
Press once the forward button on the front panel (page 2 button 13) to listen to the radio station memorized on the next memory position or press once the backwards button (page 2 button 14) to listen to the one stored at the previous memory position. Long pressing any of these buttons will either increase or decrease the sound volume. There is no way to fast-browse the radio channel memories using the front panel of the MX350. - Browse Stations – Using the remote control
Press the play/pause button (page 3 button 4) to listen to the radio station memorized on the next memory position or press the EQ button to listen to the radio station memorized on the previous memory position. You can also directly select a specific channel using the numerical keypad. Just type the ID number of the memory you want to listen to. - Manual Tuning and Fine Tuning – On the remote control only, it is possible to manually tune or fine-tune. Pressing the forward button (page 3 button 5) will increase the tuning frequency and pressing the backwards button (page 3 button 6) will decrease the tuning frequency.
- MP3 PLAYER – The MP3 player is automatically enabled as soon as you insert a USB stick or SD card. Whatever is playing is interrupted and the program on the data device will be reproduced. If the USB Stick or the SD card are already inserted, press the mode button (page 2 button 12; page 3 button 2) until the display shows USB or SD.
- Reproduction – Any present MP3 tracks are played automatically as soon as a data device is inserted. The MP3 fi les may be either in the root of the device or in folders. Other fi le types will be ignored if they exist. Press play/pause button on the front panel (page 2 button 15) or the remote control (page 3 button 4) to interrupt the reproduction and press again to resume. Press forward button to play next song and the backwards button to play the previous song. You can also directly input the number correspondent to the track you want to listen. Just type the track ID number.
- Sorting MP3 tracks – You may want to play your tracks in a specific order. Change the name of the tracks inserting the number correspondent to the order you wish followed by a dot. Ex.: 1.track_x.mp3, 2.track_y.mp3, etc.
Repeat – The repeat function can be activated only on the remote control. Press the repeat button (page 3 button 12) once to repeat the current song. Press again to repeat all songs like a playlist. - U/SD function button – On the remote control, press the U/SD button to cycle between the USB device and the SD card device, but also allows playing the tracks in both devices as if they were one.
- Pairing Bluetooth Device – Press the “Mode” button either on the front panel (page 2 button 12) until “bt” appears flashing on the display. On yor mobile device search for “NEXT MX350” and type “2020” as password. The “bt” stops flashing.
PRIORITY ANNOUNCEMENTS
The MX350 supports a ducking function where, when a priority signal is present, the volume of the regular signals is reduced to improve the message intelligibility. The Mic 1 input and the Chime function are considered as priority signals. When you press the Chime button or talk to Mic 1, the other signals are reduced in level. The level values are defined individually. Both the Chime volume potentiometer and the Ducking potentiometer are located at the rear panel (page 2).
CONNECTIONS
INPUT CONNECTIONS
In the MX350, the Auxiliary mode disables the Tuner/MP3 module and enables working only with cable connected equipment such as CD Players, Tuners, Turntables or others. Press the MODE button (page 2 button 12; page 3 button 2) until the display shows “AUX”. There are 3 auxiliary RCA inputs, and 4 microphone jack inputs (not balanced). A signal output is also available as RCA outputs where a recording device or an external amplifier can be connected.

LOW IMPEDANCE OUTPUT
To use the MX350 as a regular mono low impedance amplifier connect the speakers to the binding posts as shown above. Be careful not to switch polarities between speakers to minimize comb filtering and bass cancellation effects due to “out of phase” speakers. The minimum impedance allowed by the amplifier is 4Ω (two seakers of 8Ω connected in parallel).
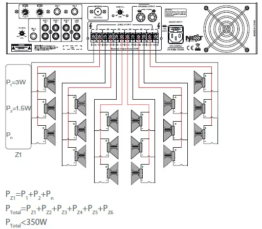
100V LINE ZONE OUTPUT
The MX350 allows for the configuration of up to 6 different zones. These are all 100V outputs for distributed lines. These require the use of speakers designed specifically for this kind of output. These speakers will have a transformer as the input, normally with more than one power tap. The 100V distributed line is the best method when you need to deploy many speakers over a wide area. The higher voltage allows for a lower current at the same power rating, which in turn allows the use of longer and thinner cables with little loss.
On the table below you can find the maximum distance a cable can deliver the amplifier full power.

SERVICE
The high impedance also allows the use of more speakers as long as the total sum of the power ratings configured in those speakers is not higher than the power rating of the amplifier. For the MX350 this means that the sum of the power ratings of all the speakers connected in all 6 zones cannot be higher than 350W. For a safe use we recommend it to be 10 to 20% lower to allow for a little headroom to handle peaks from the music program. Using more than this will likely damage the amplifier or at the minimum cause unpleasant distorted sound that given enough time will damage the speakers instead through excessive heat on the speaker’s coil.
WARNING!
Though the MX350 allows it, never have a low impedance speaker working at the same time as the Zone distributed lines for a long period of time.
WARNING!
- RISK OF ELECTRIC SHOCK – Never try to connect or disconnect the 100V distributed lines with the amplifier powered on. Always disconnect the MX350 from the mains before attempting any changes to the wiring or connections.
WARRANTY POLICY
NEXT Audiocom products are warranted, by NEXT Audiocom, against manufacturing defects in materials or craftsmanship over a period of 2 years counting from the date of original purchase for final costumer. The original receipt of purchase is mandatory for warranty validation purposes, and the product must have been bought from a NEXT Audiocom authorized dealer.
5 NEXT Audiocom | MX Series The warranty can be transferred to a subsequent owner during the warranty period, however, this cannot extend the warranty period beyond the original warranty period of two years from the original date of purchase stated on the NEXT Audiocom’s invoice. During the warranty period NEXT Audiocom will, at its own discretion, either repair or replace a product which prove to be defective provided that the product is returned in its original packaging, shipping prepaid, to an authorized NEXT Audiocom service agent or distributor.
NEXT Audiocom cannot be held responsible for defects caused by unauthorized modifications, improper use, negligence, exposure to inclement weather conditions, act of God or accident, or any use of this product that is not in accordance with the instructions provided by this manual and/or NEXT Audiocom. NEXT Audiocom is not liable for consequential damages. This warranty is exclusive, and no other warranty is expressed or implied.
This warranty does not affect your statutory rights.
CORRECT DISPOSAL
When the MX350 is to be definitively discarded, take the product to a local recycling plant for a disposal which is not harmful to the environment. This equipment should not be treated as general household waste.
Devices marked with this symbol must not be disposed of as household waste. For more information, please contact your retailer or local authorities.

TECHNICAL SPECIFICATIONS
- Product Type: Multi-zone Mixer Amplifier
- Frequency Response (-6dB): 80Hz – 16kHz
- Amplifier Power: 350W
- Speaker Output: 70V, 100V, 4Ω-16Ω
- Output 100V Zones: 6 Zones
- THD+N: <1%
- SNR: MIC: >71dB | LINE : >85dB
- Input Sensitivity: MIC: 3mV (±0.5mV) | LINE : 300mV(±50mV) Audio Signal Input: 3 x RCA (Stereo), 4 x MIC (TRS), USB, SD Card, FM Radio, Bluetooth
- Audio Signal Output: 1 x RCA (Stereo)
- Protections: DC Voltage, Overload, Short-Circuit
- Power Supply: 220V-240V/50Hz-60Hz
- Cabinet Material: Aluminum/Iron
- Dimensions (WxHxD): 483 x 88 x 338mm (19 x 3.5 x 13.3”) Net Weight: 16kg (35.27lb)
- Shipping Weight: 17kg (37.48lb)

Ducking Control Potentiometer

















