
General Purpose Mixer
Model MX-CN-0127 Item 27767
Instruction Manual

Revised – 06/07/2021
![]()
![]()
General Information
Omcan Manufacturing and Distributing Company Inc., Food Machinery of America, Inc. dba Omcan and Omcan Inc. are not responsible for any harm or injury caused due to any person’s improper or negligent use of this equipment. The product shall only be operated by someone over the age of 18, of sound mind, and not under the influence of any drugs or alcohol, who has been trained in the correct operation of this machine, and is wearing authorized, proper safety clothing. Any modification to the machine voids any warranty and may cause harm to individuals using the machine or in the vicinity of the machine while in operation.
CHECK PACKAGE UPON ARRIVAL
Upon receipt of an Omcan shipment please inspect for external damage. If no damage is evident on the external packaging, open the carton to ensure all ordered items are within the box, and there is no concealed damage to the machine. If the package has suffered rough handling, bumps, or damage (visible or concealed), please note it on the bill of lading before accepting the delivery and contact Omcan within 24 hours, so we may initiate a claim with the carrier. A detailed report on the extent of the damage caused to the machine must be filled out within three days, from the delivery date shown in the shipping documents. Omcan has no recourse for damaged products that were shipped collect or third party.
Before operating any equipment, always read and familiarize yourself with all operation and safety instructions.
Omcan would like to thank you for purchasing this machine. It’s of the utmost importance to save these instructions for future reference. Also, save the original box and packaging for shipping the equipment if servicing or returning of the machine is required.
Safety and Warranty
IMPORTANT
- The mixer must have good protective grounding.
- Don’t operate the mixer beyond the required quantity. When the quantity of water is below 55%, please reduce the flour.
- Do not put the hand into the bowl when operating the mixer.
RESIDENTIAL USERS: Vendor assumes no liability for parts or labor coverage for component failure or other damages resulting from installation in non-commercial or residential applications. The right is reserved to deny shipment for residential usage; if this occurs, you will be notified as soon as possible.
1 YEAR PARTS AND LABOUR WARRANTY
Within the warranty period, contact Omcan Inc. at 1-800-465-0234 to schedule an Omcan authorized service technician to repair the equipment locally.
Unauthorized maintenance will void the warranty. The warranty covers electrical and part failures, not improper use.
Please see https://omcan.com/disclaimer for complete info.
WARNING:
The packaging components are classified as normal solid urban waste and can therefore be disposed of without difficulty.
In any case, for suitable recycling, we suggest disposing of the products separately (differentiated waste) according to the current norms.
DO NOT DISCARD ANY PACKAGING MATERIALS IN THE ENVIRONMENT!
Technical Specifications
| Model | MX-CN-0127 |
| Power | 2 kW – 3.7 kW / 2.7 HP – 5 HP |
| Shaft Speed | 120 / 240 RPM |
| Bowl Speed | 17 RPM |
| Bowl Capacity | 120 L / 127 QT |
| Maximum Kneading Capacity | 82.6 lbs. / 37.5 kgs. |
| Electrical | 220V / 60Hz / 3 |
| Weight | 1080.3 lbs. / 491 kgs. |
| Dimensions | 47.6″ x 28.3″ x 56.3″ / 1210 x 720 x 1430mm |
| Packaging Weight | 1256.5 lbs. / 571.1 kgs. |
| Packaging Dimensions | 49.2″ x 30″ x 65.6″ / 1250 x 762 x 1665mm |
| Item Number | 27767 |
Operation
The machine has two controls: touch-panel control and manual-switch control.
TOUCH-PANEL CONTROL
- Put the materials into the bowl. Note that sufficient quantity is 55% of bowl volume with flour and water.
- Automatic manner: switch on the power supply; set 3-4 minutes at low speed, 7-8 minutes at high speed, and press “manual/automatic switch” to automatic state (“AUTO” light became light on the panel). Then press “ON” to turn on the machine, the machine will mix the flour at one time.
- Manual manner: switch on power supply, press “manual/automatic switch” to manual state (“Manu” light became light on the panel). Press “quack/slow switch” at low speed, and press the “ON” switch to start mixing at low speed, and to some extent, press the “quick” mixing switch to complete mixing.
- Take out paste after mixing. If turn on the faceguard during mixing, then the machines will stop rotating. In this case, press the “INCH” switch, then the machine can operate, and the paste can be taken out.
MANUAL-SWITCH CONTROL
The machine has a manual switch at the left side, “1” is slow speed, “2” is quick speed. The switch can be turned to the required speed when using, and press the button beside the switch. In the process of manual operation, the power supply of the panel is turned off. If you want to use it again, then switch on the power supply again. The machine has a slow or quick reversion function, and it can be used in blending the materials. When taking out the paste, the reversion function can’t be used in case of breaking the paste. At any times, if happens some accidents, press “Emergency Button” to stop the machine quickly to prevent any damage. The machine can be started again after finding out the reasons.
Maintenance
Take out the paste after mixing; wipe the inside of the bowl, newel, and pole with clean water and a cloth. And move the unwanted materials above the bowl with a clean cloth. Do not wash the below area of the machine.
- Wipe the panel with a clean cloth with litter water; do not use toluene, gas, or any volatile cleaner to clean the panel.
- Do not use nails or other hard things to press the button. Do not wash the panel and switch with water in case of electric shock.
- Make sure the machine works in a stable position, if it has some shakes, then adjust the adjustable foot to make the machine in stable.
- Put the food-safe oil into every food-safe oil hole in the bearing for three months at a time.
Troubleshooting
| Problem | Possible Cause | Solution |
| The machine can’t start up | No power. | Check the power supply, whether lose phase or not. |
| Burnt fuse. | Check the fuse, if burnt, please replace it. | |
| The switch, emergency button, or other buttons are in the close or open position. | Unplug the machine and place all buttons in the off position. | |
| The machine doesn’t work normally. | The belt became flexible and slips, or the belt is broken. | Please adjust the belt, or replace the belt. |
Mixer Capacity Chart
| Ingredients | Dough for Making Heavy Bread | Dough for Making Medium-Weight Pizza | Dough for Making Puffed Donut |
| Flour | 100.0% | 100.0% | 100.0% |
| Water | 55.0% | 50.0% | 65.0% |
| Yeast | 2.0% | 1.0% | 5.0% |
| Salt | 2.5% | 1.5% | 2.5% |
| Sugar | 5.0% | 0% | 15.0% |
| Foam | 5.0% | 0% | 15.0% |
| Oil | 0% | 2.0% | 0% |
| Non–Fat Milk Powder | 6.0% | 0% | 8.0% |
| In Total | 175.5% | 154.5% | 210.5% |
Parts Breakdown




Model MX-CN-0127 27767
Hook and Motor
| Item No. | Description | Position | Item No. | Description | Position | Item No. | Description | Position |
| 65298 | 220V/60HZ/3 Motor and Flat Key 10 for 27767 | 1+2 | 65303 | Hex Bolt M12x35 for 27767 | 15 | 28663 | Bearing 33210-Z for 27767 | 28 |
| 65299 | Setting Board for Motor for 27767 | 3 | 25047 | Spacer for 27767 | 16 | 65315 | Clamp Plate 60/88×10 for 27767 | 29 |
| 65300 | Bolts M12x120 for 27767 | 4 | 25030 | Spring Washers for 27767 | 17 | 65316 | Main Shaft for 27767 | 30 |
| 25029 | Nut for 27767 | 5 | 65308 | Socket Head Cap Screw M6x30 for 27767 | 18 | 65317 | Decorative Cover for 27767 | 31 |
| 65301 | Adjust Seat for 27767 | 6 | 65309 | Shaft Cover for 27767 | 19 | 65318 | Hook for 27767 | 32 |
| 25047 | Spacer for 27767 | 7 | 65310 | Main Shaft Half-Axis Belt Wheel for 27767 | 20 | 65319 | Stainless Steel Hex Bolt M12x50 for 27767 | 33 |
| 25030 | Spring Washers for 27767 | 8 | 65311 | Connecting Set 35×60 for 27767 | 21 | 65320 | Stainless Steel Flat Pad for 27767 | 34 |
| 65302 | Hex Bolt M12x55 for 27767 | 9 | 65312 | Clamp Plate for 27767 | 22 | 65321 | Stainless Steel Spring Washer Φ12 for 27767 | 35 |
| 65303 | Hex Bolt M12x55 for 27767 | 10 | 28665 | Bearing 6209-Z for 27767 | 23 | 65313 | Hex Bolt M12x30 for 27767 | 36 |
| 65304 | Clamp Plate Φ12 for 27767 | 11 | 65313 | Hex Bolt M12x30 for 27767 | 24 | 25047 | Spacer for 27767 | 37 |
| 65305 | Socket Head Cap Screw M8x16 for 27767 | 12 | 25047 | Spacer for 27767 | 25 | 25030 | Spring Washers for 27767 | 38 |
| 65306 | Half-Axis Belt Wheel for 27767 | 13 | 25030 | Spring Washers for 27767 | 26 | |||
| 65307 | Belt 13PL1613 for 27767 | 14 | 65314 | Main Shaft Seat for 27767 | 27 |
Model MX-CN-0127 27767
Bowl and Motor
| Item No. | Description | Position | Item No. | Description | Position | Item No. | Description | Position |
| 65322 | Socket Head Cap Screw M8x20 for 27767 | 1 | 28662 | Belt SPZ1525 for 27767 | 21 | 65345 | Clamp Plate 28/10.5 for 27767 | 40 |
| 25068 | Nut for 27767 | 2 | 65335 | Motor Belt Wheel for 27767 | 22 | 65346 | Shaft Seat Axis for 27767 | 41 |
| 65323 | Pin Sets for 27767 | 3 | 65336 | Shaft Ring 40 for 27767 | 23 | 65347 | Main Shaft Belt Wheel for 27767 | 42 |
| 65324 | Spindle for Motor for 27767 | 4 | 28664 | Bearing 6208-Z for 27767 | 24 | 65348 | Nut M20 for 27767 | 43 |
| 65325 | Motor Install Seat for 27767 | 5 | 65337 | Driver Shaft Bearing Seat for 27767 | 25 | 65313 | Hex Bolt M12x30 for 27767 | 44 |
| 65326 | Hex Bolt M10x30 for 27767 | 6 | 28664 | Bearing 6208-Z for 27767 | 26 | 65308 | Socket Head Cap Screw M6x30 for 27767 | 45 |
| 65327 | Nut M10 for 27767 | 7 | 65338 | Flat Key A10x50 for 27767 | 27 | 65312 | Clamp Plate for 27767 | 46 |
| 65328 | Clamp Plate 28/10.5 for 27767 | 8 | 65339 | Driver Shaft for 27767 | 28 | 28665 | Bearing 6209-Z for 27767 | 47 |
| 65329 | Short Stem for 27767 | 9 | 65311 | Connecting Set 35×60 for 27767 | 29 | 65349 | Bowl Shaft Seat for 27767 | 48 |
| 65330 | Long Stem for 27767 | 10 | 65340 | Big Belt Wheel of Shaft for 27767 | 30 | 65320 | Stainless Steel Flat Pad for 27767 | 49 |
| 65331 | Stem Support for 27767 | 11 | 24883 | Nut for 27767 | 31 | 65321 | Stainless Steel Spring Washer Φ12 for 27767 | 50 |
| 65332 | 220V/60HZ/3 Motor and Flat Key 6×40 for 27767 | 12+13 | 24882 | Ring for 27767 | 32 | 65350 | Stainless Steel Hex Bolt M12x40 for 27767 | 51 |
| 65333 | Belt Wheel of Bowl Motor for 27767 | 14 | 24939 | Spacer for 27767 | 33 | 28663 | Bearing 33210-Z for 27767 | 52 |
| 65305 | Socket Head Cap Screw M8x16 for 27767 | 15 | 65309 | Shaft Cover for 27767 | 34 | 65315 | Clamp Plate 60/88×10 for 27767 | 53 |
| 28661 | Belt SPZ1462 for 27767 | 16 | 25030 | Spring Washers for 27767 | 35 | 65351 | Bowl Shaft Seat for 27767 | 54 |
| 65303 | Hex Bolt M12x35 for 27767 | 17 | 65342 | Hex Bolt M12x40 for 27767 | 36 | 65352 | Stainless Steel Hex Bolt M12x35 for 27767 | 55 |
| 25030 | Spring Washers for 27767 | 18 | 65308 | Socket Head Cap Screw M6x30 for 27767 | 37 | 65321 | Stainless Steel Spring Washer Φ12 for 27767 | 56 |
| 25047 | Spacer for 27767 | 19 | 65343 | Clamp Plate for 27767 | 38 | 65320 | Stainless Steel Flat Pad for 27767 | 57 |
| 65334 | Shaft Cover for 27767 | 20 | 65344 | Hex Bolt M10x20 for 27767 | 39 | 65353 | Bowl for 27767 | 58 |
Model MX-CN-0127 27767
Body Components
| Item No. | Description | Position | Item No. | Description | Position | Item No. | Description | Position |
| 65354 | Chassis Sub-Assembly for 27767 | 1 | 65373 | Back Protect Guard for 27767 | 25 | 65391 | Nut M25x1.5 for 27767 | 49 |
| 65355 | View Hole Cover for 27767 | 2 | 25068 | Nut for 27767 | 26 | 65392 | Fixed Pin Sets for 27767 | 50 |
| 65356 | Stainless Steel Hex Bolt M5x20 for 277 | 67 3 | 65374 | Flat Pad Φ8 for 27767 | 27 | 65393 | Electrical Installation for 27767 | 51 |
| 65357 | Stainless Steel Flat Pad Φ5 for 27767 | 4 | 25096 | Spring Washer Φ8 for 27767 | 28 | 65394 | Philips Screw M6x20 for 27767 | 52 |
| 65358 | Sealing Tape for 27767 | 5 | 65375 | Pin Sets for 27767 | 29 | 65395 | Flat Pad Φ6 for 27767 | 53 |
| 65359 | Adjust Feet Support Seat for 27767 | 6 | 65376 | Stainless Steel Socket Head Cap Screw M8x25 for 27767 | 30 | 39316 | Locking Washer for Screws for Back Housing for 27767 | 54 |
| 24898 | Circlips for Shaft for 27767 | 7 | 65377 | Philips Screw M4x10 for 27767 | 31 | 65358 | Sealing Tape for 27767 | 55 |
| 65360 | Stainless Steel Hex Nut M16 for 27767 | 8 | 65378 | Flat Pad Φ4 for 27767 | 32 | 65396 | Electronic Control Panel for 27767 | 56 |
| 65361 | Planetary Handle M16 for 27767 | 9 | 65379 | Philips Screw ST4.2×16 for 27767 | 33 | 65397 | Stainless Steel Hex Bolt M5x50 for 27767 | 57 |
| 65362 | Industrial Wheels 100 for 27767 | 10 | 65380 | Cover Board for 27767 | 34 | 65357 | Stainless Steel Flat Pad Φ5 for 2776 | 7 58 |
| 65344 | Hex Bolt M10x20 for 27767 | 11 | 65381 | Fixed Block Shaft for 27767 | 35 | 65358 | Sealing Tape for 27767 | 59 |
| 24882 | Ring for 27767 | 12 | 65382 | Stainless Steel Hex Bolt M12x30 for 27767 | 36 | 65355 | View Hole Cover for 27767 | 60 |
| 24939 | Spacer for 27767 | 13 | 65320 | Stainless Steel Flat Pad for 27767 | 37 | 65356 | Stainless Steel Hex Bolt M5x20 for 27767 | 61 |
| 65363 | Block Wheel Shaft for 27767 | 14 | 65321 | Stainless Steel Spring Washer Φ12 for 27767 | 38 | 65357 | Stainless Steel Flat Pad Φ5 for 2776 | 7 62 |
| 65364 | Block Wheel Ontology for 27767 | 15 | 65383 | Button Electronic Control Panel for 27767 | 39 | 65398 | Belt Tensioner Mark for 27767 | 63 |
| 65365 | Stainless Steel Hex Bolt M8x16 for 277 | 67 16 | 65384 | Stainless Steel Philips Screw ST4.2×19 for 27767 | 40 | 65399 | Blind Rivets Φ3×9 for 27767 | 64 |
| 65366 | Stainless Steel Flat Pad Φ8 for 27767 | 17 | 65385 | Cover for 27767 | 41 | 65400 | Rotating Tensioner Mark for 27767 | 65 |
| 65367 | Block Wheel Seat for 27767 | 18 | 65386 | Stainless Steel Philips Screw M4x10 for 27767 | 42 | 65401 | Pin 4×50 for 27767 | 66 |
| 25084 | Bearing for 27767 | 19 | 65387 | Nylon Flat-Pad Φ4 for 27767 | 43 | 65402 | Industrial Wheels 110 for 27767 | 67 |
| 65368 | Block Wheel Bolts for 27767 | 20 | 65388 | Wire Fixed Board for 27767 | 44 | 65403 | Back Wheel Shaft for 27767 | 68 |
| 65369 | Stainless Steel Philips Screw M6x10 for 27767 | 21 | 65379 | Philips Screw ST4.2×16 for 27767 | 45 | 65404 | Stainless Steel Wire Mesh for 27767 | 69 |
| 65370 | Stainless Steel Flat Pad Φ6 for 27767 | 22 | 65389 | Cooling Hole Cover for 27767 | 46 | 65405 | Wire Mesh Layering for 27767 | 70 |
| 65371 | Stainless Steel Spring Washer Φ6 for 27767 | 23 | 39345 | Screw for Back Cover for 27767 | 47 | 65406 | Wire Mesh Layering for 27767 | 71 |
| 65372 | Screw for 27767 | 24 | 65390 | Brand for 27767 | 48 | 65407 | Stainless Steel Philips Screw M5x12 for 27767 | 72
Guard |
| Item No. | Description | Position | Item No. | Description | Position | Item No. | Description | Position |
| 65408 | Plate for 27767 | 1 | 65410 | Switch Block Wheel M6x16 for 27767 | 3 | 65412 | Pin for 27767 | 5 |
| 65409 | Switch Block Wheel for 27767 | 2 | 65411 | Front Protect Guard for 27767 15 | 4 | 65413 | Spring Pin 4×30 for 27767 | 6 |
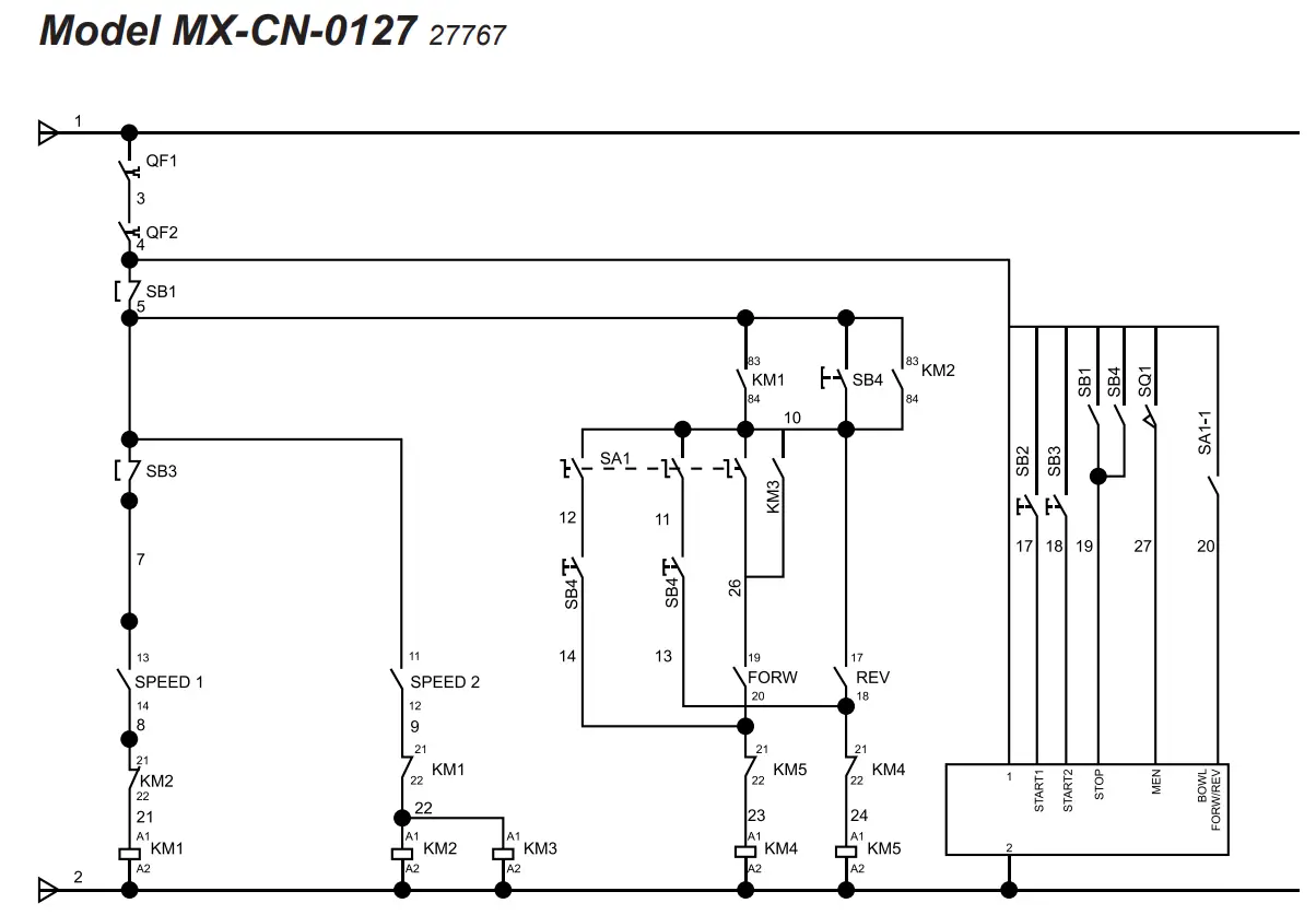
Electrical Schematics

Notes
Warranty Registration
Thank you for purchasing an Omcan product. To register your warranty for this product, complete the information below, tear off the card at the perforation and then send to the address specified below. You can also register online by visiting:
https://omcan.com/warranty-registration/
For mailing in Canada
OMCAN
PRODUCT WARRANTY REGISTRATION
3115 Pepper Mill Court,
Mississauga, Ontario
Canada, L5L 4X5
For mailing in the US
OMCAN
PRODUCT WARRANTY REGISTRATION
4450 Witmer Industrial Estates, Unit 4,
Niagara Falls, New York
USA, 14305
or email to: [email protected]

Thank you for choosing Omcan

Since 1951 Omcan has grown to become a leading distributor of equipment and supplies to the North American foodservice industry. Our success over these many years can be attributed to our commitment to strengthening and developing new and existing relationships with our valued customers and manufacturers. Today with partners in North America, Europe, Asia, and South America, we continually work to improve and grow the company. We strive to offer customers exceptional value through our qualified local sales and service representatives who provide convenient access to over 5,000 globally sourced products.


http://www.omcan.com
Toll Free: 1-800-465-0234
Fax: 905-607-0234
Email: [email protected]
www.omcan.com![]()
![]()

















