Cloud MX141M 5ch Mixer-Media Player User Manual

Thank you for choosing Cloud Contractor Series for your sound system. To make sure that this product meets your expectations and provides long-term, reliable performance, please read and follow this instruction manual carefully.
IMPORTANT SAFETY INSTRUCTIONS
- Read these instructions and all markings on the product. Keep these instructions.
- Heed all warnings and instructions, both in this manual and on the product.
- Clean only with a dry cloth. Unplug from AC supply before cleaning.
- Do not use this product near water and avoid any exposure to water.
- Before connecting this product to any AC supply, make sure you check whether the AC mains voltage and frequency match the indication on the product and its packaging.
- Only connect this product to an AC supply with sufficient power handling, protective earth connection, ground-fault (earth-fault) protection and overload protection. (earth-fault) protection and overload protection.
- Disconnect the product from the AC supply during thunderstorms. Also disconnect from the mains supply if the product
is not being used for long periods. - Make sure any heat sink or other cooling surface, or any air convection slot , is exposed sufficiently to free air circulation and is not blocked.
- Do not operate this product in environmental temperatures exceeding 35 degrees Celsius and/or 85% relative humidity.
- Position the product in a safe and stable place for operation, out of reach of unauthorized persons.
- Make sure any cable connections to and from the product are neither subject to potentially destructive mechanical
impact nor present any risk of stumbling or other accident risk to people. - Audio equipment may generate sound pressure levels sufficient to cause permanent hearing damage to persons. Always start up at low volume settings and avoid prolonged exposure to sound pressure levels exceeding 90 dB.
- Do not open this product for service purposes. There are no user-serviceable parts inside.
- Warranty will be void in any case of unauthorized service by the user or other unauthorized persons.
- Take any precaution required by local law, applicable regulations or good business practice to avoid injury to people or material damage by use of this product.
Explanation of symbols used in this manual and on the product:

Overview
General
The MX141M combines a 5-channel audio mixer for stereo music sources and a microphone with on-board media player, Bluetooth® wireless technology, and FM tuner. It is perfect for applications where foreground or background music is mixed with vocal announcements, as frequently occurs in fitness and hospitality applications.
Health advice
This unit produces and absorbs electromagnetic radiation. The strength of radiation and the sensitivity for disturbing interference matches the CE and FCC requirements. A corresponding sign is printed on the backside of the unit. Any change or modification may affect the behavior of the unit concerning electromagnetic radiation and it may not then meet CE requirements. The manufacturer takes no responsibility in this case.
Functional advice
This unit is immune to the presence of electromagnetic disturbances – both conducted and radiated – up to a certain level. Under peak conditions, the unit is classified to show a “class C” performance criteria and may encounter temporary degradatio n or loss of function which may need manual help to recover. In such case, disconnect the AC power from the unit and reconnect it again to recover.
Environmental advice
This unit is built to conform to the ROHS standards and the WEEE directive 2002/96/EC of the European Parliament and of the
Council of the European Union. Under these regulations, the product shall not be discarded into regular garbage at the end of its life, but shall be returned to authorized recycling stations.
Unpacking
Please check that the box contains the following items:
Main parts:
1 pc. MX141M main unit
1 pc. Mains cable
1 pc. Bluetooth antenna
1 pc. Operation manual
If any part is missing, please contact your dealer immediately for replacement.
AC mains voltage setting

If the AC mains voltage of your power outlet and the setting of the AC supply voltage on your unit do not match, contact your dealer,
contractor or a qualified service workshop to change the setting of the AC voltage selector. The AC voltage selector switch is located on the side panel of the unit, close to the AC inlet.
WARNING After unpacking, and before plugging the AC cord in the wall outlet, check whether the AC mains voltage and frequency is compatible with this product (see rear panel of product).Whenever the specified voltage or your AC plug should not match the local conditions, do NOT plug the AC cord into the wall outlet and contact your dealer immediately
Controls and Connections
Connectons – Rear
Rear: Output Section

Rear: Input Section

Controls – Front
Front: Input Section

Front: Output Section

Controls – Front: Media Player/Tuner

Display Elements

Functional Description
The MX141M combines a compact audio mixer with a microphone input and three stereo sources with a media player, FM tuner and Bluetooth connectivity. Packed in a sleek 19’’ 1U case this unit is the perfect centre piece for commercial sound systems in hospitality and fitness audio applications.
- AC inlet and fuse holder. Use the supplied AC cord to connect the unit to AC mains. Make sure voltage and frequency stated and set on the unit comply with your local AC supply. The fuse can be accessed by the small drawer at the AC inlet. To change the fuse, unplug the AC cord first, pull out the fuse drawer and replace the fuse ONLY with a fuse of SAME voltage and rating. If the fuse blows again after replacement, hand over the unit to qualified service personnel.
- Stereo main output. This is a balanced stereo ¼’’ TRS output carrying the main output signal controlled by (20).
- Stereo main output. This is an unbalanced RCA output carrying the same signal as output (2).
- Stereo main output. This is a balanced terminal block output carrying the same signal as output (2).
- Maximum level setting for stereo main output. This control allows to limit the maximum level at the outputs (2) to (4) in
order to match the connected sound system. Adjustments made on this control will not be displayed by the output level
meter (22). Adjustments shall be made with a small screwdriver. Note that the total angle is 300 degrees; do not apply
excessive force with the screwdriver. - Music Mute input. This is a terminal block input which allows to remotely mute all main output signals by simply shorting the contacts.
- Emergency input. This is an auto-sensing, balanced terminal block input which allows the connection to an emergency evacuation system. Once a signal is present on this input, all main stereo output signals will be muted and the emergency message/signal from this input will become audible instead. Please note that the unit can be set to include or exclude the microphone signals from this muting process, please see section “microphone emergency setting”.
- Emergency volume control. This control allows to set the level with which the signal fed into the emergency input (7) will be replayed at the master outputs (2) to (4).
- Auxiliary output.This is an unbalanced stereo output carrying the same signal as the main output, but not influenced by the main volume controls (20).This is normally used for recording the output to an external tape, CD or memory device.
- Music channels 1, 3 & 4 inputs. These RCA connectors provide inputs for line-level signals to the assigned channels. The input sensitivity can be adjusted by means of the controls (11).
- Gain controls for music input channels 3 & 4. This allows the sensitivity (input gain) for these line inputs to be adjusted, so that sources of different output level can be mixed at properly balanced levels.
- FOH inputs for channel 4 (FOH).This is a ¼’’ TRS balanced stereo input specifically designed to allow the connection of the output of a stage mixer or any other balanced audio source at larger distance, in order to use the connected sound system for the replay of such source‘s signal. This is useful in applications where e.g. apart from stereo source replay also live music is performed over the same sound system, or where a source signal from a different room/area needs to be replayed. This input is selected by the front panel switch (16).
- FM aerial connector. This section hosts a FM aerial socket for connection of either a suitable FM antenna or the antenna cable of a house installation (75 Ohms cable); depending on whether the antenna connector is male or female, the included adaptor may be required.
- Source selector switch for line inputs: selects which music channel is in use. Note the second switch position (MEDIA) selects the internal media player, FM tuner or Bluetooth receiver.
- AUX input for Music Channel 1. This 3.5 mm TRS jack allows easy connection of a stereo source such as a laptop, MP3 player, smartphone, etc. When this socket is in use, the rear panel RCA connectors for Channel 1 (10) are disconnected.
- Channel 4 source switch: selects between the rear panel RCA connectors (10) or the balanced FOH inputs (12).
- Level control for microphone input (24). Allows adjustment of the level for MIC IN.
- Microphone ON/OFF switch for microphone input. Enables/disables the MIC IN signal.
- Microphone Equalizer.Allows the adjustment of the tonal balance for the microphone input in two voice-specific frequency bands with an adjustment range of ±12 dB.
- Stereo main output volume control. Allows to set the overall level of the stereo main output (2) to (4).
- Stereo main output equalizer. Allows the adjustment of the tonal balance for the stereo main output signal in two music- specific frequency bands with an adjustment range of ±l2dB.
- Stereo main output level meter. Displays the output level of the stereo main output (2) to (4). Note that the level limitation applied by means of the rear-side maximum level control (5) is not displayed on this meter.
- Power switch. Switches the unit on and off. Make sure you switch the unit off when not in use.
- Microphone input. This is a balanced “Combo” type connector and can accept either a ¼” TRS jack or a male XLR. Note that this input is only suitable for dynamic microphones. that this input is only suitable for dynamic microphones.
- USB memory socket. Insert a FAT32-formatted USB memory stick of max 16 GB with a one-level folder structure for replay of MP3 files here. Note that this socket does NOT support USB hard drives, neither for memory size nor for power requirements. See also section “Notes on files, folders and data conventions”
- Media player display. Shows track/folder information, time information, play status, replay mode settings and play sequence settings. Details are described under items (36) to (46).
- Data dial. Depending on the chosen source (FM or Media – via control 34), this control has different functionality. In Media Play mode (indicator (43) off): turn – choose a song/folder; press – activate the choice. In FM Mode (indicator (43) on): turn – choose frequency or station; press – choose between frequency scroll or station preset scroll. The choice is immediately active.
- UP (STORE) – folder level button. Depending on the chosen source (FM or Media – via control 27), this control has different functionality. In Media Play mode (indicator (43) off): press – go to folder level, then navigate by data dial (27); in FM Mode (indicator (43) on): allows you to store a new station preset. Choose frequency scroll mode by pressing (27) if required. Press the Folder Level UP (STORE) button once to display the station preset you wish to store the frequency at. Choose the preset by turning (27) and confirm by pressing the UP (STORE) button again, the station is now stored at the chosen preset.
- 29 Media PLAY/PAUSE/STOP button. Press briefly to toggle between PLAY (backlight continuously lit) and PAUSE (backlight flashing) mode. Press for longer than 2 seconds to change into STOP status (backlight off). Restart by pressing the button again, this will commence replay from the last known position when having been in PAUSE mode or from the start of the chosen track when being in STOP mode.This control is inactive in FM mode.The selected status is displayed in the display (46).
- SEQ – play sequence selector (this control is inactive in FM mode). Selects straight or random play sequence. Straight sequence – the next song is determined by alphanumerical sorting and the left sequence mode indicator is lit in the display (44). Random play sequence: The next song is determined by random choice and the right sequence mode indicator is lit in the display (44).
- MODE – play mode selector. Selects between Single Play (SPL), Single Loop (SLO), All Continuous (ACO) and All Loop (ALO) modes. SPL mode – the player stops after playing the current song once. The next song is manually chosen by (27) and determined by the chosen play sequence. SLO mode – the player loops the current song endlessly. The next song is manually chosen by (27) and is determined by the chosen play sequence. ACO mode – the player continues after playing the current song. The next song is determined by the chosen sequence. The player stops after the sequence is executed once. ALO mode – the player continues after playing the current song. The next song is determined by the chosen sequence. The player repeats the sequence endlessly. The chosen play mode is displayed in the display (45). This control is inactive in FM mode.
- Time Display selector. Selects between elapsed/remaining time display. The time display choice is shown in the display (37) and (38) and is always related to track currently playing. This control is inactive in FM mode.
- IR Receiver sensor.
- SOURCE button. Toggles the program source between Media play and FM Tuner. If FM Tuner is chosen as the program source, the display’s FM Mode indicator (43) is lit while the media replay related indicators (44) and (46) are disabled. Further, the media replay-related user interface elements (30) to (32) are disabled and the functional assignment of the navigation controls (27) and (28) is changed.
- The front panel also hosts the Bluetooth aerial socket, where the supplied Bluetooth antenna is plugged in directly (see section “Antenna mounting”).
Display Elements
36. Time Display. Depending on the chosen source (FM or Media – via control (34)), this part of the display shows different content. In Media Play mode (indicator (43) off): either the remaining or elapsed time are displayed in a hh:mm:ss format, depending on the setting made by (32). In FM Mode (indicator (43) on) – if the unit works in station scroll mode, the currently chosen station preset number is displayed. If the unit works in frequency scroll mode, this part of the display remains unused (blank).
37. Time Mode Display (Elapsed). In Media play mode, this part of the display indicates that the elapsed time of the current track is shown in the time display (36). The setting can be altered by (32). This part of the display remains unused in FM mode.
38. Time Mode Display (Remaining). In Media play mode, this part of the display indicates that the remaining time of the current track is shown in the time display (36). The setting can be altered by (32). This part of the display remains unused in FM mode.
39. Numeric data display. This part of the display is not used in this product. This is NOT a malfunction.
40. 40 8-Digit Clear Text Readout. Depending on the chosen source (FM or Media – via control (34)), this part of the display shows different content. In Media Play mode (Indicator (43) off) – the file name of the currently playing track is shown, with its first 30 digits scrolling through the display. Letters exceeding 30 digits will be discarded. Note that this is NOT an ID3 tag readout, but a file name readout, so files must be named properly to yield a sensible displayed content.The display will show the file name and alternate with the folder name the current file is located in. Whether at a specific time the file or the folder name is displayed, is indicated by the respective symbols (41) and (42). In FM Mode (indicator (43) on) – the RDS station name (PS section of the RDS signal) is displayed if the received FM signal contains this information. If no RDS station name is available, the currently tuned frequency is displayed. Note that this unit only displays the station name of the RDS signal, no other potentially contained RDS content.
41. Folder Name Display Indicator. In Media play mode, this indicator shows that the current content of the Clear text readout (40) is a folder name. This indicator is not used in FM mode.
42. File Name Display Indicator. In Media play mode, this indicator shows the current content of the Clear text readout (40) is a file name. This indicator is not used in FM mode.
43. Source Mode Indicator. Shows whether unit is in Media play mode (indicator off) or FM mode (indicator on). The mode can be changed via the control (34).
44. Play Sequence Indicator. In Media play mode, this indicator shows whether the unit is set to straight sequential or random play sequence. The setting can be altered by control (30). This indicator is not used in FM mode.
45. Play Mode Indicator. Based on the selection made by control (3l), this part of the display shows the letters “SPL”, “SLO”, “ACO” or “ALO“.This indicator is not used in FM mode.
46. Transport status indicators. In Media play mode, 3 standard symbols indicate whether the unit is in PLAY, PAUSE or STOP
status. The leftmost indicator is not used in this product; this is NOT a malfunction.
Internal Settings
WARNING – DANGER Changing the internal settings requires to open the unit. Prior to opening the unit, the unit shall be disconnected from any AC supply. Any work on an open unit shall be expedited only by qualified, certified personnel.
Microphone emergency setting
In the case of an external emergency signal muting the unit’s outputs, an internal jumper can be set to either mute the connected microphones (”off”) as well or to keep them active (so that aside of a emergency message broadcasted, additional instructions can be given by a local microphone – “on”).To make the setting, locate and set the jumper on the front PCB as shown below.

Antenna mounting
To achieve acceptable Bluetooth reception distances, the product must be operated with an antenna in line-of-sight to the paired device. Connect the supplied Bluetooth antenna to the front panel antenna socket (35).
Notes on files, folders and data conventions
The media player section built into this unit is a hardware player and as such subject to various restrictions, which are useful to be aware of:
- Media Memory The player only works with USB sticks up to l6 GB of size which are formatted in FAT32 file system and contain a maximum of 2000 files.The player does NOT support larger memory sizes, external hard disks or any media with NTFS formatting.
- Media File The player’s replay ability from solid state memory media is limited to MP3 files in MPEG l Layer 3, MPEG 2 Layer 3, MPEG 2.5 Layer 3 standard, with sample rates of l28/l60/l92/224/256/320 kbps + VBR. Any other files existing on the solid state memory media will be ignored and are not available for replay.
- File/Folder The player only allows a two-layer folder structure on the solid state media memory, meaning a root layer and a folder layer, but not any cascaded folder-in-folder structures. Such subfolders will be ignored and their content is not available for replay. Playable files located in the root layer are displayed in a folder named “ROOT” although this folder does not physically exist on the solid state memory media.
- Folder Folders are displayed in the sequence of their creation dates on the solid state memory media. If a specific sequence is needed, then the folder shall be created in this sequence on the memory media before copying any MP3 files into them.
- File Files are sorted alphanumerically, but due to file system limitations, the sorting is limited to the first 8 digits. This may in some cases – where the first 8 digits are identical – lead to a random-looking, not alphabetical sorting sequence of files.
- File system In order to allow relatively quick access to the file directory during navigation, the player loads a copy of the file directory into its own memory upon insertion of the solid state memory media. This loading process requires some time, during which the display shows a countdown. The time required is about 4 seconds per 100 tracks with a maximum of 2000 tracks (meaning Max. 80 seconds loading time).
- Displayed File/Folder MP3 files are displayed with the first 30 digits of their file names in a scrolling manner; digits exceeding the first 30 will be ignored. Note that the display data is the file name and NOT the ID3 tag of the file. Folders are displayed with the first l0 digits of their names, any exceeding digits will be ignored.
Operation
A. Connections
For connecting this unit to AC mains, please follow the instruction given in the “unpacking” section.
For making audio signal connections, always remember that good and reliable connections are a basic requirement for good sound and reliable operation. Bad soldering of cables can result in intermittent audio signals or temporarily lost ground connections, hence always use good cables. In case of doubt about making proper connections, please see check the standard pin assignments required for proper operation in the following section of this manual.
B. Powering up
Following a proper power-up sequence protects your equipment – specifically speakers – and your ears. Follow the below procedure:
- Turn down all output volume controls of any equipment in your audio system.
- Switch on your audio sources first (Tuners, CD Players, PC’s with soundcards,Tapedecks, etc.)
- Switch on this unit, then any connected amplifier
- Turn up the audio level on your sources if such controls are provided.
- Set the stereo main volume control of this unit to a low level.
- Make adjustments to all volume settings as needed.
- For switching off, follow the inverse sequence
C. Use
Apart from using good equipment, good sound comes from using it correctly. Level setting mistakes are one of the common reasons why even good equipment may not perform as desired. For setting levels, please be reminded that two guidelines need to be followed:
- Avoid distortion by leaving some Never overrun any audio-equipment’s inputs. Level meters and displays allow you to make sure that signals do not enter critical levels.
- Avoid unnecessary amplification by using as little attenuation as For example, if you turn down the input gain of a mixer to minimum, and then increase the main output of the mixer to maximum to drive your amplifier properly, you will create unnecessary noise, as you first dispose of some already existing signal level, and then later apply amplification (tainted with noise) to make it up.
Obviously, these two requirements are marking a levelling window that the operator must match to achieve a good sound with as little distortion and noise as possible.
WARNING – HEALTH RISK Excessive volume levels on headphones or other sound systems may cause hearing damage. Always turn the volume control to minimum when you switch the unit on, and avoid prolonged exposure to sound pressure levels exceeding 90dB.
Bluetooth Replay
The MX141M has built-in Bluetooth module connectivity.
To connect a Bluetooth source like a smartphone or tablet to the MX141M, follow the procedure below:
- Press the SOURCE button (34) until the display shows “AUX-BT”
- Activate Bluetooth on the source device (phone, tablet)
- Search /(Scan) for Devices on the source device
- Select “Bluetooth Board” and confirm connection request
- Wait for single beep from the MX141M
- The devices are now paired and the MX141M is ready to receive audio via Bluetooth
Note: Only one device can connect – once a device is connected, the BT board will not appear on the device scan of any other device.
To disconnect, simply do the following:
- Tap on existing Bluetooth connection in your source device
- Wait for dual-tone beep from the MX141M
- The devices are now unpaired and the MX141M is ready to be paired with a different device.
Please note that the maximum distance of operation between your source device and the MX141M depends on many factors, such as other interfering signals, the position of the MX141M in the room, the position of the source device in the room, and the antenna/Bluetooth hardware design of the source device. While Bluetooth should work as a rule-of-thumb up to 10 m distance, certain hardware combinations, geometrical setups or the presence of interfering signals can reduce this significantly. The manufacturer of this device does not grant any specific operating distance and cannot take any liability for dropouts. For critical applications, we recommend to avoid wireless replay.
Connections
This unit uses the connector types below, for which the pin assignment must comply with the following specification. Balanced connections are to be preferred over unbalanced connections where applicable and feasible. Avoid unbalanced connections exceeding 2m of cable length.

Technical Specifications

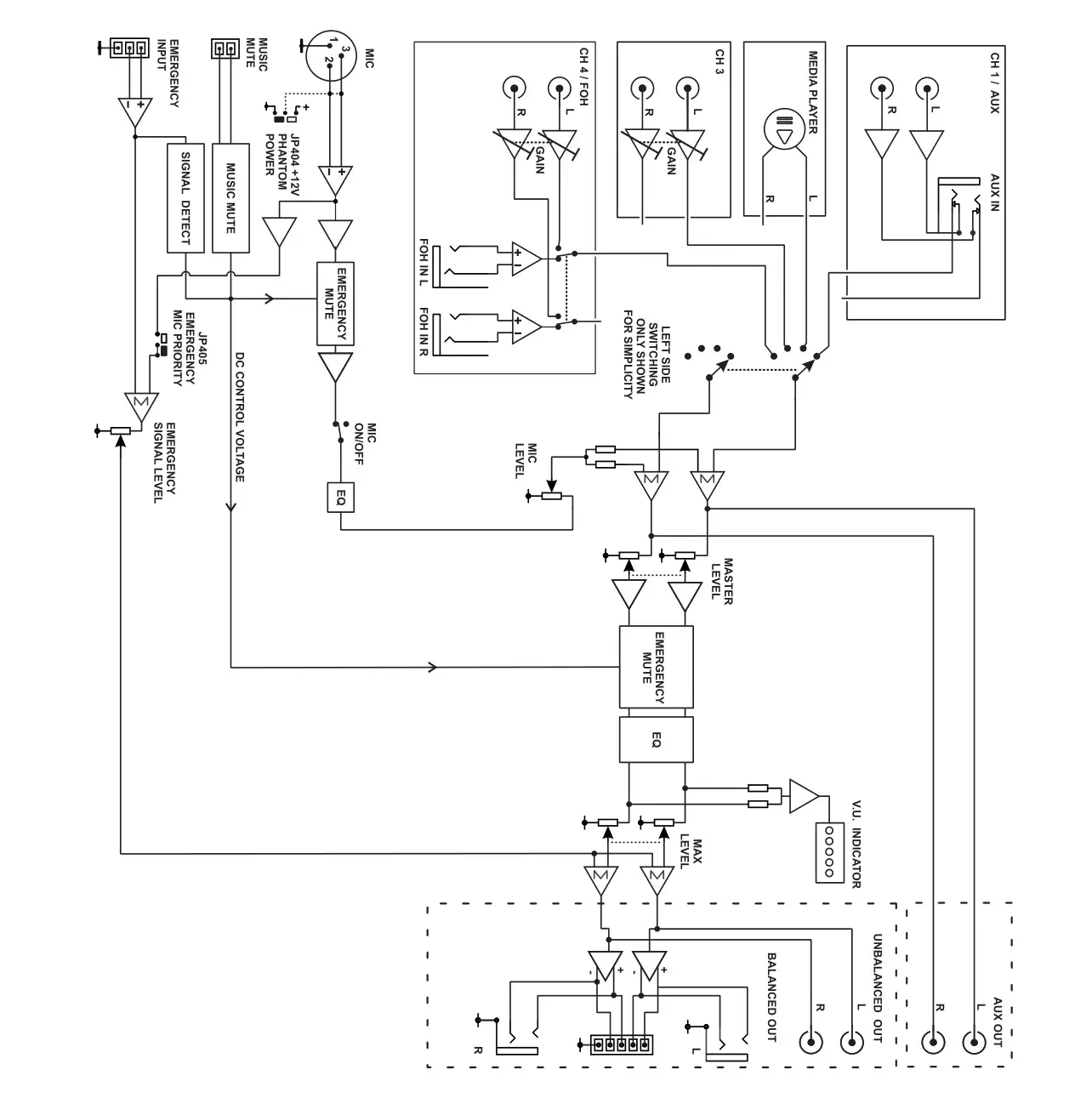
Block Diagram

Maintenance and Warranty
While we have chosen the best components to make this product as rugged and reliable as possible, some parts in audio products (potentiometers, faders, switches) are subject to wear which is a matter of operation cycles, and not of time. While providing a full time-based warranty according to the country’s of purchase requirements on the function of the electronic circuitry, we hence have to limit the warranty on such electro-mechanical parts to 90 days from the date of purchase.
In many cases, malfunction of electro-mechanical parts occurs due to dust contamination, which may require cleaning of such parts. As the inside of such parts is not accessible, a common practice is to use cleaning fluids in the shape of sprays. Please be reminded that many of such fluids contain chemicals which may wash away the dust but at the same time corrode or damage contact surface and may cause cosmetic damage to other parts.We hence explicitly exclude any claims for exchange of damaged part due to mechanical or chemical impact.


















