AURATON Cetus P Wired Thermostat

The extended manual can be found at: https://manuals.auraton.pl

Choosing the right location for the AURATON Cetus P

Daily, wired thermostat (single sensor)
AURATON Cetus P is a daily, wired thermostat with an additional external temperature sensor on the wire. Works with a gas or electric heating device
Thermostat

- LCD display
- setting knob with integrated „OK” button
- ON/OFF button
- Manual mode button
- Temporary temperature reduction mode button
- temperature setting button
Display
- Temperature
- Low battery
- Temporary temperature reduction mode duration indicator
- Temperature unit
- Manual control indicator
- Temporary temperature reduction mode programming indicator
- AURATON Cetus power-on symbol
- Temporary temperature reduction mode indicator
- Number of days in the holiday mode
Installing batteries in AURATON Cetus P

Connecting cables to AURATON Cetus P

- cover
- screw
- wire terminals
Setting the temperature AURATON Cetus P

Additional temperature sensor

- External temperature sensor
- Connection block
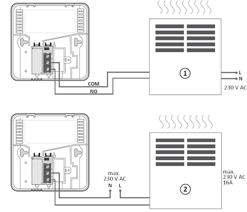
Simplified diagram of connecting the thermostat with the heating device

- Heating device e.g. a gas furnace;
- Electric heating device
Technical specifications

Disposing of the devices
The devices are marked with the crossed waste bin symbol. According to European Directive no. 2012/19/UE and the Act concerning used up electric and electronic equipment, such a marking indicates that this equipment may not be placed with other household generated waste. The user is responsible for delivering the devices to a reception point for used-up electric and electronic equipment



















