Cetus
User’s Manual
The extended manual can be found at:

Producent
Choosing the right location for the AURATON Cetus 
Daily, wired thermostat
AURATON Cetus is a daily, wired thermostat designed to work with a gas or electric heating device.
Thermostat
- LCD display
- setting knob with integrated „OK” button
- ON/OFF button
- Manual mode button
- Temporary temperature reduction mode button
- temperature setting button

Display
- Temperature
- Low battery (
) - Temporary temperature reduction mode duration indicator
- Temperature unit (R)
- Manual control indicator (
) - Temporary temperature reduction mode programming indicator(
) - AURATON Cetus power-on symbol (
) - Temporary temperature reduction mode indicator (
) - Number of days in the holiday mode (1-7)
Installing batteries in AURATON Cetus

Connecting cables to AURATON Cetus
A – cover;
B – screw;
C – wire terminals
Setting the temperature AURATON Cetus

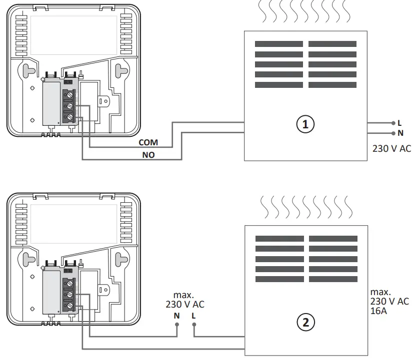
Simplified diagram of connecting the thermostat with the heating device
- Heating device e.g. a gas furnace;
- Electric heating device

Technical specifications
| Power supply: | 2 x AAA (2 x 1.5 V), alkaline |
| Working temperature range: | 0 – 45°C |
| Signaling the working status: | LCD |
| A number of temps. levels: | 1 |
| Anti-freeze temperature: | 2°C |
| Temperature measurement range: | 0 – 35°C |
| Temperature measurement range: | 5 – 30°C |
| Temperature setting accuracy | 0,2°C |
| Hysteresis: | ±0.2°C / ±0.4°C / PWM |
| Relay load capacity: | Max. 250 V AC, max. 16 A |
| Working cycles: | Daily |
| Level of security: | IP20 |
| Dimensions [mm]: | 90 x 90 x 36 |
Disposing of the devices
The devices are marked with the crossed waste bin symbol. According to European Directive no. 2012/19/UE and the Act concerning used up electric and electronic equipment, such a marking indicates that this equipment may not be placed with other household generated waste.
The user is responsible for delivering the devices to a reception point for used-up electric and electronic equipment.


















