19810-102
Digital Room Thermostat Libra Auraton Weekly
User Manual

The extended manual can be found at:

Manufacturer
64-320 Niepruszewo, POLAND www.auraton.pl
Choosing the right location for the AURATON Libra

Weekly, wired thermostat
AURATON Libra is a weekly, wired thermostat designed to work with a gas or electric heating device.
Thermostat

- LCD display
- setting knob with integrated „OK” button
- mode selection buttons (
) day mode – comfort; (
) night mode – economic - date/time/day of week setting button
- selection button
- temperature setting button
Display

- Day of the week
- Temperature
- Temperature unit
- Clock
- Timeline
- Day mode indicator (
) - Night mode indicator (
) - Anti-freeze mode indicator (
) - The manual control indicator (
) - Thermostat power-on symbol (
) - Program number
- Low battery (
)
Installing batteries in AURATON Libra

Connecting cables to AURATON Libra A – cover; B – screw; C – wire terminals


First start and setting of the AURATON Libra clock


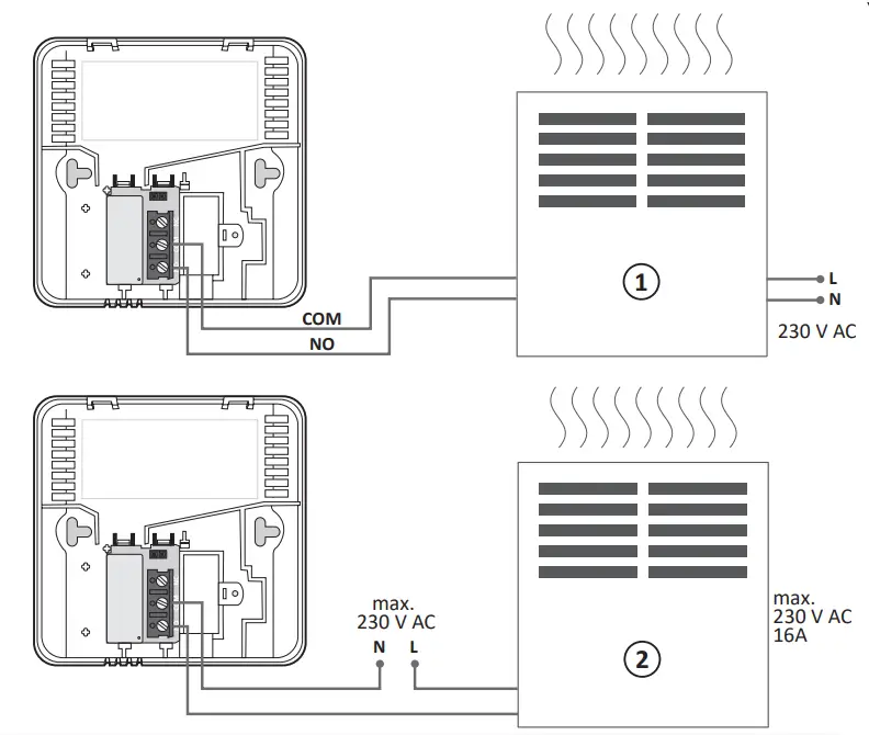
Simplified diagram of connecting the thermostat with the heating device
- Heating device e.g. a gas furnace;
- Electric heating device

Setting the temperature AURATON Libra

Mounting AURATON Libra to the wall

Technical specifications
| Power supply: | 2 x AAA (2 x 1.5 V), alkaline |
| Working temperature range: | 0 — 45°C |
| Signaling the working status: | LCD |
| A number of temps. levels: | 2 |
| Anti-freeze temperature: | 7°C |
| Temperature measurement range: | 5 — 30°C |
| Hysteresis: | ±0.2°C / ±0.4°C / PWM |
| Relay load capacity: | Max. 250 V AC, max. 16 A |
| Working cycles: | Weekly programmable |
| Level of security: | IP20 |
| Dimensions [mm]: | 90 x 90 x 36 |
Disposing of the devices
The devices are marked with the crossed waste bin symbol. According to European Directive no.
2012/19/UE and the Act concerning used-up electric and electronic equipment, such a marking indicates that this equipment may not be placed with other household-generated waste.
The user is responsible for delivering the devices to a reception point for used-up electric and electronic equipment.
Hereby, LARS Andrzej Szymanski declares that the radio equipment type AURATON Libra is in compliance with Directive 2014/53/EU and 2011/65/EU.
The full text of the EU declaration of conformity is available at the following internet address: https://manuals.auraton.pl

















