OMCAN MM-IT-0080 Electrical Meat Mixers Instruction Manual
General Information
Omcan Manufacturing and Distributing Company Inc., Food Machinery of America, Inc. dba Omcan and Omcan Inc. are not responsible for any harm or injury caused due to any person’s improper or negligent use of this equipment. The product shall only be operated by someone over the age of 18, of sound mind, and not under the influence of any drugs or alcohol, who has been trained in the correct operation of this machine, and is wearing authorized, proper safety clothing. Any modification to the machine voids any warranty, and may cause harm to individuals using the machine or in the vicinity of the machine while in operation.
CHECK PACKAGE UPON ARRIVAL
Upon receipt of an Omcan shipment please inspect for external damage. If no damage is evident on the external packaging, open carton to ensure all ordered items are within the box, and there is no concealed damage to the machine. If the package has suffered rough handling, bumps or damage (visible or concealed), please note it on the bill of lading before accepting the delivery and contact Omcan within 24 hours, so we may initiate a claim with the carrier. A detailed report on the extent of the damage caused to the machine must be filled out within three days, from the delivery date shown in the shipping documents. Omcan has no recourse for damaged products that were shipped collect or third party.
Before operating any equipment, always read and familiarize yourself with all operation and safety
instructions.
Omcan would like to thank you for purchasing this machine. It’s of the utmost importance to save these instructions for future reference. Also save the original box and packaging for shipping the equipment if servicing or returning of the machine is required.
Safety and Warranty
PROTECTIONS AND SAFETY FEATURES
ATTENTION
Before using the appliance make sure the safety protections are in their correct position and intact. Check they function correctly before starting work (at the beginning of a new work shift). If there are problems contact the maintenance team.
- Rotor protection grille.
This safety feature impedes incidental contact with the rotor. - Micro-switch.
- Knob to lock tank.
- Ball grip for locking the rotor in position.
ATTENTION!
Do Not for any reason tamper with the safety features.
DANGER AND WARNING NOTICES
ATTENTION
When the appliance is connected to the electricity supply do not touch any of the electronics. There is the risk of being electrocuted. Always respect the information given on the warning notices. Non-observance can cause injuries or even death. Make sure the warning notices are always in their correct position and are legible. If for some reason they are missing or are illegible fix them to the appliance or replace them.
NON-PERMITTED USES
The mixer must only be used for the uses given by the manufacturer, and in particular:
- Do Not use the appliance for mixing food other than for meat.
- Do Not use the appliance if it has not been correctly installed with all the protections correctly mounted avoiding any hazardous risk of injury.
- Do Not touch any of the electrical parts without having first disconnected the appliance from the electricity supply: there is risk of electrocution.
- Do Not mix quantities that cannot be contained in the mixing drum.
- Do Not wear clothing that does not conform with the accident prevention regulations. Ask your employer regarding safety regulations and accident prevention clothing.
- Do Not turn on the appliance if faulty or out of service. Before using the appliance make sure any hazardous working conditions have been eliminated. If there is a fault or problem with the appliance immediately turn it off and inform the maintenance team.
- Do Not permit unauthorized staff to use the appliance. In case of an electrical accident the first thing to do is to pull the injured worker away from the appliance (normally in this situation the worker is unconscious).
However, be very careful as this is very dangerous. The injured worker in this situation is an electricity conductor and touching him / her means being electrocuted. It is important to disconnect the electricity supply by disconnecting the fuse box and if this is not possible use an insulated object or material (wooden or PVC stick, fabric, leather, etc…) to pull the injured worker away. Immediately call the nearest casualty department so the injured worker is admitted to hospital for treatment. - Do Not use the appliance in environments where there is gas in the atmosphere creating a high risk of combustion (explosion).
- Do Not repair the appliance without prior authorization.
- Always Respect the procedures for maintenance and technical assistance.
RESIDENTIAL USERS: Vendor assumes no liability for parts or labor coverage for component failure or other damages resulting from installation in non-commercial or residential applications. The right is reserved to deny shipment for residential usage; if this occurs, you will be notified as soon as possible.
1 YEAR PARTS AND LABOUR WARRANTY
Within the warranty period, contact Omcan Inc. at 1-800-465-0234 to schedule an Omcan authorized service technician to repair the equipment locally.
Unauthorized maintenance will void the warranty. Warranty covers electrical and part failures, not improper use.
Please see https://omcan.com/disclaimer for complete info.
WARNING:
The packaging components are classified as normal solid urban waste and can therefore be disposed of without difficulty.
In any case, for suitable recycling, we suggest disposing of the products separately (differentiated waste) according to the current norms.
DO NOT DISCARD ANY PACKAGING MATERIALS IN THE ENVIRONMENT!
Technical Specifications
| Model | MM-IT-0080 | MM-IT-0120 |
| Power | 550 W / 0.75 HP (x2) | 735 W / 1 HP (x2) |
| Electrical | 220V / 60Hz / 1 | 220V / 60Hz / 3 |
| Tank Dimensions | 24” x 20” / 610 x 508mm | 26” x 21.7” / 660 x 551mm |
| Capacity | 110 L / 80 kgs. | 163 L / 120 kgs. |
| Dimensions | 25” x 39” x 41” / 635 x 991 x 1041mm | 27.6” x 43” x 40.5” / 701 x 1092 x 1029mm |
| Weight | 198 lbs. / 90 kgs. | 304.2 lbs. / 138 kgs. |
| Packaging Dimensions | 47” x 26” x 51” / 1194 x 660 x 1295mm | 29.5” x 57” x 51.2” / 749 x 1448 x 1300mm |
| Packaging Weight | 242.5 lbs. / 110 kgs. | 368.2 lbs. / 167 kgs. |
| Item Number | 37450 | 37451 |
Installation
ATTENTION!
The work surface or area where the appliance is to be installed must be horizontal and solid guaranteeing stability and safety. When installing the appliance bear in mind that amp space must be left around the appliance. This space allows you to work freely with the appliance and allows easy access when servicing or repairing it. Provide suitable lighting around the appliance for the worker using the meat mixer.
INSTALLING
To move the package use a fork-lift truck or similar means. The appliance is in a carton box and packed on a pallet.
- Remove the two plastic straps that hold the carton box to the pallet.
- Remove the carton box.
- Remove the cellophane wrapping and any other packaging materials.
DISPOSING OF PACKAGING
Packaging materials such as carton, nylon and wood are all products considered normal urban waste. These materials can be disposed of as per normal procedures. If the appliance is destined to countries where there are specific waste laws, dispose of packaging conforming with the local laws in force.
HANDLING APPLIANCE
As the following models 50 – 120 M/B 50 – 120 – 80 – 180 BA have wheels they can be manually moved by pulling
CONNECTING TO ELECTRICITY SUPPLY
ATTENTION!
Check the electricity supply corresponds to the value given on the appliance ID plate. Electrical works can only be carried out by specialised and authorized staff with prior authorisation by the person in charge of the appliance. Connect the appliance to a circuit provided with an efficient earth socket. If necessary use suitable extension leads guaranteeing safety. The section (thickness) of the extension lead must be greater than the appliance power supply cable. This avoids any hazardous overheating. Avoid pulling or twisting the power cable as this can damage the internal wires.
Operation
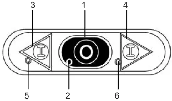
LIST OF CONTROLS AND INDICATORS
CONTROL PANEL
- Stop button.
- Black.
- Press to stop rotor motor.
- Light indicator for tension.
- Green.
- Indicates power supply. On the stop button marked with “1” it is green and remains lit when the appliance has power.
- Start button.
- Grey.
- Press for starting the rotor.
- Push button for inverting rotation.
- Grey.
- Press to invert rotation in the opposite direction to push button “3”.
- Light indicators rotor in movement.
- Red / yellow-colored.
- Indicates that the rotor is in movement. This indicator is located near start push button “3”, and near push button for inverting rotation “4”. It is red and lights up when the rotor command is given.
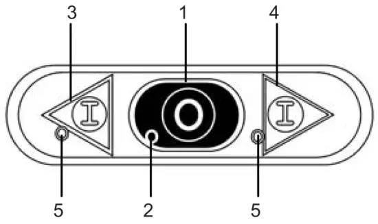
STAINLESS STEEL CONTROLS
- Drive push-button (continuous).
- In stainless steel.
- Press to start the blade.
- Stop push-button.
- Press to stop the propeller transmission motor.
- Reverse drive push-button.
- In stainless steel.
- Press to start the blade in opposite direction to pus-button “1”.
- Network presence indicator light.
- Signals that the machine is connected to the electrical network.
- Drive indicator light.
- Signals that the tool of the machine is in movement.
- Located close to the start push-button “3” and close to the reverse drive push-button “3”.
- Visible only when the control is operating.
TURNING THE APPLIANCE ON AND OFF
CHECKING CONNECTION TO ELECTRICITY SUPPLY
Switch the on/off switch on the appliance to position “I”. The green light “2”should come on, indicating power on. Press push button “3” for starting, the red indicator light “5” should come on, and then immediately press push button “1” for stopping. This is to check that the appliance works correctly. Press push button “4” for starting, the red indicator light “6” should come on, and then immediately press push button “1” for stopping. This is to check that the rotor rotates in an opposite direction to push button “3”.
CHECKING PROTECTIONS AND SAFETY FEATURES AND THEIR EFFICIENCY
- Rotor Protection grille.
Visually check that the protection grille is intact. - Micro-switch.
With the appliance running, check that it automatically stops when the protection grille is raised. If this is not the case contact you local authorised dealer or the manufacturer.
ATTENTION!
If the previously mentioned safety protections and casing are not intact, are damaged, missing or work incorrectly, turn the appliance off and contact the aftersales assistance to repair the appliance.
TURNING ON THE APPLIANCE
Switch the power on/off switch from position “0” to “1”. Indicator “2” should light up indicating power on. Press push button “3” for starting the rotor.
TURNING OFF THE APPLIANCE
To stop the appliance press push button “1” (stops the electric motor), the red indicator light “5” will go out. Indicator light “2” will remain on indicating power on. Switch the power on/off switch to position “0” turning off the power supply.
INVERSION
To invert rotor rotation press push button “4”.
Note: When a work shift is over always switch the on/off power switch to position “0”.
Maintenance
EMPTYING AND CLEANING
EMPTYING THE MIXING BOWL
Turn off the mixer, the on/off switch is in position “0” unplug from main power supply. The mixing bowl is designed to rotate to facilitate emptying.
- With the bowl in a horizontal position grip the handle on the bowl titling bar.
- Pull the tank locking knob.
- Once having released the mixing bowl rotate by pulling the tilting bar.
- Open the protection grille and empty the bowl.

CLEANING THE MIXING BOWL
With the machine off and switch in position “0” and with the plug removed from the socket proceed with cleaning the bowl. Thanks to the possibility of rotating the bowl cleaning operations are facilitated.
- With the bowl in a horizontal position grip the handle on the bowl titling bar (1).
- Unhook and remove the pins which lock the mixing blades (2) in position.
- Unscrew the bowl locking knob (3) anti-clockwise.
- Once having released the mixing bowl rotate by pulling the tilting bar (1).
- Open the grille (4) and proceed with removing the mixing blades.
- Make sure the mixing blades are positioned to allow for enough space to remove them.
- Grip the mixing blades one at a time (5) and pull outwards to remove.
- The surface is now smooth and easy to clean, clean the mixer thoroughly and if necessary disinfect.

- With a sponge soaked with water and a neutral (pH 7) and non-toxic degreaser (food grade) clean and remove any food product left on the mixer and on the mixing blades. Do not use petrol, solvents or other flammable liquids as detergents; only used authorised non-toxic and non-flammable solvents. Take all the necessary precautions adopting also appropriate protections required for the cleaning product being used when cleaning and disinfecting the mixer. Always follow the instructions provided for the cleaning product being used.
- To mount the mixing blades after cleaning, simply reverse the above steps.


CLEANING THE APPLIANCE
At the end of the work shift the appliance must be carefully cleaned and disinfected.
- Stop the appliance and switch the on/off switch to “0” and remove the power plug.
- With a sponge soaked with water and suitable neutral degreasers (non-toxic) remove and clean any traces of food.
Do not use petrol, solvents or other inflammable liquids such as detergents. Use authorised non toxic and noninflammable solvents.
Take suitable precautions when cleaning considering the products being used. Always follow the instructions for use given.
ATTENTION!
The mixer must always be off and the power plug removed from the power socket when servicing and cleaning. The maintenance area must always be clean, dry and well illuminated. Do not allow unauthorized staff to service the appliance. Do not put parts of your body, hands or arms into the mixer or openings not protected where there is the risk of being injured. Always use protective clothing (suitable gloves, glasses etc.) Do not use petrol, solvents or other inflammable liquids such as detergents. Use authorised non toxic and non-inflammable solvents. Do not compressed air to clean the appliance. If it is considered necessary to use compressed air, use eye protection (glasses) with side protections and limit pressure to a max of 2 atm. (1,9 bar). Do not use a naked flame as lighting when servicing and repairing the appliance.
MAINTENANCE CHECKS
CHECKS AND TESTS TO BE CARRIED OUT WHEN INSTALLING
To make sure the appliance has not been damaged when delivered or when being installed, carry out the following tests;
BEFORE SETTING TO WORK:
- Check that the power supply tension corresponds to the value given on the ID plate.
- Check that there are all the warning and ID plates and that they are not damaged.
- Check that the power supply cable is not damaged and is intact.
- Check that the safety features such as the magnetic sensors are intact and not damaged.
FUNCTIONAL CHECKS WITH THE APPLIANCE RUNNING:
- Check the efficiency of the protections and safety features. There is the possibility that during transport these have been damaged or are out of adjustment.
- Carry out several functional tests using pieces of food that are the same size that will be used in normal working conditions.
PERIODICAL CONTROLS
To maintain reliability and performance in time, as well as proceeding as indicated, it is necessary to carry out regular tests and checks as follows:
BEFORE EACH WORK SHIFT:
- Every day check safety features and protections work correctly.
- Check the power cable is intact.
THE END OF THE WORK SHIFT:
- Carefully clean the appliance removing any traces of food.
- Remove, clean and mount rotor and blades.
LUBRICATION
Periodically grease gears (2).
- Unplug the machine from its power source.
- Take off the protective casing (1).
- Grease the gears using a brush.
- Reassemble the casing and fasten the screws.

The oil in the transmission reduction gears is long-life and does not need to be ever replaced.
Troubleshooting
| Problem | Cause | Remedy |
| The appliance does not start. | The on/off switch is in position “0”. | Switch the switch to position “1”. |
| The grill is raised. | Lower the grill. | |
| The microswitch mounted on the mixing drum does not work. | Contact Omcan. | |
| Either the electric motor or the command circuit board is faulty. | Contact Omcan. | |
| The controls do not work or the blades do not change direction. | Contact Omcan. |
Parts Breakdown
Model MM-IT-0080 37450
Model MM-IT-0080 37450
| Item No. | Description | Position | Item No. | Description | Position | Item No. | Description | Position |
| AG284 | Cable 3×1.5 for 37450 | 1 | 61579 | Mobile Wheel with Brake D 100 C/Perno for 37450 | 29 | 62643 | Flat Washer Din 125 D6 for 37450 | 55 |
| 62602 | Power Lead Motor TF/1.5 for 37450 | 2 | 78634 | Knob for 37450 | 30 | 62644 | Flat Washer Din 125 D8 for 37450 | 56 |
| AE729 | Power Cable TF TC BZ Engine for 37450 | 3 | AG291 | Mot. Pam 71 B 14 4 Poli V.230/60 for 37450 | 31 | 62645 | Flat Washer Din 125 D10 for 37450 | 57 |
| 61604 | Strain Relief + Nut for 37450 | 4 | 61590 | Washer SO 1650 INOX for 37450 | 32 | 62646 | Elastic Spine Din 1481 3×18 for 37450 | 58 |
| 61603 | Nut Ott.Nich.PG 11 for 37450 | 5 | 61587 | Door Support for Microswitch for 37450 | 33 | 62647 | Elastic Pin Din 1481 5×20 for 37450 | 59 |
| 62605 | Plastic Cable Gland PG7 for 37450 | 6 | 61569 | Boat Stops Crade for 37450 | 34 | 62648 | Blind Nut Din 1587 M5 for 37450 | 60 |
| AG286 | Plastic Nut PG 7 for 37450 | 6A | 61571 | Spring for 37450 | 35 | 61583 | Nut Din 1587 M6 for 37450 | 61 |
| 62606 | PG 11 Plastic Cable Gland for 37450 | 7 | 61570 | Pin for 37450 | 36 | 62650 | P Nut Din 1587 M8 for 37450 | 62 |
| AG287 | Plastic Nut PG 11 for 37450 | 7A | 61564 | Lever Rod for Container Overturning for 37450 | 37 | 62651 | Blind Nut Din 1587 M12 for 37450 | 63 |
| 62607 | Essacavo + Dado Plastica PG for 37450 | 8 | AC923 | Female Blade for 37450 | 38 | 62652 | Nut ES. Din 439 M10 Low for 37450 | 64 |
| AG288 | Plastic Nut PG 13.5 for 37450 | 8A | 62628 | Male Blade for 37450 | 39 | 62653 | Feathers Din 6885 / A 8x7x28 for 37450 | 65 |
| 61549 | Box GW 44207 for 37450 | 9 | 61563 | Blade Rod for 37450 | 40 | 62654 | Feathers Din 6885 / AB 8x7x16 for 37450 | 66 |
| 61608 | Terminal Comb. BZ for 37450 | 10 | AI265 | Cot INOX ME 80 Evo Bialb for 37450 | 41 | 62655 | Screw TBEI ISO 7380 M6x25 for 37450 | 67 |
| 37258 | Microswitch SO INOX for 37450 | 11 | AI266 | Bathtube Lid ME 80 Evo Bialb for 37450 | 42 | AE740 | Screw Autof.TC + Din 7981 D 3.5×16 for 37450 | 68 |
| 37260 | Magnet M634 for 37450 | 12 | 62631 | Carter Motore ME 80 Evo Bialb for 37450 | 43 | 62657 | Screw TSPEI Din 7991 M8x20 for 37450 | 69 |
| AE730 | Mascher. Three Puls. Acc. TC-ME H = 36 for 37450 | 13 | 62632 | Fascia Carter Mot. ME 80 Evo Bialb for 37450 | 44 | 62658 | Screw TSPEI Din 7991 M8x30 for 37450 | 70 |
| 60396 | Stainless Steel On Button with Lamp for 37450 | 14 | AG299 | Base DX Rid. ME 80 Evo Bialb for 37450 | 45 | AG301 | Screw TSPEI DIN 7991 M6x16 for 37450 | 71 |
| 60397 | Stainless Steel Off Button for 37450 | 15 | AG300 | Base SX ME 80 Evo Bialb for 37450 | 46 | 62660 | Washer F Wide Din 9021 D6x18 for 37450 | 72 |
| 41224 | Circuit Board R3+Autom EQ for 37450 | 16 | 62635 | Tubo Unione Basi ME 80 Evo Bialb for 37450 | 47 | 62661 | Hex.Socket Head Cap Screw M6x20 for 37450 | 73 |
| 61586 | Bearing 6205 ZZ for 37450 | 17 | 61592 | Flange Support ME 80 Evo Bialb for 37450 | 48 | 62662 | Screw TE Din 933 M8x16 T.F. for 37450 | 74 |
| 61597 | Bearing Reg. SP 7205 ME 80 EVO for 37450 | 18 | 61605 | Ring Gear ME 80 Evo for 37450 | 49 | 62663 | X.Screw Din 933 M8x20 for 37450 | 75 |
| 61589 | Cap 40/7/C Pulley 1C SO1650 for 37450 | 19 | 62638 | Staffa Blocco Riduttori ME 80 Evo for 37450 | 50 | 62664 | Screw TE Din 933 M10x20 T.F. for 37450 | 76 |
| 61596 | Gasket 40-62-7 for 37450 | 20 | 62670 | B Overload Protection EQ for 37450 | 50A | 62665 | Screw TE Din 933 M12x30 T.F. for 37450 | 77 |
| 61610 | Zinc Washer M8x30 H4 for 37450 | 21 | 62639 | Ridut. CM50 71 B14 Evo Bialb for 37450 | 51 | 62666 | Hex.Nut Din 934 M8 for 37450 | 78 |
| AG289 | Dist. Rid-Corona SP47 ME EVO LAV. for 37450 | 22 | 60080 | Screw Poeliers M5x12 for 37450 | 51A | 62667 | Flathead CSK Screw Din 963 M5x25 for 37450 | 79 |
| 61609 | Door Screw 10x6x4 ME BA EVO for 37450 | 24 | 61585 | Shaft Support SX Evo Bialb for 37450 | 52 | 62668 | Self-Lock Nut ES Din 982 M6 High for 37450 | 80 |
| 62621 | Bush Flang. JFM-1622-12 TCM-ME for 37450 | 25 | 60079 | Self-Locking Nut ES Din 982 M5 High for 37450 | 52A | 62669 | Poeliers M4x10 Screw for 37450 | 81 |
| 66642 | Handle – New Style for 37450 | 26 | 61595 | Transc. Pin Femm L = 220 M and 120 Evo for 37450 | 53 | AG302 | 16 UF Capacitor for 37450 | 90 |
| 79656 | Knob for Fixing Container for 37450 | 27 | AE738 | Din Guide Omega H.7mm L = 20mm for 37450 | 53A | |||
| 61556 | Stainless Steel Non-Swivel .Caster D.100 for 37450 | 28 | 61598 | Transc. Pin Masc L = 220 ME 120 Evo for 37450 | 54 |
Model MM-IT-0120 37451
| Item No. | Description | Position | Item No. | Description | Position | Item No. | Description | Position |
| 61577 | Cradle INOX ME 120 EVO BIALB for 37451 | 1 | 61584 | Carter Band MOT. ME 120 EVO BIALB for 37451 | 19 | 61597 | Bearing Reg. SP 7205 ME 80 EVO for 37451 | 40 |
| 61578 | Tank Cover ME 120 EVO BIALB for 37451 | 2 | 61585 | Shaft Support SX EVO BIALB for 37451 | 20 | 61598 | Transc. Pin MASC L = 220 ME 120 EVO for 37451 | 42 |
| 61579 | Mobile Wheel with Brake D 100 C/Perno for 37451 | 3 | 61586 | Bearing 6205 ZZ for 37451 | 21 | 61599 | Base SX ME 120 EVO BIALB for 37451 | 43 |
| 61556 | Stainless Steel Non-Swivel Caster D.100 for 37451 | 4 | 61549 | Box GW 44207 for 37451 | 22 | 61600 | Base DX RID. ME 120 EVO BIALB for 37451 | 44 |
| 61580 | Paddle Female IX ME 120 KG Bialbero for 37451 | 5 | 41224 | Circuit Board R3+AUTOM EQ for 37451 | 23 | 61601 | Tube Union Bases ME 120 EVO BIALB for 37451 | 45 |
| 61581 | Paddle Male IX ME 120 KG Bialbero for 37451 | 6 | 61587 | Door Support for Microswitch for 37451 | 25 | 61561 | Switch for PCB for 37451 | 48 |
| 18961 | Handle for 37451 | 8 | 37258 | Microswitch SO INOX for 37451 | 26 | 37179 | Gasket for Round Control Panel C6-C9 P-802 for 37451 | 49 |
| 61564 | Lever Rod for Container Overturning for 37451 | 9 | 61588 | Motor Cover ME 120 EVO BIALB for 37451 | 27 | 61602 | Cable and Plug CEE 3P + T. for 37451 | 50 |
| 78634 | Knob for 37451 | 10 | 61589 | Cap 40/7/C Pulley 1C SO1650 for 37451 | 28 | 61604 | Strain Relief + Nut for 37451 | 51 |
| 1569 | Boat Stops Crade for 37451 | 11 | 61590 | Washer for Bone Saw SO 1650 INOX for 37451 | 29 | 61603 | Nut OTT.NICH.PG 11 for 37451 | 51 A |
| 79656 | Knob for Fixing Container IP 50-100 for 37451 | 12 | 61591 | Paddle Rod IX ME 120 KG Bialbero for 37451 | 31 | 61605 | Ring Gear ME 80 EVO for 37451 | 53 |
| 61571 | Spring for 37451 | 14 | 61592 | Flange Support ME 80 EVO BIALB for 37451 | 33 | 61606 | Bracket Lock Gear ME 120 EVO for 37451 | 55 |
| 61570 | Pin for 37451 | 15 | 61593 | Gear Box MRV 063 B14 R=49 for 37451 | 35 | 61607 | Bushing ME 80 EVO for 37451 | 57 |
| 37260 | Magnet M634 for 37451 | 16 | 61594 | MOT. PAM 80 B 14 4 POLI TRIF ME EVO for 37451 | 36 | 61608 | Terminal Comb BZ for 37451 | 58 |
| 61582 | Screw TSP TORX DIN 7991 M 6×12 TX30 for 37451 | 17 | 61595 | TRANSC. Pin FEMM L = 220 M and 120 EVO for 37451 | 37 | 61609 | Door Screw 10x6x4 ME BA EVO for 37451 | 59 |
| 61583 | Nut DIN 1587 M 6 for 37451 | 18 | 61596 | Gasket 40-62-7 for Mincer for 37451 | 39 | 61610 | Zinc Washer M8x30 H4 for 37451 | 100 |
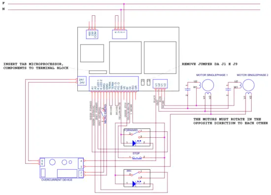
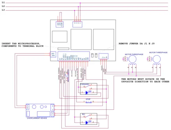
Electrical Schematics
Model MM-IT-0080 37450
Model MM-IT-0120 37451
Warranty Registration
Thank you for purchasing an Omcan product. To register your warranty for this product, complete the information below, tear off the card at the perforation and then send to the address specified below. You can also register online by visiting: https://omcan.com/warranty-registration/
For mailing in Canada
OMCAN
PRODUCT WARRANTY REGISTRATION
3115 Pepper Mill Court,
Mississauga, Ontario
Canada, L5L 4X5
For mailing in the US
OMCAN
PRODUCT WARRANTY REGISTRATION
4450 Witmer Industrial Estates, Unit 4,
Niagara Falls, New York
USA, 14305
or email to: [email protected]

Since 1951 Omcan has grown to become a leading distributor of equipment and supplies to the North American food service industry. Our success over these many years can be attributed to our commitment to strengthen and develop new and existing relationships with our valued customers and manufacturers.
Today with partners in North America, Europe, Asia and South America, we continually work to improve and grow the company. We strive to offer customers exceptional value through our qualified local sales and service representatives who provide convenient access to over 5,000 globally sourced products.


























