Meat Grinder
Model MG-IT-0032
Item 11013
Instruction Manual
Revised – 06/07/2021![]()
General Information
Omcan Manufacturing and Distributing Company Inc., Food Machinery of America, Inc. dba Omcan and Omcan Inc. are not responsible for any harm or injury caused due to any person’s improper or negligent use of this equipment. The product shall only be operated by someone over the age of 18, of sound mind, and not under the influence of any drugs or alcohol, who has been trained in the correct operation of this machine and is wearing authorized proper afety clothing. Any modification to the machine voids any warranty and may cause harm to individuals using the machine or in the vicinity of the machine while in operation.
CHECK PACKAGE UPON ARRIVAL
Upon receipt of an Omcan shipment please inspect for external damage. If no damage is evident on the external packaging, open the carton to ensure all ordered items are within the box, and there is no concealed damage to the machine. If the package has suffered rough handling, bumps or damage (visible or concealed), please note it on the bill of lading before accepting the delivery and contact Omcan within 24 hours, so we may initiate a claim with the carrier. A detailed report on the extent of the damage caused to the machine must be filled out within three days, from the delivery date shown in the shipping documents. Omcan has no recourse for damaged products that were shipped collect or third party.
Before operating any equipment, always read and familiarize yourself with all operation and safety instructions.
Omcan would like to thank you for purchasing this machine. It’s of the utmost importance to save these instructions for future reference. Also, save the original box and packaging for shipping the equipment if servicing or returning the machine is required.
Safety and Warranty
As this machine has been specifically designed for the grinding of meat, it should not be used for different purposes. Therefore, a warning is given that any improper or different use, as well as invalidating the rights of guarantee, may cause damage to the components making it impossible for the machine to perform its specific functions.
SAFETY RECOMMENDATIONS
Read and follow these instructions before using the machine and keep them with it.
- Keep the place of work tidy and clean.
- Keep children away from the meat mincer operating area.
- We recommend that the machine be installed and used by one operator only because it has not been designed to be used by several people together.
- Use the machine only for the purposes for which it has been designed.
- Utilization for purposes other than the grinding of meat, as well as invalidating the rights of guarantee, may also result in unsafe conditions.
- Do not overload the machine and take the utmost care of it.
- Before starting any processing operation, make sure that no foreign bodies are in the grinding group and that the same has been thoroughly washed.
- Any kind of operation, such as cleaning, control of the ground product, adjustment, assembling, etc., should be always performed with the machine in a stop position, that is, with the switch/reversing switch positioned at 0 and the fex plug removed from the socket in order to avoid any unwanted starting of the machine at a stage different from the working stage.
- Make sure that the mains voltage and frequency match the values shown in the power unit tag and that the socket is tailored to the current absorbed by the machine (absorption is shown on the tag).
- Use only original spare parts and accessories.
- Never dip the machine into water. The appliance shall not be cleaned with a pressure washer or a water jet: it is an electric appliance.
- The plug of your socket must be properly earthed and your electric installation must be equipped with a magnetothermic switch (bipolar life-saving equipment).
- Replacement of the electric flex and electric repairs should be performed only by specialized personnel.
DISCLAIMER
PLEASE RUN THE UNIT WITH A LIGHT, DISPOSABLE LOAD TO REMOVE ANY METAL SHAVINGS FROM THE MACHINE BEFORE FIRST USE!
RESIDENTIAL USERS: The vendor assumes no liability for parts or labor coverage for component failure or other damages resulting from installation in non-commercial or residential applications. The right is reserved to deny shipment for residential usage; if this occurs, you will be notified as soon as possible.
1-YEAR PARTS AND LABOUR BENCH WARRANTY
Within the warranty period, contact Omcan Inc. at 1-800-465-0234 to schedule a drop off to either an Omcan authorized service depot in the area, or to an Omcan Service warehouse to repair the equipment.
Unauthorized maintenance will void the warranty. The warranty covers electrical and part failures, not improper use.
Please see https://omcan.com/disclaimer for complete info.
WARNING:
The packaging components are classified as normal solid urban waste and can therefore be disposed of without difficulty.
In any case, for suitable recycling, we suggest disposing of the products separately (differentiated waste) according to the current norms.
DO NOT DISCARD ANY PACKAGING MATERIALS IN THE ENVIRONMENT!
Technical Specifications
| Model | MG-IT-0032 |
| Horsepower | 1.5 HP |
| Power | 1100 W |
| RPM | 110 |
| Throat Opening | 2” / 51mm approx. |
| Electrical | 110V / 60Hz / 1 |
| Weight | 77 lbs. / 34.9 kgs. |
| Packaging Weight | 80 lbs. / 36.3 kgs. |
| Dimensions | 22.4” x 11” x 17” / 570 x 279 x 432mm |
| Packaging Dimensions | 30” x 20” x 24” / 762 x 508 x 610mm |
| Item Number | 11013 |
Installation
MAIN CHARACTERISTICS OF THE TOOLS WHICH CAN BE INSTALLED IN THE MACHINE
The machine is supplied with a plate – each hole of which has a diameter of 6/8 mm. To perform different processing operations, however, it is possible to fit in plates with holes having a smaller diameter compared with the plate supplied by the manufacturing company without modifying the functional characteristics of the machine.
SETTING UP THE MACHINE
- Fit the body into its seat in the motor assembly after partially unscrewing the hand wheel. Make sure that the body has been fitted with the meat-supply opening turned up and that it has been driven into its seat up to the end; lock into place by turning the hand wheel to the end without forcing the locking position too much.
- If the body has been properly assembled, it cannot be taken out or revolve in its seat.
- Fit horizontally the screw in the body on the side of the grooved shaft driving it on the bush (a component placed inside the body).
- At this stage, if necessary, slightly rotate the screw so that the insertion of the clutch into the motor drive will be made easier.
- Fit in sequence in the pin with the square dragging part jutting out from the screw: the grinding blade with the cutting edge facing outside, and the perforated plate with the fat side facing the cutting edge of the blade. When fitting in the blade, make sure that the square dragging part is properly inserted.
- Check if the outside notch in the plate is positioned in connection with the special fastening tooth placed on the body so that the plate cannot revolve once it has been fitted in the body.
- Lock into position by screwing the threaded crown on the corresponding thread in the body; do not force the locking position with any tool. Locking effects manually is enough.
- After making sure that the motor switch is at 0, you can plug it in.
- The machine is now ready to work and you can start it by putting the motor switch/reversing switch in position 1.
- Then load the meat to be processed on the hopper and feed it into the opening. Do this operation exclusively by means of the pusher, but never by hand.
Operation
The machine consists of two main parts:
- A power unit or motor assembly, whose function is to supply motion, is equipped with an electric motor with a start/stop switch and power flex, drive, and base to rest the machine on the workbench. Except for extraordinary maintenance, which should be carried out only by the manufacturing company, no other action needs to be taken. The only operations to be performed should be those connected with the instructions for use.
- A processing unit must be connected to the motor assembly in order to carry on its function.
PRELIMINARY OPERATIONS
Get the power unit ready by resting it on the workbench, then take the meat mincer body assembly to pieces by completely unscrewing the threaded crown, then draw out the perforated plate, grinding blade, and screw from the body. We recommend that all the components described at this stage, also including the presser and feed hopper, should be carefully washed and dried. The motor assembly must not be washed.
IMPORTANT: As the meat-feeding opening in the body has been intentionally designed to prevent the
introduction of the upper limbs into a potentially dangerous area. By no reason should it be modified or tampered with, the operator’s safety could be at hazard.
It is a good rule not to use the machine when it is empty to avoid the useless wear of the cutting group. Therefore, we recommend stopping the machine by means of the switch whenever the meat processing operation must be stopped.
In case a foreign body, such as bones, skins, etc., should cause the machine to stop suddenly, the correct procedure to be followed is the following:
For models with switch/reversing switch:
- Set the switch /reversing switch at 0 (stop).
- Set the reversing switch at 2 positions for a very short time (1 or 2 seconds) providing the loosening by the reverse rotation of the worm.
- Reset the reversing switch at the 0 positions to stop the rotation.
- Disconnect the plug from the main supply.
- Disconnect the grinding group from the motor assembly.
- Remove, in sequence, the crown, plate, blade, and screw.
- Remove the unwanted material from the inside of the meat miner.
For models with switch:
- Set the switch to 0 (stop).
- Disconnect the plug from the main supply.
- Disconnect the grinding group from the motor assembly.
- Remove, in sequence, the crown, plate, blade, and screw.
- Remove the unwanted material from the inside of the meat miner.
ACCIDENTAL STOPPING
If the machine stops accidentally during the processing operation, before investigating the reasons for this failure, it is necessary to stop at once the supply of electric current to the motor by setting the switch at 0.
The electric flex should be disconnected from the socket.
After that:
- If the stop is caused by a lack of electric current supply due to a failure in the electricity network, do not reconnect the machine to the socket until normal conditions have been restored in the network.
- If the stop is due to overstress, disassemble the cutting unit after removing it from the motor assembly and then eliminate the reasons for the stoppage.
- In case the inconvenience is due to reasons connected with the power unit, contact the dealer to arrange for the machine to be checked, if necessary, by the manufacturer.
Maintenance
DISASSEMBLING AND CLEANING
At the end of each processing operation, it is good to disconnect the plug from the socket prior to performing any disassembling or cleaning operation after stopping the machine by means of its switch/reversing switch.
DO NOT pull the electric flex to unplug.
To remove the body from the power unit (or motor assembly), it is sufficient to loosen the hand wheel by a few turns and extract the processing unit by sliding it horizontally from its seat.
By acting in a contrary sequence, compared with the assembling operation, it is possible to separate the components and then perform the cleaning, washing, and drying operations.
- To wash, use only water (hot if possible) and neutral detergent for the crockery.
- When cleaning, never use acid or caustic products.
- In order to maintain your meat mincer in perfect condition for a very long time, it is good to dry it accurately
(mainly its processing unit) after any operation of cleaning and washing. - If not using the grinder for a long period of time, cast iron surface light lubrication will help to maintain the working group in perfect conditions.
CLEANING THE GRINDER
- Parts that are subject to wear mainly include the cutting elements, in this case, the blade and the perforated plate.
- The condition of these components should be checked regularly, and sharpening of the same, if necessary, should be done by competent personnel. These parts must be replaced when it is necessary.
- Every now and then, check the conditions of the bush placed between the screw and the body. In case of abnormal wear, it should also be replaced to avoid possible damage to other parts of the machine.
- It is advisable to use original spare parts made by the manufacturing company to avoid any inconvenience due to different manufacturing characteristics.
- In the order of spare parts, the model, the series number indicated on the label of the motor group (and on the conformity declaration), and the reference letter of the part must be specified.
- For models with gears operating in an oil bath, follow these notes carefully:
- The oil supplied is MOBILGEAR 636 (Viscosity CST 40° C 636; Viscosity CST 100° C 37,1 ISO 680).
- A change every 300 working hours with the same oil or with similar (of the same viscosity) oils for reduction units is recommended.
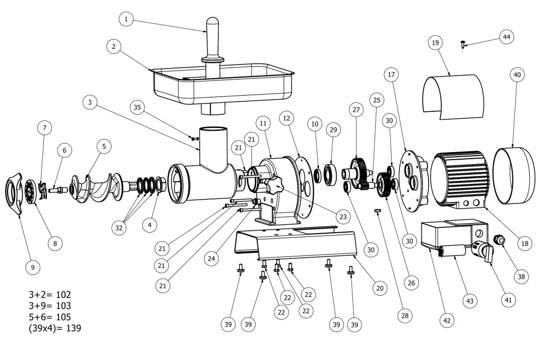
Parts Breakdown
Model MG-IT-0032 11013

Model MG-IT-0032 11013
| Item No. | Description | Item No. | Description | Position | Item No. | Description | Position | |
| 15241 | Plunger for 11013 | 69314 | Base for 11013 | 20 | 15225 | Black Plastic Motor Cover for 11013 | 40 | |
| 17785 | Hopper for 11013 | 15239 | Hand Wheel for 11013 | 23 | 39460 | Switch for 11013 | 41 | |
| 69309 | Bush for Body for 11013 | 15238 | Oil Site Glass for 11013 | 24 | 69324 | Switch Box for 11013 | 42 | |
| 18650 | Worm Pin for 11013 | 69316 | Toothed Pinion120RPM for 11013 | 25 | 69325 | Capacitor220V/50Hz for 11013 | 43 | |
| 69310 | Screw Ring for 11013 | 69317 | Toothed Wheel for 11013 | 26 | 69308 | Body with Hopper for 11013 | 102 | |
| 69311 | Sealing Ring for 11013 | 69318 | Toothed Shaft Hexagonal connection | 27 | 45083 | Worm / Auger with Hexagonal Pin for | 105 | |
| 120RPM for 11013 | ||||||||
| 77490 | Reduction Unit Case for 11013 | 69319 | Key for 11013 | 28 | 69321 | 11013 | 139 | |
| 69312 | Motor / Motor-Reducer Gasket for 11013 | AG592 | Bearing 6206 30x62x16 (for Alu | 29 | 69326 | Set of 4 Feet for 11013 | ||
| 69313 | Stainless Steel Motor Cover for 11013 | 69320 | Worm Bearings for 11013 | 32 | Motor Fan for 11013 | |||
Electrical Schematics
Model MG-IT-0032 11013
Warranty Registration
Thank you for purchasing an Omcan product. To register your warranty for this product, complete the information below, tear off the card at the perforation and then send to the address specified below. You can also register online by visiting:
https://omcan.com/warranty-registration/
For mailing in Canada
For mailing in the US
OMCAN
PRODUCT WARRANTY REGISTRATION
3115 Pepper Mill Court,
Mississauga, Ontario
Canada, L5L 4X5
OMCAN
PRODUCT WARRANTY REGISTRATION
4450 Witmer Industrial Estates, Unit 4,
Niagara Falls, New York
USA, 14305
or email to: [email protected]
Purchaser’s Information———-
Name:———– Company Name:—————————–
Address:—————
Telephone:————–
City———————- Province or State:————- Postal or Zip:—————-
Email Address:————– Country:—————— Type of Company:————–Restaurant
Bakery Deli
Butcher
Supermarket
Caterer
Dealer from which Purchased:————————
Dealer City:————— Dealer Province or State:—————–
Institution (specify):—————— Invoice:—————-
Other (specify):————- Model Name:——————– Model Number:——————– Serial Number:———–
Machine Description:———————
Date of Purchase (MM/DD/YYYY):——————–Date of Installation (MM/DD/YYYY):—————-
Would you like to extend the warranty?
Yes
No
Thank you for choosing Omcan

Since 1951 Omcan has grown to become a leading distributor of equipment and supplies to the North American food service industry. Our success over these many years can be attributed to our commitment to strengthening and developing new and existing relationships with our valued customers and manufacturers. Today with partners in North America, Europe, Asia, and South America, we continually work to improve and grow the company. We strive to offer customers exceptional value through our qualified local sales and service representatives who provide convenient access to over 5,000 globally sourced products.
STOP
DO NOT RETURN THIS PRODUCT TO THE STORE
For questions or assistance with this product call OMCAN
Toll-Free: 1 800 465 0234 Customer Service or visit the support section of www.omcan.com
Toll Free: 1-800-465-0234
Fax: 905-607-0234
Email: [email protected]
www.omcan.com
![]()
NEMA 5-15 125 VAC / 15 AMP RECEPTACLE



















