
Meat Grinders
Models MG-CN-0032-M Items 43628
Instruction Manual

Revised – 01/24/2022
![]()
Toll Free: 1-800-465-0234
Fax: 905-607-0234
Email: [email protected]
www.omcan.com
![]()
General Information
Omcan Manufacturing and Distributing Company Inc., Food Machinery of America, Inc. dba Omcan and Omcan Inc. are not responsible for any harm or injury caused due to any person’s improper or negligent use of this equipment. The product shall only be operated by someone over the age of 18, of sound mind, and not under the influence of any drugs or alcohol, who has been trained in the correct operation of this machine, and is wearing authorized, proper safety clothing. Any modification to the machine voids any warranty, and may cause harm to individuals using the machine or in the vicinity of the machine while in operation.
CHECK PACKAGE UPON ARRIVAL
Upon receipt of an Omcan shipment please inspect for external damage. If no damage is evident on the external packaging, open carton to ensure all ordered items are within the box, and there is no concealed damage to the machine. If the package has suffered rough handling, bumps or damage (visible or concealed), please note it on the bill of lading before accepting the delivery and contact Omcan within 24 hours, so we may initiate a claim with the carrier. A detailed report on the extent of the damage caused to the machine must be filled out within three days, from the delivery date shown in the shipping documents. Omcan has no recourse for damaged products that were shipped collect or third party.
Before operating any equipment, always read and familiarize yourself with all operation and safety instructions.
Omcan would like to thank you for purchasing this machine. It’s of the utmost importance to save these instructions for future reference. Also, save the original box and packaging for shipping the equipment if servicing or returning of the machine is required.
Safety and Warranty
WARNINGS ON THE RESIDUAL RISKS
RESIDUAL RISK DUE TO THE FIXED PROTECTIONS REMOVAL OR INTERRUPTION ON BROKEN/ WORN PARTS.
The operator must not try to open or remove a fixed protection or tamper with a safety device.
During operation, maintenance and cleaning, keep hands or other body parts away from the machines dangerous areas, a residual risk remains due to:
- Knocks with the machines manufacturing parts.
- Grazing and/or abrasion with the machines rough parts.
- Cuts with the sharp parts.
PROTECTION DEVICES ON THE MACHINE
The machine protection and safety devices must not be removed, never operate without attaching the hopper.
The machines transmission parts are completely isolated by means of fixed protections which does not allow access. The moving elements are not isolated from fixed protections, moving protections, or other safety devices. The grinding group parts are placed away from access points so they are not reachable.
DISCLAIMER
PLEASE RUN THE UNIT WITH A LIGHT, DISPOSIBLE LOAD TO REMOVE ANY METAL SHAVINGS FROM THE MACHINE BEFORE FIRST USE!
RESIDENTIAL USERS: Vendor assumes no liability for parts or labor coverage for component failure or other damages resulting from installation in non-commercial or residential applications. The right is reserved to deny shipment for residential usage; if this occurs, you will be notified as soon as possible.
1 YEAR PARTS AND LABOUR WARRANTY
Within the warranty period, contact Omcan Inc. at 1-800-465-0234 to schedule a drop off to either an Omcan authorized service depot in the area, or to an Omcan Service warehouse to repair the equipment.
Unauthorized maintenance will void the warranty. Warranty covers electrical and part failures, not improper use.
Please see https://omcan.com/disclaimer for complete info.
WARNING:
The packaging components are classified as normal solid urban waste and can therefore be disposed of without difficulty.
In any case, for suitable recycling, we suggest disposing of the products separately (differentiated waste) according to the current norms.
DO NOT DISCARD ANY PACKAGING MATERIALS IN THE ENVIRONMENT!
Technical Specifications
| Model | MG-CN-0032-M |
| Micro-Switch | Yes |
| HP | 2 |
| Head Size | 32 |
| RPM | 190 |
| Throat Opening | 2.8” / 70mm |
| Hopper Size | 19.8” x 14” x 2.75” / 502 x 356 x 70mm |
| Production per Hour | 771.6 – 881.8 lbs. / 350 – 400 kgs. |
| Electrical | 110V / 60Hz / 1 |
| Weight | 134 lbs. / 61 kgs. |
| Packaging Weight | 140 lbs. / 63.3 kgs. |
| Dimensions | 21.8” x 14” x 22” / 550 x 356 x 560mm |
| Item Number | 43628 |
Installation and Operation
TRANSPORTATION, HANDLING AND STORAGE
All transportation and handling operations must be performed from trained personnel and must have read and understood the safety precautions mentioned in this manual.
- Perform the machine handling and transportation only when unplugged.
- Verify that the lifting means are able to support the loading weight and overall dimensions in safe conditions.
- Avoid dropping or shaking the unit during transportation.
PREPARATION PRELIMINARY OPERATIONS
STABILITY
The machine’s stability is designed so that it can be used without the risk of falling or unwanted movement.
ELECTRICAL SUPPLY
The electrical supply connection must be in conformance with the country legislation in which it is being used.
- The electrical supply must match the required specifications indicated on the rating plate. If excessive voltages are applied, some components will be damaged beyond repair.
- The device must be grounded in conformance to the local standards.
- The electrical supply cable outside the machine cover must be adequately protected.
GRINDING GROUP ASSEMBLY / DISASSEMBLY
The assembly/disassembly operations of any machine part are performed with the machine in the OFF position, and the plug disconnected from the socket.
To assemble the grinder, do the following steps in this order:
- Insert into the shaft (1) in order: the worm (2), the cutting knife oriented as shown in the figure (3), and the plate (4).
- Screw down and tighten the screw (5).
To disassemble, do the above in reverse order.

FUNCTIONING DESCRIPTION
STARTING THE MACHINE
To start the machine, the switch has to be placed on the “I” position.
STOPPING THE MACHINE
To stop the machine, the switch has to be placed on the “O” position.
FUNCTIONING SAFETY
If the machine is under stress, operated for a long period of time, or overloaded, stop immediately for the thermal protection functioning. In this case wait for the unit to cool completely before using again.
OPERATION
The machine operator can begin operation of the machine when:
- The machine is installed properly.
- The machine is connected to the electrical supply.
- The hopper is inserted in the correct position.
- The grinding group assembly is installed correctly.
- The worm rotates in the correct direction.
- Tests the switch.
- Checks that all safety conditions are being met.
- Checks that the plug is in the correct socket.
- Place a collecting tray below the shaft to collect the final product.
- Start the machine by placing the switch to the “I” position.
- Manually introduce the chopped meat into the machine neck and use the supplied stomper to push the meat into the shaft.
- Once the operation is completed, or when the product no longer comes out of the plate, place the switch to the “O” position to stop the machine.
It is recommended to only operate the machine when there is product in the unit.
AFTER EACH USE
Once the machine has been operated and is no longer needed for use, please do the following:
- Before turning off the unit, wait until the food product has finished going through the plate.
- Turn off the machine by placing the switch to the “O” position.
- Unplug the unit from the electrical socket.
- Perform the cleaning and maintenance steps detailed in the “Maintenance” section.
UNBLOCK IN CASE OF OBSTRUCTION
During operation, or during the worm rotation, due to the food products being introduced with incompatible parts (ie: bones), the machine could become blocked and cause a malfunction.
To be able to resume normal operation, the grinding group must be disassembled, and the blockage must be removed.
Maintenance
PROTECTIVE SAFETY DEVICES
For any procedures described in this section, it is necessary to remove some of the fixed protections from their positions. The removal can only be performed by an authorized Omcan technician. At the end of the maintenance procedures, these protections must be replaced and fastened in their original positions.
The machine must be switched off and unplugged prior to any maintenance and cleaning.
EXTRAORDINARY MAINTENANCE
In the event of any extraordinary maintenance, it can only be completed by an authorized Omcan service technician.
CLEANING
All cleaning procedures must be started only when the machine is no longer in operation and is unplugged from the electrical socket.
The machine, the electrical equipment and electrical components must never be submerged, sprayed, or washed with water. Use a dry cloth to wipe these components.
Follow the steps as listed:
| FREQUENCY | PERSONNEL | CATEGORY | SOLUTIONS |
| At the end of every use and before daily use. | Operator | DISINFECTION | Use PH neutral detergents. |
| Use demineralized water if temperatures exceed 60°C/140°F. | |||
| If any other products are used, they must be adequate to the materials being disinfected. | |||
| PERIODS OF LONG INACTIVITY | If the machine has been inactive for a long period of time, vigorously wipe the machine with a cloth soaked in Vaseline to create a protective barrier. | ||
| PRODUCTS NOT TO USE | Compressed or pressurized air jets. | ||
| Vapor equipment. | |||
| Detergent that contains any of the following compounds: – Bleach. – Hydrochloric acid. – Products that are used to clear drains. – Caustic soda products for cleaning marble. – Etc. | |||
| Steel wool, brushes or abrasive discs produced with other metals or alloys, or tools that have previously cleaned other metals or alloys. | |||
| Detergents in abrasive dust. | |||
| Fuel, solvents or inflammable and/or corrosive fluids. | |||
| Substances used to clean silver. |
Troubleshooting
The following indicated problems that may occur:
| TYPE | POTENTIAL CAUSE/S | SOLUTIONS |
| The electrical supply is not adequate. | General blackout. | Contact an electrician. |
| Blown fuse. | Replace the fuse, if the problem continues, contact an electrician. | |
| The machine stops. | The protection device stops the machine. | Contact an electrician to eliminate the causes, once the cause has been determined, restore the machine to the recommended function. |
| The cause could not be identified. | Contact Omcan directly. | |
| The machine doesn’t function: the worm will not rotate. | The electrical supply is not adequate. | Check and restore the electrical supply. |
| The switch is on the “0” position. | Place the switch to the “I” position. | |
| Blown fuse. | Replace the fuse. | |
| The unit is overheated. | Wait for the unit to cool completely before starting. |
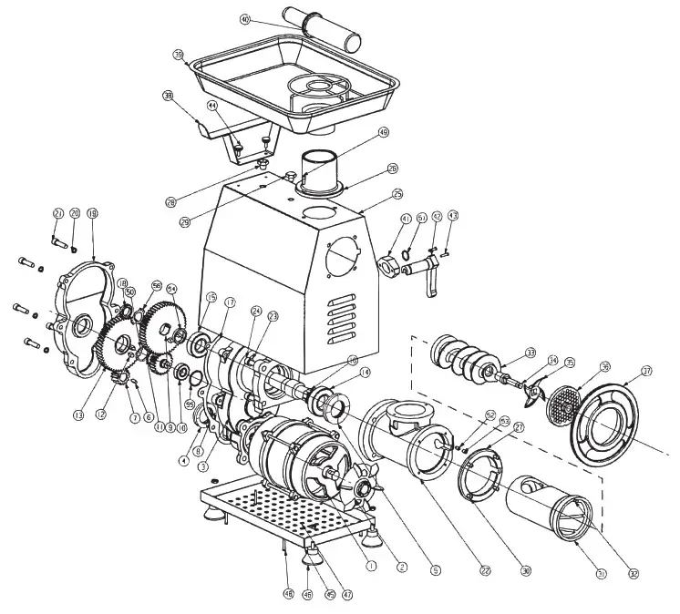
Parts Breakdown
Model MG-CN-0032-M 43628

Model MG-CN-0032-M 43628
| Item No. | Description | Position | Item No. | Description | Position | Item No. | Description | Position |
| 79839 | Motor for 43628 | 1 | 79859 | M8x35 Bolt for 43628 | 21 | 79879 | Aluminum Pad for 43628 | 41 |
| 79840 | Fan of Motor for 43628 | 2 | 79860 | Aluminum Tee for 43628 | 22 | 79880 | Handle for 43628 | 42 |
| 79841 | Body of Gear Box for 43628 | 3 | 79861 | M12 Spring Washer for 43628 | 23 | 79881 | M5x20 Half Round Screw for 43628 | 43 |
| 79842 | 40x62x12 Oil Sealer for 43628 | 4 | 79862 | M12x40 Bolt for 43628 | 24 | 79882 | M6x15 Half Round Bakelite Screw for 43628 | 44 |
| 79843 | 42x75x12 Oil Sealer for 43628 | 5 | 79863 | Shell for 43628 | 25 | 79883 | Stainless Steel Underlay for 43628 | 45 |
| 79844 | 6x6x16 Flat Key for 43628 | 6 | 79864 | Aluminum Feeder for 43628 | 26 | 79884 | Rubber Foot Screw for 43628 | 46 |
| 79845 | #1 Gear-14 Teeth for 43628 | 7 | 79865 | Aluminum Washer for 43628 | 27 | 79885 | M8 Nut for 43628 | 47 |
| 79846 | 18.5×1 Spring of Shaft Lock for 43628 | 8 | 79866 | M14x12 Screw for 43628 | 28 | 79886 | M5x35 Half Round Screw for 43628 | 48 |
| 79847 | #4 Gear-51 Teeth for 43628 | 9 | 79867 | M12x10 Bolt for 43628 | 29 | 79887 | M6x19.5 Bolt for 43628 | 49 |
| 79848 | 6203-RZ Deep Groove Ball Bearing for 43628 | 10 | 79868 | M6x15 Half-Round Screw for 43628 | 30 | 79888 | 33×1 Spring of Shaft Lock for 43628 | 50 |
| 79849 | #3 Gear Shaft-22 Teeth for 43628 | 11 | 79869 | Tee for 43628 | 31 | 79889 | O-Ring Ф20×2.5 for 43628 | 51 |
| 79850 | 8x7x16 Flat Key for 43628 | 12 | 79870 | 7×20 Meat Plate Positioning Pins for 43628 | 32 | 79890 | M8x12 Fasten Screw for 43628 | 52 |
| 79851 | #2 Bakelite Gear-53 Teeth for 43628 | 13 | 79871 | Worm for 43628 | 33 | 79891 | M8x10 Fasten Screw for 43628 | 53 |
| 79852 | 6207-RZ Deep Groove Ball Bearing for 43628 | 14 | 79872 | Worm Shaft for 43628 | 34 | 79892 | Bushing for 43628 | 54 |
| 79853 | 6206-RZ Deep Groove Ball Bearing for 43628 | 15 | 43570 | #32 Machine Knife for 43628 | 35 | 79893 | Waveform Washer for 43628 | 55 |
| 79854 | Output Shaft for 43628 | 16 | 43565 | ES #32 HS Plate with Hub 3/8 10mm Three Notches / Round for 43628 | 36 | 79894 | Anti-Moving Washer for Round Nut for 43628 | 56 |
| 79855 | Gear Box Paper Mat for 43628 | 17 | 79875 | Gate Cover for 43628 | 37 | 72277 | Microswitch for 43628 | |
| 79856 | M24x1.5 Nut for 43628 | 18 | 79876 | Support for 43628 | 38 | 63485 | On/Off Switch for 43628 | |
| 79857 | Gear Box Cover for 43628 | 19 | 79877 | Meat Tray for 43628 | 39 | |||
| 79858 | M8 Spring Washer for 43628 | 20 | 79878 | Meat Pusher for 43628 | 40 |
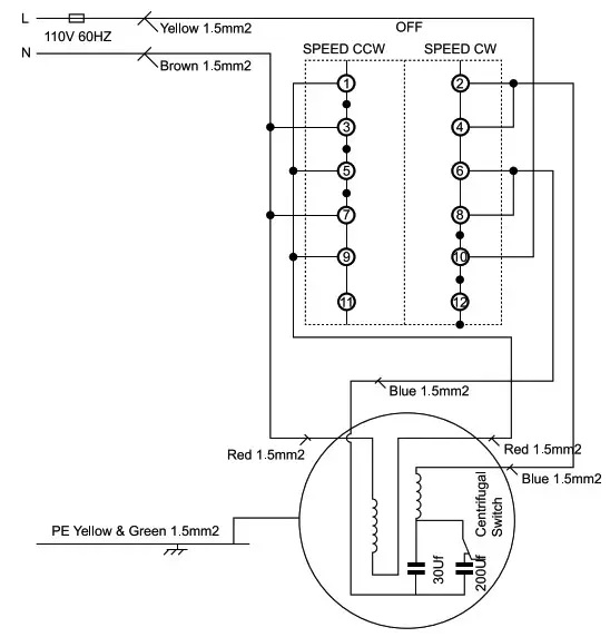
Electrical Schematics
Model MG-CN-0032-M 43628

Warranty Registration
Thank you for purchasing an Omcan product. To register your warranty for this product, complete the information below, tear off the card at the perforation and then send to the address specified below. You can also register online by visiting:
| For mailing in Canada OMCAN PRODUCT WARRANTY REGISTRATION 3115 Pepper Mill Court, Mississauga, Ontario Canada, L5L 4X5 | For mailing in the US OMCAN PRODUCT WARRANTY REGISTRATION 4450 Witmer Industrial Estates, Unit 4, Niagara Falls, New York USA, 14305 |
or email to: [email protected]

Thank you for choosing Omcan

Since 1951 Omcan has grown to become a leading distributor of equipment and supplies to the North American foodservice industry. Our success over these many years can be attributed to our commitment to strengthen and develop new and existing relationships with our valued customers and manufacturers. Today with partners in North America, Europe, Asia, and South America, we continually work to improve and grow the company. We strive to offer customers exceptional value through our qualified local sales and service representatives who provide convenient access to over 6,500 globally sourced products.
![]()



















