
INNOVATIVE SAUNA TECHNOLOGY
EOS Vitae+ Compact
Infrared radiator with dimmer

Installation and operating instruction RU
Made in Germany
![]()
Dear customer,
You have purchased a high-quality technical device which will provide you with many years of enjoyable using. This infrared radiator was designed and inspected according to the current European safety standards and manufactured at the factory in accordance with the quality management standard DIN EN ISO 9001:2015.
This detailed installation and operation manual has been prepared for your information. Please in particular thoroughly read the important notice and the information on electrical connection.
First of all, check whether the infrared radiator has arrived at your site undamaged. Register transport damage claims immediately with the delivering transport company or please consult the supplier who provided the equipment to you.
Caution!
Risk of fire by incorrect installation! Make sure to read the installation manual. Pay particular attention to the safety gaps and safety advices.
Attention!
Dear customer, according to the valid regulations, the electrical connection of the IR radiator and the control unit has to be carried out through the specialist of an authorized electric shop We would like to draw your attention that in case of a warranty claim, you are kindly requested to present a copy of the invoice of the executive electric shop.
Attention!
Only the original spare parts may be used. Any modification of the cables included in the delivery can lead to malfunctions and is not permitted. Any unauthorized technical alteration makes the product warranty void.
Important notice
Unprofessional installation may cause a fire hazard! Please read these installation instructions carefully. In particular, please observe the dimensions stated and the following notes.
- This device can be used by children aged 8 upwards and by persons with physical, sensory, or mental disabilities, or who have inadequate experience and knowledge if they are supervised or if they have received adequate instruction in how to use the device safely and understand the associated risks.
- Children must be supervised to ensure they do not play with the unit.
- Children and persons who have not received proper instruction must not clean or service the system.
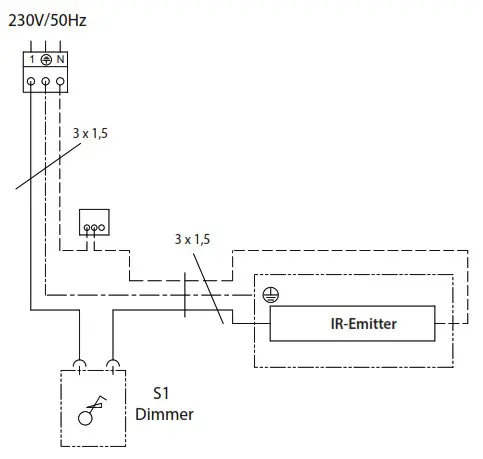
- The infrared radiator is intended for a connection voltage of 230 V 50 Hz via an infrared controller.
- Installation and connection to the infrared controller must be carried out in accordance with the connection diagram.
- Before the infrared radiator is operated via the controller, check that all connectors are firmly connected with no risk of coming loose.
- The EU 60335-2-53 (VDE 0700 Part 53) regulations are to be complied with inside the infrared cabin.
- Only the number of infrared radiator specified for the size of the booth should be assembled in the infrared cabin. Please ask your cabin manufacturer or dealer.
- One of the controllers specified below should be used to regulate or control the infrared radiator. This controller should be mounted in the infrared cabin in accordance with the installation instructions.
Attention: Covering the infrared radiator causes a fire risk!- The installation of the infrared radiator in the cabin must be carried out in such a way to assure even all-round emission for the user.
- The infrared radiator is not suitable to installation on the cabin ceiling.
- If the infrared radiator is installed in the back zone, then appropriate protective measures must be taken to ensure that the flocked protection grille cannot be pressed in unintentionally (e.g. a wooden grille mounted in front).
- Take care to ensure that the main energy discharge occurs through the infrared radiation.
Additionally, however, a thermal heat discharge arises at the housing in the vertical installation. This heat can overheat the surrounding wood! Caution: fire risk! Ensure that this hot convection air can escape by rising freely (ventilation).
If necessary, appropriate steps should be taken (e.g. thermal protection slabs) to ensure that the wood is not exposed to inadmissible temperatures.
- The infrared radiator is equipped with a silicon connection cable with a 3-pin connector. It should be connected to the control unit as per connection diagram. An optional plug adaptor may be used to facilitate the connection.
- Up to 5 infrared radiator may be connected to the control unit through one line using such plug adaptor. For practical reasons, the connector and plug adaptor should be fitted on the booth ceiling.
- Take care to ensure that the emitter is not subject to any mechanical stresses (knocks, pressure). Risk of breakage.
- Although breakage is unlikely if it is used properly, if the emitter should break, replace it with a new one.
Caution: fire risk in the case of a broken emitter. - The infrared radiator is designed for mounting in an IR warming cabins only. It just can be used with a controller. The warranty is not to apply for other use.
Attention! If there is any skin disease or illness, you should ask a doctor before using.
Specifications
Voltage (power supply): 230 V 1N AC 50 Hz
Weight: ca. 2,5 kg
Nominal power: : Vitae+ Compact 350 – 350 W Vitae+ Compact 500 – 500 W Vitae+ Compact 750 – 750 W
Dimensions HWD: 835 x 185 x 60 mm
Heat radiation range: 0,8 – 10 µm
Spectral power distribution: IR-A 0,78 – 1,4 µm ca. 20% IR-B 1,4 – 3,0 µm ca. 60% IR-C > 3,0 µm ca. 20%
Dimmer: 1000 W max. switching capacity, firmly installed in the housing
Ambient temperature: up to max. 70°C
Intended use: IR radiator for installation in IR warming cabins. To be used with a suitable control system. Make sure to observe the manual of the control unit.
Delivery scope
- IR radiator (complete module) with pre-mounted cable 3 m 3 x 1.5 mm²
- Connection plug (disassembled: bottom, middle part, cover, 2 screws)
- Installation and operation manual
Accessories (optional)
Corner cover (pair) 94.4566
IR plug adaptor with cable 94.2046
IR plug adaptor, no cable 94.4960
IR connection cable 2,5 m 94.4396
Inner wiring scheme

Before installation
Caution! Remove the transport stabilisers from before installation. Remove the cover grill. Remove the foamed pad including all small pieces. Make sure not to damage the emitter.

Electrical connection
Connect the IR radiator to the control unit as advised in the control unit installation manual. The cable is fitted with a 3-pole plug. For installation purposes the plug is included in disassembled condition. Assemble the plug after you have installed the cable.
If your control unit has the corresponding cable with plug, connect the IR radiator using this plug. Otherwise you can alternatively use the special connection cable (item 94.4396) for connection to the control unit.
Draw the connection cables through the ducts or protect them in an other appropriate way.
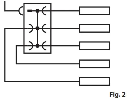
By connection of several IR radiators to one common line an optional plug adaptor (item 94.2046) should be used (fig. 2). Up to 2 such plug adaptors can be connected to each other (fig. 2b).
The maximal total power load should not exceed 3500 W. By Vitae 750 – max. 4 radiators possible.
Connection example – 9 IR radiators in one joined line
| Connection to control unit, Item 944396 | Plug adaptor, Item 944960 | IR-radiators – max. 3500 W |

Connection example – 9 IR radiators in one joined line

Caution! If the connection cable of this appliance becomes damaged, it must be replaced by a special connection cable which can be obtained from the manufacturer or customer service department.
Important note:
The emitter is made of quartz glass. Fragile! Do not expose the emitter to mechanical stress (do not hit, press or drop). Risk of damages!
Planning device
The emitters should be arranged so that the user is heated from as many directions as possible for a possibly even heat treatment.
An example given in the Fig. 3 shows the installation in four corners by a ingle person cabin. Depending on the cabin size and layout the position of radiators may vary.
Looking into the spotlight for too long can cause eye damage. In this case, wear suitable safety goggles.
The distance between the emitter and body surface depends on the power output.
By Vitae 750 W the recommended distance to the user should be approx. 50 cm .
Also by other versions (350 – 500 W) the distance should not be less than 15 cm.
Vitae emitters feature a very powerful heat intensity. A too small gap can lead to an unpleasant overheating after already a short time.
The sufficient gap increases furthermore the effective heat coverage and contributes to a more pleasurable heat experience. Please notice that every person feels heat in a different way, the distance to the emitter may therefore vary.
Minimum distances (safety gaps)
The minimum distance from the emitter upper edge to the booth ceiling must be 7 cm.
Minimum gap from the radiator’s bottom edge by vertical mounting must be at least 4 cm. See fig. 4
The horizontal minimum distance between the emitter and all combustible parts must be 4 cm (Fig. 6).
Make sure to provide sufficient ventilation behind and around the radiator.
ATTENTION!
When installing the IR radiator, be sure that the cable connector is at the bottom.
Installation
First make a rectangular cut-out in the cabin wall as shown in the Fig. 5.
The wall above the radiator should be hollow inside to let the hot air rise.
Draw the connection cable from the radiator up to the ceiling through the duct in the cabin wall. Pay attention that the cable connection of the radiator must be oriented downwards
Then insert the radiator into the prepared wall aperture and secure it with the mounting screws as shown in Fig 6 and 7.
For details and safety gaps please refer to the illustrations shown in Fig. 4, 5, 6 and 7.

ATTENTION!
Not suitable for horizontal installation and installation in the cabin ceiling.
Risk of fire due to heat congestion.
Installation example
Flush-mounted installation

Danger to life and risk of fire due to overheating
If there is no or inadequate ventilation behind and above the IR radiator, the wood can overheat – risk of fire. Ensure adequate ventilation. Do not block the space above the IR radiator so that the warm air can rise freely.
Vertical installation in corners

ATTENTION!
Do not install the IR radiator in direct heat range of another IR radiator. Risk of damages due to overheating!
Connection plug assembly
The connection cable is fitted with a 3-pole connection plug. The plug is supplied disassembled to facilitate cable installation (Fig. 8)
After you have installed the cable, assemble the connection plug as described below.


- Insert the three contacts into the three corresponding holes of the middle part firmly until they snap in. Pay attention to the correct position of the L, N and Gr wires.

- Press the middle part firmly into the bottompart until it snaps in. Pay attention to the correct orientation of the middle part – see Fig. 11.

- Place the top cover on the plug and secure it with 2 screws. Double check the assembly.
Make sure that the cable sheath is reliably secured for a proper stain relief of the connector.
ATTENTION!
Horizontal installation and installation in cabin ceiling is not allowed. Risk of fire! 990
ATTENTION!
In the case of vertical radiator installation (cable connection must face down or as per cabin manufacturer‘s specifications), the area above the radiator on the front side must no be closed (fig. 5). The rising hot air from the working radiator must be able to escape freely. Fire risk!
In the case of horizontal installation in the foot zone, the radiator may not be covered by objects such as towels, and must be protected if necessary by an additional wooden guard. Fire risk!
Avoid looking for a longer time at the glowing emitter as this can potentially damages your eyes. Wear in this case suitable protective goggles.
Operation
The IR-radiator is equipped with a built-in dimmer which allows to quickly adjust the power output, see Fig. 13.
The rotating knob of the dimmer has two functions:
- On / Off
To switch the radiator off rotate the dimmer anticlockwise until you hear a “click”. To switch the radiator on, rotate it clockwise (to the right). 990 980 - Adjust power
Rotate the knob to the right (clockwise) to increase the power or back to the left (counterclockwise) to reduce power (heat intensity). You can see how the glowing intensity of the emitter increases or decreases accordingly.

Recycling
Devices or lighting elements that will not be used any longer have to be handed in at a recycling station according to regulation 2012/19/EU. Do not dispose it with the normal household waste.
![]()
Service Address:
EOS Saunatechnik GmbH Schneiderstriesch 1
35759 Driedorf, Germany
Tel: +49 (0)2775 82-514
Fax: +49 (0)2775 82-431
[email protected]
www.eos-sauna.de
Please retain this address together with the installation guide for further references.
To help us answer your questions quickly and competently please provide the information printed on the type shield including the model, item no.
and serial no., in all inquiries.
Equipment commissioning date:
____________________________
Stamp and signature of the authorized electrician:
General Terms and Conditions of Service
I. Scope
Unless otherwise agreed in writing in a specific case, these terms and conditions of service shall apply to service operations, including examining and repairing complaints. All our existing or future legal relationships shall be governed solely by the following terms and conditions of service. Our recognition of any conflicting terms and conditions of the Ordering Party shall be conditional upon our having given our express written consent to their applicability. We hereby expressly object to any terms and conditions of the Ordering Party contained in its General Terms and Conditions of business or order confirmation. If order confirmations or deliveries are accepted without reservation, this shall not be deemed to constitute recognition of such terms and conditions. Any ancillary agreements or amendments must be confirmed in writing.
II. Costs
The Ordering Party shall bear the following costs in connection with the service operation:
- De-installation/installation and electrical works (connection / disconnection).
- Transportation, postage, and packaging.
- Function testing and troubleshooting including inspection and repair costs.
There shall be no third-party billing.
III. Obligations / Ordering Party‘s cooperation
The Ordering Party shall provide free-of-charge assistance to the manufacturer in carrying out the service operation.
In the case of a warranty claim, the manufacturer shall provide the required replacement parts to the Ordering Party free of charge.
IV. Service visit by the manufacturer
In the event that it is essential that a manufacturer employee carry out the service operation on site, this must be agreed in advance. Where the main reason for the service call is not the fault of the manufacturer, any costs incurred shall be recharged to the Ordering Party after the service visit and shall be paid as per agreed payment terms.
V. Liability
The manufacturer shall assume liability in accordance with the currently applicable statutory regulations. The packaging for all of our products is designed for the shipping of individually packed goods (pallet). We expressly point out that our packaging is not suitable for individual shipments via parcel post. The manufacturer shall accept no liability for damage incurred as a result of improper packaging in an individual shipment.
VI. Manufacturer‘s Guarantee
The manufacturer‘s guarantee shall apply only in the event that installation, operation, and maintenance have been carried out in accordance with the manufacturer‘s specifications contained in the installation instructions and instructions for use.
- The guarantee period shall commence from the date on which proof of purchase is provided and shall be limited, in principle, to 24 months.
- Guarantee services shall be performed only if the original proof of purchase relating to the equipment can be presented.
- Any and all guarantee claims shall become void if modifications are made to the equipment without the manufacturer‘s express consent.
- Any guarantee claim shall likewise become void in the case of defects that arise due to repairs or interventions made by unauthorized persons or due to improper use.
- In the case of guarantee claims, the serial and article numbers must be indicated together with the product name and a meaningful description of the fault.
- This guarantee shall cover defective equipment parts, with the exception of usual wear parts. Wear parts are, among others, lamps, glass parts, heating elements and sauna stones.
- Only original replacement parts may be used within the warranty.
- Service visits by outside companies shall require a written order to be issued by our service department.
- The equipment in question shall be sent to our service department by the Ordering Party and at its expense.
- Electrical installation and connection works in the event of service or replacement shall be carried out at the Customer‘s expense and shall not be borne by the manufacturer.
Complaints in respect of our products shall be reported to the responsible authorized dealer and shall be exclusively handled via the latter.
The manufacturer’s General Terms and Conditions of Business, which can be found at www.eos-sauna.com/agb, shall apply in addition to the foregoing terms and conditions of service.


Make sure that the cable sheath is reliably secured for a proper stain relief of the connector.
















