
Rider 7600E

User manual
Version 22.1
Original instructions
Texas A/S – Knullen 22 – DK-5260 Odense S – Denmark
Tel. +45 6395 5555 – www.texas.dk – [email protected]
Illustrations
| 1 | ![]() |
| 2 | ![]() |
| 3 | ![]() |
| 4 | ![]() |
| 5 | ![]() |
| 6 | ![]() | 7 | ![]() |
| 8 | ![]() | 9 | ![]() |
| 10 | ![]() |
| 11 | ![]() | 12 | ![]() |
| 13 | ![]() |
| 14 | ![]() | 15 | ![]() |
| 16 | ![]() |
| 17 | ![]() | 18 | ![]() |
| 19 | ![]() | 20 | ![]() |
| 21 | ![]() | 22 | ![]() |
| 23 | ![]() | 24 | ![]() |
| 25 | ![]() |
| 26 | ![]() |
| 27 | ![]() |
| 28 | ![]() | B) | ![]() | C) | ![]() |
| 29 | ![]() |
| 30 | ![]() |
| 31 | ![]() |
| 32 | ![]() |
NOTICE: This user manual covers both Rider 7600E with and without gras bag.
Safety
Safety Warning Pictorials see Fig 31.
- Warning
- Shield eyes, explosive gasses can cause blindness or injury.
- No sparks, flames or smoking
- Sulphuric acid can cause blindness or severe burns
- Flush eyes immidiatly with water. Get medical help fast.
- IMPORTANT: Read Owners Manual before operating this machine
- WARNING: Thrown objects. Keep bystanders away. Read user instructions before oprating this machine
- WARNING: Do not use this machine on slopes greater than 15 degrees.
- DANGER: Keep people, especially children away from the unit.
- DANGER: Do not step.
- DANGER: Keep feet and hands away from rotating blades.
- DANGER: Keep hands away from rotating blade.
- DANGER: Disconnect spark plug wire before servicing the unit.
- WARNING: Hot surface
- WARNING: Use caution when connectingor disconnecting accessories.
- WARNING: Crushed fingers.
Setup
Do not put hands or feet near or under rotating parts.
Read this manual carefully. Make sure that you are familiar with the different controls, settings and handles of the equipment.
Know how to stop the unit and ensure that you are familiar with emergency stop.
Never allow children or people unfamiliar with these instructions to use the machine.
Note, that local regulations can restrict the age of the operator.
If you feel unwell, tired or have consumed alcohol or drugs, do not operate the machine.
Always inspect the machine before usage Ensure that no parts are worn or damaged.
Replace worn out or damaged elements and bolts in sets to preserve balance.
The operator of the machine is responsible for people’s safety.
Never use the machine near children or animals.
The operator of the machine is held liable for any accidents or hazards to other people and their property.
Thoroughly inspect the area, where the equipment is to be used, if necessary remove any foreign objects.
Do not refuel gasoline indoors or while the engine is running.
Spilled gasoline is extremely flammable, never refuel while the engine is still hot.
Wipe off any spilled gasoline before starting the engine. Spilled gasoline on a hot engine may cause a fire or explosion! Boots with non-slip soles with steel jacket is required. Avoid loose-fitting clothes.
Operation
After striking a foreign object, stop the engine immediately, remove the spark plug cap and inspect the machine thoroughly for damage. Repair the damage before continuing.
If the machine should start to vibrate abnormally, stop the engine and check immediately for the cause. Vibration is generally a warning of damage.
Always turn off the engine and ensure that all moving parts have come to a complete stop
before making any repairs, adjustments, or inspections.
Exercise extreme caution when operating on slopes.
Never operate the machine at a fast pace. Do not overload machine capacity by attempting to push at too fast a rate.
Do not carry passengers.
Never allow any bystanders in front of unit. Only operate the machine at daylight or in fully illuminated areas.
Ensure a stable foothold and always keep a firm hold on the handles. Always walk, never run.
Do not operate the machine when barefoot or wearing sandals.
Exercise extreme caution when changing direction on slopes
Never attempt to make any adjustments, while the engine is running.
Use extreme caution when reversing or pulling the machine backwards
Never operate the engine indoor or in areas with low ventilation. The exhaustion from the engine contains carbon monoxide. Failure to observe could result in permanent injury or death.
Gasoline safety
Use extreme care in handling gasoline. Gasoline is extremely flammable and the fumes are explosive.Serious personal injury can occur, when gasoline is spilled on yourself or your clothes. Rinse your skin and change clothes immediately!
Use only an approved gasoline container. Do not use soft drink bottle or similar!
Extinguish all cigarettes, cigars, pipes and other sources of ignition.
Never refuel your machine indoors.
Let the engine cool down before refilling Never fill the fuel tank to more than 2.5 cm below filler in order to provide space for fuel to expansion.
After refueling, ensure that the cap tighten securely.
Never use the lock-function on the gasoline gun, when refueling.
Do not smoke while refueling.
Never refuel gasoline inside a building or where gasoline fumes may get in contact with an ignition source.
Keep gasoline and engine away from appliance, pilot lights, barbecues, electric appliances, power tools, etc.
Maintenance and storage
The engine shall be stopped when carrying out maintenance and cleaning operations, when changing tools and when being transported by means other than under its own power.
Check regularly that all bolts and nuts are tightened. Retighten if necessary.
The engine must be completely cooled before storing indoors or covered.
If the machine unused for a period of time, please refer to the instructions in this manual.
Maintain or replace safety and instruction labels, as necessary.
Only use orginal spare parts or accessories. If not orginal parts or accessories is used, the liablility is no longer applied.
Miscellaneous
Always check the engine oil level before start.
Factory-fitted control devices, such as the handlemounted clutch cable, must not be removed or exposed.
Only drain the fuel tank outdoors. Gasoline is extremely flammable and the fumes are explosive.
Ensure that the machine is properly secured when transported on a flatbed etc.
![]()
Battery must not be disposed of with the household waste. The battery should be taken to your local recycling centre for safe treatment.
The rider is manufactured according to the latest safety requirements. These include a blade brake that stops the motor and blade in 3 seconds when the blade brake. Every precaution is only effective when it is followed exactly. Use the following description when you mount your rider.
Identification of the parts
See Illustration 5
- Clutch/Brake Pedal
- Ignition/Start/Stop/Run
- Blade Rotation Control.
- Shift Lever
- Throttle Control Lever
- Lift Lever
- Parking brake.
Assembly
PARTS BAG – CONTENTS
The fasteners and other loose parts are shown on illustration 1. The quantity is shown in brackets.
HOW TO INSTALL THE SEAT
Use the fasteners shown below to install the seat. The fasteners are shown at full size.
- Carefully remove the plastic bag from the seat.
- Raise the seat support and secure in the UP position with the seat support rod.
- Align the holes in the seat to the holes in the seat support (See Illustration 2). Fasten the seat to the seat support with the fasteners as shown.
- Check the operating position of the seat. If the seat needs to be adjusted, loosen the two wing bolts (A). Slide the seat forward or backward along the seat adjusting holes as shown. Tighten the wing bolts (A).
HOW TO ASSEMBLE THE STEERING WHEEL
Attach the steering wheel as follows:
- Make sure the front wheels point forward.
- Slide the tube into the console (See Illustration 3)
Make sure the end of the tube fits over the steering bushing. - Slide the steering wheel and steering post into the tube and console. Push on the steering wheel. The steering post will lock onto the pinion gear. Pull on the steering wheel. Make sure that the steering post is locked in place.
HOW TO INSTALL THE BATTERY
IMPORTANT: Before you attach the battery cables to the battery, check the battery date. The battery date tells if the battery must be charged.
- Raise the seat support and secure in the UP position with the seat support rod.
- Check the top of the battery for the location of the battery date (See Illustration 4). If the battery is put into service before the battery date, the battery cables can be attached without charging the battery. See “How To Install The Battery Cables”.
- If the battery is put into service after the battery date, the battery must be charged. See “How To Charge The Battery”.
HOW TO CHARGE THE BATTERY
NOTE: CHARGER IS NOT INCLUDED, BUT THE BATTERY WILL SELF-CHARGE DURING USE!
WARNING: When you charge the battery, do not smoke. Keep the battery away from any sparks. The fumes from the battery acid can cause an explosion.
- To disconnect the battery retainer from the battery tray, push in on the lower end of the battery retainer.
- Remove the battery from the right side of the unit.
- Remove the protective caps from the battery terminals.
- Use a 12V battery charger to charge the battery.
Charge at a rate of 6 amperes for one hour. If you do not have a battery charger, have an authorized service center charge the battery. - Install the battery and secure with the battery retainer.
Make sure the positive (+) terminal is on the right side.
HOW TO INSTALL THE BATTERY CABLES
WARNING: To prevent sparks, fasten the red cable to the positive (+) terminal before you connect the black cable. Use the fasteners shown below to install the battery cables. The fasteners are shown at full size. (B) 14×79 (A) 2×82
- Remove the protective caps from the battery terminals.
- Fasten the red cable to the positive (+) terminal with the fasteners as shown (Figure 3).
- Fasten the black cable to the negative (-) terminal with the fasteners as shown.
IMPORTANT! BEFORE YOU START MOWING
- Check the engine oil.
- Fill the fuel tank with gasoline.
- Check the level of the mower housing.
- Check the air pressure of the tires.
Make sure the battery cables are attached.
WARNING: Before doing any assembly or maintenance to the mower, remove the wire from the spark plug.
NOTE: In this instruction book, left and right describe the location of a part with the operator on the seat.
How to prepare the engine
NOTE: The engine was shipped from the factory filled with oil.
Check the level of the oil. Add oil as needed.
See the engine manufacturer’s instructions for the type of gasoline and oil to use. Before you use the unit, read the information on safety, operation, maintenance, and storage.
WARNING: Follow the engine manufacturer’s instructions for the type of gasoline and oil to use. Always use a safety gasoline container. Do not smoke when adding gasoline to the engine. When inside an enclosure, do not fill with gasoline. Before you add gasoline, stop the engine. Let the engine cool for several minutes.
CHECK THE LEVEL OF THE MOWER HOUSING
Make sure the level of cut is still correct. After you mow a short distance, look at the area that was cut. If the mower housing does not cut level, see the instructions on “How To Level The Mower Housing” in the Maintenance section of this instruction book. CHECK THE TIRES Check the air pressure in the tires. Tires with too much air pressure will cause the unit to ride rough. Also, the wrong air pressure will keep the mower housing from cutting level. The correct air pressure (PSI) is 14 PSI (1 BAR). The tires were over inflated for shipment.
Location of the controls
Illustration 5
BLADE ROTATION CONTROL (fig. 3)
Use the blade rotation control to start and stop the rotation of the blade.
CLUTCH / BRAKE PEDAL (fig. 1)
The pedal has two functions. The first function is a clutch. The second function is a brake.
IGNITION SWITCH (fig. 2)
Use the ignition switch to start and stop the engine.
SHIFT LEVER (fig. 4)
Use the shift lever to change the speed of the unit.
LIFT LEVER (fig 6)
Use the lift lever to change the height of cut.
PARKING BRAKE LEVER (fig. 7)
Use the parking brake lever to engage the brake when you leave the unit.
THROTTLE CONTROL LEVER (fig. 5)
Use the throttle control lever to increase or decrease the speed of the engine.
HOW TO USE THE THROTTLE / CHOKE CONTROL
Use the throttle/choke control to choke the engine for cold starts and increase or decrease the speed of the engine (see Illustration 6).
- Move the throttle/choke control completely forward to the CHOKE position to start a cold engine.
- The FAST position is marked with a detent. For normal operation and when using a grass bagger, move the throttle control to the FAST position. For maximum charging of the battery and for a cooler running engine, operate the engine in the FAST position.
- The engine governor is set at the factory for maximum performance. Do not adjust the governor to increase the speed of the engine.
HOW TO USE THE BLADE ROTATION CONTROL
Use the blade rotation control to engage the blade (Illustration 7).
- Before you start the engine, make sure the blade rotation control is in the DISENGAGE position.
- To rotate the blade, move the blade rotation control forward to lock the blade in the ENGAGE position.
- To stop the blade, move the blade rotation control to the DISENGAGE position. Before you leave the operator’s position, make sure the blade has stopped rotating.
- Before you ride the unit across a sidewalk or a road, move the blade rotation control to the DISENGAGE position.
WARNING: Always keep your hands and feet away from the blade, deflector opening, and the mower housing when the engine runs. Operation
Control and operation Pictorials See Fig 32
- Engine START
- Lights
- Engine STOP
- Engine STOP
- Engine RUN
- Brake
- Parking Brake
- Clutch
- Slow
- Fast
- Choke
- Oil
- Blade Rotation Control
- Raise
- Fuel
HOW TO USE THE SHIFT LEVER
To change the forward speed or the direction of the unit, follow the steps below. CAUTION: Before you move the shift lever, completely push the clutch/brake pedal forward to stop the unit. If the unit is not stopped, the gearbox can be damaged.
- Completely push the clutch/brake pedal forward to stop the unit. Keep your foot on the pedal (see Illustration 9).
- Move the throttle control lever to the SLOW position (Illustration 6).
- To go forward, move the shift lever to a forward speed setting. To go backward, move the shift lever to reverse.
- Slowly release the clutch/brake pedal. Do not keep your footon the pedal.
- Move the throttle control to the FAST position.
For Throttle and Shift lever instructions see illustration 11
HOW TO SET THE PARKING BRAKE
- Completely push the clutch/brake pedal forward.
- Lift the parking brake lever (Illustration 9).
- Remove your foot from the clutch/brake pedal and then release the parking brake lever. Make sure the parking brake will hold the unit.
- To release the parking brake, completely push the clutch/brake pedal forward. The parking brake will automatically release.
WARNING: Before you leave the operator’s position, move the shift lever to the neutral (N) position. Set the parking brake.
Move the blade rotation control to the DISENGAGE position. Stop the engine and remove the ignition key.
HOW TO CHANGE THE CUTTING HEIGHT
To change the cutting height, raise or lower the lift lever as follows.
- Move the lift lever forward to lower the mower housing and back to raise the mower housing (Illustration 28 C).
- When you ride on a sidewalk or road, move the lift lever to the highest position and move the blade rotation control to the DISENGAGE position.
HOW TO STOP THE UNIT
- Completely push the clutch/brake pedal forward to stop the unit. Keep your foot on the pedal.
- Move the blade rotation control to the DISENGAGE position.
- Move the shift lever to the NEUTRAL position.
- Set the parking brake.
WARNING: Make sure the parking brake will hold the unit. - Move the throttle control to the SLOW position.
- To stop the engine, turn the ignition key to the OFF position. Remove the key.
HOW TO TRANSPORT THE UNIT
To transport the unit, follow the steps below.
- Move the blade rotation control to the DISENGAGE position.
- Raise the lift lever to the highest position.
- Move the throttle control to a position between SLOW and FAST.
- To go faster, move the shift lever to a faster speed.
How to install the side discharge attachment
WARNING: To prevent the engine from starting, disconnect the wire from the spark plug. Make sure the blade rotation control is in the DISENGAGE position.
The mulcher cover lets you mulch the grass for a clean, fine cut. To discharge the grass out the side, install the side discharge attachment as follows.
- Remove the fasteners that secure the mulcher cover (see Illustration 10).
- Lift the mulcher cover. Mount the side discharge attachment onto the same bolts that secured the mulcher cover.
- Secure the side discharge attachment with the fasteners.
- To mulch, remove the side discharge attachment and mount the mulcher cover to the mower housing with the fasteners.
Before starting the engine
CHECK THE OIL
NOTE: The engine was shipped from the factory partly filled with oil, but there most likely need to be added oil. So check the level of the oil. Add oil as needed.
- Make sure the unit is level.
NOTE: Do not check the level of the oil while the engine runs. - Check the oil. Follow the procedure in the engine manufacturer’s instructions.
- If necessary, add oil until the oil reaches the FULL mark on the dipstick. The quantity of oil needed from ADD to FULL is shown on the dipstick. Do not add too much oil.
ADD GASOLINE
WARNING: Always use a safety gasoline container. Do not smoke when adding gasoline to the fuel tank. Do not add gasoline when you are inside an enclosure. Before you add gasoline, stop the engine and let the engine cool for several minutes.
Fill the fuel tank with regular unleaded gasoline. Do not use premium unleaded gasoline.
Make sure the gasoline is fresh and clean. Leaded gasoline will increase deposits and shorten the life of the valves.
CAUTION: A mixture of alcohol (ethanol or methanol) and gasoline (called gasohol), will attract moisture and cause acid deposits during storage. While the unit is in storage, the acids in the fuel can damage the fuel system.
To prevent engine problems with the fuel system, empty the fuel system before storage of 30 days or longer as follows.
- Drain the fuel tank.
- Start the engine. Let the engine run until the fuel lines and the carburetor are empty.
- After storage, make sure you use fresh fuel. See the storage instructions for additional information.
- Never use engine cleaner or carburetor cleaner in the fuel tank or permanent damage can occur.
CARBURETOR
The factory settings for the carburetor are for most conditions. If the engine is operated under the following conditions, you can adjust the carburetor mixture. To adjust the carburetor, see the engine manufacturer’s instructions.
- The engine has a loss of power or does not run smooth.
- A change from summer to winter operation.
- A 4 degree Celcius change in the operation temperature. The carburetor was adjusted at 25 degrees at the factory.
- The engine cannot be operated above 1300 meters.
How to start the engine
WARNING: The electrical system has an operator presence system that includes a sensor switch for the seat. These components tell the electrical system if the operator is sitting on the seat.
This system will stop the engine when the operator leaves the seat if the blade rotation control is engaged or if the transmission is engaged. For your protection, always make sure this system operates correctly.
NOTE: The engine will not start unless you depress the clutch/brake pedal or engage the parking brake and move the blade rotation control to the DISENGAGE position.
- Push the clutch/brake pedal completely forward. Keep your foot on the pedal.
- Move the shift lever to the neutral (N) position.
- Make sure the blade rotation control is in the DISENGAGE position.
- Move the throttle control completely forward to the CHOKE or FAST position. Some models have a separate choke knob. Pull the choke knob to the full CHOKE position.
- Turn the ignition key to the START position. Release the key when the engine starts.
NOTE: If the engine does not start after four or five tries, see the TROUBLE SHOOTING section. - Slowly move the throttle control to the SLOW position.
- Let a cold engine run for several minutes. Begin work when the engine is warm. To start a hot engine, move the throttle control to a position between FAST and SLOW.
HOW TO OPERATE WITH THE MOWER HOUSING
WARNING: The mulch cover is a safety device. Do not remove the mulch cover. The deflector forces the discharged material toward the ground. Always keep the deflector in the down position. If the deflector is damaged, replace the deflector with an original equipment part from an authorized service center.
IMPORTANT: When you operate with the mower housing, always operate with the throttle control in the FAST position.
- Start the engine.
- Move the lift lever to a height of cut position. In high or thick grass, cut the grass in the highest position first and then lower the mower housing to a lower position.
CAUTION: Do not operate with the mower housing in the LEVEL ADJUSTMENT position. If you operate in the LEVEL ADJUSTMENT position, the mower housing and blades can be damaged. - Move the throttle control to the SLOW position.
- Slowly move the blade rotation control to the ENGAGE position.
- Push the clutch/brake pedal completely forward.
- Move the shift lever to one of the speed settings.
NOTE: When you mow in heavy grass or mow with a bagger, put the shift lever in the slowest speed. - Slowly release the clutch/brake pedal.
- Move the throttle control to the FAST position. If you need to go faster or slower, stop the unit and move the shift lever to another speed setting.
- Make sure the level of cut is still correct. After you mow a short distance, look at the area that was cut. If the mower housing does not cut level, see the instructions on “How To Level The Mower Housing” in the Maintenance section.
WARNING: For better control of the unit, always select a safe speed. Only use gearposition 1 or 2 on slopes!
HOW TO OPERATE THE UNIT ON HILLS
WARNING: Do not ride up or down slopes that are too steep to back straight up. Never ride the unit across a slope. See the “Slope Guide” in the back of this book for information on how to check slopes.
- Before you ride up or down a hill, move the shift lever to the slowest speed (gear 1 or 2). This protects the gearbox and reduces the load.
- Do not stop or change speed settings on a hill. If you must stop, quickly push the clutch/brake pedal forward and set the parking brake.
- To start again, make sure the shift lever is in the slowest speed. Move the gearshifter to position 1 or 2. Slowly release the pedal.
- If you must stop or start on a hill, always have enough space for the unit to roll when you release the brake and engage the clutch.
- Be very careful when you change directions on a hill.
When on a slope or in a turn on a hill, move the gearshifter to position 1 or 2 to help prevent an accident.
Operation tips
- Check the blade rotation control for correct adjustment. For the blade(s) to disengage correctly, the adjustment must be correct.
- Before you use the unit, check the oil in the engine and add oil if necessary.
- If the engine will not start, first make sure the wire is attached to the spark plug.
- Make sure all the belts are inside all the belt guides. See the instructions on how to remove and install the motion drive and mower drive belts.
- Before you make an inspection, adjustment (except for the carburetor) or repair, make sure the wire from the spark plug is disconnected.
- For longer life of the battery on electric start models, charge the battery every three months.
- Use the shift lever to change the ground speed, not the throttle control.
- Belt noise can occur when the blade or clutch is engaged. This noise is normal and does not affect the operation of the unit.
Mowing and bagging tips
- For a lawn to look better, check the cutting level of the mower housing. See “How to level the mower housing” in the Maintenance section.
- For the mower housing to cut level, make sure the tires have the correct amount of air pressure.
- Every time you use the unit, check the blade. If the blade is bent or damaged, immediately replace the blade. Also, make sure the nut for the blade is tight.
- Keep the blade(s) sharpened. Worn blades will cause the ends of the grass to turn brown.
- Do not cut or bag grass that is wet. Wet grass will not discharge correctly. Let the grass dry before cutting.
- Use the left side of the mower housing to trim near an object.
- Discharge the cut grass onto the mowed area. The result is a more even discharge of cut grass.
- When you mow large areas, start by turning to the right so that the cut grass will discharge away from shrubs, fences, driveways, etc. After one or two rounds, mow in the opposite direction making left turns until finished (Illustration 12).
- If the grass is very high, cut two times to decrease the load on the engine. First cut with the mower housing in the highest position and then lower the mower housing for the second cut.
- For better engine performance and an even discharge of the cut grass, always operate the engine with the throttle in FAST position.
- When you use a bagger, operate the engine with the throttle in FAST position and the shift lever in first or second gear.
- For better cutting performance and a quality cut, mow with the shift lever in one of the slower speeds.
- After each use, clean the bottom and top of the mower housing for better performance. Also, a clean mower housing will help prevent a fire.
Attachments
This unit can be used with attachments. See the attachment page in this book. This unit can pull attachments like a lawn sweeper, a spreader or a small trailer. The max load on trailer is 50 kg.
Other attachments are not recommended. If heavier load is being pulled after the mower, the warranty will not cover.
Maintenance
GENERAL RECOMMENDATIONS
- The owner’s responsibility is to maintain this product.
This will extend the life of the product and is also necessary to maintain warranty coverage. - Check the spark plug, drive brake, lubricate the unit, and clean the air filter once a year.
- Check the fasteners. Make sure all fasteners are tight. 4. Follow the Maintenance section to keep the unit in good operating condition.
WARNING: Before you make an inspection, adjustment, or repair to the unit, disconnect the wire to the spark plug. Remove the wire from the spark plug to prevent the engine from starting by accident.
NOTE: Torque is measured in foot pounds (metric Nm). This measurement describes how tight a nut or bolt must be. The torque is measured with a torque wrench.
HOW TO CHECK THE MUFFLER
Check the muffler every 50 hours. Make sure the muffler is correctly mounted and is not loose. If the muffler is worn or burnt, replace with a new muffler. A worn muffler is a fire hazard and can also damage the engine.
If you mount a spark arrester to the muffler, also check the spark arrester when you check the muffler. If the spark arrester is worn or damaged, replace it with a new spark arrester. See your nearest authorized service center for a spark arrester.
INSPECT THE BLADE
WARNING: Before you inspect or remove the blade, disconnect the wire to the spark plug. If the blade hits an object, stop the engine. Check the unit for damage. The blade has sharp edges. When you hold the blade, use gloves or cloth material to protect your hands.
If you keep the blade sharp and inspect the blade for damage, the blade will cut better and be more safe to operate. Frequently check the blade for excessive wear, cracks, or other damage. Frequently check the nut that holds the blade. Keep the nut tight. If the blade hits an object, stop the engine. Disconnect the wire to the spark plug. See if the blade is bent or damaged. Check the blade adapter for damage. Before you operate the unit, replace damaged parts with original equipment parts. See the authorized service center in your area. Every three years, have an authorized service person inspect the blade or replace the old blade with an original equipment part
HOW TO REMOVE AND INSTALL THE BLADE
- Remove the mower housing. See the instructions on “How To Remove The Mower Housing”.
- Use a piece of wood to keep the blade from rotating.
- Remove the nut that holds the blade (Illustration 13B).
- Check the blade and the blade adapter according to the instructions for “Inspect Blade”. Replace a badly worn or damaged blade with an original equipment blade. See an authorized service center in your area.
- Clean the top and bottom of the mower housing. Remove all the grass and debris.
- Mount the blade and blade adapter on the mandrel (Illustration13B).
- Mount the blade so that the hi-lift edges are up. If the blade is upside down, the blade will not cut orrectly and can cause an accident.
- Fasten the blade with the original washers and nut. Make sure the outside rim of the Belleville washer is against the blade (Illustration 13A).
WARNING: Always keep the nut tight that holds the blade. A loose nut or blade can cause an accident. - Tighten the nut that holds the blade to a torque of 35 foot pounds (47,5 N-m).
- Install the mower housing. See “How To Install The Mower Housing
HOW TO SHARPEN THE BLADE
WARNING: Vibration can be caused if the blade is not correctly balanced or if the blade is damaged. A blade that is damaged with cracks can break and cause an accident.
Keep a sharp edge on the blade. A blade that is not sharp will cause the tips of the grass to become brown.
- Sharpen the blade two times a year or every 25 hours.
- Remove the blade according to the instructions in
“How To Remove And Install The Blade”. - Clean the blade with a brush, soap and water. Check the blade. Look for cracks, nicks, or other damage. Replace a badly worn or damaged blade with an original equipment blade. See an authorized service center in your area.
- Sharpen the blade with a file (Illustration 13 C). Make sure you keep the original bevel angle.
- Make sure the blade is balanced. Use a screwdriver and hold the blade parallel to the ground (Illustration 13 C). A blade that is balanced will stay parallel to the ground. If the blade is not balanced, the heavy end will rotate toward the ground. Sharpen the heavy end until the blade is balanced.
- A new blade will cut better than a badly worn blade.
Every three years, have an authorized service person inspect the blade or replace the old blade with an original equipment blade. - Assemble the blade according to the instructions
“How To Remove And Install The Blade”.
How to check the blade rotation control
WARNING: To prevent an injury, the blade rotation control must operate correctly.
In normal usage, the blade rotation control will not require an adjustment. However, if the cutting performance decreases or the quality of cut is poor, make the following changes.
When you mow, make sure the throttle control in in the FAST position.
- Move the blade rotation control to the DISENGAGE position (Illustration 14).
- Stop the engine. Disconnect the wire from the spark plug.
- Check the blade(s). Keep a sharp edge on the blade(s). A blade that is not sharp will cause the tips of the grass to become brown.
- If the quality of cut has not improved, replace the mower drive belt. See “How To Replace The Mower Drive Belt”. If replacing the belt does not correct the problem, take the unit to an authorized service center.
- Move the blade rotation control to the DISENGAGE position. Stop the engine. Disconnect the wire from the spark plug.
- Check the operation of the blade brake. Rotate the pulley with your hand. Make sure the brake pad is pressed tightly against the pulley (Illustration 16).
WARNING: If the brake pad does not press tightly against the pulley, take the unit to an authorized service center. - Move the blade rotation control to the ENGAGE position.
- Check the pad for the blade brake. If the pad is excessively worn or damaged, replace the brake pad assemblies. Correct replacement parts and assistance are available from an authorized service center.
- Attach the wire to the spark plug. Mow for a short distance and again check the operation of the blade rotation control.
- When you move the blade rotation control to the DISENGAGE position, all movement will stop within five seconds. If there is movement of the belt or the blades continue to rotate, engage and disengage the blade rotation control five times to remove any excess rubber from a new mower drive belt.
If you need assistance, take the unit to an authorized service center.
How to check and adjust the drive brake
Completely push the clutch/brake pedal forward. Set the parking brake. Move the shift lever to the neutral (N) position. Push the unit. If the rear wheels rotate, adjust or replace the brake pads. Adjust the drive brake as follows. The location of the drive brake is on the left side of the gearbox (Illustration 15).
- Make sure the parking brake is set and the shift lever is in neutral (N). Turn the hex nut in a clockwise direction until the rear wheels do not turn when the unit is pushed forward.
- Release the parking brake and push the unit. If the unit does not roll, turn the hex nut in a ounterclockwise direction until the unit rolls.
- Set the parking brake. Push the unit. If the rear wheels do not turn, the drive brake is correctly adjusted. Release the parking brake.
WARNING: If you cannot correctly adjust the drive brake, replace the brake pads. Correct replacement parts and assistance are available from an authorized service center.
HOW TO CHECK AND ADJUST THE CLUTCH
If the motion drive belt is loose, the clutch will slip when; (1) going up a hill, (2) pulling a heavy load, or (3) the unit will not move forward. Adjust the clutch as follows.
WARNING: Before you make an inspection, adjustment, or repair to the unit, disconnect the wire to thespark plug. Remove the wire from the spark plug to prevent the engine from starting by accident.
- Check the routing of the motion drive belt. Make sure the belt is installed correctly and is inside all the belt guides.
- Remove the cotter pin, washer, and brake spring from the adjustable nut (Illustration 17).
- Disconnect the adjustable nut from the brake lever assembly.
- Align the hole in the brake lever with the rear of the slot in the frame.
- Push the clutch rod toward the rear. Turn the adjustable nut until the nut will fit through the hole in the brake lever.
- Assemble the adjustable nut to the brake lever and to the brake spring. Fasten with the washer and cotter pin.
- If the belt still slips after the clutch has been adjusted, then the motion drive belt is worn or damaged and must be replaced.
See “How To Replace The Motion Drive Belt”.
HOW TO ADJUST THE SHIFT LEVER
If the NEUTRAL position on the shift lever does not match neutral on the gearbox, adjust the shift lever as follows.
- Stop the engine.
- Disconnect the adjuster nut from the shifter yoke (Illustration 19).
- Make sure the shift lever is in the NEUTRAL position.
- Push the unit forward. Make sure the gearbox is in neutral.
- To align the adjuster nut with the hole in the shifter yoke, turn the adjuster nut.
- Connect the adjuster nut to the shifter yoke.
- Make sure the NEUTRAL position on the shift lever matches neutral on the gearbox.
Battery
HOW TO REMOVE THE BATTERY
To charge or clean the battery, remove the battery from the unit as follows.
WARNING: To prevent sparks, disconnect the black battery cable from the negative (-) terminal before you disconnect the red cable.
WARNING: The battery contains sulfuric acid which is harmful to the skin, eyes and clothing. If the acid gets on the body or clothing, wash with water.
- Disconnect the black cable from the negative (-) terminal (Illustration 20).
- Disconnect the red cable from the positive (+) terminal.
- To disconnect the battery retainer from the battery tray, push in on the lower end of the battery retainer.
- Remove the battery from the right side of the unit.
HOW TO CLEAN THE BATTERY
- Remove the battery.
- Wash the battery with a solution of one gallon of water and four tablespoons of baking soda (sodium bicarbonate). Make sure the solution does not get into the battery cells.
- Clean the terminals and the ends of the cables with a wire brush. 4. Install the battery. 5. To prevent corrosion, apply grease to the battery terminals.
Where to lubricate
Lubricate the areas shown with engine oil. Apply grease with a brush to the areas shown.
NOTE: Apply grease to the steering gear assembly.
CAUTION: If the unit is operated in dry areas that have sand, use a dry graphite spray to lubricate the unit. (Illustration 26)
HOW TO CHECK THE FUEL FILTER
NOTE: Before you replace the fuel filter or the fuel line, the fuel tank must be empty.
If the fuel filter is dirty, the engine will run rough and have less performance. Remove the old filter (Illustration 21). Replace the old filter with a new filter. Use an original equipment part. See an authorized service dealer in your area.
CHECK THE TIRES
Check the air pressure in the tires. Tires with too much air pressure will cause the unit to ride rough. Also, the wrong air pressure will keep the mower housing from cutting level.
The correct air pressure is 14 PSI (1 BAR).
HOW TO LEVEL THE MOWER HOUSING
If the mower housing is level, the blade will cut easier and the lawn will look better.
WARNING: Before you make an inspection, adjustment, or repair to the unit, disconnect the wire to the spark plug. Remove the spark plug wire to prevent the engine from starting by accident.
- Make sure the unit is on a hard flat surface.
- Check the air pressure in the tires. If the air pressure is incorrect, the mower housing will not cut level. Make sure the tires are inflated to 14 PSI. (1 BAR).
- Open the cover (see Illustration 28 A).
- Move the lift lever to the LEVEL ADJUSTMENT position (Illustration 28 A).
- Loosen the front and rear adjuster knobs (see Illustration 28 A and Illustration 28 B). Make sure both sides of the mower housing are setting on a flat surface. Also, make sure the lift links and adjuster plates are loose and can easily move up or down.
- Tighten the front and rear adjuster knobs. Make sure the adjuster knobs are tight. If necessary, use a wrench to tighten the adjuster knobs. For plastic adjuster knobs, tighten to a torque of 7 foot pounds (9,5 N-m). For metal adjuster knobs, tighten to a torque of 10 foot pounds (13,5 N-m).
- Raise the lift lever from the LEVEL ADJUSTMENT position to a CUTTING HEIGHT position (see Illustration 28 C).
- Close the cover.
- Mow for a short distance. If the height of cut is not level, repeat the above steps.
CAUTION: Do not operate with the mower housing in the LEVEL ADJUSTMENT position. If you operate in the LEVEL ADJUSTMENT position, the mower housing and blades can be damaged.
Mower housing
HOW TO REMOVE THE MOWER HOUSING
- Move the blade rotation control to the DISENGAGE position.
- Move the lift lever to the level adjustment position (Illustration 29 B). NOTE: Make sure the lift lever is locked in the LEVEL ADJUSTMENT position.
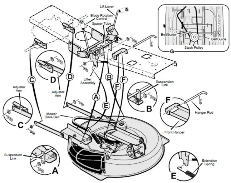
- Remove the hair pins and the washers from the rear suspension arms (Illustration 27). See illustrations “C” and “D”.
- Remove the hair pins and washers from the suspension links. See illustrations “A” and “B”.
- Disconnect the extension spring from the blade control rod. See illustration “E”.
- Disconnect the front hanger from the frame support. See illustration “F”.
- Remove the mower drive belt from the stack pulley. See illustration “G”.
- Pull the mower housing away from the right side of the unit.
- To operate without the mower housing, move the lift lever to the TOP position.
HOW TO INSTALL THE MOWER HOUSING
(Illustration 27)
- Push the mower housing under the right side of the unit.
- Put the mower drive belt around the stack pulley. Make sure the “V” side of the mower drive belt is against the stack pulley. Also, make sure the mower drive belt is not twisted.
- Attach the front hanger to the frame support with the hanger rod. Fasten with the fasteners as shown. See illustration “F”.
- Make sure the mower drive belt is between the stack pulley and the two belt guides. See illustration “G”.
- Attach the suspension links to the lifter assembly. Fasten with the washers and hair pins. See illustrations “A” and “B”.
- Attach the rear suspension arms to the suspension brackets. Fasten with the washers and hair pins. See illustrations “C” and “D”.
- Attach the extension spring to the blade control rod. See illustration “E”.
- Move the blade rotation control to the ENGAGE position. Make sure the mower drive belt is inside all the belt guides and is also below the spacer tube.
- Make sure the mower housing is level. See the instructions on “How to level the mower housing”.
- Check the operation of the blade rotation control. See the instructions on “How to adjust the blade rotation control”.
How to replace the motion drive belt
REMOVAL OF DRIVE BELT
- Remove the mower housing. See the instructions on “How to remove the mower housing”.
- Completely push the pedal forward and engage the parking brake.
- Remove the idler pulley (Illustration 30).
- Loosen the belt guides next to the drive pulley.
- Remove the motion drive belt from the drive pulley.
- Remove the motion drive belt from the stack pulley. A correct replacement part or assistance is available from an Authorized Service Center in your area.
INSTALLATION OF DRIVE BELT
- Slide the motion drive belt between the stack pulley and the belt guides (Illustraton 30). Install the motion drive belt on the top pulley of the stack pulley. Make sure the “V” side of the belt is against the pulley.
- Install the end of the motion drive belt around the drivepulley.
- Make sure the motion drive belt is inside of the belt guidesnext to the drive pulley. Tighten the belt guides.
- Put the belt around the idler pulley. Assemble the idler pulley. Fasten the idler pulley with the hex nut. Make sure the “V” side of the belt is against the idler pulley. Also, make sure the belt is not twisted.
- Check the routing of the motion drive belt. Make sure the motion drive belt is installed correctly on the idler pulley. Make sure the motion drive belt is inside all the belt guides.
- Before you use the unit, check the adjustment of the clutch. See the instructions “How To Check And Adjust The Clutch”.
- Install the mower housing. See the instructions “How To Install The Mower Housing”.
How to replace the mower drive belt
- Remove the mower housing. See the instructions on “How to Remove the mower housing”.
- Pull the belt retainer away from the idler pulley and remove the mower drive belt (Illustration 25).
- Pull the brake pad away from the jackshaft pulley and remove the mower drive belt. NOTE: Replace the mower drive belt with an original equipment belt from an authorized service center.
- Install the new mower drive belt. Pull the brake pad away from the jackshaft pulley. Put the mower drive belt around the jackshaft pulley.
- Pull the belt retainer away from the idler pulley. Put the mower drive belt around the idler pulley.
- Make sure the “V” side of the mower drive belt is against the jackshaft pulley and the idler pulley.
- Install the mower housing. See the instructions on “How To Install The Mower Housing”.
- Before you mow, check the blade rotation control. See the instructions on “How To Adjust The Blade Rotation Control”
How to install the wheels
If the wheels must be removed for service, make sure they are installed as follows. Front Wheel
- Make sure the valve stem is to the outside of the tractor. Slide the front wheel on the spindle (Illustration 23).
- Fasten the front wheel with washer and cotter pin. Bend the ends of the cotter pin apart to keep the front wheel on the spindle.
If your model has hub caps, install the hub caps. Make sure the washer hold the hub caps in place.
Rear Wheel
- Install the washers and spacer onto the axle as shown in Illustration 24).
- Mount the square key in the key slot (See Illustration 24).
- Make sure the valve stem is to the outside of the tractor. Align the slot in the rear wheel with the square key. Slide the rear wheel on the axle.
- Fasten the rear wheel with washer and e-ring.
- If your model has hub caps, install the hub caps. Make sure the washer hold the hub caps in place.
How to replace the fuse
If the fuse is blown, the engine will not start. The location of the fuse is next to the battery. Remove the fuse and replace with an automotive fuse (Illustration 29).
How to clean the mower housing
WARNING: Before you clean the mower housing, stop the engine and disconnect the wire to the sparkplug.
Grass and other debris on top of the mower housing can keep the belt from working correctly. For safety and correct operation, frequently clean the top of the mower housing. Remove grass and debris from around the pulleys and other moving parts.
- Move the lever for the blade rotation control to the ENGAGE position.
- Clean the top of the mower housing.
- Move the lever for the blade rotation control to the DISENGAGE position.
- Again clean the top of the mower housing. 5. After you cut the grass, clean the bottom of the mower housing.
Storage and maintenance
Maintain your rider: Check all bolts, screws, nuts and deck. Dismount the blade and the belt plastic cover for regular cleaning. Always make sure that the blade is sharp. It’s a good idea to take your lawn rider to an annual service check with your authorized service dealer. See your nearest service center at www.texas.dk.
Storage: After use the rider kept in a dry and clean room. Clean the machine after every use. Grass and dirt must be removed from the underside of the deck. By tipping the rider (for cleaning) is recommended to tilt the front up (max. 45 degrees). If you tilt it sideways, the carburetor and air filter always face upwards, since oil may run out and destroy the engine. Be aware that removing the spark plug before the rider maintenance.
Winter storage: Empty the fuel tank and let the engine run until the gasoline in the carburetor is used up. Spark plug removed. Remove the spark plug and add a teaspoon of oil (engine oil) in the hole. Pull the starter to distribute oil. Mount the spark plug, but not the spark plug cap. Change oil as described in the section above. Spray silicone lubrication into the cables and move them. Finally, clean the rider thoroughly. Dip a cloth in oil and luricate metal parts to prevent rust.
Storage of battery
Frost/minus degrees can damage the battery. Therefore, it must be stored try and warn during winter. Fully charge the battery before winter storage and place the ride-on mower a place, where can stay frostfree. Alternatively, cover the battery with a thick blanket og similar, if ride-on mower is stores in a shed or garage, hvor it can become cold.
Charge the battery 1-2 times during the winter (minimum every 3 month), it will help the battery to keep its full capacity.
Wrong storage can damage the battery and is not covered by the warranty.
THE FUEL SYSTEM
WARNING: Do not drain the gasoline inside a building or near a fire. Do not smoke because the fumes from the fuel can cause an explosion.
- Start the engine.
- Run the engine until the fuel tank and the carburetor are out of fuel and the engine stops.
- After storage, make sure you use fresh fuel.
CLEAN THE UNIT
- Clean the dirt and grass from the engine.
- Clean the mower housing.
LUBRICATE THE UNIT
See the “Lubrication” instructions in this book.
Trouble shooting chart
PROBLEM: The engine will not start.
- Follow the steps, “How To Start The Engine” in this book.
- Electric-Start Models: Clean the battery terminals. Tighten the cables.
- Drain the fuel tank. Clean the fuel line. Replace the fuel filter.
- Remove the spark plug(s). Move the throttle to the SLOW position. Turn the ignition key to the ON position. Try to start the engine several times. Install the spark plug.
- Replace the spark plug.
- Adjust the carburetor.
PROBLEM: The engine will not turn over.
- Follow the steps, “How To Start The Engine” in this book.
- Check the level of the acid in the battery. If needed, add water. Charge the battery.
- Replace the fuse.
- Check the wiring harness for damage or a loose connection. Repair the damaged wire.
- Electric-Start Models: replace the solenoid. RecoilStart Models: replace the module.
PROBLEM: The engine is difficult to start.
- Adjust the carburetor.
- Replace the spark plug.
- Replace the fuel filter.
PROBLEM: The engine does not run smooth or has a loss of power.
- Check the oil.
- Clean the air filter.
- Clean the air screen.
- Replace the spark plug.
- The engine is working too hard. Use a lower gear.
- Adjust the carburetor.
- Replace the fuel filter.
PROBLEM: The engine does not run smooth at fast speed.
- Replace the spark plug.
- Adjust the throttle control.
- Clean the air filter. 4. Replace the fuel filter.
PROBLEM: The engine stops when the blades are engaged.
- To activate the seat sensor, always sit in the middle of the seat.
- Check the wiring harness for damage or a loose connection. Repair the damaged wire.
PROBLEM: On slopes, the engine stops.
- Mow up and down slopes. Never mow across a slope.
- To activate the seat sensor, always sit in the middle of the seat.
PROBLEM: The engine will not idle.
- Replace the spark plug.
- Clean the air filter.
- Adjust the carburetor.
- Adjust the throttle control.
- Drain the fuel tank. Clean the fuel line. Replace the fuel filter.
PROBLEM: A hot engine causes a decrease in power.
- Clean the air screen.
- Check the oil.
- Adjust the carburetor.
- Replace the fuel filter.
PROBLEM: Excessive vibration.
- Replace the blade.
- Check for loose engine bolts.
- Decrease the air pressure in the tires.
- Adjust the carburetor.
- Check for a damaged belt or damaged pulley.
Replace the damaged parts.
PROBLEM: The grass does not discharge correctly.
- Stop the engine. Clean the mower housing.
- Raise the height of cut.
- Replace or sharpen the blade(s).
- Move the shift lever to a slower speed.
- Move the throttle control to the FAST position.
- Replace the spring for the blade idler.
PROBLEM: The mower housing does not cut level.
- Check the air pressure in the tires.
- Adjust the level of the mower housing.
- Check the front axle. If the front axle does not freely pivot, loosen the axle bolt(s).
PROBLEM: The mower blades will not rotate.
- Check the mower drive belt. Make sure the belt is installed correctly.
- Replace the mower drive belt.
PROBLEM: The unit will not move when the clutch is engaged.
- Check the motion drive belt. Make sure the belt is installed correctly.
- Adjust the clutch.
- Replace the motion drive belt.
PROBLEM: The unit moves slower or stops when the clutch is engaged.
- Adjust the clutch.
- Replace the motion drive belt.
PROBLEM: When the clutch/brake pedal is released, belt noise can be heard.
- Temporary belt noise does not change the operation of the unit. If belt noise is continuous, check the routing of the belt. Make sure the belt is inside all belt guides.
- If the noise is continuous, adjust the clutch.
PROBLEM: The rear wheels spin over uneven terrain.
- Check the front axle. If the front axle does not freely pivot, loosen the axle bolt(s).
PROBLEM: The transaxle is difficult to shift between gears with the engine running and the clutch depressed.
- Check the clutch adjustment to make sure the belt stops when the clutch pedal is depressed with the transaxle in (N) neutral.
- Check the belt guides around the transaxle drive pulley. Make sure the belt guides do not touch the pulley.
Oil change
Oil should be changed for the first time after 2 hours, then at least 1 time per year.
You will need an oil extractor kit. Art. no. 40-11336 Oil and oil extractor kit is not included
Use an extractor kit and do as follows:
- Turn on the engine and let it run for 5 min or until the engine is hot. A hot engine liquefies the oil which makes it easier to drain.
- Suck the oil up through the oil filler hole using the syringe that came with the oil extractor kit. Use the hose to reach the sump.
- Transfer the used oil into a empty container.
- Fill the engine with SAE-30 oil (1.2 L).
- Check the oil level using the dipstick. (Min / Max)
Remember to dispose the used oil so that it does no harm to nature. Use your local recycling station.
Air filter
The air filter should be inspected and cleaned regularly. If the filter has not been cleaned for a long time, the engine’s power will drop.
- Clean around the air filter before removing the cap.
- Unscrew the two nuts on of of cover and gently pull the cover off.
- Carefully remove the filter and inspect it. Brush the inside paper filter it with a soft brush. If it is very dirty, replace it. Be careful that no dirt gets into the inlet.
- Wash the black foam element in warm water and soap.
- Press the water out of the foam element and let it dry. Put a few drops of SAE-30 oil on the filter to moisten it lightly. Carefully squeeze any surplus oil out of the foam element and reattach.
- Please note that all parts are assembled correctly and properly closed after installation.
Spark plug
- Remove the spark plug.
- Brush off dirt from the spark plug.
- Use a spark plug wrench to loosen the spark plug.
- Check the insulation is intact.
- Clean the spark plug with a wire brush.
- Measure the electrode, taking care not to damage the electrode.
- The distance should be: 0.7 to 0.8 mm
- If the spark plug is undamaged refit or replace.
- Reattach the spark plug.
Warranty terms and conditions
The warranty period is 2 years for private end users in EU countries. Products sold for commercial use, only have a warranty period of 1 year.
The warranty covers material and/or fabrication faults.
Restrictions and requirements
Normal wear and replacement of wearing parts are NOT covered by the warranty.
Wearing parts, which are NOT covered for more than 12 months:
- Blade
- Cables
- Belts
- Fuses
- Switches
- Membranes/gaskets
- Spark plugs
- Engine liquids (oil, gasoline)
- Starter cords
- Filters
- Battery: If the battery is not stored correct (frost-free and recharged every 3 months), the durability is only guaranteed for 6 months.
If you start the engine without adding oil, it will be damaged and cannot be repaired and therefore not covered by the warranty.
The warranty does NOT cover damages/faults caused by:
- Lack of service and maintenance
- Structural changes
- Exposure to unusual external conditions
- Damages to the bodywork, deck, handles, panels etc.
- If the machine has been improperly used or overloaded
- Wrong use of oil, gasoline or other liquid types, which are not recommended in this user manual
- Bad or dirty gasoline, which results in contamination of the fuel system
- Use of unoriginal spare parts.
- Other conditions where Texas cannot be held responsible.
Whether a case is a warranty claim or not is determined in each case by an authorized service center.
Your receipt is your warranty note, why it should always be kept safe.
REMEMBER: The purchase of spare parts as well as any request for warranty repair, art. number (e.g. 9006XXXX), year and serial number should always be informed. It can be found on the CE-label located on the rearpart of the cutting deck behind the engine!
* We reserve the right to change the conditions and accept no liability for any misprints
Technical specifications
| Model | |
| Model | Rider 7600E |
| Cutting width | 76 cm |
| Height adjustment | 20-90 mm |
| Wheel size | 10″ / 15″ |
| Speed lever Km/h | F= 1,5-8 / R =1.8-2,7 |
| Electric-start | • |
| Battery type | 12 V- 7 Ah |
| Grass collector (optional) | 170 L |
| Side discharge | • |
| Mulching | • |
| LPA | 78,7 dB(A) |
| LWA | 100 dB(A) |
| Vibration Hand/arm | 4,74 m/s2 |
| Vibration Body | 0,64 m/s2 |
| Weight | 160 kg |
| Engine | |
| Model | Loncin |
| Rated power | 432 cc / 8.0 kW / 2800 rpm |
| Max power | 432 cc / 8.8 kW / 3600 rpm |
| Oil capacity | 1,2 L (SAE 30) |
| Gasoline | Unleaded E5 |
EC Declaration of conformity

Manufacturer
Texas Andreas Petersen A/S
Hereby certifies that the following
Ride-on mower
Rider 7600E
Is in compliance with the specifications of the machine directive and subsequent modifications
2014/30/EWU
Conforms with the following standards
EN ISO 5395-1:2013, EN ISO 5395-3:2013, EN ISO 14982: 2009, AfPS GS 2014:01 PAK Serial numbers: 2103230001 – 2412239999
EU5 emssion no. e13*2016/1628*2017/656SYB1/P*0013*00
Texas Andreas Petersen A/S
Knullen 22 • DK-5260 Odense S
15.09.2021

Johnny Lolk
Managing Director
Responsible for documentation
Johnny Lolk




















































