Craftsman 917.255450 Lawn Tractor

SAFETY RULES
Safe Operation Practices for Ride-On Mowers
IMPORTANT: THISCUTTINGMACHINEISCAPABLEOFAMPUTATINGHANDSANDFEETANDTHROWINGOBJECTS. FAILURE TO OBSERVE THE FOLLOWING SAFETY INSTRUCTIONS COULD RESULT IN SERIOUS INJURY OR DEATH.
GENERAL OPERATION
- Read, understand, and follow all instructions in the manual and on the machine before starting.
- Only allow responsible adults, who are familiar with the instructions, to operate the machine.
- Clear the area of objects such as rocks, toys, wire, etc., which could be picked up and thrown by the blade.
- Be sure the area is clear of other people before mowing. Stop machine if anyone enters the area. Never carry passengers.
- Do not mow in reverse unless absolutely necessary. Always look down and behind before and while backing.
- Be aware of the mower discharge direction and do not point it at anyone. Do not operate the mower without either the entire grass catcher or the guard in place. Slow down before turning.
- Never leave a running machine unattended. Always turn off blades, set parking brake, stop engine, and remove keys before dismounting.
- Turn off blades when not mowing. Stop engine before removing grass catcher or unclogging chute.
- Mow only in daylight or good artificial light.
- Do not operate the machine while under the influence of alcohol or drugs.
- Watch for traffic when operating near or crossing roadways.
- Use extra care when loading or unloading the machine into a trailer or truck.
SLOPE OPERATION
Slopes are a major factor related to loss-of-control and tipover accidents, which can result in severe injury or death. All slopes require extra caution. If you cannot back up the slope or if you feel uneasy on it, do not mow it.
DO
- Mow up and down slopes, not across.
- Remove obstacles such as rocks, tree limbs, etc.
- Watch for holes, ruts, or bumps. Uneven terrain could overturn the machine. Tall grass can hide obstacles.
- Use slow speed. Choose a low gear so that you will not have to stop or shift while on the slope.
- Follow the manufacturer’s recommendations for wheel weights or counterweights to improve stability.
- Use extra care with grass catchers or other attachments.
- These can change the stability of the machine.
- Keep all movement on the slopes s/owand gradual. Do not make sudden changes in speed or direction.
- Avoid starting or stopping on a slope. If tires lose traction, disengage the blades and proceed slowly straight down the slope.
DO NOT
- Do not tum on slopes unless necessary, and then, turn slowly and gradually downhill, if possible.
- Do not mow near drop-offs, ditches, or embankments. The mower could suddenly turn over if a wheel is over the edge of a cliff or ditch, or if an edge caves in.
- Do not mow on wet grass. Reduced traction could cause sliding.
- Do not try to stabilize the machine by putting your foot on the ground.
- Do not use grass catcher on steep slopes.
CHILDREN
Tragic accidents can occur if the operator is not alert to the presence of children. Children are often attracted to the machine and the mowing activity. Never assume that children will remain where you last saw them.
- Keep children out of the mowing area and under the watchful care of another responsible adult.
- Be alert and turn machine off if children enter the area.
- Before and when backing, look behind and down for small children.
- Never carry children. They may fall off and be seriously injured or interfere with safe machine operation.
- Never allow children to operate the machine.
- Use extra care when approaching blind corners, shrubs, trees, or other objects that may obscure vision.
SERVICE
- Use extra care in handling gasoline and other fuels. They are flammable and vapors are explosive. Use only an approved container.
- Never remove gas cap or add fuel with the engine running. Allow engine to cool before refueling. Do not smoke.
- Never refuel the machine indoors.
- Never store the machine or fuel container inside where there is an open flame, such as a water heater.
- Never run a machine inside a closed area.
- Keep nuts and bolts, especially blade attachment bolts, tight and keep equipment in good condition.
- Never tamper with safety devices. Check their proper operation regularly.
- Keep machine free of grass, leaves, or other debris build-up.
- Clean oil or fuel spillage. Allow machine to cool before storing.
- Stop and inspect the equipment if you strike an object.
- Repair, if necessary, before restarting.
- Never make adjustments or repairs with the engine running.
- Grass catcher components are subject to wear, damage, and deterioration, which could expose moving parts or allow objects to be thrown. Frequently check components and replace with manufacturer’s recommended parts, when necessary.
- Mower blades are sharp and can cut. Wrap the blade(s) or wear gloves, and use extra caution when servicing them.
- Check brake operation frequently. Adjust and service as required.
WARNING: Look for this symbol to polnt out Important safety precautions. It means
CAUTION
- BECOME ALERT!!! YOUR SAFETY IS INVOLVED.
- Always disconnect spark plug wire and place wire where It cannot contact spark plug In order to prevent accidental starting when setting up, transporting, adjusting or maklng repairs.
DIMENSION
- 14 HP 42″ TRACTOR-MODEL NUMBER 917.255450o
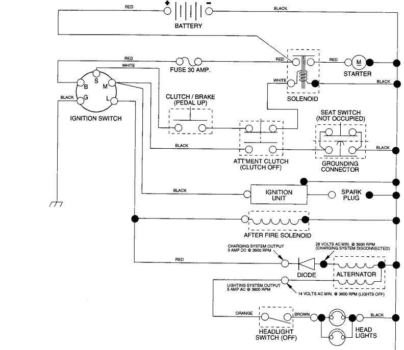
schematic

IGNITION SWITCH
| POSITION | CIRCUIT |
| OFF | M+G |
| ON | B+L |
| START | B+S+L |
WIRING INSULATED CLIPS
NOTE
- IF WIRING INSULATED CLIPS WERE REMOVED FOR SERVICING OF UNIT, THEY SHOULD BE REPLACED TO PROPERLY SECURE YOUR WIRING.
- YOUR TRACTOR IS EQUIPPED WITH A SPECIAL ALTERNATOR SYSTEM. THE LIGHTS ARE NOT CONNECTED TO THE BATTERY, BUT HAVE THEIR OWN ELECTRICAL SOURCE. BECAUSE OF THIS, THE BRIGHTNESS OF THE LIGHTS WILL CHANGE WITH ENGINE SPEED. AT IDLE THE LIGHTS WILL DIM. AS THE ENGINE IS SPEEDED UP, THE LIGHTS WILL BECOME THEIR BRIGHTEST.
NON-REMOVABLE CONNECTIONS
REMOVABLE CONNECTIONS
REPAIR PARTS
- 14 HP 42″ TRACTOR– MODEL NUMBER 917.255450
ELECTRICAL

KEY NO/PART NO/DESCRIPTION
- Battery: 121537X
- 102972X: Switch, IQnition
- 124211X: Nut, Ignition
- 138007: Harness, Ignition
- 4207J: Cable, Ground
- 7603J: Tray, Battery
- 109596X: Clamp, Hose
- 109081X: Solenoid
- STD551125: Washer, Lock
- 73350400: Nut, Hex, Jam 1/4-20 UNC
- 74780408: Bolt, Hex, Fin.
- 1/4-20 UNC x 1/2 Grade 5
- STD551225: Washer
- STD541425: Nut
- 131563: Cover, Terminal
- 109553X: Switch. Interlock
- STD601005: Screw
- 104445X: Switch, Interlock
- STD601005: Screw
- 121305X: Switch, Plunger
- 121264X: Cap, Battery
- 74760412: Bolt, Hex 1/4-20 UNC x 3/4
- STD551025: Washer
- STD551125: Washer
- STD541025: Nut
- 109310X: Key; ·Ignition
- 108824X: Fuse
- 100541K: Tube, Plastic
- 123620X: Cover, Key Switch
- 110712X: Switch., light
- 136850: Harness, Light Socket
- 130890: Bracket, Switch
- STD551237: Washer
- 123198X: Nut, Plastic, Wing 1/4-20
- 102476X: Guard, Terminal
- STD532575: Bolt
- 11150400: Washer Lock Int. Tooth 1/4
NOTE: All component dimensions given in U.S. inches 1 inch = 25.4 mm.
- 14 HP 42 TRACTOR – – MODEL NUMBER 917.255450
CHASSIS AND ENCLOSURES




NOTE: All component dimensions given in U.S. inches 1 inch= 25.4 mm
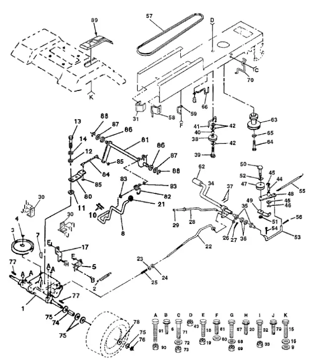
DRIVE





STEERING ASSEMBLY


| 1 | 121472X | Steering Wheel | 29 | 17490612 | Screw, Thd., Roll. |
| 2 | 133988 | Axle Assembly, Front | 3/8-16 x 3/4 Type TT | ||
| 3 | 135227 | Spindle Assembly, LH | 30 | STD551137 | Washer, Lock |
| 4 | 135228 | Spindle Assembly, RH | 31 | 73610600 | Nut, Hex, Fin. 3/8-24 UNF |
| 5 | 6266H | Bearing, Race, Thrust, Hardened | 32 | 130465 | Tie Rod |
| 6 | 121748X | Washer 25/32 x 1-5/8 x 16 Gauge | 33 | 126847X | Bushing, Link, Dra |
| 7 | 19272016 | Washer 27/32 x 1-1/4 x 16 Gauge | 34 | 19131416 | Washer 13/32 x 7 8 x 16 Gauge |
| 8 | 12000029 | Ring, Klip | 35 | STD561210 | Pin |
| 9 | 3366R | Bearing | 36 | 1554J | Bushing, Steering |
| 10 | 130468 | Link, Drag | 37 | STD611005 | Screw #10 – 16 x 1/2 |
| 11 | STD551137 | Washer, Lock | 38 | 126805X | Insert, Cap, Steering Wheel |
| 12 | 73610600 | Nut, Hex, Fin. 3/8-24 UNF | 39 | 100712K | Washer .53 x 2.25 x .160 |
| 13 | 110438X | Spacer, Bearing, Front Axle | 40 | STD541350 | Nut |
| 14 | 74011056 | Bolt, Hex 5/8-11 UNG x 3-1/2 | 41 | 100711L | Adapter, Steering Wheel |
| 15 | 73901000 | Locknut, Hex, Jam, with Washer | 42 | 110709X | Column, Steering |
| Insert 5/8-11 UNG | 43 | 121749X | Washer 25/32 x 1-1/4 x 16 Gauge | ||
| 16 | 132624 | Pin, Axle, Large 5/8 x 1.55/1.54 | 44 | 121748X | Washer 25/32 x 1-5/8 x 16 Gauge |
| 17 | 128755 | Shaft Assembly, Steering | 45 | 12000029 | Ring, Klip |
| 18 | 57079 | Washer, Thrust .515 x .750 x .033 | 46 | 121232X | Cap, Spindle |
| 19 | 124035X | Support, Shaft | 47 | 131672 | Bracket, Pivot, Manual Clutch Lever |
| 20 | 126684X | Washer, Shim 1/4 x 5/8 x .062 | 48 | 17490512 | Screw, Thd. Roll. 5/16 – 18 x 3/4 |
| 21 | STD551125 | Washer | 49 | 131291 | Link, Clutch, with Nibs |
| 22 | 71070410 | Screw, Hex Socket Head | 50 | STD561210 | Pin |
| 1/4-20 X 5/8 | 51 | 125916X | Lever Assembly, Mower Clutch | ||
| 23 | 127501 | Shaft Assembly, Pittman | 52 | 106451X | Bolt, Shoulder |
| 24 | 109816X | Nyliner, Snap-In | 3/8-16 UNG Grade 2 | ||
| 25 | 124036X | Bracket, Steering | 53 | STD541437 | Nut |
| 26 | 12000029 | Ring, Klip | 54 | 106933X | Knob.Round |
| 27 | 136874 | Gear, Sector | 55 | 6855M | Fitting, Grease |
| 28 | 6266H | Bearing, Race, Thrust, Hardened |
ENGINE



SEAT ASSEMBLY



DECALS



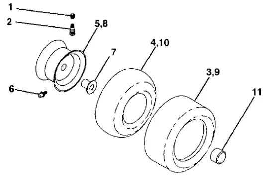
WHEELS & TIRES


42″ MOWER LIFT


42″ MOWER DECK





DANA TRANSAXLE – MODEL NUMBER 4360-55




- Use in combinations to maintain proper clearances
- Order Key No. 15
KOHLER ENGINE MODEL NUMBER CV14S, TYPE NUMBER 1451
AIR INTAKE

CRANKSHAFT

BLOWER HOUSING AND BAFFLES

ENGINE CONTROLS

EXHAUST

AIR INTAKE

NOT ILLUSTRATED
- 12 113 27 Decal, Air Cleaner
EXHAUST

CRANKSHAFT

BLOWER HOUSING AND BAFFLES

NOT ILLUSTRATED
- 12 113 28 Decal, Horsepower
ENGINE CONTROLS

FUEL SYSTEM

CYLINDER HEAD, VAVLE AND BREATHER



NOT ILLUSTRATED
- 12 12 757 01 Kit. Carburetor Ryanair
- 12 755 09 Kit, High Altitude Jet
- 12 518 05 Lead, Solenoid, Black, 5″, 14
- Gauge, Uninsulated Push-On Tabs
- 41 518 34 Lead, Ground, Green, 5″, 18 Gauge
- Insulated Grip Barrel Eyelets

IGNITION ELECTRICAL

CRANKCASE

OIL PAN / LUBRICATION

STARTING SYSTEM

IGNITION/ELECTRICAL

NOT ILLUSTRATED
- 12 518 01
- Lead, White, Ground To Kill (19″. 18 Gauge, Fully Insulated Push-on Tab and Uninsulated Push-on Tab Terminals)
- 51 755 01
- Kit, Diode
OIL PAN/LUBRICATION

CRANKCASE

STARTING SYSTEM

NOT ILLUSTRATED
- 52 357 01
- Lubricant, Starter
NOTE: All component dimensions given in U.S. inches 1 inch = 25.4 mm
Sears, Roebuck and Co., Hoffman Estates, IL 60179 U.S.A.


















