Instruction Manual
D103251X012
January 2022

RB Series
Regulating System
WARNING
Failure to follow these instructions or to properly install and maintain this equipment could result in an explosion, fire, and/or chemical contamination causing property damage and personal injury or death.
Jeon regulators must be installed, operated, and maintained in accordance with federal, state and local codes, rules and regulations and Emerson Process Management Regulator Technologies, Inc. instructions.
If the regulator vents gas or a leak develops in the system, service to the unit may be required. Failure to correct trouble could result in a hazardous condition.
Installation, operation and maintenance procedures performed by unqualified personnel may result in improper adjustment and unsafe operation. Either condition may result in equipment damage or personal injury. Call qualified personnel when installing, operating, and maintaining the RB Series regulating system.
Introduction
RB Series (wall-mountable) regulating box can be deployed for natural gas distribution systems in the residential or commercial market segment. It can be used for gas services including natural gas, manufactured gas, liquefied petroleum gas, etc.
The basic types include Types RB, RBT, RBQ, and RBQT.

Example: RX0.4/50A-RB. It means that this is an RB Pressure regulating box, Structure Type A, Rated flow is 50SCMH, 0.4MPa maximum inlet pressure.
Figure 1. RB Series Regulating System
Technical Data and Features
| Inlet Pressure Range (P1)(1) : | 0.02 to 0.4 MPa / 2.9 to 58.0 PSIG |
| Outlet Pressure Range (P2)(1): | 1.5 to 30 KPa / 0.22 to 4.35 psi (See Table 2 for available spring ranges) |
| Regulating Accuracy : | Up to AC 5 |
| Lockup Accuracy: | Up to SG 10 |
| Slam-shut Accuracy: | Up to AC 5 |
| Temperature Capability(1) : | -20 to 60°C / -4 to 140°F |
| Body Size and End Connection: | See Table 1 |
Features:
- Modular design
- Filter system
- Automatic overpressure microrelief
- Automatic overpressure shut off
- High-accuracy 2-stage regulator
- Designed for ease of operation and maintenance
- “Loose” inlet/outlet flange connections
Table 1. RB Series Body Size and End Connection
| MODEL | STRUCTURAL TYPE | NOMINAL FLOW, SCMH | INLET FLANGE, DN | OUTLET FLANGE, DN | BYPASS INLET, DN | BYPASS OUTLET, DN | NET WEIGHT OF REGULATOR BOX, kg | CENTER DISTANCE OF INLET AND OUTLET FLANGES, mm | FLANGE STANDARD |
| RB | 1+0 | 25/40 | 25 | 25 | N/A | N/A | 9 | 155 | Flange connection dimensions according to HG20592 PN16 |
| 1+0 | 50/80/100 | 25 | 40 | 10 | |||||
| 1+1 | 25/40 | 25 | 25 | 35 | |||||
| 1+1 | 50/80/100 | 25 | 40 | 43 | |||||
| 2+0 | 25/40 | 25 | 25 | 35 | |||||
| RBT | 2+0 | 50/80/100 | 25 | 40 | 43 | ||||
| 1+0 | 25/40 | 25 | 25 | 15 | 15 | 13 | |||
| RBQ | 1+0 | 50/80/100 | 25 | 40 | 15 | 25 | 16 | 280/300 | |
| 1+0 | 25 | 25 | 25 | N/A | N/A | 12 | |||
| 1+0 | 40 | 40 | 40 | 14 | |||||
| RBQT | 1+0 | 50/80/100 | 50 | 50 | 16 | 300 | |||
| 1+0 | 25 | 25 | 25 | 15 | 15 | 15 | |||
| 1+0 | 40 | 40 | 40 | 15 | 15 | 18 | |||
| 1+0 | 50/80/100 | 50 | 50 | 15 | 25 | 20 | |||
| Type RBT is added with bypass connection ports based on RB1+0, with a G threaded connection. Type RBQT is added with bypass connection ports based on RBQ1+0, with quick-action coupling acc. to GB/T 5860 or ISO 7241-1. Note: If you have demands for products with nominal flow higher than 100 SCMH or other special requirements, please contact Emerson Process Management Regulator Technologies Inc.’s authorized agent or sales company. | |||||||||
Structure and Principle of Operation
RB Series regulator box consists of inlet and outlet ball valves, filtration module, regulator module, and box body (see Figures 1 and 2). The regulator module includes shut-off, 1st stage regulation, 2nd stage regulation, and micro relief.
Regulator operational concept (See Figure 3): After the gas had gone through the first stage regulator and had stabilized the intermediate pressure, it will then go through the second stage regulator. The second stage regulator will reduce the pressure to the desired outlet pressure, P2.
When P2 meets the relief set pressure, the relief valve will open to release the sudden increase in pressure caused by environmental temperature fluctuations or other factors. This is to prevent “false shutoff” or accidental trip by the slam-shut valve when there is a sudden erratic increase in pressure and to maintain the pressure at the setpoint, P2.
When the slam-shut valve registered P2 is higher than the set pressure, the latching mechanism is released and the spring will assist to close speedily and sealing tightly the slam-shut orifice with the pad. This will cut off the flow in the valve and prevent damage to downstream equipment.
Upon correcting the cause of overpressure, pull and latch the reset bar to allow normal flow operation again.
Figure 3. RB Series Operational Schematic
Selection of Spring
Table 2. Regulator Spring Selection
| RANGE OF PRESSURE, a | WIRE DIAMETER OF SPRING, mm | SPRING CODE | COLOR |
| 1.5 to 3.3 | 2.5 | JJJJ86CXT01 | Galvanized |
| 3.0 to 6.0 | 2.5 | JJJJ86CXT02 | Yellow |
| 6.0 to 10.0 | 2.8 | JJJJ86CXT03 | Red |
| 9.0 to 15.0 | 3 | JJJJ86CXT13 | Black |
| 15.0 to 22.0 | 3.5 | ERAA15524A0 | Blue |
| 22.0 to 30.0 | 3.5 | ERAA15525A0 | White |
Table 3. Shut-off Selection
| RANGE OF PRESSURE, a | WIRE DIAMETER OF SPRING, mm | SPRING CODE | COLOR |
| 2.5 to 5.0 | 1.2 | JJJJ86CXT06 | Galvanized |
| 5.0 to 10.0 | 1.5 | JJJJ86CXT07 | Yellow |
| 9.0 to 15.0 | 2 | JJJJ86CXT08 | Red |
| 15.0 to 26.0 | 2.2 | ERAA15381A0 | Blue |
| 26.0 to 40.0 | 2.5 | ERAA15382A0 | White |
WARNING
To avoid personal injury, property damage or equipment damage caused by bursting of pressure-containing parts or explosion of accumulated gas, never adjust the control spring to produce an outlet pressure higher than the upper limit of the outlet pressure range for that particular spring. If the desired outlet pressure is not within the range of the control spring, install a spring of the proper range.
Flow Chart (SCMH)
Table 4. Flow Chart (SCMH)
| NOMINAL FLOW | INLET PRESSURE, MPa | |||||
| 0.02 | 0.05 | 0.1 | 0.2 | 0.3 | 0.4 | |
| 25 | 10 | 22 | 27 | 28 | 29 | 30 |
| 40 | 12 | 24 | 42 | 43 | 44 | 45 |
| 50 | 14 | 28 | 52 | 53 | 54 | 55 |
| 80 | 21 | 40 | 80 | 80 | 80 | 80 |
| 100 | 30 | 55 | 100 | 120 | 120 | 120 |
Notes:
- The values shown above are the flow capacity at 3 kPa outlet pressure setting. For the other outlet pressure setting, there is a very small difference of actual flow capacity.
- Flow capacity are based on 0.61 specific gravity, Natural Gas. If other media is used, multiply the shown data by: 1.17 for manufactured gas; 0.55 for butane; 0.63 for propane; 0.78 for air; 0.79 for nitrogen.
WARNING
Installation, operation and maintenance performed by non-qualified personnel may result in unsafe operation, equipment damage or personal injury. Call qualified personnel when installing, operating, and maintaining the unit.
Installation
The regulator installation and usage must only be carried out by qualified and trained personnel. Otherwise, please contact the company. The company will not be responsible for any consequences due to non-standard operations/compliance of usage.
- Install the regulator in ambient temperature, away from sources of fire and away from vibrations.
- Check if the pressure in the pipeline is within the pressure range stated on the regulator nameplate.
- Make sure that the flow direction of the pipeline matches the arrow stamped on the regulator body.
- Purge and clean the pipeline before installation.
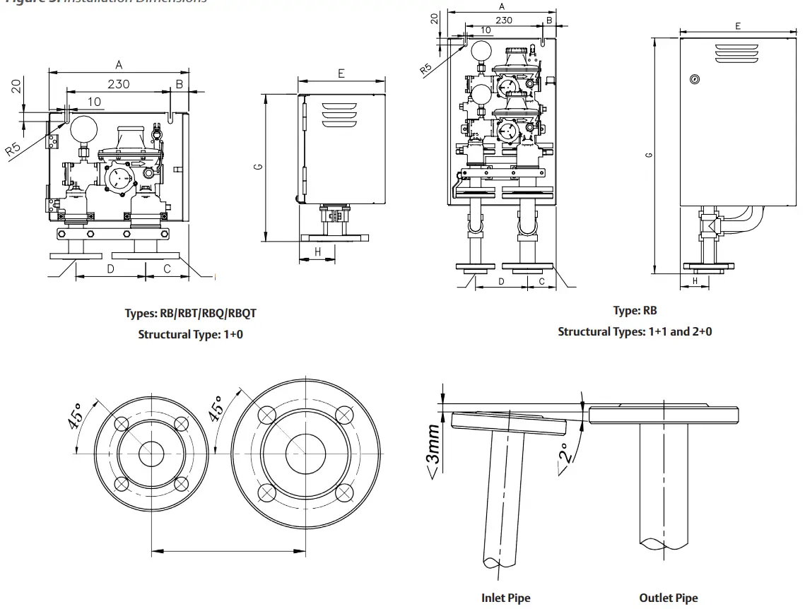
- Install the inlet and outlet pipeline end connections 155 mm / 6.10 in. apart (from center to center of pipes). Recommended pipeline end connections shall be ≥1.2 m / 3.94 ft. above ground level. The flange connection face leveling height tolerance is 3 mm / 0.12 in.; exceeding this will cause leakage or damage to the regulator. Do not use exceedingly strong force while connecting the flange ends. Sequentially, tighten the inlet flanges before tightening the outlet flanges. (Please see Figure for the installation dimensions.)
- Place a suitable cubage between the regulator and any quick alternating pressure equipment (e.g., burner or solenoid valve) to prevent any “false shutoff”.
Note: Remove the regulator when the pipeline is undergoing a pressure test or purging to avoid damaging the regulator.
Figure 4. Slam-Shut Valve Position

Figure 5. Installation Dimensions

Table 5. Installation Dimensions of RB Series of Regulator Box
| TYPE | STRUCTURAL TYPE | NOMINAL FLO | A | B | C | D | E | G | H |
| RB | 1+0 | all | 312 | 40 | 95 | 155 | 194 | 313 | 84 |
| RB | 1+1 | all | 323 | 40 | 85 | 155 | 345 | 690 | 84 |
| RB | 2+0 | all | 323 | 40 | 85 | 155 | 345 | 690 | 84 |
| RBT | 1+0 | all | 325 | 48 | 74 | 155 | 225 | 382 | 84 |
| RBQ | 1+0 | all | 455 | 113 | 87 | 300 | 194 | 313 | 84 |
| 1+0 | all | 435 | 113 | 87 | 280 | 194 | 313 | 84 | |
| RBQT | 1+0 | all | 472 | 120 | 87 | 300 | 270 | 382 | 84 |
| Figure 6. Outlet Pressure Setting Adjustment | Figure 7. Slam-Shut Setting Adjustment |
![]() | |
Usage
- Commissioning Procedure
- Ensure that the slam-shut valve is in the open position; use the handle to open slightly the outlet ball valve. See Figure 4.
- Slowly turn the handle counterclockwise to open the ball valve.
- Momentarily stop until the flow stabilizes.
- Fully open the ball valve when flow stabilizes.
- Setting the Outlet Pressure
- Slowly turn the adjustment screw cap to the desired pressure. (Turning clockwise will increase the outlet pressure while turning counterclockwise will decrease the outlet pressure.) See Figure 6.
- Ensure that the setpoint is within the spring pressure range or it may damage the regulator.
Note: While the regulator is in operation, do not open the test port valve as it will increase the downstream pressure.
- Setting the Slam-Shut Pressure
- Slowly turn the adjustment nut with the handle to adjust and set the desired slam-shut set pressure. (Turning clockwise will increase the set pressure while turning counterclockwise will decrease the set pressure.)
- Determine the set pressure from the test port valve.
- Ensure that both inlet and outlet ball valves are in close positions before taking the measurements, then vent the gas inside the regulator. For safety, as a rule of thumb, the slam-shut module set pressure should not be more than 1.5 times the regulator setpoint.
- Unscrew the regulator adjustment cap (see Figure 3) if the user would need to vent the pressure of the regulator.
- Use a size 14 wrench to turn the adjustment nut. (Turning clockwise will increase the setpoint while turning counterclockwise will decrease the setpoint.) Vent pressure is recommended to be 1.3 times of regulator operating pressure.
Note: Calibrate the slam-shut set pressure by turning the adjustment nut but make sure that it is done when the spring is at the most relaxed spring length, then slowly compress it to the desired set pressure.
- Reset the Slam-Shut Valve
- Check the root cause that activated the valve to shut off.
- Close the inlet ball valve such that it only allows a small flow into the regulator for a build-up inlet pressure.
- Close the outlet ball valve such that it only allows a small flow through the regulator (or completely close the regulator outlet valve and slightly open the test port valve to allow a small outlet flow).
- Pull the “Reset Bar” until a small flow through the regulator is achieved and maintain the flow at that.
- Wait until the pressure is balanced before and after the slam-shut valve. However, if there is resistance while pulling the “Reset Bar”, stop pulling. If the regulator does not work normally, close both the inlet and outlet ball valves and diagnose the root cause of the problem. If the regulator operates normally, pull the “Reset Bar” (there shall be no resistance while pulling) until it is latched on again.
- Slowly open the inlet and outlet ball valves, respectively. After troubleshooting, reset the slam-shut valve, then slightly open the outlet ball valve and then the inlet ball valve and observe if the regulator is back to normal operation. If the regulator resumes normal operation, fully open both the inlet and outlet ball valves.
Notes:
• Do not attempt to reset the slam-shut valve with fully open inlet and outlet ball valves. Doing so may cause personal injury and damage to the regulator.
• RB Series regulating box has OPSO shut-off protection. If need UPSO shut-off protection, please contact an authorized agent or sales company authorized by Emerson Process Management Regulator Technologies Inc.
Maintenance
- General maintenance
- Ensure that the inlet and outlet ball valves are in a close position before any maintenance of the regulator is carried out. Verify also that the slam-shut valve is in the open position.
- Open the test port valve to relieve the pressure in the regulator. Make sure not to damage the diaphragm orifices and other components of the regulator while disassembling and assembling.
- While assembling the moveable parts, ensure that the parts remain functional.
- After re-installation of the valve, restore the regulator to the required setpoint prior to maintenance.
- Ensure all end connections are tightly sealed and without leakage. Our company provides training for maintenance personnel. For further inquiries, please contact our company’s service department or authorized representatives.
- Routine maintenance
Routine Maintenance checks should be done by the user’s managing department for regulators. The duration in between the checks should be determined by the user depending on the weather and usage parameters to ensure safe operations:- Use gas detection equipment (or do a “bubble check”) to detect any leakage.
- Check the readings on the pressure gauge for the corresponding outlet pressure.
- Clean the externals of the regulator.
- Regular maintenance
Maintenance content: selective checks depending on the actual situation.- Regular operational pressure check:
a. Connect a pressure gauge at the test port of the regulator.
b. Open the test port valve and then slowly close the regulator outlet ball valve.
c. Wait for 3 minutes and record the reading on the gauge.
d. Check if the pressure reading is within the operational range. If the reading falls within the operational range, there is no need to proceed to the next steps of the maintenance instructions.
- Regular operational pressure check:

Figure 10. First Stage Regulator Parts
2. Slam-shut valve set pressure check:
a. Close the inlet and outlet ball valves and vent the regulator pressure.
b. Allow pressure to flow into the test port (while it is open).
c. Observe if the pressure when the slam-shut tripped is the desired set pressure.
3. Replace consumable parts: Valve and orifice pads, diaphragms, O-rings and other elastomer parts.
4. Clean the filter element.
Assembly and Disassembly Points to Note
A. Removing the Box cover (See Figure 8):
- Unlock and swing open the cover by 90°.
- Lift up the cover to remove it.
B. Removing the filter element (See Figure 3):
- Vent pressure out of the regulator.
- Use a size 4 hex-key to remove the screws and the filter cap. (Note: Be careful of the spring inside springing out when the cap is detached.)
- Pull the ring attached on the filter and pull out the filter element.
C. Removing Slam-Shut parts (See Figure 9):
- Use the tools provided to turn the adjustment nut until it is leveled with the bonnet.
- Use a size 4 hex-key to remove the screws and the slam-shut module.
- Unscrew the reset bar nut.
- As shown in Figure 9, lift open the slam-shut bonnet (take note of the 5 ball bearings that will fall out) and remove the reset bar.
- Use a spring collar tool (JB/T3411.47) to remove the Φ7 spring collar on the orifice pad and thus removing the orifice pad.
(During the process of removing the parts, ensure that the reset bar is not bent due to excessive applied force.) - Use a size 9 wrench to loosen the clamping nut to remove the diaphragm.
D. Removing the First Stage Regulator Orifice Pad:
- Do Step “C” to remove the slam-shut module.
- Use a size “A” spring collar tool (place it into the holes and turn it counterclockwise) to remove the first stage regulator orifice pad.
E. Removing the First Stage Regulator diaphragm (See Figure 10):
- Unscrew the bolts and screws with a size 13 wrench (GB/T4388) that connects the ends of the inlet and outlet ball valves.
- Remove the regulator.
- Do Step “D” to remove the first stage regulator orifice pad.
- Remove the diaphragm assembly.
- Use a size 17 wrench to loosen the balancing shaft and connection shaft and then remove the diaphragm.
- While reassembling, apply downward pressure onto the cover and screw in all the screws slightly before tightening them.
Ensure that the entire diaphragm is NOT displaced out of the cover before completely tightening all the screws.
F. Removing the Second Stage Regulator diaphragm (See Figure 11):
- Unscrew the adjustment screw ap.
- Use a size 4 wrench to unscrew the surrounding nuts and bolts.
- Open the bonnet and remove the diaphragm. Altogether, hold onto the diaphragm and the components of the second stage regulator while removing them from the body of the regulator.
- Use a size 14 wrench to unscrew the second-stage diaphragm nut and remove the diaphragm.
G. Removing the Second Stage Regulator Orifice Pad (See Figures 12 and 13):
- After completing step “F”, use a Phillips screw driver to unscrew 2x M3 screws that are holding the Lever in its position.
- Remove the lever.
- Use the special tool to unscrew the regulator cap.
- Remove the second stage orifice pad assembly.
- Use a Phillips or flat screw driver to unscrew the M5 screws holding the second stage orifice pad assembly; remove the orifice pad.
- During the reassembly of the second stage regulator, first, assemble the orifice pad assembly, then put the lever in its place and screw back the M3 screws to hold it in position.
- Hold onto the orifice pad to let the lever return to the lifted position while placing the diaphragm back to its original position in the body.
- Follow the diagram below (Figure 13) and adjust until the rectangular slot faces are in the direction shown and slot the lever back onto the diaphragm attachment.
- Place back the bonnet and tighten it with nuts and bolts.
- Clean all the parts before placing them back into the regulator body.
- Apply the appropriate grease onto all the seal tight elements (O-rings, diaphragm, etc.) and contact surfaces before placing them back into the regulator body.
Figure 11. Second Stage Regulator Parts
Figure 12. Second Stage Regulator Orifice Pad Removal
Figure 13. Rectangular Spot Positioning
Table 6. Troubleshooting Guide
| ISSUE | CAUSE | REMEDY |
| Low operating outlet pressure | • Inlet pressure is low. • Downstream flow capacity demand exceeds the regulator capacity. • The filter is blocked. | • Increase the inlet pressure. • Correct the size of the regulator. • Clean the filter. |
| The regulator is in a close position but pressure increases | • First stage regulator diaphragm is damaged. • Orifice pad is worn out. • Orifice is jammed due to impurities or orifice is damaged | • Replace the diaphragm. • Replace the orifice pad. • Clean or replace the orifice. |
| Regulator fully opens | • Regulator main spring is undersized. | • Replace the main spring. |
| Slam-shut valve doesn’t work | • Slam-shut diaphragm is damaged. • Sensing port is blocked. • Slam-shut spring is oversized. | • Replace diaphragm. • Clean sensing port. • Replace the slam-shut spring with the right spring size. |
| Slam-shut instability | • Spring setting is wrong. • Latching mechanism has high resistance due to friction. | • Calibrate the setpoint. • Clean the latching mechanism. |
| Cannot reset the slam-shut valve | • Differential pressure is exceedingly high. | • Close inlet and outlet valves, then open the test port valve. |
Table 7. Spare Parts Package of RB Series of Regulator Box
| TYPE | STRUCTURAL TYPE | NOMINAL FLOW | ORDERING NUMBER OF SPARE PARTS PACKAGE | QTY PER EACH |
| RB | 1+0 | All | JJJJ86BX050 | 1 |
| RB | 1+1 | All | JJJJ86BX050 | 2 |
| RB | 2+0 | All | JJJJ86BX050 | 2 |
| RBT | 1+0 | All | JJJJ86BX050 | 1 |
| RBQ | 1+0 | All | JJJJ86BX061 | 1 |
| RBQT | 1+0 | All | JJJJ86BX061 | 1 |
Ordering Guide
| Emerson Process Management Asia Pacific Pte Ltd 1 Pandan Crescent Singapore 128461 T: +65 6777 8211 F: +65 6770 8028 | Emerson Process Management Chennai Ltd Plot No. 5, 6, 7, and 8 Self Help Industrial Estate Keelkattalai, Chennai, India – 600117 T +91 44 4903 4405 F +91 44 4903 4400 |
| FISHER JEON Gas Equipment (Chengdu) Co., Ltd No. 9, Wukedong 2nd Road, Wuhou Science Technic Park, Chengdu, 610045, P.R. China T: (028) 85360000 F: (028) 85371201 Service T: (028) 85366930 or (028) 85360000 Ext. 1613 | |
Neither Emerson, Emerson Automation Solutions, nor any of their affiliated entities assume responsibility for the selection, use, or maintenance of any product. Responsibility for proper selection, use, and maintenance of any product remains solely with the purchaser and end user.
Jeon is a mark owned by one of the businesses of Emerson Automation Solutions. All other marks are the property of their respective owners.
The contents of this publication are presented for informational purposes only, and while every effort has been made to ensure their accuracy, they are not to be construed as warranties or guarantees, express or implied, regarding the products or services described herein or their use or applicability.
All sales are governed by our terms and conditions, which are available upon request. We reserve the right to modify or improve the designs or specifications of such products at any time without notice.
Emerson, Emerson Automation Solutions
Jeon Emerson Automation Solutions



















