BOWL CUTTER
OPERATION MANUAL
VCUA18/VCUA18G
BOWL CUTTER
VCUA18 & VCUA18G
VCUA18G Bowl Cutter
Please take a few minutes before starting operation of the appliance and read the following operating instructions.
WARNING! This appliance has been primarily designed to be used by professional users in a professional environment and is, by nature, not intended for use by persons (including children) with reduced physical, sensory or mental capabilities, or lack of experience and knowledge.
If you intend to use this product in a domestic environment, please make sure that those persons and particularly children are kept away from theproduct while in use and secure that this product is not accessible to them without adequate supervision.
Description
This appliance is designed for cutting fresh vegetables in restaurants, canteens and similar catering establishments. Never use the appliance to cut frozen vegetables or to cut anything other than vegetables.
The appliance is intended for commercial and indoor use by trained and skilled personnel familiar with these instructions.
Do not use the appliance for other purposes. Any other use might lead to damage of the appliance, property or personal injury.
The manufacturer will accept no liability for damage or injuries resulting from improper use or non- compliance with this manual.
NOTE: The content of this instruction manual applies for all listed models. Design and appearance of your model may vary from shown illustrations.
Safety warnings
IMPORTANT SAFETY INSTRUCTIONS! READ CAREFULLY AND KEEP FOR FUTURE REFERENCE! PAY PARTICULAR ATTENTION TO ALL FIGURES ON THE ILLUSTRATION PAGE!
tn
Read this instruction manual carefully before using the appliance.
Familiarise yourself with the operation, adjustments and functions of switches.
Internalise and follow the safety and operation instructions in order to avoid possible risks andhazards.
Remove all packaging materials.
WARNING – DANGER OF SUFFOCATION!
Packaging materials are not toys. Children should not play with the packaging materials, as they pose a risk of swallowing andsuffocation!
@ WARNING!
Switch the appliance off and disconnect it from the power supply before replacing attachments, cleaning work and when not in use.
@ WARNING – RISK OF ELECTRIC SHOCK!
Protect the appliance and its electrical parts against moisture. Do not immerse the appliance and its electrical parts in water or other liquids to avoid electrical shock.
Never hold the appliance under running water. Pay attention to the instructions for cleaning and care.
9 Do not operate the appliance with wet hands or while standing on a wet floor. Do not touch the power plug with wet hands.
WARNING – DANGER OF
A “uav.
Take care to avoid injury from sharp elements.
WARNING – DANGER OF INJURY!
Avoid contacting · moving parts. Wait until y.7 TOP all components have completely stopped before touching them.
This appliance is classified as protection class I and must be connected to a protective ground.
Only use in dry indoor rooms.
This appliance is classified X as protection class I and must be connected to a protective ground. { Only use in dry indoor rooms.
![]()
- This appliance shall not be used by children or persons with reduced physical, sensory or mental capabilities or lack of experience and knowledge.
- Children shall not play with the appliance.
- Cleaning and user maintenance shall not be made by children.
- Regularly check the power plug and power cord for damage. If the supply cord is damaged, it must be replaced by the manufacturer, its service agent or similarly
qualified persons in order to avoid a hazard. - Do not continuously operate the appliance for too long to avoid overheating the motor.
The continuous operating time must not exceed 45 minutes (30 minutes without load) . Afterwards, let the appliance rest for at least 15 minutes before reusing it. - WARNING! Misuse may lead to injury! Do not disassemble or modify the appliance in any way; only use it for its intended purpose and in accordance with this manual.
- Regarding the instructions for user maintenance, for example cleaning and disinfection of surfaces coming into contact with food during normal use, please refer to chapter “After use”.
- The appliance is not to be cleaned with a water jet.
- WARNING – Danger of injury! Be careful when handling cutting blades, especially when installing/ removing the blades to/ from the bowl, emptying the bowl and during cleaning. Never use your bare hands to remove, install or clean the blades. Always use protective gloves or cover the cutting blades with a piece of cloth or the like to prevent coming into contact with them. If touching the blades directly is not avoidable, always touch them from the bottom and only touch their plastic parts.
- For safe operation, the appliance has to be placed on a wide, even, stable and dry surface able to support the weight of the appliance.
- To ensure the appliance’s stability, do not remove its rubber feet.
- Regarding the instructions for handling an accident, breakdown or blockage, please refer to chapter “Troubleshooting”.
- Never use accessories which are not recommended by the manufacturer. They could pose a safety risk to the user and might damage the appliance. Only use original parts and accessories. y
- WARNING! Disconnect the appliance from its power source before cleaning or maintenance and when replacing parts. The removal of the plug has to be such that an operator can check from any of the points to which he has access that the plug remains removed.
If this is not possible, due to the construction of the appliance or its installation, a disconnection with a locking system in the isolated position shall be provided. - Connect the mains plug to an easily accessible socket, in order to quickly disconnect the appliance from the mainssupply in an emergency.
- To guarantee the safe operation of the appliance, it shall undergo regular inspection and maintenance, including preventive maintenance measures, in accordance with this manual.
- The appliance must be installed, operated, cleaned and maintained only by trained and skilled personnel familiar with these instructions.
- Regularly have the electrical parts of the appliance checked by a qualified professional.
Danger of electric / shock! po not /’\ attempt to repair the appliance yourself. In case of malfunction, repairs are to be conducted by qualifiedpersonnel only.- The appliance must not be used with extension cords or multi-socket units.
- Always turn the appliance off before disconnecting the power plug.
- Do not leave the appliance unattended during operation.
- Danger of injury! Keep your hands away from the filling opening when the appliance is operating. Never put your hands into the filling opening when the blades are installed, no matter if the appliance is operating or not.
- WARNING! Never operate the appliance when it is not assembled properly, e.g., with missing bowl cover or blades. Make sure to install the blades in the correct position.
- The A-weighted emission sound pressure level at workstations is below 70dB(A).
- Never fill liquids into the bowl beyond the “Max Liquid Fill” marking. The overall amount of filled-in food must not exceed 2/3 of the bowl.
- Make sure the food at least reaches the level of the blades. A too small amount of food leads to vibration.
- Cut the food into suitably small pieces before putting it into the appliance.
- While performing cleaning and maintenance work, be aware that there is a hazard of residual voltage, especially on the capacitor.
- Be aware of the following residual risks:
– Electrical shock or electrocution due to electrical equipment parts which become live under fault conditions.
– Risk of fire if the appliance overloads and the components become too hot.
– Injuries if the appliance or its cover are dropped duringtransportation, e.g., bruises, fractures, etc., due to thehigh weight of the appliance.
– Pinching of fingers/hands between the body of the appliance and the cover.
Electrical safety
- Ensure the rated voltage shown on the rating label corresponds with the voltage of the power supply.
- Do not operate any appliance with a damaged power cord or plug, when the appliance malfunctions or has been damaged in any manner.
- Protect the power cord against damages. Do not let it hang over sharp edges, do not squeeze or bend it. Do not place the appliance on the power cord. Keep the power cord away from hot surfaces and open flames and ensure that nobody can pull on or trip over it unintentionally.
- Do not open the housing under any circumstances. Do not insert fingers or foreign objects in any opening of the appliance and do not obstruct the air vents.
- Protect the appliance against heat. Do not place close to open flames or heat sources such as stoves or heating appliances.
Operation
Operating elements![]()
| ON button Press to turn the appliance on. The green operating light above the ON button lights up. | |
| OFF button Press to turn the appliance off. The green operating light above the ON button goes out. Note: The red indicator light above the OFF button lights up consistently as long as the appliance is connected to the power supply. | |
| Pulse button The appliance is turned on as long as the button is pressed. Let go of the button to turn the appliance off. |
NOTES:
- The appliance is equipped with one safety micro switch. This switch cuts off the power supply if, before or during operation, either the cover is opened or the bowl is not in correct position.
- Before operation, make sure that the shaft is rotating in anticlockwise direction. Otherwise, the appliance will not cut food.
After use
Cleaning and care
- Clean the appliance and its accessories after each use to keep the appliance in good working condition, ensure hygiene and to prevent a blockage.
- Before cleaning, unplug the appliance and let it cool down completely.
- Be aware of the sharp cutting blades during cleaning! Wear protective gloves when handling them.
- Do not clean the appliance with steel wool, strong chemicals, alkali or abrasive agents as they may damage its surface.
- Do not immerse the appliance in water or other liquids to clean it. Make sure that the electrical parts do not become wet or damp.
- The appliance is not to be cleaned with a water jet.
- Clean the appliance’s body, the inside of the appliance and the cover assembly with a soft damp cloth and mild detergent. Wipe with a dry soft cloth.
- Clean the cutting blades in warm soapy water using a soft sponge or brush. Wipe with a dry soft cloth.
- The appliance may only be reassembled and used again after it is dried completely. Storage
- Before storage, clean the appliance and its accessories thoroughly. Let all parts dry completely.
- If the appliance is idle for a long time, make sure to lubricate all metal parts.
- Keep the cutting blades installed in the appliance during storage to prevent injuries. Alternatively, store the blades in their original packaging or in similar plastic bags.
- Store the appliance in a dry place at room temperature, protected from moisture and out of the reach of children.
- Cover the appliance or store it in its original packaging to protect it against dust.
Troubleshooting
Warning!
In the event of an accident or breakdown, immediately disconnect the appliance from the power supply.
Only perform the steps described in this instruction manual! All further inspection, maintenance and repair work must be performed by an authorized service center or a similarly qualified specialist.
Clearing a blockage
If the appliance is blocked during operation, proceed as follows:
- Switch the appliance off immediately by pressing the OFF button and disconnect the appliance from the electrical supply.
- If the appliance’s body is hot, let the appliance cool down completely before proceeding with step 3.
- Disassemble the appliance and manually remove the food parts that caused the blockage.
Warning – Danger of injury! Do not try to remove the blockage with your bare hands! Always use protective gloves and a cleaning brush or similar tool.
Overcurrent protection switch (circuit breaker)
The switch is designed to protect the electrical circuit from damage caused by excess current as a result of an overload or short circuit. The switch interrupts current flow after a fault is detected.
NOTE: To reset the switch, press the switch one more time after the issue is solved.
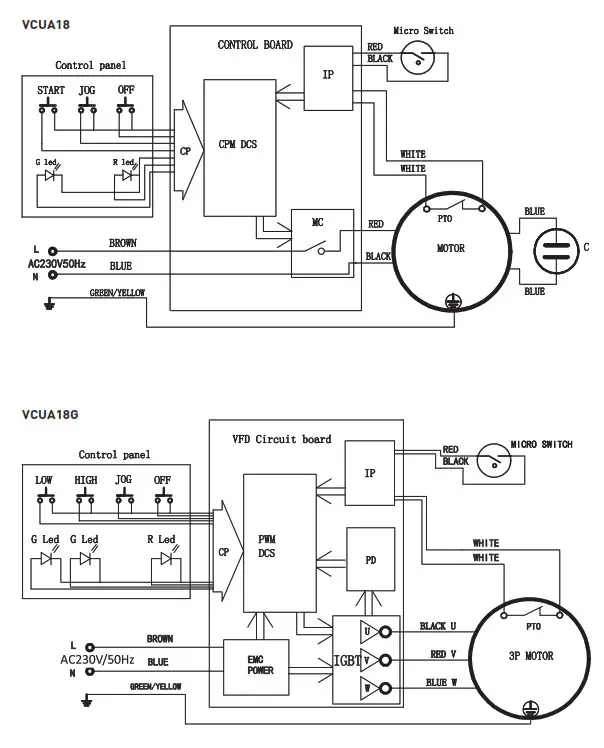
For the circuit diagram, please see illustration at the end of this manual.
| a. Control panel b. Start c. Jog d. Off e. Green LED f. Red LED g. Brown h. Blue i. Green/Yellow j. Control board | k. Micro switch I. Red m. Black n. White 0. Motor |
Disposal
Environmental Protection Discarded electric appliances are recyclable and should not be discarded in the domestic waste I Please actively support us in conserving resources and protecting the environment by returning this appliance to the collection centres.
Warranty
A statutory warranty applies for this product.
Damages caused by wrong treatment or operation, by false placement or storage, improper connection or installation, as well as force or other external influences are not covered by this warranty. We recommend careful reading of the operating instructions as it contains important information.
Note:
- In case this product does not function correctly, please firstly check if there are other reasons, e.g. for electrical appliances interruption of the power supply, or generally incorrect handling are the cause.
- Please note that, where possible, the following documents or rather information should be provided together with your faulty product:
– Purchase receipt
– Model description/Type/Brand
– Describe the fault and problem as detailed as possible
In the case of a claim for guarantee or defects, please contact the seller.
| Item no. | VCUA18 | VCUA18G |
| Operating voltage & frequency | 220-240W 50/60Hz | 220-240W 50/60Hz |
| Rated power consumption | 1500W | 2200W |
| Dimensions | 315(ifix396(C)x761(Almm | 315(ifix396(C)x761(Almm |
| Bowl capacity | 18L | 18L |
| Noise level | < 85 dB (A) | < 85 dB (A) |
| Protection class | Classe I | Classe I |
| Waterproof class | IP23 | IP23 |
| Speed | 1500rpm | LO :150Orpm / HI.:2200rpm |
| Net weight | 29.3kg | 29.4kg |


| No. | Part Name |
| 1 | Rubber lid |
| 2 | Scraper arm |
| 3 | Scraper |
| 4 | Bowl lid |
| 5 | Fastener |
| 6 | S/S Bowl |
| 7 | Smooth blade |
| 8 | Fixture gadget |
| 9 | Support gadget |
| 10-1 | Upper blade shield |
| 10-2 | Lower blade shield |
| 11 | Central fixture seat |
| 12 | Bo om base |
| 13 | Circuit breaker |
| 14 | Power cord |
| 15 | Microswitch |
| 16 | Running capacitor |
| 17 | Star ng capacitor |
| 18 | Fixed plate |
| 19 | Control panel |
| 20 | Centrifugal switch |
| 21 | Motor bracket |
| 22 | PCB panel |
| 23 | Motor |
| 24 | Bottom plate |
| 25 | Feet |

| No. | Part Name |
| 1 | Rubber lid |
| 2 | Scraper arm |
| 3 | Scraper |
| 4 | Bowl lid |
| 5 | Fastener |
| 6 | S/S Bowl |
| 7 | Double Layer Smooth Blade |
| 8 | Fixture gadget |
| 9 | Support gadget |
| 10-1 | Upper blade shield |
| 10-2 | Lower blade shield |
| 11 | Central fixture seat |
| 12 | Bo om base |
| 13 | Circuit breaker |
| 14 | Power cord |
| 15 | Microswitch |
| 16 | Star ng capacitor |
| 17 | Fixed plate |
| 18 | Control panel |
| 19 | Motor bracket |
| 20 | filter board |
| 21 | PCB panel |
| 22 | Motor |
| 23 | Bo om plate |
| 24 | Feet |

















