OPERATION INSTRUCTION FOR AUTOMATIC FOOD
SLICER
MODEL:AAMH300
FOREWORD
Thank you for choosing the semi-automatic food slicer produced by our company.
Based on the advantages of similar products at home and abroad, the food slicing machine made by our company is more convenient to operate and safer to use.
This slicing machine is a special machine for food slicing. It can cut ham sausage and frozen meat without bones (especially fat cattle and mutton), the root-shaped massive vegetable (such as ginger, potato, carrot, sweet potato, etc.) .It is suitable for use in restaurants, restaurants, supermarkets and food processing plants.
The relative humidity of the working environment of the machine is not more than 85%.
MATTERS NEED ATTENTION
- The power supply used must meet the power requirements indicated on the signage. Improper use will cause fire or serious failure of the machine.
- The use of this machine must be reliably grounded, otherwise, it will lead to the risk of electric shock.
- In case of emergency, all switches must be turned off immediately and the power plug unplugged.
- When the machine is running, the part of the hand or body must not enter the work area, otherwise, it will cause personal injury.
- Failure of the machine should be sent back to the production plant or designated dealer repair department for repair.
- Any change to the machine will cause a person, or equipment accident. We shall not be liable for the consequences resulting therefrom.
- If the power cord is damaged, it must be replaced immediately.
- The power cord of this machine must be supplied with a dedicated flexible cable or a special component purchased from a production plant or maintenance department.
- The machine shall not be flushed with water. This machine is not a waterproof structure. Washing with water will cause electroshock and damage to mechanical and electrical devices.
- Turn off all switches and unplug the power supply when it is not in use.
- The operator should first stop the machine from running when cleaning the machine and replacing the blade.
- If an abnormal operation of the machine is found, it should be stopped immediately.
- When operating the machine, loose clothes can not be wore and the long hair should be covered with a hat.
- Always check knife pads, butcher tables, blades and other components for loosening and damage.
- Can not cut frozen meat below zero 6 ℃.
- When the machine is transferred, please transfer this manual at the same time.
- Please refer to us if you can find the information you need in this instruction manual.
- The appliance cannot be used by persons with disabilities or children or persons lacking experience and common sense unless supervised or directed by persons responsible for their safety.
SAFE MARK
The machine must be reliably grounded before running to avoid accidental personal accidents due to leakage of electricity.
When the machine is in normal operation, it is strictly forbidden to extend the working area of the finger and avoid cutting off the finger.
When the machine is working or the blade being changed, the fingers should not touch the blade edge to avoid pricking the finger.
MAIN TECHNICAL PARAMETERS
rated voltage 220-240V /50Hz□,a variety of voltages and frequencies are for option
| MODEL | POWER(W) | Productiveness (PCS/min) | BLADE DIA (mm) | SLICE THICKNESS (mm) | SLICE WIDTH (mm) |
| AAMH300 | 550W | 40 | Φ300 | 0-15 | 220 |
DIRECTION FOR USE
3.1 SITE PLACE
The slicer should be placed on a solid and flat platform or desktop. Set aside plenty of space for the slicer to operate, maintain and ventilate.
Slicing machine power requirements: please ensure that the power supply and nameplate parameters are consistent.
3.2 UNPACKING Please count all items according to the packing list attached to the box before installing the slicer. If missing, please contact the supplier.
3.3 SLICER PARTS AND THE POSITION
NOTE:to ensure successful use of this slicer, please read this section carefully and be familiar with the parts and locations of the slicer.
| 1. Sharpener 2. Protection plate 3. Pushing rod lock knob 4 pushing rod 5. The slider bracket | 6. The thickness adjust Knob 7. Start Button 8. Meat carrier 9. Locking Plate 10. Pressing rack 11. Blade |
3.4 LUBRICATING
3.4.1 Flip the fuselage, fill the circular guide rail and square guide surface with lubricating oil, once every 7 working days.
3.4.2 Add lube oil to the block slide rod.
Note: use sewing oil for lubricating oil.
Turn off the machine and unplug the power supply when refueling.
3.5 POWER CORD CONNECTION
3.5.1 The power switch of the slicer is on the front left of the machine.When pressing down the “I” button, the slicing machine start to work. When the “OFF” button is pressed, the machine will be turned off.
3.5.2 In the power supply line, the power supply of the equipment needs to be connected to the power grid by an external leakage protection switch with sufficient current capacity, and the leakage operation value is 30 mA, and the operation time is less than 0.1S. (This product is not fit for this device).
3.5.3
Equipotentiality:The equipotential connection in electrical appliances is to connect the exposed metals and conductive parts of electrical devices and other devices with conductors used in artificial or natural grounding bodies to reduce the potential difference (reduce and prevent the danger of electric shock).
Note: the equipment must be reliably attached to the ground wire. The manufacturer will not be responsible for any problems arising from non-compliance with safety rules.
3.6 Idle running
3.6.1 Before idle running, check if there is any damage or loosen part on the protection plate, meat carrier, and blade and add oil to the lubricating guide rail and the pressure block slide rod.
3.6.2 Press the blade and start/stop button by inch,check if the blade and meat carrier is running,if there is any abnormal condition
3.6.3 If there is no abnormal condition, the operation shall be carried out after 3 minutes of continuous idle running.
3.7 Sharpening
3.7.1 The round blade of the slicer is made of high-quality wear-resistant tool steel, and the cutting edge has been sharpened before delivery.
3.7.2 The round blade may turn dull after use and you can choose the grinding stone carried with the equipment to regrind, repeatedly and timely. Before sharpening the blade, you should clean the oil spill to avoid it stains on the wheel, If the wheel is stained by the oil, you can use brush and alkaline water to clean the grinding stone.
3.7.3 when the sharpener is working,the grinding stone should get close to the blade. When it does not work,the grinding stone should be kept away from the blade.
Method to change position: loosen the knob on the support, hold the grinding wheel cover to the proper height, turn 180 °, press it, lock the knob.
Note: the height of both positions of the sharpener is limited by two studs, and the stud elongation can be adjusted according to the diameter of the blade.
3.7.4 The sharpener is equipped with two grinding wheels, one is for sharpening, the other one is for the repair of the edge. Press the starting button to rotate the blade and press the end of the grinding shaft by hand, making the grinding stone touch the blade, and rotating blades driven wheel, then the blade can be sharpened. when sharpen the blade,you should press the end of the grinding shaft by hand in the aim of repairing the edge burr, please do not grind excessively.
Note:
Slightly press the grinding shaft, better to produce little spark.
The position of the sharpener should be adjusted if the grinding stone grinds only the tip of the blade edge rather than the whole blade edge
3.7.5 Grinding effect
Release the wheel shaft knob to remove the grinding wheel from the blade, press the stop button, stop the blade and observe the grinding effect. If sharp burrs appear at the edge, It proves that the edge is sharp enough, sharpening is finished, otherwise, repeat the above grinding process until you feel satisfied.
Note: Do not use finger test whether the blade is sharp or not in case figures get hurt.
3.7.6 Clean the steel and grinding stone ash on the machine. Remove the blade protection plate when cleaning the blade.
Note: Do not rinse with water. Do not use cleaners that are harmful to human health.
3.7.7 After repeated re-grinding, the diameter of the blade will become smaller when the distance between the locking board and the edge of the blade is more than 5mm,
please loosen the screw on the back of the locking board, move the locking board towards the blade and keep their distance at 2mm, then tight the screw.
Note: replace the blade when its diameter is reduced by 12mm.
3.8 ADJUSTMENT OF THICKNESS OF FOOD SLICES
3.8.1The slicing thickness is the distance between the blade and the locking board.
3.8.2 Counterclockwise the handlebar, the slice becomes thick, clockwise the handlebar, slice thin.
3.8.3 When adjusting the thickness of the slice to thick, please remember to eliminate the transmission gap. The solution is first to enlarge the slicing thickness and then decrease to the desired thickness. When adjusting the thickness of the slice to thin, don’t need to eliminate the transmission gap, directly adjust to the desired thickness. 
3.9 Melting meat
3.9.1 If the frozen meat is too hard, it is easy to appear fragments when cut thin slices; when cut thick slice the resistance may too large and likely to cause motor stall, or even burn the motor, so the meat must be melt (put frozen meat in the incubator, the process that the temperature of the meat both inside and outside rise slowly called melting the meat. )
3.9.2 Meat thickness less than 1.5mm, suitable meat temperature both inside and outside is -4℃ (put the frozen meat in the refrigerator that has been cut off power for eight hours ). . Press the meat with a fingernail ,the surface of the meat may appear impression
3.9.3 Slice thickness more than 1.5mm, the meat temperature should be higher than -4 ° C . And as the thickness increases, the temperature of meat should also be increased correspondingly.
3.10 Cut into slices
ATTENTION: This machine mustn’t be used to cut fresh meat with bone or frozen meat below 6℃,nor it can hard or dripping things.
When placing good on or take from the meat carrier, must stop the movement of the blade and slider bracket.
3.10.1 Lift the presser rack to the upper end of the meat carrier and then take it out,hang it on the pin on top end of the meat carrier
3.10.2 Release the lever lock handle and pull the lever out.
3.10.3 Place the suitable frozen meat in the meat carrier, gently push the meat with the presser, and tighten the lock handle of the presser
Note: don’t hold it too tight. Otherwise, you will not be able to slice smoothly.
3.10.4 Press the presser rack on the top of the frozen meat, press the “ON” button to run the blade,then start the forward/reverse, try cutting a few pieces, press the “O” button to see if the thickness of the meat slice is appropriate. The thickness needs to be adjusted in accordance with the method described in 3.8; if appropriate, the meat can be cut continuously.
3.11 REPLACE BLAD
3.11.1 Removal of knife disc
Remove the meat stand from the blade, pull down the lever from the back of the machine, and move away the blade cover
3.11.2 Remove the tool grinder.
3.11.3 Take blade down
Unscrew the 3 fastening screws and remove the blade evenly and forcefully.
3.11.4 When installing the blade, wipe the blade positioning surface and the blade positioning surface clean, and the 3 fastening screws should be evenly loaded and tightened gradually.
Note: When replacing the blade, the machine must be stopped. And unplug the power supply.
Wear protective gloves when replacing blades. When you remove or install the blade, take hold of it and be careful that the blade hurts.
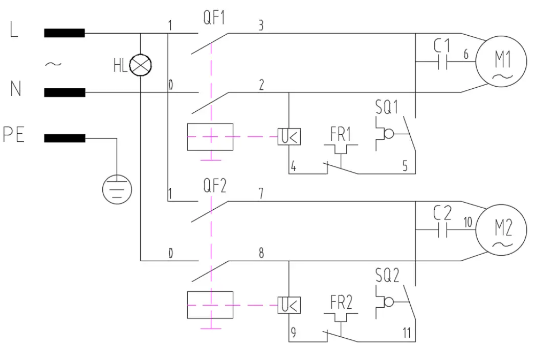
DIAGRAM

QF1-QF2: START/STOP SWITCH SQ1-SQ2: SWITCH FR1-FR2: OVERLOAD PROTECTOR
C1-C2: CAPACITOR M1-M2: MOTOR HL: INDICATOR LIGHT 
| NO. | Name | NO. | Name | NO. | Name |
| I | Grinding stone cover | 22 | Blade shaft | 43 | cross handle |
| el | Grinding stone shaft | 23 | Blade shaft belt | 44 | Meat carrier |
| 3 | Spring | 24 | Blade sheath | 45 | Slider rod top support |
| 4 | Smooth stone wheel | 25 | Waterproof ring | 46 | Handlebar |
| sPring | 26 | Skeleton oil seal | 47 | Pressing block | |
| knob | 27 | blade | 48 | Slider rod | |
| knob | 28 | Protection plate | 49 | Slider rod bottom support | |
| 8 | spring | 29 | motor | 50 | Round mil |
| 9 | Grinding stone shaft | 30 | Handle t without bar) | 51 | Square rail |
| 10 | Curved stone wheel | 31 | Dial scale | 52 | Deep grooved ball bearing |
| II | Grinding stone support | 32 | Big fix circle | 53 | slider block |
| 12 | Fix spindle | 33 | Handle gear shaft | 54 | transmission belt |
| 13 | Star knob | 34 | eccentric bushing | 55 | Reducer belt wheel |
| 14 | Pull rod | 35 | table | 56 | Crank welding assembly |
| 15 | Locking board | 36 | Power cad | 57 | Joint bearing asscmhl% |
| 16 | Grinding stone support | 37 | Bottom frame welding assembly | 58 | Reducer |
| 17 | Protection circle | 38 | Baum cover plate | 59 | Slide boatel |
| 18 | Retaining ring for shaft | 39 | Big Rubber feet | 60 | Slide base |
| 19 | Retaining ring for hole | 40 | Pressing rod | 61 | Slide base sham |
| 20 | Deep grooved ball bearing | 41 | Press rod support | 62 | Thickness adjust gear rack |
| 21 | spacer | 42 | Pressing rod support top cover |
Trouble Shooting
The machine must be repaired, and maintained by professionals and non – professionals are not allowed to repair, so as not to cause personal injury or mechanical, or electrical fault. Common troubles and solutions are shown in Table 1
When troubles are not listed in the table or solutions do not work, please contact the agent or the manufacturer
Table 1
| Troubles | Solutions |
| 1.The machine does not work | Check whether the machine connects to reliable power |
| 2. The machine can not cut meat or the meat slices is irregular | 1. The blade is not sharp, please read the chapter3.7 and grind the blade correctly 2.Meat is too rock, please read chapter3.9 and melt meat. |
| 3.The blade edge is not sharp | 1. Check the wheel installation height and grinding angle, please read chapter 3.7 and use the correct method to grind the blade 2. The wheel is not pressed, tighten the screw to fix the wheel. |
| 4.The machine works slowly or the blade rotates slowly | Check if the transmission belt is too tight Check if the slider rail is lack of oil. |
Contact the reseller or our company if there is a failure phenomenon not listed in the table or if the troubleshooting method listed in the table cannot effectively troubleshoot the problem.



















