AISTAN HLQ8 Food Cutting Mixer Machine User Manual

Preface
- In order to make sure the machine can be used efficiently, we provide concerned details and information of the machine in this manual, include specifications, operation procedures and instructions.
- This manual should be submitted to the qualified operators, to help them get familiar with the operation and maintenance of the machine.
Chapter 1 General Introduction
1.1 Product Function
HLQ8 Cutting mixer machine produced by our company is mainly used for food processing fields, which can process different kinds of roots, stems, leaves and vegetable into paste speedily and effectively, which can process meat and accessories into glue. It can also mix different kinds of stuffing’s evenly, which is the ideal equipment for processing dumpling and buns, and also the best choice for feed processing field.
1.2 Performance and Features
Principle of relative motion is adopted in this machine, which makes the processing food and high-speed rotating blades-unit to do vertical relative motion, and differential rotary cut the food into paste. Streamline appearance and fully enclosed box type body are designed, all motivation and driving devices are installed inside of the body, which make the machine with fine craftmanship and excellent structure. The machine blade speed, pot speed, blade material and hardness are designed as the best combination. The blades are sharp, rabble and sophisticated, which ensures good cutting efficiency, slight temperature lifting and short cutting time, which also improves the emulsification, the elastic, the smooth and the yield of stuffing’s. Touching switch is adopted in the controlling system of HLQ8 Cutting mixer machine, which is with features of good waterproof properties, safety, reliability, long service life, low noise, simple operation and easy maintenance.
Chapter 2 Structure and Principle
2.1 Main structure
The machine is mainly composed of frame, turbine driving device, blades-unit, dish basin, basin cover, pulley mechanism, motor and other main components(see picture 1).

2.2 Material safety
The machine parts which contact with food directly are made of material strictly in accordance with the requests of food safety and health standards, which is not rust, corrosion, nontoxic and harmless to busman health even after using for a long time.
2.3 Working principle
When the machine is working, close the basin cover, and put different kinds of roots, stems, leaves, vegetable, meat and so on into the basin, the food rotates anti-clockwise with the basin, which will be cut into paste when coming across with vertically rotating blades(size of the paste is to be controlled by adjusting the cutting time).
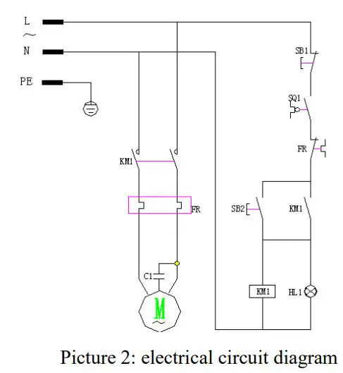
2.4 Electrical circuit diagram
The machine is equipped with an input cable with cross section 3X1.0 mm2, length 1.85m. The machine should be connected to power source as 220V/50Hz. Attention: socket must be equipped with switch, to make sure power can be cut off on time.


Chapter 3 Main Technical Data
3.1 Dimension and weight

3.2 Main technical data
Table 3: Main technical data

Chapter 4 Packing and Inspection
4.1 Packing inspection
The machine must be packed well before shipment with the following(see picture 3)
- a. carton and plate
- b. cutting mixer machine
- c. operation manual

4.2 Inspection
Make sure there is no damage on the labels outside of carton before unpacking. If there is damage while transportation(like scars or labels taken off), please list out all the damaged parts in 3 days after the date on document, and contact with the supplier. While transportation, please keep the machine parallel with the ground, please do not inverted the machine.
4.3 Packing material disposal
All packing material(cartons, plastic bags, polyurethane foam) can be disposed as normal city garbage. In countries with special requirements and standard on waste disposal, please dispose strictly obey the local laws.
Chapter 5 Installation
5.1 Place the machine
Placed the machine in dry and ventilated level surface, to ensure the smooth and safe machine work. Choose the placement space should satisfy the size in figure 1 (based on the model), can accommodate.
5.2 Connection
Stretching elongation power cord, with grounding symbol of wire core, reliable grounding, three other line core (single-phase motor for two) respectively received a matching circuit breaker (the user should bring along their own) extension line terminal blocks, reliable and marks on equipotential connection wires.
5.3 Preoperational check
Before the first operation, need to press these steps:
- Carefully unwrapped the package and read the “instruction manual”.
- Inspection on each parts, whether the fasteners loose in transit, switch and the power cord is damaged due to transport, and check the power supply voltage and existing product use voltage is matched.
- Check whether there is foreign body inside the dish basin, if there is any foreign body clean up in time, so as to avoid external hard impurities caused damage of cutting tools and other machine parts.
Chapter 6 Operation
6.1 Switch control

Control switch button(picture 5):
1–“ON” and “OFF” use cooperatively
2–“OOFF” stop
3–“ON” start
6.2 Instructions
Note: when the motor stops rotating, the food can be loaded According to the following steps:
- Plug in the power supply.
- Open the cover, put in the right amount of ingredients, pay attention to not too full, with no access to the pot cover advisable. Large pieces of vegetables should be cut into small pieces, throw food do not wrong to foreign bodies during the process of food basin, otherwise will damage the cutting tool.
- Close the cover.
- Press “ON” button, start-up power, machine work, the machine should be smooth operation, no abnormal sound.
- According to the raw material used to set up the reasonable technical parameters, too much charge, or a plate of chopping time is too long will not achieve the ideal process effect.
- Before each machine work, check there are no foreign bodies in the basin, and must not be mixed in the cut material is hard and foreign body, so as not to damage the blades or other equipment failure.
- After finish cut material in the basin, press “OFF” button, dish basin and cutting blade all stop running, downtime.
- With the special shovel, remove the basin of chopped turnip.
- Cleaning after use in every time after work, should be effectively clean, and keep the machine dry.
- The machine after use, downtime, pull out the power supply.
Chapter 7 Regular Cleaning
Note: Don’t put hands into the running machine.
Cleaning and maintenance work only at the time of machine stop and power off.
7.1 General
- To disconnect the power and pull out the plug before cleaning machine, as shown by picture(6).
- The machine must be to clean after work every day, all come into contact with the food of the mechanical parts to clean and in place.
- Because of the waste residue will damage the machine, the machine to clean both inside and outside.
- Don’t use water detergents, industrial cleaners, iron brush, hoses, and beneath the surface of the machine cleaning equipment.

Chapter 8 Machine Maintenance and Daily Inspection
Note: before the maintenance operation work: please unplug the power before servicing the machine, make sure the machine away from the power.
8.1 The necessity for regular maintenance
- Regularly for cutting mixer machine maintenance, can effectively extend the service life.
- Periodically for cutting mixer machine cleaning, can ensure food quality and safety.
8.2 Daily inspection of key components
- Cutting blade
Should check the cutting blade whether installation firm, have any damage, before starting the machine. - Belt
Belt should be regularly adjusted, after 2-3 years belts will be replaced, it is necessary to contact “service center”. - FEET
With the passage of time, the feet damage will cause unstable machines placed, if this happens, please replace the feet. - Cable
Regularly check the cable, replace if necessary, please contact the service center.
Chapter 9 Recycling Method
9.1 No repair
For some reason the machine cannot be repaired, to ensure the machine can’t use again, cancel all electrical connections.
9.2 Discard
When the machine can’t repair it abandoned, please contact the waste disposal company, will be qualified materials used in the manufacture of a variety of other components.
9.3 Electrical and electronic waste
According to the standard of 2002/95 / EC, 2002/96 / EC and 2002/108 / EC, limit the use of certain hazardous substances in electrical and electronic equipment. The logo on the products or packaging, means that the product cannot be discarded as household waste. Waste collection to classification, managed by the manufacturer, the user has the responsibility to contact the manufacturers, manufacturers should be classified collection of waste in accordance with the waste disposal system. Classified collection and recycling of waste disposal equipment will help to protect the natural resources. To ensure recycling that can protect human health and the environment. (export dedicated )![]()


















