
VEGETABLE CUTTER
231807
You should read this user manual carefully before using the appliance.
Keep these instructions with the appliance.
For indoor use only.
![]()
Dear Customer,
Thank you for purchasing this Hendi appliance. Before using the appliance for the first time, please read this manual carefully, paying particular attention to the safety regulations outlined below.
Safety regulations
- This appliance is not intended for household use.
- The appliance must only be used for the purpose for which it was intended and designed.
The manufacturer is not liable for any damage caused by incorrect operation and improper use. - Keep the appliance and electrical plug away from water and any other liquids. In the event that the appliance should fall into the water, immediately remove the plug from the socket and do not use it until the appliance has been checked by a certified technician. Failure to follow these instructions could cause a risk to lives.
- Never attempt to open the casing of the appliance yourself.
- Do not insert any objects in the casing of the appliance.
- Do not touch the plug with wet or damp hands.
The danger of electric shock! Do not attempt to repair the appliance yourself. In case of malfunctions, repairs are to be conducted by qualified personnel only.- Never use a damaged appliance! Disconnect the appliance from the electrical outlet and contact the retailer if it is damaged.
- Warning! Do not immerse the electrical parts of the appliance in water or other liquids.
Never hold the appliance under running water. - Regularly check the power plug and cord for any damage. If the power plug or power cord is damaged, it must be replaced by a service agent or similarly qualified persons in order to avoid danger or injury.
- Make sure the cord does not come in contact with sharp or hot objects and keep it away from an open fire. To pull the plug out of the socket, always pull on the plug and not on the cord.
- Ensure that the cord (or extension cord) is positioned so that it will not cause a trip hazard.
- Always keep an eye on the appliance when in use.
- Warning! As long as the plug is in the socket the appliance is connected to the power source.
- Turn off the appliance before pulling the plug out of the socket.
- Never carry the appliance by the cord.
- Do not use any extra devices that are not supplied along with the appliance.
- Only connect the appliance to an electrical outlet with the voltage and frequency mentioned on the appliance label.
- Connect the power plug to an easily accessible electrical outlet so that in case of emergency the appliance can be unplugged immediately. To completely switch off the appliance pull the power plug out of the electrical outlet.
- Always turn the appliance off before disconnecting the plug.
- Never use accessories other than those recommended by the manufacturer. Failure to do so could pose a safety risk to the user and could damage the appliance. Only use original parts and accessories.
- This appliance is not intended for use by persons (including children) with reduced physical, sensory or mental capabilities, or lack of experience and knowledge.
- This appliance must not be used by children under any circumstances.
- Keep the appliance and its cord out of reach of children.
- Always disconnect the appliance from the mains if it is left unattended or is not in use, and before assembly, disassembly or cleaning.
- Never leave the appliance unattended during use.
Special Safety Regulations
CAUTION! Unplug before cleaning, maintenance, or repair!
CAUTION! Two-person handling is required!
CAUTION! Read the instruction manual before operation, cleaning, or maintenance.
WARNING! Do not put your hands into the discharge opening during operation.
Disconnect the power plug before reaching in.- This appliance should not be used for cutting frozen food, bone-in meat or fish, etc.
- Use the appliance only as described in this manual.
- This appliance should be operated by trained personnel in the kitchen of the restaurant, canteens or bar staff, etc.
- Do not place the appliance on a heating object. (gasoline, electric, charcoal cooker, etc.)
Keep the appliance away from any hot surfaces and open flames. Always operate the appliance on a level, stable, clean, heat-resistant, and dry surface. - Do not use the appliance near explosive or flammable materials, credit cards, magnetic discs, or radios.
- This appliance is not intended to be operated by means of an external timer or separate remote-control system.
- Never bypass any safety interlocks on the appliance.
- WARNING: Keep all ventilation openings in the appliance clear of obstruction.
- WARNING: ALWAYS switch off the appliance and unplug from the electrical power supply before cleaning, maintenance, or storage.
- WARNING! ALWAYS keep hands, long hair, and clothing away from the moving parts.
- Allow at least 15 cm spacing around the appliance for ventilation purposes during use.
- Caution! Securely route the power cord if necessary in order to prevent unintentional pulling or contact with the heating surface.
- Do not wash the appliance with water or waterjet. Washing with water can cause leakage and increase the risk of electric shock. No parts are dishwasher safe.
- Do not clean or store the appliance unless it is completely cooled down.
- Do not move the appliance while it is under operation. Unplug the appliance when moving and hold it at the bottom.
- Do not operate the appliance without ingredients to avoid overheating.
- WARNING! Take great care when handling the cutting disks. Wear protective gloves (not supplied) if necessary.
Intended use
- This appliance is intended for professional use and can be operated only by qualified personnel.
- This appliance is designed only for cutting, slicing & grating fresh vegetables (e.g. carrots, potatoes, cabbage, etc) with the use of appropriate cutting discs in commercial use. Any other use may lead to damage to the appliance or personal injury.
- Operating the appliance for any other purpose shall be deemed a misuse of the device. The user shall be solely liable for improper use of the device.
Grounding installation
This appliance is classified as a protection class I appliance and must be connected to protective ground. Grounding reduces the risk of electric shock by providing an escape wire for the electric current. This appliance is equipped with a cord having a grounding wire with a grounding plug. The plug
must be plugged into an outlet that is properly installed and grounded.
Preparations before installation
- Remove all protective packaging and wrapping.
- Check the appliance for completeness and transport damages. In case of incomplete delivery (e.g. cutting disks, etc) or damage, contact the supplier immediately. DO NOT use the appliance. (See == > Warranty).
- Clean the appliance before use (See ==> Cleaning and Maintenance).
- Make sure the appliance is completely dry.
Installation
- Read this manual thoroughly and carefully before installation and operation.
- Ensure the machine is placed in a dry area and that surface has sufficient strength to support the machine. Also, ensure there are no obstructions nearby during the operation of the machine.
- Ensure that the electrical power supply corresponds with the rating label on the machine.
- CAUTION! Never bypass any safety microswitch.
Usage
Attention: The appliance has a safety system that makes sure that it will not work as long as the lever and the housing are not down and locked.
- Press the green button to turn on the appliance and the red to turn it off.
- Raise the lever and put the vegetables inside the inlet. Then pull down the lever to firmly press the vegetables.
- Use your right hand to operate and push the ON (GREEN) and OFF (RED) buttons and use your left hand to operate the lever downwards so that the vegetable is being cut.
- To place or replace the blades, make sure that the power button is off and pull the plug out of the socket.

- Watch out: KNIVES ARE SHARP

- To place or replace the blades open the appliance by rotating the knob counter-clockwise and opening the housing.
- Always place the nylon disc first before placing the blade of your choice.

- To remove a blade turn it counter-clockwise and then lift it.
- Close the appliance and turn the round knob clockwise to lock the housing. Press on the button to automatically place the blade in the correct position.
- Contains different knives for different cutting results and 1 nylon disc:
– 2 mm slice disc
– 4 mm slice disc
– 3 mm grater
– 4,5 mm grater
– 7 mm grater
– The nylon disc should always be placed under a knife to push the vegetables out of the machine.

Important
- WARNING! Never use your hands to press the cut food. Always use the supplied plunger.
- Never use frozen vegetables
- Do not use wooden/metal or plastic objects except the polyethylene mesher that presses the vegetables.
Cleaning and Maintenance
Attention: Always unplug the appliance from the electrical power outlet and let it cool down completely before cleaning and storage.
Cleaning
- Clean the appliance after each use.
- Never immerse the appliance in water or other liquids.
- Clean the cooled exterior surface with a slightly damp cloth or sponge with some mild soap solution.
- Never use abrasive sponges or detergents, steel wool, or metallic utensils to clean the interior or exterior parts of the appliance.
Storage
- Before storage, always make sure the appliance has already been disconnected from the electrical outlet and cooled down completely.
- Store the appliance in a cool, clean, and dry place.
- Blades of the cutting disks may become dull after prolonged use. Check this regularly and contact the supplier for service.
Troubleshooting
If the appliance does not function properly, please check the below table for the solution. If you are still unable to solve the problem, please contact the supplier/service provider.
| Problems | Possible cause | Possible solution |
| Appliance does not work | No power at the electrical outlet. | Check the fuse. |
| The plug is not plugged [correctly) into the electrical outlet. | Check the plug. | |
| The lever or the housing are not closed properly. The safety mechanism makes sure the appliance does not work. | Check if both the lever and the housing are closed properly. | |
| Motor overheated. | Cooldown the appliance for 3/4 hours. |
Technical specification
| Item no.: | 231807 |
| Operating voltage & frequency: | 230-240V~ /50Hz |
| Rated power consumption: | 550W |
| Protection class: | Class I |
| Waterproof protection class: | IP23 |
| Net weight: | Approx. 27,5 kg |
| Remark: | The technical specification is subject to change without notification. |
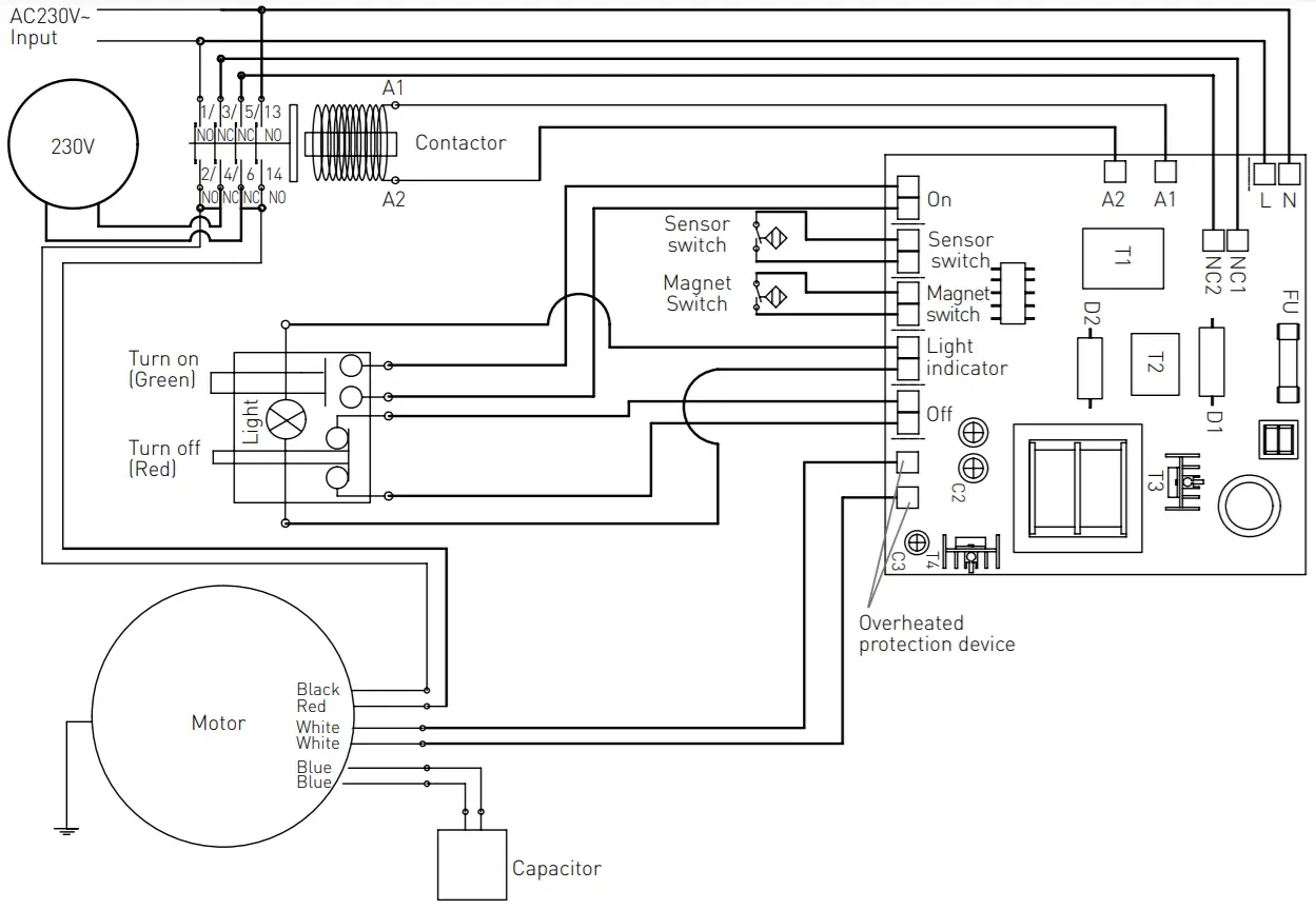
Circuit diagram

Warranty
Any defect affecting the functionality of the appliance which becomes apparent within one year after purchase will be repaired by free repair or replacement provided the appliance has been used and maintained in accordance with the instructions and has not been abused or misused in any way.
Your statutory rights are not affected. If the appliance is claimed under warranty, a state where and when it was purchased and include proof of purchase (e.g. receipt).
In line with our policy of continuous product development, we reserve the right to change the product, packaging, and documentation specifications without notice.
Discarding & Environment
When decommissioning the appliance, the product must not be disposed of with other household waste. Instead, it is your responsibility to dispose of your waste equipment by handing it over to a designated collection point. Failure to follow this rule may be penalized in accordance with applicable regulations on waste disposal. The separate collection and recycling of your waste equipment at the time of disposal will help conserve natural resources and ensure that it is recycled in a manner that protects human health and the environment. For more information about where you can drop off your waste for recycling, please contact your local waste collection company. The manufacturers and importers do not take responsibility for recycling, treatment, and ecological disposal, either directly or through a public system.
Exploded drawing and part list

| 1 | Bolt |
| 2 | Fianctebar |
| 3 | Nylon gasket |
| 4 | Pressing piece |
| 5 | Input shaft |
| 6 | Anchor knob |
| 7 | Spring |
| 8 | Gasket |
| 9 | Rn |
| 10 | Anchor spindle |
| II | Knife disc |
| 12 | Drain disc |
| 13 | Anchor board |
| 14 | Rn |
| 15 | CAI envelop |
| 16 | Central spindle |
| 17 | Isolated sheath |
| 18 | Gear |
| 19 | Block circle |
| 20 | Anchor sheath |
| 21 | Belt wheel |
| 22 | Seat of body |
| 23 | Electric box |
| 24 | Bottom board of electric boo |
| 25 | Bottom board of the body |
| 26 | Magnet steel |
| 27 | Umbrella bolt |
| 28 | Steel sheath |
| 29 | Not |
| 30 | Adjusting belt |
| 31 | Plastic pressing suck |
| 32 | Seat of magnet |
| 33 | Magnet steel |
| 34 | Knife |
| 35 | Body |
| 36 | Microswitch |
| 37 | Waved bolt |
| 38 | Switch |
| 39 | Strapped wheel |
| 40 | Belt |
| 41 | Motor |
| 42 | Gasket |
| 43 | Gasket |
| 44 | Bolt |
| 45 | Gear cover |
| 46 | Bolt |
Declaration of conformity
| Hendi B.V. Innovatielaan 6 6745 XW De Klomp The Netherlands | Tel: +31 317 681 040 Fax: +31 317 681 045 Email: [email protected] www.hendi.eu |
Hendi BV hereby declares under his own responsibility that the product:
Product number: 231807
Product name: Vegetable Cutter Profi Line
Brand: Hendi
Meets the essential requirements as described in:
2006/42/EC
2014/30/EU
2011/65/EU & amendment 2015/863/EU
Has been engineered and manufactured in conformity to harmonized standards:
EN 55014-1:2017
EN 55014-2:2015
EN 61000-3-2:2014
EN 61000-3-3:2013
EN 60204-1:2006+ A1:2009/AC:2010
EN ISO 12100:2010
EN 1678:1998+ A1:2010
Meets the requirements as described in regulations:
1907/2006/EC
1935/2004/EC
10/2011/EU
Technical documentation available at the company’s headquarters: Hendi B.V., Innovatielaan 6, 6745 XW De Klomp, The Netherlands
| Hendi B.V. Innovatielaan 6 6745 XW De Klomp, The Netherlands Tel: +31 317 681 040 Email: [email protected] | PKS Hendi southeast Europe SA 5 Metsovou Str. 18346 Moschato, Athens, Greece Tel: +30 210 4839700 Email: [email protected] |
| Hendi Polska Sp. z o.o. ul. Firmowa 12 62-023 Robakowo, Poland Tel: +48 61 658 7000 Email: [email protected] | Hendi Italia S.R.L. Via Leonardo da Vinci 4 39100 Bolzano (BZ), Italy Tel:+39 800 727 438 Email: [email protected] |
| Hendi Food Service Equipment GmbH Ehring 15 5112 Lamprechtshausen, Austria Tel: +43 6274 200 10 0 Email: [email protected] | Hendi HK Ltd. 1208, 12/F Exchange Tower 33 Wang Chiu Road, Kowloon Bay, Hong Kong Tel: +852 2154 2618 Email: [email protected] |
| Hendi Food Service Equipment Romania S.R.L. Str. 13 decembrie 94A, Hala 14 Brașov, 500164, Romania Tel: +40 268 320330 Email: [email protected] | Find Hendi on the internet: www.hendi.eu www.facebook.com/HendiToolsforChefs www.linkedin.com/company/hendi-food-service-equipment-b.v. www.youtube.com/HendiEquipment |
– Changes, printing, and typesetting errors reserved.
© 2020 Hendi B.V. De Klomp – The Netherlands
Ver: 18-11-2020![]()



















