crosswater US-WLBP1500R, US-WLBR1501R Thermostatic Valve Rough Installation Guide
Introduction
This thermostatic valve is suitable for use with all water systems up to a maximum operating pressure of 60 psi and static pressure of 144 psi, beyond which pressure-reducing valves must be installed. The minimum water pressure requirement is 20 psi. The valve has two outlets. Before beginning, please check for any damage that may have occurred during transport. Note: Damage claims cannot be made during or after installation.
IMPORTANT:
Please read these instructions carefully before beginning and retain for future reference. We do not accept responsibility for any problems that may occur through incorrect installation.
Installation notes
The installation must comply with all plumbing codes including local codes. This valve is a mixing device and therefore requires the water supplies to be reasonably balanced, otherwise a pressure-reducing valve must be installed. The valve is fitted with integral single check valve cartridges (which also serve as integral service stops), therefore the thermostatic valve is protected against cross-flow due to unbalanced line
pressures.
IMPORTANT! Before beginning installation, it is essential that the supply pipes are thoroughly flushed in order to remove any remaining debris, solder or other impurities. Failure to carry out this simple procedure can cause problems or damage to the working of the valve. If soldering any connections, remove the cartridge to prevent damage to the seals and internal assembly. Installing shut-off valves on incoming supply lines is recommended for ease of maintenance. It is recommended that the trim to this rough be on site at the time of beginning rough-in installation.
IMPORTANT: Turn off the main water supply before connecting to any
existing pipework.
WARNING! Please check for any hidden pipes and cables, electric or otherwise, before drilling holes in a wall or floor.
Tools required

PARTS IDENTIFICATION

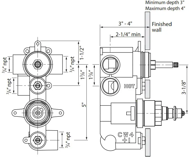
Rough-in dimensions

Fit collars and control covers

- Fit collars and control covers to the thermostatic valve, (supplied separately).
Flow cartridge
- Screw collar firmly into place (1).
- Turn valve to the closed position, (2).
- Attach control cover so the flats are horizontal (3), tighten screws.
Thermostatic control
The thermostatic control is factory pre-set.
- Screw collar firmly into place (4).
- Remove the stop ring (5), do not turn the spindle (6).
- Attach control cover so the flats are horizontal (7), position tab to
the same side as the stop (8), tighten screw.
NOTE: Depending on selected trim set, some control covers have to be secured using hexagonal key at the bottom of the control cover. - Extension Kit
Wall depths of up to 6” can be accommodated by using an extension kit US-EK101525 (optional extra sold separately).
Installation

- Position the valve onto the wall and mark the position of the fixing lugs (x3).
- Make sure the valve body is positioned according to the valve markings so the inlets are situated with hot piped on the left and cold piped on the right.
- Make sure the valve is set back from the front face of the wall by the appropriate depth to allow for (min. 3” to max. 4”, see rough-in dimensions).
- Mount casting to the wall using suitable fixings for the wall construction.
- Always leave access to the four front cartridges for servicing.
Installation

- Once the valve has been secured to the wall, a plastic dust cover can be temporarily attached to the valve with the screws supplied. This will protect the valve while additional work is completed.
- IMPORTANT: Do not use the dust cover as a tiling guide.
- Connect the hot and cold water supplies and the main outlets.
- Do not use an excessive thickness of sealing tape as this may damage the valve body and result in a concealed leak within the wall cavity.
- Once all connections have been made, remove the plastic dust cover.
- Turn on the water supplies and test all connections for water leaks.
- Remove the hot and cold check valves and flush out the installation.
- Clean the filters and refit.
Temperature control

- To set the temperature, remove the handle and unscrew the center screw of the thermostatic control cover.
- Rotate the exposed thermostatic spindle, (clockwise for cold and counterclockwise for hot), until the maximum desired temperature is set
- 107°F is the suggested maximum ‘pre-set’ temperature. Please note however that it is the responsibility of the installer and according to applicable codes.
- Position the tab on the back of the control cover to the same side as the stop on the cartridge.
- Push the control cover onto the splines and tighten the center screw.
- Refit the handle.
- The thermostat is now set to its new temperature and can only be increased or decreased by repeating this procedure.
Maintenance

NOTE: To avoid damage, please remove all finished parts before maintenance takes place. Thermostatic cartridges
- The concealed thermostatic valve should give trouble-freeservice however servicing is a straightforward process. To remove the thermostatic cartridge
- Undo the cartridge clamp nut taking note of the orientation of the cartridge.
- Pull the cartridge out using the temperature control knob to aid removal.
- Wash the cartridge with clean running water and make sure that any trapped debris has been removed.
- Dry and lightly grease the seals, (only use silicone grease), and replace the cartridge making sure that the recess on the body of the valve is aligned with the slot in the raised central section of the plastic cartridge. This is to make sure the stop is in the required 2 o’clock position shown.
Flow control cartridge
- The flow control catridge uses ceramic discs which normally last indefinitely unless debris manages to get between them.
- Wash the cartridge with clean running water, dry and lightly grease the seal, (only use silicone grease).
Filters/check valves

- The check valves stop cress flow between hot and clod water supplies.
To clean the check valve
- Undo and remove the plug.
- Using a pair of grips remove the check valve and filter.
- Wash with clean running water, dry and lightly grease the seals (only use silicone grease).
Care
If the valve is going to be unused for an extended period of time, the water to the valve should be drained then shut off.
Spare parts

Trouble shooting
Symptom
- After installation the shower runs HOT or COLD and will not mix.
- Shower will not run hot
- Cold water tracking through the valve into the hot water system.
- Very low flow or no flow.
Solution
- Hot and cold supplies are plumbed the wrong way round. The hot and cold supplies need to be redone to the correct inlets as marked and described in the installation.
- Maximum temperature needs adjusting, see ‘temperature control.
- Chick and clean the check valve cartridges and dilters located under the check valves.
- Check hot and cold feeds. The valve will shut down if either the hot or cold supply fails.
Appliance standards/codes
- APMO certified to meet or exceed the following; ASME A112,18,1/CSA B125,1
Flow rate

Warranty
This Crosswater London product is covered by a limited lifetime warranty. For full details, terms and conditions please visit our website. For further information contact: Crosswater London, 393 Fortune Blvd., Milford, MA 01757
Toll free number: 844-XWATER-1 (844-992-8371)
tel: 508-381-0433
fax: 508-381-6068
Web; www.crosswaterlondon.com
email: [email protected]
Issue date: 17082021



















