FLOMEC 1” OM Stainless Steel Flange Flowmeter Instruction Manual
This instruction covers the installation of the “no display” electronic module with QSI1, QSI2, or QSI3 versions of communications electronics installed. The basic mechanical installation is the same for all electronic modules. The wiring connections and wiring diagrams differ depending on the electronic module being installed.
FLOMEC APP FOR ANDROID
To learn how to get started using the FLOMEC App, visit:
flomecmeters.com/downloads/flomec-app-quickstart.pdf
FLOMEC APP QUICKSTART
SPECIFICATIONS
| MECHANICAL | ||
| Cover Plate Port Threads | Female 1/2-20 UNF- 2B (Compatible with PG7 thread) | |
| Port Strain Relief | Hubble PG7 | |
| Grip Range | 0.11”-0.26” (2.79 – 6.6mm) | |
| Port Conduit Adapter | GPI PG7 x 1/2 in. NPT Male | |
| Recommended Cable | Belden #9501 (2-Conductor w/Drain Wire, Shielded) | |
| TEMPERATURES | ||
| Operation Temperature | +32°F to +140°F (0°C to +60°C) | |
| Ambient Air Operation Temp | 0°F to +140°F (-18°C to +60°C) | |
| POWER SUPPLY | ||
| Voltage Requirement | Min. 12 VDC (voltages below 12V will result in meter accuracy issues) | |
| Max. 36 VDC (higher voltage may damage unit) | ||
| Battery Backup (QSI2, QSI3 Only) | Coin cell lithium, 3V (CR2032) UL APPROVED | |
| MAX POWER CONSUMPTION | ||
| OM Meter with QSI | 170mA 4 watts @ 24VDC 6 watts @ 36VDC | |
| ELECTRICAL | ||
| Pollution Degree | 2 | |
| Installation Category | 1 | |
| Altitude | 2000m Max. | |
| Indoor use only | ||
| OUTPUTS & COMMUNICATION | ||
| QSI Version 1: | ||
| Bluetooth | ||
| Coil/Digital Pulse Input | ||
| Pulse Output | ||
| RS485 | ||
| Temperature Inputs | ||
| BTU Calculator | ||
| QSI Version 2: | ||
| Bluetooth | ||
| Coil/Digital Pulse Input | ||
| Pulse Output | ||
| Temperature Inputs | ||
| BTU Calculator | ||
| QSI Version 3: | ||
| Bluetooth | ||
| Coil/Digital Pulse Input | ||
| Pulse Output | ||
| 4-20mA output | ||
DIMENSIONS
Dimensions are shown in inches and [mm]
INTRODUCTION
QSI
The QSI communications module is a multiple capability electronics package and has three versions (QSI1, QSI2 or QSI3) available; each with its own mix of capabilities to better serve the customer (See Versions below).
- QSI1: Equipped with Bluetooth®, coil/digital pulse input, pulse output (flow or energy & scalable), RS485 (Modbus® RTU), temperature inputs, BTU calculator.
- QSI2: Equipped with Bluetooth, coil/digital pulse input, pulse output (flow or energy & scalable), temperature inputs, BTU calculator.
- QSI3: Equipped with Bluetooth, coil/digital pulse input, pulse output (flow scalable), 4-20mA output.
This manual contains information and meter wiring diagrams for the three different QSI electronics modules.
IMPORTANT NOTICE
QSI module electronics are very sensitive to electric noise if operated within 6 inches of some electric motors, relays, transformers or other sources of electronic noise.
If the QSI electronics are used in a manner not specified by the manufacturer, the protection provided by the equipment may be impaired.
GENERAL INFORMATION
QSI electronics are available factory installed on designated meters, or as modules that will adapt the electronics to other FLOMEC meters.
The QSI electronics converts the voltage (or pulses) from the meter into usable information to support the various capabilities of the modules.
The QSI module electronics are powered by customer- supplied external power.
SAFETY
This product is not approved for use in hazardous locations.
- Be sure O-rings and seals are kept in good repair.
- When applying power, adhere to specifications in this manual.
- Disconnect external power before attaching or detaching input or output wires.
INSTALLATION
NOTE: For ALL QSI electronic modules.
- Make sure the QSI module and meter are disconnected from power source.
- Remove the circular plate (or other product) from the top of your OM meter. It will be replaced with the module components.
- Remove the (6) #8-16 x 3/4 in. screws attaching the module cover plate to the base and separate. Do not damage the seal between the two components (see Figure 2).
- Install the O-ring received with the module in the O-ring gland on the bottom of the base; mount the base to the OM meter and secure with (4) metric screws provided with the module. Tighten screws.
- Make sure the seal is in place on top of the base prior to routing the wiring from the meter.
- Route the wiring from the meter up through the base and connect the wires to the QSI PC board screw connectors, (see Figure 4, 8, or 10 depending on your module version).
- To route external power and/ or electronic cables to the QSI PC board screw connectors, prepare the cover late by removing the plug and sealing washer from each port you intend to use. Replace the removed plugs with a strain relief with O-ring. The strain relief will accommodate cable sizes of 0.11 in. (2.8 mm) through 0.26 in. (6.6 mm) diameter.
- (Make sure the power is disconnected from external cables before beginning this step): Route external cables through the strain relief(s), and then tighten the dome nut securely around the cable to provide an environmental seal.
- Connect cable wires to the QSI PC board screw connectors (see Figure 4, 8, or 10 depending on your module version).
- Mount the cover plate on the base making sure the seal is seated properly between them. Replace the (6) previously removed screws to secure the cover plate to the base. Tighten screws.
- Connect power to QSI module and meter.

WIRING DIAGRAMS
TERMINAL CONNECTIONS CHART

TEMP SENSOR | |
| PT100-Red | Sensor VCC Output |
| PT100-White | Input High Side |
| PT100-Blue | Input Return |
RS-485 (Galvanically Isolated) | |
| RS485 (+) | Positive Signal |
| RS485 (-) | Negative Signal |
| RS485 GND | Circuit Ground* |
PULSE INPUT | |
| +5V | 5VDC output to power external sensor |
| (+) | Digital Pulse Frequency Input, up to 3kHz |
| (-) | Digital Pulse Return |
4-20mA (Galvanically Isolated) | |
| (+) | 4 to 20mA current loop- current in to transmitter |
| (-) | 4 to 20mA current loop- current out of transmitter* |
NOTE: It is not recommended to connect isolated ground connections together or to board common.
| Coil A | Low level sine wave input |
| Coil B | Low level sine wave input |
GPI SENSOR | |
| Ribbon cable connection to GPI custom sensor designs | |
PULSE OUTPUT | |
| (-) | Pulse Output return current* |
| (+) | Pulse Output frequency output. This is a “current sinking open collector” output *** |
POWER INPUT | |
| (-) | 12-36VDC Input A** |
| (+) | 12-36VDC Input B** |
NOTE: Polarity of voltage for DC is not important. However, an earth ground isolated power supply is required to prevent earth ground loop currents and ground fault conditions.
NOTE: This output may require an external pull up resistor if interfacing equipment does not include one.
QSI1 WIRING
QSI VERSION 1 – PC BOARD
RS-485
BTU
QSI VERSION 1 – WIRING DIAGRAM
Inputs: Temperature Sensors, Pulse Input
Outputs: RS-485, Pulse Output
OM WIRING – OM PC BOARD
Connection / Wiring Diagram
Standard Pulse Output Board
Figure 6
NOTE:
Pull up resistor “R1” not generally required for distances up to 25 ft.
- Use R1 = 10k (10000 ohms) for distance up to 50 ft.
- Use R1 = 5.1k (5100 ohms) for distance up to 100 ft.
- Use R1 = 2.7k (2700 ohms) for distance up to 250 ft.
- Do not use R1 less than 2.4k (2400 ohms)
Connection / Wiring Diagram
Reed Only Pulse Output Board
Figure 7
QSI2 WIRING
QSI VERSION 2 – PC BOARD
Pulse In
BTU
QSI VERSION 2 – WIRING DIAGRAM
Inputs: Temperature Sensors, Pulse Input
Outputs: Pulse Output
Figure 9
QSI3 WIRING
QSI VERSION 3 – PC BOARD
4-20mA
QSI VERSION 3 – WIRING DIAGRAM
Customer Equipment with Built-in Power Supply
Inputs: OM or Conditioned Signal Sensor (Open Collector)
Outputs: Customer Equipment, 4-20mA Sensing, Built-in Loop Power Supply
Figure 11
NOTE: Regarding resistor “R1” – See Figure 6.
CAUTION: When reassembling the cover plate, make sure the enclosure seal is not crimped or twisted.
Do not over-tighten screws (hand-tighten only).
QSI VERSION 3 – WIRING DIAGRAM
Customer Equipment without Built-in Power Supply
Outputs: 4-20mA with Separate Power Supply
Note: Either of the wiring diagrams below (Low Side Negative Wiring-Figure 12A) or (High Side Positive Wiring-Figure 12B) are valid, as long as the current direction arrows and the (+) and (-) connections on all of the equipment in the loop are correct.

MAINTENANCE
Check cable-entry seals periodically. Tighten and/or apply sealant if needed. This is especially important in environments containing heavy concentrations of dust, oil mist, or other residue.
Check all wiring connections occasionally for oxidation or corrosion. Clean and reseat if such conditions are noted.
If necessary, check and re-seat any connections that may have been subjected to strain (during rework or construction, for example).
REPLACING BATTERY
NOTE: The QSI2 and QSI3 communications module has a 3V lithium coin cell battery installed on the PC board. In case of power failure, the battery functions as power backup to maintain the internal system time. Any QSI2 or QSI3 feature that uses a time reference as part of its functionality will be immediately accurate to the current time when power is restored.
To replace battery:
- DISCONNECT POWER TO METER
- Remove (6) screws retaining the cover plate to the base and lift the cover plate free of the meter body (see Figure 13).
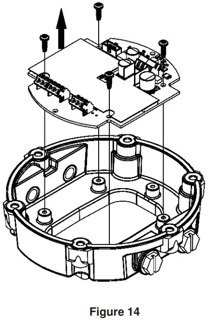
- Flip the cover plate over and remove (4) screws retaining the PC board assembly (see Figure 14).
- Remove and replace the coin cell battery (CR2032) on the backside of PC board (see Figure 15).
- Reverse the procedure to reassemble the cover plate to the base. Make sure the cover plate seal is seated before tightening the (6) cover plate screws.
REPLACING BATTERY



SERVICE
For warranty consideration, contact your local distributor. If you need further assistance, contact the GPI Customer Service Department at:
1-888-996-3837
You will need to:
• Provide information from the decal on your meter.
• Receive a Return Authorization number.
• Flush any fluid from the meter before shipping to the factory
RETURNING PARTS
Please contact the factory before returning any parts. It may be possible to diagnose the trouble and identify needed parts in a telephone call. GPI can also inform you of any special handling requirements you will need to follow covering the transportation and handling of equipment that has been used to transfer hazardous or flammable liquids.
CAUTION: Do not return equipment without specific authority from the GPI Customer Service Department. Due to strict regulations governing transportation, handling, and disposal of hazardous or flammable liquids, GPI will not accept equipment for rework unless it is completely free of liquid residue.
FLOMEC® TWO-YEAR LIMITED WARRANTY
Great Plains Industries, Inc. 5252 E. 36th Street North, Wichita, KS USA 67220-3205, hereby provides a limited warranty against defects in material and workmanship on all products manufactured by Great Plains Industries, Inc. This product includes a 2-year warranty. Manufacturer’s sole obligation under the foregoing warranties will be limited to either, at Manufacturer’s option, replacing or repairing defective Goods (subject to limitations hereinafter provided) or refunding the purchase price for such Goods theretofore paid by the Buyer, and Buyer’s exclusive remedy for breach of any such warranties will be enforcement of such obligations of Manufacturer. The warranty shall extend to the purchaser of this product and to any person to whom such product is transferred during the warranty period.
The warranty period shall begin on the date of manufacture or on the date of purchase with an original sales receipt. This warranty shall not apply if
- the product has been altered or modified outside the warrantor’s duly appointed representative;
- the product has been subjected to neglect, misuse, abuse or damage or has been installed or operated other than in accordance with the manufacturer’s operating instructions.
To make a claim against this warranty, or for technical assistance or repair, contact your FLOMEC distributor or contact FLOMEC at one of the locations below.
In North or South America contact
Great Plains Industries, Inc. 5252 East 36th St. North Wichita, KS 67220-3205
USA
888-996-3837
www.flomecmeters.com
(North America)
Outside North or South America contact
GPI Australia
(Trimec Industries Pty. Ltd.) 12/7-11 Parraweena Road Caringbah NSW 2229 Australia
+61 02 9540 4433
www.flomec.com.au
The company will step you through a product troubleshooting process to determine appropriate corrective actions
GREAT PLAINS INDUSTRIES, INC., EXCLUDES LIABILITY UNDER THIS WARRANTY FOR DIRECT, INDIRECT, INCIDENTAL AND CONSEQUENTIAL DAMAGES INCURRED IN THE USE OR LOSS OF USE OF THE PRODUCT WARRANTED HEREUNDER.
The company herewith expressly disclaims any warranty of merchantability or fitness for any particular purpose other than for which it was designed.
This warranty gives you specific rights and you may also have other rights which vary from U.S. state to U.S. state.
NOTE: In compliance with MAGNUSON MOSS CONSUMER WARRANTY ACT – Part 702 (governs the resale availability of the warranty terms)
![]()



















