viega 4936.3 Advantix Bathroom Drain Instruction Manual
About these instructions for use
Trade mark rights exist for this document, further information can be found at viega.com/legal.
Target groups
The information in this instruction manual is directed at the following groups of people:
- Heating and sanitary professionals and trained personnel
- Tilers
- Consumers
It is not permitted for individuals without the abovementioned training or qualification to mount, install and, if required, maintain this product. This restriction does not extend to possible operating instructions.
The installation of Viega products must take place in accordance with the general rules of engineering and the Viega instructions for use.
Labelling of notes
Warning and advisory texts are set aside from the remainder of the text and are labelled with the relevant pictographs.
DANGER!
This symbol warns against possible life-threatening injury.
WARNING!
This symbol warns against possible serious injury.
CAUTION!
This symbol warns against possible injury.
NOTICE!
This symbol warns against possible damage to property.
Notes give you additional helpful tips.
About this translated version
This instruction for use contains important information about the choice of product or system, assembly and commissioning as well as intended use and, if required, maintenance measures. The information about the products, their properties and application technology are based on the current standards in Europe (e. g. EN) and/or in Germany (e. g. DIN/DVGW).
Some passages in the text may refer to technical codes in Europe/ Germany. These should serve as recommendations in the absence of corresponding national regulations. The relevant national laws, stand‐ ards, regulations, directives and other technical provisions take priority over the German/European directives specified in this manual: The information herein is not binding for other countries and regions; as said above, they should be understood as a recommendation.
Product information
Standards and regulations
The following standards and regulations apply to Germany / Europe.
National regulations can be found on the relevant web site of your country at viega.com/standards.
Regulations from section: Sealing
| Scope / Notice | Regulations applicable in Ger‐ many |
| Stress class of the underground, as well as suitable bonded sealing | ZDB-Merkblatt 8/2012 |
| Stress class of the underground, as well as suitable bonded sealing | Leitfaden zur Abdichtung im Ver‐ bund (AIV) |
| Approved bonded sealings with proof of practicability in keeping with building law for stress classes A and AO | ETAG 022 T1 |
| Approved bonded sealings with proof of practicability in keeping with building law for stress classes A, B and C | DIBt-Bauregelliste A, Teil 2 des DIBt und Prüfgrundsätze für Abdichtungen im Verbund (PG AIV-F) |
| Permitted bonded sealings | EN 14891 |
Regulations from section: Fields of application
| Scope / Notice | Regulations applicable in Ger‐ many |
| Specifications not met due to water seal level and small drainage capacity. | EN 1253-1 |
| Regulations from section: Media | |
| Scope / Notice | Regulations applicable in Ger‐ many |
| Typical domestic wastewater | DIN 1986-3 |
Intended use
Areas of use
The drain is designed for small to medium volumes of water, which occur in e. g. residential building.
Technical information, see Ä Chapter 2.3.2 „Technical data“ on page 9.
The drain with vertical drain socket is suitable for installation in drill holes and can be used in low floor construction heights from 20 mm to 105 mm.
The water seal level of 30 mm and the small drainage capacity do not meet the specifications pursuant to the standards and regulations. See Ä „Regulations from section: Fields of application“ on page 6.
Check if the drainage capacity is sufficient before mounting!
Media
The drain is intended for draining of household-type wastewater in con‐
stant operation, see Ä „Regulations from section: Media“.
- The short-term temperature of the wastewater may reach up to 95° C. The temperature must be considerably lower in constant operation.
- The pH value must be higher than 4 but lower than 10.
It is not permitted to introduce wastewater which would damage the product material.
Drainage capacity

Drainage capacity at an accumulation height of 20 mm above the grate:
0.4 l/s
The values are dependent on the total height (H) of the drain unit. 10
Product description
Overview

- grate
- sealing rings
- removable odour trap
- top, can be cut to length
- flange for the application of the conventional sealing
- base unit
There are various articles available under this model number, which differ by the version of the top supplied.
| Frame | Article No. |
| Frame made of plastic: | 583 224 |
| Frame made of stainless steel: | 617 271 |
Technical data
| Nominal width [DN] (drain socket) | 50 |
| Drainage capacity | Ä Chapter 2.2.3 „Drainage capacity“ on page 7 |
| Dimensions and installa‐ tion height | Ä Chapter 3.1.2 „Installation dimen‐ sions“ on page 15 |
| Water head seal | 30 mm |
| Load class | K = 300 kg |
Operating mode
Odour trap
In most drains, the ingression of sewer gases into rooms with drains is prevented by an odour trap with a water seal. If the drain has not been used for a long time, the water seal can evaporate and this may lead to odour nuisance.

Fig. 1: Mode of operation of the odour trap
The odour proof odour trap prevents the ingression of sewer gases,
even after the water seal has evaporated. The odour proof odour trap is
equipped with two shutter valves, as can be seen in the lower part of
the graphic. If the water seal has evaporated, the shutter valves close
and hold the sewer gases back in the drain.
Information for use
Installation variations
Installing in a bare concrete floor
The mounting of the drain in a bare concrete floor is as follows:
The drain is placed over a floor lead-in (e. g. of a drill hole), through which the drainpipe is led.

Fig. 2: General mounting example – Drill hole
NOTICE!
The creation of a floor recess must be agreed with the fol‐ lowing people:
- a structural engineer
- the on-site fire protection inspector or the specialist engineer for fire protection
If necessary, proof of compliance with building code or an expert’s report must exist.
Sealing
The drain can be sealed both conventionally as well as with bonded sealing.
Depending on the type of sealing, you will require the relevant equip‐ ment set Chapter 2.5 „Required accessories“.
Conventional sealing
The flange of the drain is intended for conventional sealing. To be able to seal the drain conventionally, you require a suitable sealing collar and a clamping ring with which the cuff is secured Ä Chapter 2.5 „Required accessories“.

Fig. 3: Construction diagram of a conventional sealing
NOTICE!
Not suitable for floor-level showers
Conventional sealing is not recommended with floor-level showers, because dampness can enter the screed and damp proof layer.
The bonded sealing should be used in the case of floorlevel showers.
Principle
Traditionally, sealing is made using bitumen or EPDM sealing collars.
The sealing collars are laid directly onto the raw concrete or heat insula‐ tion. This process has proved itself to be particularly effective for sealing balconies, patios, floor installation panels and cellar floors. In addition, sealing collars are often used as an additional second sealing layer below the bonded seal.
The following components are required for the installation of a drain with conventional sealing:
- Drain
- Clamping ring with sealing collar for EPDM and bitumen sealing lanes
Information for processing
The sealing collar is coated with EPDM on the one side and with bitumen on the other side
Place the sealing collar on the drain and fasten it with the flange. It depends on the sealing collar used which material layer of the sealing collar is placed facing up. You can find more information in the mounting instructions of the sealing flange.
Bonded sealing
To protect against moisture penetration, apply sealing foils, which are to be processed in liquid state, directly below the tiles on screed and walls. The determination of the stress class and the underground as well as the selection of the suitable bonded sealing must be carried out in compliance with the valid standards and regulations, see: Ä „Regula‐ tions from section: Sealing“ on page 6.
Bonded sealing can be carried out with the help of a suitable stacking element. You have the possibility to double seal, using conventional and bonded sealing or only using bonded sealing

Fig. 4: Diagram of a bonded seal
Important note
Careful planning is required for professional sealing. In addition, depending on the individual dampness wear class and the type of foun‐ dation, a suitable BS system with a building regulations certificate of suitability must be chosen.
Furthermore, the following factors should be taken into account:
- Drain or shower channel must be equipped with a special flange, which has an adhesive surface and a width of at least 30 mm.
- For bridging the material change from drain to screed, either a suit‐able sealing collar or sealing tape designed for overlapping with the BS over a width of at least 50 mm must be used.
- The screed must be laid at a minimum incline of 1–2 %.
- The installation must be carried out properly in acc. with the mounting instructions and the manufacturer’s information.

Fig. 5: Construction diagram of the bonded seal – min. screed incline 1–2 %
- Grate
- Top piece with adhesive flange
- Tile
- Tile cement
- Bonded sealing
- Screed
- Sealing collar
- Mat
- Adhesive flange
Permitted bonded seals
In connection with suitable drains, only approved bonded sealings with proof of practicability in keeping with building law may be used. See „Regulations from section: Sealing“ on page 6.
Information regarding the procedure can be found in the instructions for use of the corresponding product.
Required accessories
Top
Advantix tops are available in a number of sizes and variations. You can also only buy an Advantix top frame and then purchase a suitable designer grate separately (see catalogue).
Accessories for the conventional sealing
If a conventional sealing is to be made, a suitable sealing collar and a clamping ring will be required.
You will find a corresponding set in the catalogue (model 4948.31).

Accessories for the bonded sealing
If a bonded sealing is to be applied, a suitable stacking element with sealing collar is required.
You will find a corresponding set in the catalogue (model 4925).

Handling
Assembly information
Important note
Before assembly:
- Check if the drainage capacity of the drain is sufficient for the arising water volume Ä Chapter 2.2.3 „Drainage capacity“ on page 7.
- Check if the installation height of the drain corresponds with the planned floor construction.
- Ensure that the required connection line is installed with the neces‐ sary incline to the planned installation location.
- If necessary, supply the required accessories Ä Chapter 2.5 „Required accessories“ on page 14.
During assembly:
- Observe installation dimensions.
- Decide whether or not a backflow seal is required in the insertionpart of the top.
After assembly:
The drain flange must be fully lined with mortar.
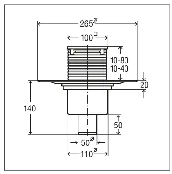
Installation dimensions

Fig. 6: Dimensional drawing model 4936.3
Tools and materials
Required material
- if necessary, sealing collar, clamping ring, fitting screws
- Top with grate, if not included in scope of delivery Ä Chapter 2.3.1 „Overview“.
- if necessary, stacking element for bonded sealing model 4925
- Material for securing the drain
Assembly
Connecting the drain
Connecting to the wastewater system
The connection to the wastewater system must be completed before the drain can be installed in the floor construction. Proceed as follows: Requirements:
- A pipe to the planned drainage position is already in place for the connection to the wastewater system.
- The drainpipe has an internal sealing lip. Push the drain socket into the drainpipe completely.

Prepare for subsequent work
A few points must be observed to integrate the drain into the floor con‐ struction properly. For this reason, proceed as follows to prepare the drain for subsequent work:
Requirements:
- The drain is connected.
- Position the drain at the desired height at the place of use.
Depending on planning, the drain can be integrated into concrete, screed or a heat insulation layer, for example. It is important that the upper edge of the drain flange is flush with the upper edge of the sealing layer. If necessary, raise or lower the drain in the existing floor using suitable material. - Align drain horizontally using a spirit level.
- Secure the drain in such a way that it cannot shift when the subse‐ quent works are applied.
Most importantly, it must be ensured that the drain does not float when the concrete or screed is poured in. - Insert yellow protective plugs.

NOTICE!
Product damage due to improper installation
If hollow spaces occur during the lining of the drain, leaks may occur when pressure is applied.
Inform the subsequent workers that the drain must be fully lined and that there must be no hollow spaces.
Sealing the drain
NOTICE!
Product damage due to improper installation
If hollow spaces occur during the lining of the drain, leaks may occur when pressure is applied.
Check the proper completion of the subsequent work.
Screed and floor tiles must be laid at an incline of 1–2 % in the direction of the drain.
Conventional sealing
Requirements:
- A suitable sealing collar and a clamping ring are available.
- The flange is free of heavy soil.
- The complete surface of the flange is lined with material and undam‐ aged.
If required, clean the flange of coarse soil (e. g. from screed). - Insert sealing ring.
The sealing ring must lie in the groove between the flange and the screw holes.

INFO! The Viega sealing collar has two differently coated sides. One side is coated with bitumen and the other side with EPDM. If the additional sealing takes place with bitumen sealing lanes, the sealing collar must be used with the bitumen side facing upwards. If EPDM sealing lanes are used, the EPDM side must face upwards.
Position the sealing collar on the drain.
The screw holes must be visible through the recesses.

Position the sealing flange on the sealing collar in such a way that the screw holes are visible.

Screw the sealing flange together tightly with the drain.
The fixing screws of the clamping ring may only be screwed into the screw holes of the drain.
The drain is sealed and the remaining sealing collars can be laid.

Bonded sealing
Requirements:
- The flange is free of heavy soil.
- The complete surface of the flange is lined with material and undam‐ aged.
Remove protective foil.

Apply the bonded sealing on the dry screed and spread to the inner edge of the flange fleece.
NOTICE! Observe the bonded sealing manufacturer’s instructions for use.

Lay the sealing collar into the bonded sealing.

Apply a second layer of bonded sealing onto the sealing collar and, if necessary, onto the floor.

Mounting the top
The top with the grate must still be mounted to finish off the mounting of the drain. Proceed as follows:
- Calculate the height of the floor construction from the edge in the inside of the drain up to the upper edge of the tiles.

- Starting with the upper edge, transfer the measured height onto the top.
- Cut the top to the marked height.
- If necessary, insert backflow seal in the lowest notch of the top.
INFO! The backflow seal be must employed when no damp‐ ness is supposed to flow into the drain from outside of the top but water may seep in from below. Normally, no backflow seal is mounted so that water that occurs around the frame (e. g. due to a leaky silicone joint) can flow away. A backflow seal is mounted in the following cases:- In the case of the risk of a build-up of water that can soak through the screed.
- During the mounting of a stacking element for the bonded sealing (see instructions for use of the stacking element).

- Remove yellow protective plug.

- Place the top into the drain and align according to the tiles.
- Work the top into the screed or the floor covering.
Care
Care tips
Normal soap or a mild cleaning agent can be used for regular care and prevention of lime scale on the grate and frame. Under no circum‐ stances should scouring agent or scratching objects be used.
Strong stains, even around the drain unit and the siphon, can be removed using typical household cleaner. It should be noted that the cleaning agent should be rinsed off after the prescribed soaking time.
There should be no residue on the components.
Cleaning the drain
We recommend using a mild cleaning agent and a washing-up brush for cleaning.
- Remove and clean grate

- Remove and clean odour trap.

- Remove and clean odour trap.

- Clean drain.

- Replace odour trap.
- Re-insert grate.
Disposal
Separate the product and packaging materials (e. g. paper, metal, plastic or non-ferrous metals) and dispose of in accordance with valid national legal requirements.
























