JENNAIR JVW0636LS 36 Inch Stainless Steel Wall Mount Hood

HOOD SAFETY
Your safety and the safety of others are very important.
We have provided many important safety messages in this manual and on your appliance. Always read and obey all safety messages.
This is the safety alert symbol.
This symbol alerts you to potential hazards that can kill or hurt you and others.
All safety messages will follow the safety alert symbol and either the word “DANGER” or “WARNING.” These words mean:
DANGER
You can be killed or seriously injured if you don’t immediately follow instructions.
WARNING
You can be killed or seriously injured if you don’t follow instructions.
All safety messages will tell you what the potential hazard is, tell you how to reduce the chance of injury, and tell you what can happen if the instructions are not followed.
IMPORTANT SAFETY INSTRUCTIONS
WARNING: TO REDUCE THE RISK OF FIRE, ELECTRIC SHOCK, OR INJURY TO PERSONS, OBSERVE THE FOLLOWING:
- Use this unit only in the manner intended by the manufacturer. If you have questions, contact the manufacturer.
- Before servicing or cleaning unit, switch power off at service panel and lock the service disconnecting means to prevent power from being switched on accidentally. When the service disconnecting means cannot be locked, securely fasten a prominent warning device, such as a tag, to the service panel.
- Installation work and electrical wiring must be done by qualified person(s) in accordance with all applicable codes and standards, including fire-rated construction.
- Do not operate any fan with a damaged cord or plug. Discard fan or return to an authorized service facility for examination and/or repair.
- Sufficient air is needed for proper combustion and exhausting of gases through the flue (chimney) of fuel burning equipment to prevent back drafting. Follow the heating equipment manufacturer’s guideline and safety standards such as those published by the National Fire Protection Association (NFPA), and the American Society for Heating, Refrigeration and Air Conditioning Engineers (ASHRAE), and the local code authorities.
- When cutting or drilling into wall or ceiling, do not damage electrical wiring and other hidden utilities.
- Ducted fans must always be vented to the outdoors.
CAYION: For General Ventilating Use Only. Do Not Use
To Exhaust Hazardous Or Explosive Materials And Vapors.
CAUTION: To reduce risk of fire and to properly exhaust air, be sure to duct air outside – Do not vent exhaust air into spaces within walls or ceilings or into attics, crawl spaces, or garages.
WARNING: TO REDUCE THE RISK OF FIRE, USE ONLY METAL DUCTWORK.
WARNING: TO REDUCE THE RISK OF A RANGE TOP GREASE FIRE
- Never leave surface units unattended at high settings Boil overs cause smoking and greasy spillovers that may ignite. Heat oils slowly on low or medium settings.
- Always turn hood ON when cooking at high heat or when flambéing food (i.e. Crepes Suzette, Cherries Jubilee, Peppercorn Beef Flambé).
- Clean ventilating fans frequently. Grease should not be allowed to accumulate on fan or filter.
- Use proper pan size. Always use cookware appropriate for the size of the surface element.
WARNING: TO REDUCE THE RISK OF INJURY TO PERSONS IN THE EVENT OF A RANGE TOP GREASE FIRE, OBSERVE THE FOLLOWING: - SMOTHER FLAMES with a close-fitting lid, cookie sheet, or metal tray, then turn off the burner. BE CAREFUL TO PREVENT BURNS. If the flames do not go out immediately, EVACUATE AND CALL THE FIRE DEPARTMENT.
- NEVER PICK UP A FLAMING PAN – You may be burned.
- DO NOT USE WATER, including wet dishcloths or towels – a violent steam explosion will result.
- Use an extinguisher ONLY if:
- You know you have a Cases ABC extinguisher, and you already know how to operate it.
- The fire is small and contained in the area where it started.
- The fire department is being called.
- You can fight the fire with your back to an exit.
Based on “Kitchen Fire Safety Tips” published by NFPA.
- WARNING: To Reduce The Risk Of Fire Or Electric Shock, Do Not Use This Fan With Any Solid-State Speed Control Device.
- This appliance is not intended for use by people (including children) whose physical, sensory or mental capacities are different or impaired or who lack the necessary experience or knowledge/expertise to do so, unless such persons are supervised or are trained to operate the appliance by a person who accepts responsibility for their safety.
READ AND SAVE THESE INSTRUCTIONS
Tools and Parts
Gather the required tools and parts before starting installation.
Read and follow the instructions provided with any tools listed here.
Tools needed
- Level
- Drill with 1¼” (3 cm), 3/8″ (9.5 mm), 7/64″ (2.75 mm) and1/8″ (3 mm) drill bits
- Pilot hole drill bits (determined by chimney support attachment method)
- Pencil
- Wire stripper or utility knife
- Tape measure or ruler
- Pliers
- Caulking gun and weatherproof caulking compound
- Vent clamps
- Jigsaw or keyhole saw
- Flat-blade screwdriver
- Metal snips
- Phillips screwdriver
- Ladder
- Hacksaw
Parts needed
- Home power supply cable
- 1/2″ (12.7 mm) UL listed or CSA approved strain reliefs (2)
- UL listed wire connectors (3)
For vented installations, you will also need: - Wall or roof cap
- Metal vent system
For non-vented (recirculating) installations, you will also need: - Recirculating Kit for non-vented (recirculating) installations only. See “Assistance or Service” section to order.
- 6″ (15.2 cm) round metal vent duct. Length required is determined by ceiling height.
Parts Supplied
Remove parts from packages.
Check that all parts are included.

Location Requirements
IMPORTANT: Observe all governing codes and ordinances.
Have a qualified technician install the hood. It is the installer’s responsibility to comply with installation clearances specified on the model/serial/rating plate. The model/serial rating plate is located behind the left filter on the rear wall of the vent hood.
Canopy hood location should be away from strong draft areas, such as windows, doors and strong heating vents.
Cabinet opening dimensions that are shown must be used. Given dimensions provide minimum clearance.
Grounded electrical outlet is required. See “Electrical Requirements” section.
Because of the size and weight of this wall hood, the chimney support must be securely attached to the wall.
- For plaster or drywall ceilings, the chimney support must be attached to joists. If this is not possible, you must build a support structure behind the plaster or drywall. The support structure must be able to support 100 lbs (45.4 kg).
IMPORTANT: The means of fixing supplied with the hood, are exclusively suitable for fixing on concrete or brick ceiling.
- Ask a qualified technician to indicate which fasteners should be used depending on the type of wall/ceiling in the home.
- For the various wall or ceiling mounted installations, use screws and dowels suited to the type of structural material (e.g. cement, wood, etc.).
- Check that the screws and dowels supplied with the product are suited to the type of wall/ceiling on which the hood will be mounted.
- A qualified technician must ensure the wall/ceiling where the hood will be installed is solid enough to support the weight of the product.
If not, prepare a suitable frame for said purpose.
This hood is recommended for use with cooktops with a maximum total rating of 90,000 BTUs or less on 600 CFM models and 62,000 BTUs or less on 400 CFM models.
The hood is factory set for venting through the roof.
For non-vented (recirculating) installation, see “Non-vented (recirculating) Installations” in “Assemble and Install Hood” section. Recirculation Kit Part Number W11522798 is available from your dealer or an authorized parts distributor.
All openings in ceiling and wall where hood will be installed must be sealed.
For Mobile Home Installations
The installation of this hood must conform to the Manufactured Home Construction Safety Standards, Title 24 CFR, Part 328 (formerly the Federal Standard for Mobile Home Construction and Safety, Title 24, HUD, Part 280) or when such standard is not applicable, the standard for Manufactured Home Installation 1982 (Manufactured Home Sites, Communities and Setups) ANSI A225.1/NFPA 501A, or latest edition, or with local codes.
Product Dimensions

- A. 127/16″ (31,6 cm)
- B. 127/16″ (32 cm)
- C. 2915/16″ (76 cm) 356/16″ (89,6 cm)
- D. 171/16″ (43.4 cm)
- E. 26/16″ (6.0 cm)
- F. 2612/16″ (67.9 cm)
- G. **2715/16″ (71.0 cm) minimum
***474/16″ (120.0 cm) maximum
*Vented installations only
**Non-vented (recirculating) installations only
Installation Dimensions

*For non-vented (recirculating) installations
IMPORTANT:
Minimum distance “X”: 30″ (76.2 cm) from electric cooking surface.
Minimum distance “X”:30″ (76.2 cm) from gas cooking surfaces.
Suggested maximum distance “X”: 36″ (91.4 cm).

*NOTE: The hood chimneys are adjustable and designed to meet varying ceiling or soffit heights depending on the distance “C” between the bottom of the hood and the cooking surface. For higher ceilings, a Stainless Steel Chimney Extension Kit Part Number is available from your dealer or an authorized parts distributor. The chimney extension replaces the upper chimney shipped with the hood.
Venting Requirements
- Vent system must terminate to the outside, except for non- vented (recirculating) installations.
- Do not terminate the vent system in an attic or other enclosed area.
- Do not use 4″ (10.2 cm) laundry-type wall caps.
- Use metal vent only. Rigid metal vent is recommended.
Do not use plastic or metal foil vent. - The vent system must have a damper. If the roof or wall cap has a damper, do not use the damper supplied with the hood.
For the most efficient and quiet operation:
- Use a straight run or as few elbows as possible.
- Use no more than three 90° elbows.
- Make sure there is a minimum of 24″ (61.0 cm) of straight vent between the elbows, if more than 1 elbow is used.
- Do not install 2 elbows together.
- Use vent clamps to seal all joints in the vent system.
- Use caulking to seal exterior wall or roof opening around the cap.
- The size of the vent should be uniform.
Cold Weather Installations
An additional back draft damper should be installed to minimize backward cold air flow and a thermal break should be installed to minimize conduction of outside temperatures as part of the vent system. The damper should be on the cold air side of the thermal break.
The break should be as close as possible to where the vent system enters the heated portion of the house.
Makeup Air
Local building codes may require the use of makeup air systems when using ventilation systems greater than specified CFM of air movement. The specified CFM varies from locale to locale. Consult your HVAC professional for specific requirements in your area.
Venting Methods
A 6″ (15.2 cm) round vent system is needed for installation (not included). The hood exhaust opening is 6″ (15.2 cm) round.
NOTE: Flexible vent is not recommended. Flexible vent creates back pressure and air turbulence that greatly reduce performance.
Vent system can terminate either through the roof or wall.
To vent through a wall, a 90° elbow is needed.
For Non-Vented (recirculating) Installations
If it is not possible to vent cooking fumes and vapors to the outside, the hood can be used in the non-vented (recirculating) version, fitting a charcoal filter and the deflector. Fumes and vapors are recycled through the top grille.

- A. Roof cap
- B. 6″ (15.2 cm) round vent
- A. Wall cap
- B. 6″ (15.2 cm) round vent
- A. Deflector
- B. 6″ (15.2 cm) round vent
Calculating Vent System Length
To calculate the length of the system you need, add the equivalent ft (meters) for each vent piece used in the system.

Maximum equivalent vent length is 35 ft (10.7 m).
Example Vent System

The following example falls within the maximum vent length of 35 ft (10.7 m).
- 1 – 90° elbow = 5.0 ft (1.5 m)
- 1 – wall cap = 0.0 ft (0.0 m)
- 8 ft (2.4 m) straight = 8.0 ft (2.4 m)
- Length of system = 13.0 ft (3.9 m)
Electrical Requirements
Observe all governing codes and ordinances.
Ensure that the electrical installation is adequate and in conformance with National Electrical Code, ANSI/NFPA 70 (latest edition), or CSA Standards C22.1-94, Canadian Electrical Code, Part 1 and C22.2 No. 0-M91 (latest edition) and all local codes and ordinances.
If codes permit and a separate ground wire is used, it is recommended that a qualified electrician determine that the ground path is adequate.
GROUNDING INSTRUCTIONS
- If codes permit and a separate ground wire is used, it is recommended that a qualified electrician determine that the ground path is adequate.
- Do not ground to a gas pipe.
- Check with a qualified electrician if you are not sure hood is properly grounded.
- Do not have a fuse in the neutral or ground circuit.
- Consult a qualified electrician if the grounding instructions are not completely understood, or if doubt exists as to whether the appliance is properly grounded.
- This appliance must be grounded. In the event of an electrical short circuit, grounding reduces the risk of electric shock by providing an escape wire for the electric current.
WARNING: Improper grounding can result in a risk of electric shock.
- Only for appliances provided with power supply cord:
- This appliance is equipped with a cord having a grounding wire with a grounding plug. The plug must be plugged into an outlet that is properly installed and grounded.
- Do not use an extension cord. If the power supply cord is too short, have a qualified electrician install an outlet near the appliance.
- Do not operate any fan with a damaged cord or plug.
Discard fan or return to an authorized service facility for examination and/or repair. - Do not run cord under carpeting.
- Do not cover cord with throw rugs, runners, or similar coverings.
- Do not route cord under furniture or appliances.
- Arrange cord away from traffic area and where it will not be tripped over.
- The hood should be connected directly to the fused disconnect (Or circuit breaker).
- Wire sizes must conform to the requirements of the National Electrical Code ANSI/NFPA 70 — latest edition*, or CSA Standards C22.1-94, Canadian Electrical Code Part 1 and C22.2 No. 0-M91 – latest edition** and all local codes and ordinances.
A copy of the above code standards can be obtained from:
- National Fire Protection Association
- 1 Battery march Park
- Quincy, MA 02169-7471
- CSA International
- 8501 East Pleasant Valley Road
- Cleveland, OH 44131-5575
INSTALLATION INSTRUCTIONS
Prepare Location
- It is recommended that the vent system be installed before the hood is installed.
- Before making cutouts, make sure there is proper clearance within the ceiling for exhaust vent.
- Hood is to be installed 30″ (76.2 cm) minimum for electric cooking surfaces, 30″ (76.2 cm) minimum for gas cooking surfaces, to a suggested maximum of 36″ (91.4 cm) above the cooking surface.
- Check your ceiling height and the hood height maximum before you select your hood.
- Disconnect power.
- Determine which venting method to use: roof, wall, or non-vented.
- Select a flat surface for assembling the hood. Place covering over that surface.
WARNING
Excessive Weight Hazard
Use two or more people to move and install hood. Failure to do so can result in back or other injury. - Using 2 or more people, lift hood onto covered surface.
Hood Mounting Screws Installation
- Establish and mark the center line on the wall where the hood will be installed, as indicated in figure.
- Tape the template sheet so the lower edge of the sheet representing the bottom of the hood is at a mounting height between a minimum of 30″ (76.2 cm) for an electric cooking surface, a minimum of 30″ (76.2 cm) for a gas cooking surface, and a suggested maximum of 36″ (91.4 cm) for both gas and electric cooking surfaces. Drill 3 holes as shown in figure.

- Install three Ø8 x 40 mm dowels. Install two Ø5 x 45 mm screws as shown in figure.
- Make sure the screw has at least 10 mm distance from the wall when it is screwed for hood mounting as shown in figure.

- Take the chimney fixing bracket, adjust the bracket with the width of the pipe and couple it with 4 screws Ø4×8 mm as shown in figure, steps 1-2-3-4.

- Position the bracket: The center line drawn will facilitate the correct positioning of the bracket. Mark the 2 holes for wall mounting, drill the holes Ø8 mm and install 2 plugs Ø8 x45 mm and finally fix the bracket with the two screws Ø5×45 mm, as shown in figure.

- Prearrange the air duct outlet hole, only in the Exhaust version.
- The diameter of the air outlet hole in the wall must be Ø160 mm, taking into account the measurements indicated in figure. Make sure the hole does not coincide with the electrical system.

- Check that there are no ducts or pipes on the wall that they might make installation impossible as shown in figure.

- If, instead, the hood has been installed with a recirculation kit, the air diverter is included in the supply and must be adjusted according to the width of the pipe and fixed with two screws Ø3.5×9.5 mm as shown in figure.

- Take the air diverter and fix it to the wall bracket previously fixed, with 4 screws Ø3.5×9.5 mm as shown in figure.
NOTE: For better handling of the hood, before proceeding with installation, remove the perimeter suction panel and the grease filter, as shown in figure, steps 1-2-3-4.

- For vented installations only: Using a jigsaw or keyhole saw, cut a 6½” (16.5 cm) diameter hole for the vent duct.
NOTE: Your hood can work with either an internal or an in-line (external) blower motor system. An optional In-Line Smart Kit (purchased separately) allows the blower motor that comes with this hood to be installed in a location other than inside the hood cavity.
CAUTION: To reduce the risk of fire and electric shock, install this hood only with the In-Line Smart Kit manufactured by Whirlpool, W10692945.
For installation see the In-Line Smart Kit installation instructions. See the “Assistance or Service” section to order.
Assemble and Install Hood
- Install transition on top of hood (if removed for shipping) with 2 – 3.5 x 9.5 mm sheet metal screws.

- Hang the hood with the help of at least two people on the two screws previously fixed to the wall as shown in figure.

- Tighten the two screws and definitively fix the hood to the wall with the Ø5×45 mm safety screw and washer as shown in figure.

- Remove the sticker from the electrical system box as shown in figure and follow steps 1-2-3.

- Fixing the air outlet pipe in the Exhaust version or in the Recirculation version figure 16. Use a pipe with a diameter no smaller than that of the hood connection and the minimum number of bends required. adjust and if necessary cut off the excess pipe. The tube must be purchased and must be compatible with the regulations in force in your country.

- Fix the tube to the lower part of the product and connect it to the external outlet in the Exhaust version, and to the air diverter in the Recirculation version figure.

- The kit is composed of a carbon filter, a bracket and 4 screws Ø3.5×9.5 mm, the bracket must be fixed to the lower part of the hood with the 4 screws supplied, figure.

Make Electrical Connection
WARNING
- Electrical Shock Hazard
- Disconnect power before servicing.
- Replace all parts and panels before operating.
- Failure to do so can result in death or electrical shock.
WARNING
- Electrical Shock Hazard Electrically ground blower.
- Connect ground wire to green and yellow ground wire in terminal box.
- Failure to do so can result in death or electrical shock.
- Disconnect power.
- Remove terminal box cover.
- Remove the knockout in the terminal box, and then install a UL listed or CSA approved 1/2″ (12.7 mm) strain relief.
- Run home power supply cable through strain relief and into the terminal box.
- Use UL listed wire connectors and connect black wires (L) together.
- Use UL listed wire connectors and connect white wires (N) together.

- Connect green (or bare) ground wire from home power supply to yellow-green ground wire (F) in terminal box using UL listed wire connectors.
- Tighten strain relief screw.
- Install terminal box cover.
- Check that all light bulbs are secure in their sockets.
- Reconnect power.
Optional Power Cord Kit Installations
For optional power cord kit installations, follow the instructions supplied with the power cord kit. See the “Assistance or Service” section for information on ordering.
NOTE: Use only with hood cord connection kits that have been investigated and found acceptable for use with this model hood.
Install Duct Covers
NOTE: Remove the film from the duct covers.
- In the Exhaust version, the grill faces downwards and in the Recirculation version, the grill faces upwards as shown in figure. Position the tubes on the hood, take the upper tube and fix it to the bracket with the two screws Ø2.9×6.5 mm as indicated in step 1-2.

- If the product is in the Recirculation version, place the carbon filter on the bracket as shown in figure.

- Reposition the grease filters in their seats as shown in figure.

- Reposition the perimeter suction panel as shown in figure, phase 1-2-3.

HOOD USE
The hood is designed to remove smoke, cooking vapors and odors from the cooktop area. For best results, start the hood before cooking and allow it to operate several minutes after the cooking is complete to clear all smoke and odors from the kitchen.
The hood controls are located on the front side of the canopy.

- A. Louver holes (non-vented
[recirculating] installations only) - B. Upper duct covers
- C. Lower duct covers
- D. LED lights (1)
- E. Metal grease filters
(located behind the perimetic cover) - F. Perimetic cover
- G. Canopy
- H. Control panel
Controls and Features
The hood is fitted with a control panel with aspiration speed selection control and a light switch to control cooking area lights.
- T1 = Motor ON/OFF button – 1st speed.
- T2 = 2nd speed.
- T3 = 3rd speed.
- T4 = 4th Speed.
Timed On/Off Boost, after 5 minutes the hood returns to the previously set speed.
- T5 = Light ON/OFF button.
- T6 = Reset Button for filters:
The filters must always be reset with the motor running.
The hood will warn the user that it is time to do maintenance work on the filters, by giving out a light-signal.
Flashing Button: carry out the maintenance of the greasy filters, following this press the button for over 3 seconds and the button will turn off.
Lit Button: carry out maintenance on carbon-filters, following this press the button for more than 3 seconds, the button will switch off.
Attention: the hood is provided only with a warning signal for greasy filters.
To put into function the greasy-filter signal: Set the hood off, press switch button number 6 for more than 3 seconds, the switch will turn on signalling that the function has been set.
To deactivate the carbon filter signal, repeat the entire procedure again.
Functions
Fan Speeds
- Min
Press MIN FAN to turn the fan on at Minimum speed. - Med
Press MED FAN to turn the fan on at Medium speed. - Max
Press MAX FAN to turn the fan on at Maximum speed. - Boost
Press BOOST to turn the fan on at the highest speed. Boost will automatically turn Off after 5 minutes and the fan will switch to High speed.
Control Panel

Timer
The hood can be set to turn Off automatically after 15 minutes.
- Press and hold the desired fan speed button for 2 seconds.
The fan will run on the chosen speed for 15 minutes, and the fan speed button light will flash continuously.
After 15 minutes, the fan will turn Off automatically. - Press the desired fan speed button again while the fan timer is running to cancel the fan timer.
NOTE: Changing the fan speed or turning Auto Sense On will also cancel the 15 minute timer.
Filter
The Filter button lights up when it is time to replace or clean the filter. The button will be lit only when the fan is On. Press FILTER after replacing the filter to turn the Filter button light Off. See the “Cleaning” section for how to replace or clean the filter.
Light
Press LIGHT to turn the hood lights On and Off.
HOOD CARE
User Servicing and Maintenance Instructions
Cleaning:
- Clean using ONLY a cloth dampened with neutral liquid detergent.
- DO NOT CLEAN WITH TOOLS OR INSTRUMENTS.
- Do not use abrasive products. DO NOT USE ALCOHOL.
Steam screen:
The steam screen must always be left closed and opened only for maintenance (e.g. cleaning or changing filters).
Grease filter
Traps cooking grease particles.
This must be cleaned once a month (or when the filter saturation indication system – if signaled on the model in possession-indicates this necessity) using non aggressive detergents, either by hand or in the dishwasher, which must be set to a low temperature and a short cycle. When washed in a dishwasher, the grease filter may discolor slightly, but this does not affect its filtering capacity.
Charcoal filter (For Recirculating Installations)
It absorbs unpleasant odors caused by cooking.
The charcoal filter can be washed once every two months (or when the filter saturation indication system – if signaled on the model in possession – indicates this necessity) using hot water and a suitable detergent, or in a dishwasher at 65°C (if the dishwasher is used, select the full cycle function and leave dishes out). Eliminate excess water without damaging the filter, then put it in the oven for 10 minutes at 212°F (100°C) to dry completely. Replace the filter every 3 years and when the cloth is damaged.
Replacing lamps
- The hood is equipped with a lighting system based on LED technology.
- The LEDs guarantee an optimum lighting, a duration up to 10 times longer than the traditional lamps and allow to save 90% electrical energy.
- For replacement, contact the technical service.
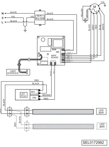
WIRING DIAGRAM

ASSISTANCE OR SERVICE
If you need replacement parts
If you need to order replacement parts, we recommend that you use only factory specified parts.
Factory specified parts will fit right and work right because they are made with the same precision used to build every new appliance.
To locate factory specified replacement parts in your area, call the following customer assistance telephone number or your nearest designated service center.
In the U.S.A.
Call JennAir Customer eXperience Center toll free:
1-800-JENNAIR (1-800-536-6247) or visit our website at www.jennair.com.
Our consultants provide assistance with:
- Scheduling of service. JennAir® appliances designated service technicians are trained to fulfill the product warranty and provide after-warranty service anywhere in the United States.
- Features and specifications on our full line of appliances.
- Referrals to local JennAir® appliance dealers.
- Installation information.
- Use and maintenance procedures.
- Accessory and repair parts sales.
- Specialized customer assistance (Spanish speaking, hearing impaired, limited vision, etc.).
For further assistance
If you need further assistance, you can write to JennAir® Appliances with any questions or concerns at:
- JennAir Brand Home Appliances
- Customer eXperience Center
- 553 Benson Road
- Benton Harbor, MI 49022-2692
Please include a daytime phone number in your correspondence.
In Canada
Call the Whirlpool Canada LP Customer eXperience Centre toll free at 1-800-JENNAIR (1-800-536-6247) or visit our website at www.jennair.ca.
Our consultants provide assistance with:
- Scheduling of service. JennAir® appliances designated service technicians are trained to fulfill the product warranty and provide after-warranty service anywhere in the Canada.
- Features and specifications on our full line of appliances.
- Referrals to local JennAir® appliance dealers.
- Installation information.
- Use and maintenance procedures.
- Accessory and repair parts sales.
For further assistance
If you need further assistance, you can write to JennAir® Appliances with any questions or concerns at:
- JennAir Brand Home Appliances
- Customer eXperience Centre
- 200 – 6750 Century Ave.
- Mississauga, Ontario L5N 0B7
Please include a daytime phone number in your correspondence.
Accessories
- Chimney Kit 10.5 ft-12.1 ft (3.2 m-3.7 m)
Order Part Number W11522794 - Chimney Kit 8.9 ft-10.5 ft (2.7 m-3.2 m)
Order Part Number W11522796 - Charcoal Filter Kit – Recirculating Kit
(for non-vented installations only)
Order Part Number W11522798 - Filter Kit – Replacement
Order Part Number W11522797 - 6″ (15.2 cm) Makeup Air Kit
(consult local building codes)
Order Part Number W10446915
®/™ ©2021 JennAir.
All rights reserved.
Used under license in Canada.








NOTE: For better handling of the hood, before proceeding with installation, remove the perimeter suction panel and the grease filter, as shown in figure, steps 1-2-3-4.































