SALUS VS30W Programmable Wired Thermostat with Digital Display

Relay module RM-16A opens and closes the circuit in order to affect the work of other devices. Some uses of the module RM-16A with other Salus products are shown below:
- Connection of the thermostat with the high voltage relay 230V (e.g. VS30/RT200/ERT20/ERT30/ERT50/VS10) with a gas boiler which requires free-voltage output NO/COM or NC/COM
- Connection of the SALUS temperature regulator with the NO/COM relay (e.g. 091FL) with the boiler con-trol which requires NC/COM output (NC/COM output is normally required in the solid fuel boiler controls )
- Connection of the receiver transmitting power higher than it is allowed by the relay in a regulator. The maximum electricity consumption of the receiver cannot exeed 16A
- Connection of the devices other than electro thermal actuators with the wiring centre ( KL06-M/KL08NSB /KL08RF/KL10/KL10RF) e.g. if you want to connect a pump or an electric heating mat instead of a electro thermal actuator.
Introduction
The VS30 thermostat controls temperatures of individual heating zone in underfloor heating systems. Thermostat allows for significant savings thanks to the possibility of maximum reduction the set temperature. The full version of the manual in PDF format is available on the website www.salus-controls.eu
Product Compliance
This product complies with the following EU Directives: Electromagnetic Compatibility 2014/30/EU, Low Voltage Directive 2014/35/EU and RoHS 2011/65/EU. Full information is available on the website www.saluslegal.com
Safety Information
Use in accordance with national and EU regulations. Use the device only as intended, keeping it in a dry condition. The product is for indoor use only. Installation must be carried out by a qualified person in accordance with national and EU regulations.
Terminals description
| Terminal | Description |
| L,N | Power Supply 230 V AC |
| NSB | Night SetBack (output 230 V AC) |
| SL | Switched output (230 V AC) |
| S1, S2 | External temperature sensor |
Proper thermostat placement


LCD Icon description

1. Current active mode
2. Comfort mode
3. Standard mode
4. Economic mode
5. Automatic mode
6. PARTY mode
7. Holiday mode
8. Frost protection mode
9. Temperature unit
10. Manual mode / temp. override
11. Current / set temperature
12. Program number
13. AM/PM
14. Key lock
15. Day of the week
16. Settings
17. Time
18. Additional temp. sensor
19. Cooling
20. Heating
Installation
The VS30 thermostat has been designed for flush mounting in a standard electrical box with a diameter of 60 mm.
Note: Use the rear plate of the VS30 thermostat only with this model.
Wiring diagrams
An additional temperatur Te sensor is optional.
VS30 thermostat in connection with actuator or pump
VS30 thermostat in connection with wiring centre
In this diagram, the VS30 thermostat manages the NSB function, more details about NSB function can be found on the next page.
Note: In the KL06 wiring centre, the SL terminal is marked with an arrow icon .
VS30 thermostat in connection with a boiler with a “NO” voltage free terminal through the RM-16A relay
NSB function is not active.
Time and date setting
Note: During the first start-up, thermostat will automatically start time and date setting – in this case go to step 4.
Press any button to highlight the screen, then follow the steps below:
Similarly to steps 5 and 6, set the minutes, year, month and day.
Temperature setting
Press any button to highlight the screen, then follow the steps below:
Manual mode – temperature settings
There are 4 temperature levels available. In manual mode only one temperature level is active (icon in the frame indicates which mode is currently chosen). For each temperature levels you can set a different temperature.

Programming
Press any button to highlight the screen, then follow the steps below:



Repeat steps 5 – 10 to set time and temperatures for next time ranges. No hour (–:–) on the display means whole day
is planned already. Schedule can be divided into maximum 6 time ranges.
NSB function – automatic mode
The NSB (Night SetBack) function can automatically change temperatures on VS35 daily thermostats via VS30 programmable thermostat connected to a wiring centre (or another external clock). NSB function switches between comfortable temperature and economic temperature .
Note: For the NSB function to work, it is necessary to connect the wirings properly. Connection diagrams can be found on the previous page.
Press any button to highlight the screen, then follow the steps below:
Installer settings
Press any button to highlight the screen, then follow the steps below:
Note: To restore the thermostat’s factory settings, in step 2 set the PSuu to 47 code, and confirm the selection with the button.
| dxx | Function | Value | Description | Default value |
| d01 | Control method temperature | 0 | PWM algorithm | 0 |
| 1 | Span ±0.5°C | |||
| 2 | Span ±1.0°C | |||
| d02 | Offset temperature | from -3.0°C to +3.0°C | If the thermostat indicates wrong temperature, you can correct it by ± 3.0°C | 0°C |
| d03 | Using a floor tempera- ture sensor (S1, S2) | 0 | No sensor | 0 |
| 1 | Sensor is connected | |||
|
d04 | External sensor used for air or floor temperature measurement (Function is active, when d03=1) | 0 | Thermostat measures the temperature only on the external sensor |
0 |
| 1 | The sensor is used as a protection against overheating the floor | |||
| d05 | Cooling mode control method | 1 | Span ±0.5°C | 2 |
| 2 | Span ±1.0°C | |||
| d06 | Type of thermoelectric actuator | 0 | NO – normally open | 1 |
| 1 | NC – normally closed | |||
| d07 | Valve protection | 0 | OFF | 1 |
| 1 | ON | |||
| d08 | Frost protection temperature | 5-17°C | Frost protection / Holiday mode temperature | 5°C |
| d09 | Clock format | 0 | 12 hour | 1 |
| 1 | 24 hour | |||
| d11 | Daylight Saving Time | 0 | OFF | 1 |
| 1 | ON | |||
| d12 | Heating temperature limit | 5-35°C | The maximum heating temperature that can be set by the user | 35°C |
| d13 | Cooling temperature limit | 5-40°C | The minimum cooling temperature that can be set by the user | 5°C |
|
d14 | Maximum floor temperature (this function is active in heating mode when d04 = 1) |
6-45°C | In order to protect the floor from overheating, heating will be turned OFF, when the maximum temp. of the floor sensor will be reached |
27°C |
|
d15 | Minimum floor temperature (this function is active in heating mode when d04 = 1) |
6-45°C | In order to protect the floor, heating will be turned ON, when the minimum temp. of the floor sensor will be reached |
10°C |
|
d16 | Lower floor temperature limit for cooling (this function is active when d04 = 1) |
6-45°C | In order to protect the floor, cooling will be turned OFF, when the minimum temp. will be reached |
6°C |
| d17 | Choice of the default program | 1-5 | Selection 1 of the 5 default programs | 1 |
| d18 | Operating mode HEATING / COOLING | 0 | Heating system | 0 |
| 1 | Cooling system |
Error codes
| Error code | Description |
| Err02 | The maximum / minimum floor temperature has been exceeded |
| Err03 | Temperature sensor is faulty |
| Err04 | Temperature sensor is shorted |
SAFETY INFORMATION
Before connecting the relay module with a different device make sure that its parame-ters are consistent with the RM-16A module specification. Incorrect connection may cause undesirable action, excessive overheating and combustion hazard. To avert the hazard make sure that the relay module RM-16A is correctly connected. The connection of the device can be done only by a qualified installer who has up-to-date eligibility.
INTRODUCTION
Relay module RM-16A opens and closes the circuit in order to affect the work of other devices. Some uses of the module RM-16A with other Salus products are shown below:
- Connection of the thermostat with the voltage relay 230V (e.g. VS30/RT200/ERT20/ERT30/ERT50/VS10) with a gas-fired boiler which requires free-voltage output NO/COM or NC/COM
- Connection of the SALUS thermostat with the NO/COM relay (e.g. 091FL) with the boiler control which needs NC/COM output (NC/COM output is normally required in the solid fuel boiler controls)
- Connection of the receiver transmitting power higher than it is allowed by the relay in a regulator. The maximum electricity consumption of the receiver cannot exeed 16A
- Connection of the devices other than electro thermal actuators with the wiring centre ( KL06-M/KL08NSB /KL08RF/KL10/KL10RF) e.g. if you want to connect a pump or an electric heating mat instead of a electro thermal actuator.
| PRODUCT SPECIFICATION | |
| Power: | 16A / 250V AC, 4000VA |
| INPUT NO/COM: | Connection of a regulator with the free voltage relay NO/COM |
| OUTPUT NC/COM/NO: | Output receiver |
| INPUT SL: | Connection of the regulator with the voltage relay 230V |
| POWER SUPPLY N/L: | Power of 230V AC/50Hz |
| Measurements: | 47x47x21 |
VISUAL ASPECT

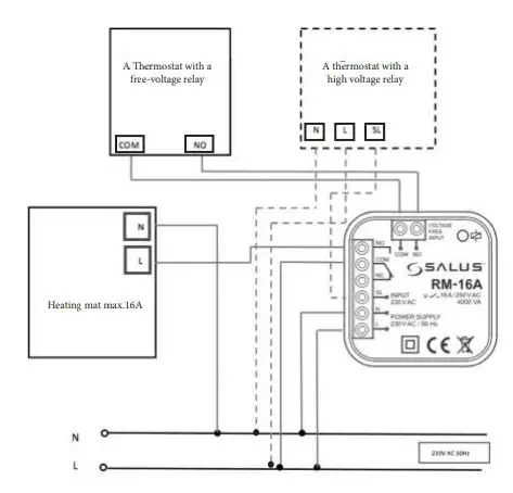
CONNECTION DIAGRAMS
- Connection of the thermostat with a voltage relay 230V (e.g. VS30/RT200/ERT20/ERT30/ERT50/VS10) to a gas boiler which requires free-voltage output NO/COM.

- Connection of the SALUS temperature regulator with NO/COM relay (e.g. 091FL) with a boiler control which requires NC/COM output ( NC/COM output is normally required in solid fuel boilers controls).

- Connection of the receiver transmitting power higher than it is allowed by the relay in a regulator. The maximuml electricity consumption of the receiver cannot exeed 16A

- Connection of the devices other than electro thermal actuators with the wiring centre ( KL06-M / KL08NSB / KL08RF / KL10 / KL10RF) e.g. if you want to connect a pump or an electric heating mat instead of a electro thermal actuator.

























