MARSON MT88S Long Range 2D Imager

Introduction
The MT88S 2D Imager is designed for 1D and 2D barcode scanning with optimal performance and easy integration. MT88S is ideal for integration into data terminals and mobile devices.
The MT88S 2D Imager consists of 1 illumination LED, 1 aimer LED and a powerful image sensor that delivers high-quality images to the host.
This powerful, reliable mini 2D imager is an ideal choice for a variety of applications, including ticketing, access control, mobile payment, and manufacturing.
Electric Interface
| Pin# | Name | I/O | Description | Schematic Example |
| 1 | GND | ———— | Power and signal ground. | |
| 2 | NC | ———— | ———— | ———— |
| 3 | GND | ———— | Power and signal ground. | |
| 4 | NC | ———— | ———— | ———— |
| 5 | VCC_ILLUM | Input | Supply Power | Operating Voltage: 3.3V±5% Max current: 300mA |
| 6 | VCC_ILLUM | Input | Supply Power | Operating Voltage: 3.3V±5% Max current: 300mA |
| 7 | VDD_IO_HOST | Input | Supply Power | Operating Voltage: 1.8V±5% Max current: 50mA |
| 8 | VCC | Input | Aim, Logic and Sensor Power | Operating Voltage: 3.3V±5% Max current: 300mA |
| 9 | EXT_ILLUM_EN | Output | External Illumination LED Enable | Floating |
| 10 | NC | ———— | ———— | ———— |
| 11 | NC | ———— | ———— | ———— |
| 12 | NC | ———— | ———— | ———— |
| 13 | NC | ———— | ———— | ———— |
| 14 | NC | ———— | ———— | ———— |
| 15 | NC | ———— | ———— | ———— |
| 16 | NC | ———— | ———— | ———— |
| 17 | NC | ———— | ———— | ———— |
| 18 | NC | ———— | ———— | ———— |
| 19 | SDA | I/O | I2C Data | High = 3.3V, Low = 0V |
| 20 | SCL | I/O | I2C Clock | High = 3.3V, Low = 0V |
| 21 | RCN | Output | MIPI Clock- | ———— |
| 22 | GND | ———— | Power and signal ground. | |
| 23 | RCP | Output | MIPI Clock+ | ———— |
| 24 | GND | ———— | Power and signal ground. | |
| 25 | RDP0 | Output | MIPI Data+ <0> | ———— |
| 26 | GND | ———— | Power and signal ground. | |
| 27 | RDN0 | Output | MIPI Data- <0> | ———— |
| Address | Register | Default Value | Descirption |
|
0x0001 |
illumination |
0xA | Bit[7:4]:Reserved Bit[3:0] 0x0: OFF 0x1 : minimum brightness 0xA: maximum brightness |
|
0x0002 |
Aimer |
0x1 | Bit[7:1]:Reserved Bit[0] 0x0 : OFF 0x1 : Aimer on |


Power–up Sequence
Power–down Sequence
Diminsion
Specifications
| Optic & Performance | ||
| Light Source | White LED | |
| Aiming | Visible red LED | |
| Sensor | 1280 x 800 pixels | |
| Resolution | 4mil (Code39), 8mil (QR Code) | |
| Field of View | Horizontal 41°, Vertical 26° | |
| Scan Angle | Pitch Angle ±60° Skew Angle ±45° Roll Angle 360° | |
| Print Contrast Ratio | 30% | |
| Width of Field | 200mm (13Mil Code39) | |
| Guaranteed Depth Of Field (Environment: 800 lux) | 4 Mil Code39: | 100 ~ 150mm |
| 5 Mil Code39: | 90 ~ 170mm | |
| 13 Mil UPC/ EAN: | 65 ~ 400mm | |
| 15 Mil QR Code: | 60 ~ 300mm | |
| 6.67 Mil PDF417: | 85 ~ 180mm | |
| Physical Characteristics | ||
| Dimension | W22.1 x L10.6 x H8 mm | |
| Weight | 1.6g | |
| Color | Black | |
| Material | PC | |
| Connector | 27pin ZIF Connector (pitch=0.3mm) | |
| Electrical | ||
| Operation Voltage | 3.3 ± 0.15 VDC | |
| Working Current | < 200 mA | |
| Standby Current | < 80 mA | |
| Connectivity | ||
| Interface | MIPI | |
| User Environment | ||
| Operating Temperature | -20°C ~ 60°C | |
| Storage Temperature | -30°C ~ 70°C | |
| Humidity | 0% ~ 95%RH (Non-condensing) | |
| Drop Durability | 1.5M | |
| Ambient Light | 100,000 Lux (Sunlight) |
| Regulatory | |
| ESD | Functional after 4KV contact, 8KV air discharge (It requires housing that is designed for ESD protection and stray from electric fields.) |
| EMC | TBA |
| Safety Approval | TBA |
| Environmental | WEEE, RoHS 2.0 |
Scanning Range
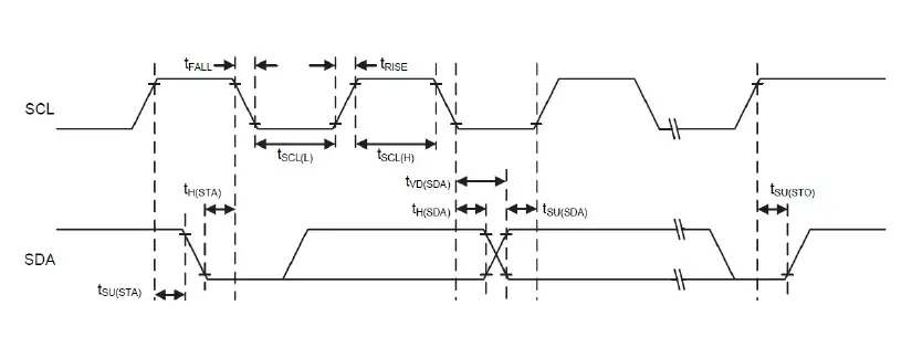
Serial Bus Timing
MECHANICAL INTER GRATION
The scan engine is designed specifically for integration into customers’ housing for OEM applications. However, the scan engine’s performance will be adversely affected or permanently damaged when mounted into an unsuitable enclosure
Warning:
The limited warranty is void if the following recommendations are not adhered to when mounting the scan engine. All scan engines are shipped in ESD protective packaging due to the sensitive nature of the exposed electrical components.
- ALWAYS use grounding wrist straps and a grounded work area when unpacking and handling the scan engine.
- Mount the scan engine in a housing that is designed for ESD protection and stray electric fields.
Mounting MT88S
First of all, the MT88S should be fixed with tow self-forming screws on the host PCBA. To secure MT88S the maximum thread depth is 3.0 mm and the operator must use safe ESD practices when handling and mounting the MT88S:
- The thickness of PCBA: 0.8 ~ 1.0 mm
- The size of the screw hole: 1.4mm dia.
- The size of the screw: M1.4 X 2.5mm
- The torque of the screwdriver:≦1kg-cm (0.86 lb-in)
Following are descriptions of three popular window materials:
- Poly-methyl Methacrylic (PMMA)
- Allyl Diglycol Carbonate (ADC)
- Chemically tempered float glass
Cell Cast Acrylic (ASTM: PMMA)
Cell cast Acrylic or Poly-methyl Methacrylic is fabricated by casting acrylic between two precision sheet of glass. This material has very good optical quality, but is relatively soft and susceptible to attack by chemicals, mechanical stress, and UV light. It is strongly recommended to have acrylic hard-coated with Polysiloxane to provide abrasion resistance and protection from environmental factors. Acrylic can be laser-cut into odd shapes and ultrasonically welded.
Cell Cast ADC, Allyl Diglycol Carbonate (ASTM: ADC)
Also known as CR-39TM, ADC, a thermal setting plastic widely used for plastic eyeglasses, has excellent chemical and environmental resistance. It also has an inherently moderate surface hardness and therefore does not require
hard-coating. This material cannot be ultrasonically welded.
Chemically Tempered Float Glass
Glass is a hard material that provides excellent scratch and abrasion resistance. However, un-annealed glass is brittle. Increased flexibility strength with minimal optical distortion requires chemical tempering. Glass cannot be ultrasonically welded and is difficult to cut into odd shapes.
| Property | Description |
| Spectral Transmission | 85% minimum from 635 to 690 nanometers |
| Thickness | < 1 mm |
|
Coating | Both sides to be anti-reflection coated to provide 1% maximum reflectivity from 635 to 690 nanometers at nominal window tilt angle. An anti-reflection coating can reduce the light that is reflected back to the host case. Coatings will comply with the hardness adherence requirements of MIL-M-13508. |
Window Specification
| Window Specifications for MT88S Integration | |||||
| Distance | Tilt Angle (a) | Minimum Window Size | |||
| Horizontal (h) | Vertical (v) | Thickness (t) | |||
| < 0.5 mm (b) | 0 | 0 | 24 mm | 7 mm | < 1 mm |
In the aspect of the window, the performance of MT88S will be reduced due to any kind of scratch. Thus, reducing the damage of windows, there are a few things that have to be noticed.
- Avoid touching the window as much as possible.
- When cleaning the window surface, please use a non-abrasive cleaning cloth, and then gently wipe the host window with the cloth that is already sprayed with glass cleaner.
REGULATIONS
The MT88S 2D imager conforms to the following regulations:
- Electromagnetic Compliance – TBA
- Electromagnetic Interference – TBA
- Photobiological Safety – TBA
- Environmental Regulations – RoHS 2.0, WEEE
Version History
| Rev. | Date | Description | Issued | Checked |
| 1.0 | 2022.02.09 | Initial Draft Release | Shaw | Kenji & Alice |
| 1.1 | 2022.05.17 | Updated Model No. MT88S Updated Electric Interface Updated Mechanical Drawing | Shaw | Kenji & Alice |
| 1.2 | 2022.09.07 | Removed Scan Rate | Shaw | Kenji & Alice |























