BUKH DV36 RME Marine Diesel Lifeboat Engine

OPERATING MANUAL FOR BUKH DV36RME LIFEBOAT ENGINES

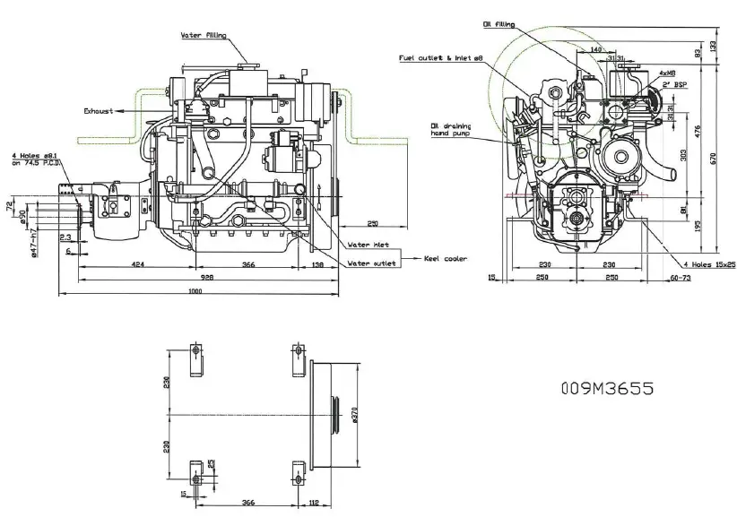
- Oil pressure switch
- Cooling water drain plug
- Fuel filter
- Air filter with noise suppression
- Lifting fittings
- Electric stop solenoid
- Lubricating oil filling plug
- Valve cover
- Fuel lift pump
- Electric multi plug
- Bracket for control cable
- Bilge pump for change of lub. oil
- Housing for vacuum valve
- Dip stick for gear oil
- Coupling flange for propeller shaft
- Reversible engine mountings
- Lubricating oil filter
- Dipstick for engine oil
- Fuel pump
- Control lever
- Cock
- Reverse-reduction gear
- Cooling water circulating pump
- Exhaust pipe connection
- Cooling water temperature transmitter
- Thermostat housing
- Water drain plug for exhaust manifold
- Identification label
- Cooling water filling plug
- Cooling water expansion tank
- Water cooled exhaust manifold
- Zinc anode
- Alternator
- Tension device for V-belt
- Flywheel
- Bracket for reversing cable
- Reversing lever for gear
- Outlet to keelcooler
- Lubricating oil cooler
- Oil pan
- Inlet from keel cooler
- Electric starter
INTRODUCTION
BASIC ENGINE CONFIGURATION:
The BUKH Lifeboat engine is a four-stroke marine diesel engine with direct fuel injection and the following basic equipment: Crankcase with oil pan, one-piece cylinder head with 2 valves per cylinder, forged crankshaft with counterweights, balance weights, cast iron connecting rods, light metal pistons, water-cooled exhaust manifold; all necessary pipework for exhaust, coolant, fuel and lubricating oil are fitted on engine.
A reverse/reduction gearbox with integrated thrust bearing is fitted on the engine.
All BUKH Diesel Lifeboat Engines are tested in the factory, and a test certificate according to SOLAS and ISO regulations is issued.
If a problem with the engine should arise, we ask you to apply to one of our distributors, who will always be ready to
help you, having skilled personnel, necessary tools etc., and at the same time you will be sure that only original BUKH spare parts are used.
Do always use original BUKH spare parts.
When ordering spare parts from the distributor please state: Engine type and serial number, description and number of parts.
STANDARD EQUIPMENT for DV36RME
Reverse-reduction gear
Wet sump lubrication oil system Full-flow lubrication oil filter Automatic injection timing Centrifugal governor
Keel cooling with thermostat Watercooled exhaust manifold Air inlet filter and silencer Fuel lift pump
Electric start
Charging alternator
Operating remote panel with:
- Charging light
- Lub oil pressure warning light
- Cooling water temp. warning light
- Push button for start
- Electric stop or mechanical stop
- Audible warning
Fittings for remote control Standard set of tools Drain pump for lub. oil (built on engine)
Following documentation is delivered with the engine:
- Operating manual with spare part katalog
- Test certificate
- Declaration of conformity according to SOLAS and IMO regulations.
- Flex. engine mounts (optional) Stern gear (optional)
- Raised hand start (optional) Spring start (optional)
- 2 El-start (optional)
- Hydro start (optional)
OPERATING MANUAL
Before the engine is put into use you are recommended to get familiar with the placing of the following components of engine and gear:
Fuel oil filter, lub oil filter and air intake filter, fuel lift pump with handle, zincrod in the crankcase and water-separator in the fuel pipe (if mounted).
Where is lub oil poured into engine and gear and where are the dipsticks placed? Where is fuel oil filled into the fuel tank and where is the drain plug placed? Where is the main switch?
Preparation before first start

- Pour lubricating oil through filling hole on top of valve cover. Check that oil level is between the marks on the dipstick, placed at the port side of the engine.
Check oil level as mentioned below:- remove and wipe dipstick
- reinsert dipstick in the pipe
- withdraw dipstick, check oil level.
- Pour lubricating oil through dipstick hole on the top of reverse- and reduction gear and check oil level as described in pos 1. Flexible sterntube: Lubricate the stuffing box with sterntube oil
(outboard). - Unscrew the filler plug and pour in oil until the bearing is full.
Important: The stuffing box shall under no circumstances be force-lubricated. These instructions are only valid for propeller equipment supplied by If other equipment is mounted, we refer to the instructions given for this. - We always recommend checking of oil level before start.
- Fill the fuel tank.
- Bleed the fuel system in the following way:
- Loosen the slotted screw B on the fuel filter and pump with the handle A on the fuel lift pump until the fuel is free from air bubbles and runs out at the slotted screw.
- Tighten the slotted screw B and continue pumping with the handle A until fuel, free from bubbles, runs through the transparent hose from fuel pump to tank.
You must lock the pumping handle in the upper position when you have finished pumping. - Loosen the fuel pressure pipes at their connection on the fuel valves and turn the engine by the starter motor until fuel, free from bubbles, runs out from the fuel pressure pipes. Finally tighten the pipes and the engine fuel system is ready for use. This procedure must also be followed, if the fuel tank by mischance runs out of fuel, after change of filter and after repairs to the fuel system.
AFTER THE ENGINE HAS BEEN TAKEN INTO USE
Before start
- The oil level of the engine should be checked every 14 days or every 25 hours of running as described in ”Preparation before first start”. It is not necessary to refill oil if the level is between the two marks on the dipstick.
- The oil level of the reduction gear should be checked every 14 days or every 25 hours of running as described in ”Preparation before first start”.
- The sterntube stuffing box should be lubricated every 14 days or every 25 hours of running.
- Check the quantity of fuel in the tank.
Electric start with remote control and instrument panel
- Switch on the main switch.
- Put the marine gear in neutral position by means of the control handle.
- The engine is started by putting the switch into ”RUN” position.
- Push the ”START” button until the engine starts. The starter should not work for more than 10-15 secs. continuously.
Hand start (optional)

- Put the gear lever in neutral position.
- Turn decompression lever on valve cover anti-clockwise as far as possible.
- Engage starting handle and crank engine as quickly as possible. Release decom- pression lever quickly by turning lever clockwise while cranking and engine will start.
- By hand start in cold weather you may achieve an easier start after having cranked the engine with activated decompression lever before the starting procedure.
Never accelerate a cold engine. Let it get warm first.
After Start
- When the engine has started, the RPM should be 900-1000 RPM when idling.
- Check the oil pressure. Normally this should be 2-4.5 bar. With cold engine the RPM should be kept down so that the oil pressure does not exceed 4.5 bar. When idling at warm engine the oil pressure must not be below 1 bar.
- Immediately after start the oil pressure warning lamp should go out. During normal operation the lamp should stay off.
- Make sure that the charging control lamp goes out after the engine has started.
- Check the cooling water temperature frequently. The temperature should be in the area of 70 – 95oC when engine is warm.
Manoeuvering

- With the control lever in central position the engine is idling, and the marine gear is in neutral (pos. 0). When the lever is moved forward in range 1, the marine gear is engaged to “Ahead” first, and then in range 2 the engine R.P.M. is increased. When the lever is moved from the central position to range 3, the marine gear is engaged to “Astern” first, and then in range 4 the engine R.P.M. is increased.
- Only engage “Ahead” or “Astern” when the engine is idling.
- To accelerate engine without engaging gear, operate gear release button 5 and move control handle in either direction.
- Increase the load gradually from idling in the course of the first 15-20 minutes shortly after the start of the engine.
Stopping the engine
- Reduce the load gradually in the course of 15-20 minutes before stop.
- Reduce the engine to idling and put the gear in neutral position.
- Push the Stop button (or pull the mechanical stop handle) until engine stops.
- Move the Off/Run switch to the Off position.
- Turn off the battery main switch.
Running in
To secure long life and maximum power it is recommended to run the engine for the first 25 hours at not more than 80 pct. of the maximum output (about 3200 r.p.m.)
You should avoid slow hauling as for instance towage. After the first 25 hours it is recommended to change engine and gear oil and to tighten up the cylinder head and to check or to possibly adjust the tension of the V-belt. Besides, it is recommended to let an authorized service dealer go over engine and installation.
MAINTENANCE

Belt for alternator
To be adjusted every 150 hours by turning the alternator round the centers of suspension. Tensioning should be so as to allow 8 – 10 mm deflection of the belt under firm thumb pressure.
Air inlet filter
This is a wire gauze filter to be rinsed in petrol and cleaned by a blast of compressed air after 300 hours’ operating.
Fuel filter
A fuel filter is fitted between the fuel lift pump and the H.P. fuel pump. The filter is a disposable one which cannot be cleaned. It should be changed every 300 operating hours or if water contamination is suspected.
Change the filter as follows:
- Drain off the fuel from the filter by slackening drain screw A in the bottom of the filter casing B.
- Remove by hand or by means of a pair of tongs the filter casing and discard it.
- Clean the sealing surface of the filter holder C if necessary.
- Fill the new filter casing with clean fuel through the holes at the top of same.
- Screw on the filter casing and tighten it by hand about half a turn after the gasket fits tightly.
- After changing the filter, bleed the fuel system as stated under ”Preparation for first start”
Fuel lift pump
The fuel lift pump is a cam shaft driven sealed type diaphragm pump, which cannot be dismantled for repair or cleaning. It is recommended to install a water/dirt accumulating filter in the suction line to the pump.
After repairs the fuel system must be bled as described under ”Preparation for the first start” if necessary.
Lubricating Oil System
The engine is pressure lubricated and the oil system has a built-in relief valve for controlling the oil pressure. A lubricating oil cooler is also fitted.
The oil level is checked as mentioned before.
Change of Oil
Lubricating oil should be changed for the first time after 25 hours of running, later for every 150 hours or at least once a year. It is recommended to change the oil when engine is warm, and the procedure is as follows:
- Turn the left cock below oil bilge pump 90°.
- Pump up the oil from the sump by means of the bilge pump.
- When the sump is empty pour fresh oil.
- Check oil level on dipstick.

Recommended Lubricating Oil
Modern diesel engines demand heavy-duty oils with additives securing best operation conditions and longest life time of the engine under various conditions. Therefore use a first class HD-oil from a recognized oil company.
Oil specifications as mentioned in ”LUBRICATION OIL CHART”.
When operating under difficult conditions, i.e. frequent cold starting, short operation periods, greatly varying loads, use quality ”Service CD” and also
use quality “Service CD” in case the sulphur content of fuel is higher than 1 %.
Change of Lubricating Oil Filter
Lubricating oil filter cannot be cleaned, but should be changed every 150 hours or once a year. To change the filter proceed as follows :
- Unscrew filter A and discard it.
- Clean the sealing surface of the engine B, and remove old gasket C if any from old filter
- Mount new filter at once under clean conditions.
- Screw on filter until gasket fits tightly, tighten a further half turn.
- Fill with oil until normal level is reached.
- Start the engine and check that the filter is tight.
Cooling system (Keel cooling)
A pump circulates the freshwater in a closed system. This circulation pump is fitted on the rear end of the engine.
The freshwater circulates through the cooling jackets of the engine and through the keel cooler, fitted on the bottom of the boat. Too high cooling temperature will cause the blue lamp in the control panel to light up and the acoustic alarm to function.
- Cirkulating pump
- Expansion tank
- Thermostat 75oC
- Pressure cap
- Keel cooling pipe 2 x ø22/ø19 copper pipe
- Oil cooler
Frost precautions
As protection against corrosion and to secure the cooling water freezing temperature to min. minus 15° Celsius as per IMO/SOLAS requirement or lower if required from climate conditions, It is recommended to use a mixture of min. 30% antifreeze liquid and 70% water and max. 50% antifreeze and 50% water.
However please also note when doing service on lifeboats that the mix of water and antifreeze can get aggressive and start corrosion. If corrosion is found in the cooling system it can be caused by one of two conditions:
- The anti corrosion additives in the anti freezing liquid are exhausted and have evaporated.
- Oxidation due to incoming air causing an acid which is lowering the PH value.
Therefore and also to keep the anti freezing properties it is recommended to change the cooling water and antifreeze every 3 years min. Please also note the details provided by your supplier of antifreeze liquid normally stated on the can.
Electrical System
The engine is equipped with a 12 volt electrical system consisting of a starter motor and an alternator, the max. charging current of which is 50 Amp.
Electrical wiring diagram for the engine with control and instrument panels is shown later in this instruction.
The battery must never be isolated from the alternator, when the engine is running.
Warning! It is not allowed to connect additional equipment to the wiring system on the engine. Possible additional equipment has to be connected directly to the terminals of the battery.
NOTE!
The starter must not be operated for more than 10 sec. If further operation is necessary, a pause of at least half a minute before starting attempt is repeated.
Marine Gear
The engine is equipped with a reverse-reduction gear. The standard reduction is 2.94:1 for AHEAD and 1.95:1 for REVERSE (but also available as 2.63:1 for special purposes).
The marine gear will need no other attendance than regular change of oil. This to be carried out after 25 hours of operation, and then every 250 hours or once a year.
Oil quality: “Automatic Transmission Fluid” (ATF).
The oil change is carried out by means of the lubricating oil bilge pump fitted on the engine. The oil should be warm when draining.
Refill new oil to the quantity of 0.5 liters through the dipstick hole.
Check oil level on the dipstick.
Don’t forget to close the cock before starting up.
Starting instructions for BUKH Diesel Engine type DV36RME
Electric start:
- Switch on the main switch.
- Put the gear in neutral position
- Put the switch into RUN position
- Push the START button until the engine starts

Cold Start (below minus 15oC if mounted):
Start pilot: Pull and push the pump (2) 2-3 times. Stopping the engine: Push the STOP button until the engine stops. After the engine has stopped: Put the switch in OFF position.
Filling the pressure tank (3) (if mounted):
- Open the cover.
- Put the gas cylinder on top of the valve and fill up the tank to max. marking.
Hand Start: (If mounted): Put gear into neutral position. Put handle into crank claw. Lift decompression lever (1).
Cold start with hand start (below 0oC).
Start pilot: Pos 1 – 2 – 3
Pull and push the pump (2) 2-3 times.
Turn the start handle as quickly as possible (clockwise), release the decompression lever, but keep on turning until the engine starts.
WINTER STORAGE OF THE ENGINE
- Carry out the following whilst the boat is still in the water:
- Run the engine until normal working temperature is reached.
- Drain off engine and gear oil with the oil bilge pump.
- Fill the engine and gearbox with preservative lubricating oil of a recognized make up to the upper mark on the dipstick.
- Fill the fuel tank with fuel preservative oil in the rate of mixture prescribed by the oil manufacturer.
- Start the engine and let it run for about 10 minutes to be sure that the fuel mixed with preservative oil has been flushed through the fuel system of the engine.
- Fill the fuel tank completely with fuel. Pay no special attention to the preservative oil previously added to the fuel as this is consumed normally and properly when service is resumed in spring.
- On land the following procedure has to be carried out:
- Remove the engine cooling water drain plugs, drain off the sea water from the engine and refit plugs.
- For direct sea water cooled engines: Remove the suction hose from the cooling water pump at the bottom cock and put the hose into a bucket with freshwater containing preservative oil in the rate of mixture prescribed by the oil manufacturer
- The outlet hose for the cooling water which goes into the exhaust elbow may be removed and returned to the bucket via a length of hose so that the freshwater is able to circulate. Start the engine and the freshwater containing preservative oil will be flushed through the engine.
- Stop the engine after 5 – 10 minutes and drain off the water. Ensure that after removing the drain plug (1 plug is placed in the block, see page 3, pos. 6; and 1 plug in the exhaust manifold) all the water is drained off. This is done by cleaning the drain holes with a nail, a steel wire or the like, so that any remaining water may drain out. Remove the impeller from the cooling water pump, which will allow water in pump and pipes to be drained off. Keep the impeller separately in a dry place during the winter.
- For freshwater-cooled engines: Drain the freshwater from the engine by removing the plugs as indicated for seawater cooled engines. It is not necessary to flush this system with freshwater containing preservative oil. If the engine is to be used in period of frost, it must be protected against frost burst with a mixture of anti-freeze solution in the freshwater system – irrespective of the protection to the freshwater system against the risk of frost – by removing the cover of the impeller pump and turning the engine manually or with the starter motor.
- Remove the battery and store it separately during the win the in a dry and frost-free place. Fill up and charge the battery before storing.
- Remove the air filter and turn the engine manually until each inlet valve opens alternately, during which about 50 mL of preservative oil is injected into each piston head. Turn the engine backwards and forwards manually in order to spread the preservative oil.
- Insert a clean, oil moistened rag (not cotton waste) into the inlet manifold.
- Insert another clean, oil moister rag into the exhaust elbow aperture.
- Treat electrical connections with grease free from acid. Fill the multiple plugs with grease from the wire side.
The engine is now preserved for winter storage and can be further protected by covering of polyethene sheeting, under which a bucket of silicate should be placed.
- Preparation of engine before launching.
- Remove the oil moisted rags from the inlet manifold and the aperture of the exhaust elbow.
- Fit the cooling water pump impeller.
- Fit cooling water drain plugs.
- Drain the preservative lubricating oil from both engine and gearbox and fill up with fresh oil to the upper mark of the dipstick.
- Change the lubricating oil filter.
- Make sure – before starting up – that the oil on the piston heads is drained off. This is checked by turning the engine manually without operating the decompression lever.
- Examine the stern tube stuffing box and fill up with stern tube oil.
- Fit the battery after re-charging.
- Lubricate all moveable parts with oil.
- Check the anode.
- Check that there is electrical contact at the sternite at the internal connection to the gear box.
RME-ENGINES MOUNTED WITH HYDRO- OR SPRING STARTER EQUIPMENT
The above mentioned type of starting method has proved to start the lifeboat engines in a very short period of time. In cold climates a standard multigrade lubrication oil may not be sufficient for a rapid build-up of lub. oil pressure. We recommend the following methods to prevent problems:
- Full synthetic low friction lub. oil with a viscosity of 5W/40 or 10W/30 (e.g. Mobil No. 1 or Castrol Santrock).
- Cooling water jacket heater.
- Oil sump heater.
In view of starting time the above points also increase the electrical start performance.
LUBRICATION OIL QUANTITIES FOR DV36RME AND DV48RME
When the engine is dry, you are recommended to fill up with 4.9 liters of lubricating oil (min. 4.3 liters – max. 5.5 liters).
A dip stick with standard indications of minimum (63 mm) and maximum (75 mm) oil levels for checking of the oil quantity is located on the side of the engine.
THESE INDICATIONS APPLY WHEN THE ENGINE IS IN HORIZONTAL POSITION!
When mounted in a lifeboat, the engine is rarely in a horizontal position. Usually, it has an aft inclination of max. 15o, which will change the oil level on the dip stick.
The following values are intended as a guide:
Oil level when 4.9 liters of oil have been added to the engine:
- Horizontal engine: Oil level on dipstick= 69 mm
- Engine inclination 15o aft: Oil level on dipstick= 61 mm
- Engine inclination 30o forward: Oil level on dipstick= 60 mm
Irrespective of the inclination, engine running will be trouble-free if the above oil quantity has been added. If more oil than advised is added, the crank will be running submerged in oil. Consequently, the oil will get too warm and foam, and bleeding will be inadequate.
Oil vapour will condense and in extreme cases run out of the suction filter.
Do NOT fill the engine with more oil than indicated above.
It will not be necessary to adjust the oil quantity of freefall boats, in which the engine will
be started while the boat is still in the chute at an inclination of approx. 30°.
INSTRUCTION FOR MARINE DIESEL FUEL IN COLD CLIMATES COLD FILTER PLUGGING P OINT (CFPP)
To ensure proper operation of the lifeboat engines in very cold climates, it is essential to ensure that the diesel fuel in the fuel tank of the lifeboat is suitable to the lowest temperature possible in the area of operation of the ship. The temperature where the fuel is no more filterable is called “CFPP” in the specifications for the particular fuel
To improve the CFPP-point, a dilution with kerosene is recommended. A max. dilution of 40% kerosene is possible. If 50% or more are necessary, 2-stroke lubricating oil must be added to protect the fuel injection pump and nozzles from seizure. If no information is available onboard the ship about the particular fuel to be diluted, it is recommended to use 2-stroke lubricating oil in ratio 0.3 ltrs. to 100 ltrs. of fuel. This is necessary due to the fact that the diesel oil might be winter-type and already diluted from the oil company.
The reason for the necessity of 2-stroke lob. oil is that it is self-mixing with the fuel.
Note: In ship storage tanks a max. of 25% dilution is the limit, in order to ensure that min. flame point of fuel = 55°C.
For operation below -28°C use specific Arctic fuel.
EXAMPLE:
| Diesel Oil without Dilution | CFPP/-18oC |
| 90 litres diesel + 10 litres kerosene | -20°C |
| 80 litres diesel + 20 litres kerosene | -22°C |
| 70 litres diesel + 30 litres kerosene | -24°C |
| 60 litres diesel + 40 litres kerosene | -26°C |
| 50 litres diesel + 50 litres kerosene | -28°C |
| Specific Arctic fuel | -40°C |
Lubricating oil for spray pump bearing housing
Checking of oil level:
Dismount the filling plug with dipstick when the spray pump is in a horizontal position. The oil level must be just above the lower edge of the shaft. When turning the pump shaft must carry a little oil round.
Change the oil after 300 operating hours or every 2 years.
TECHNICA ML A DIN ATA
- WORKING PRINCIPLE……………………………………………………………… 4-STROKE
- NUMBER OF CYLINDERS ……… ……………………………… …………………………… 3
- CYLINDER BORE/STROKE ……. ……………………………… …………………………… 85 mm / 85 mm
- CYLINDER VOLUME ……………… ……………………………… …………………………… 1.447 Litres
- COMPRESSION RATIO …………. ……………………………… …………………………… 18,5:1
- COMPRESSION PRESSURE …. ….…at 3600 rpm …….. …………………………… 47 Bar
- OUTPUT, CONTINOUS RATING .……at 2400 rpm …….. …………………………… 29.8 BHP – 21.9 kW
- ACCORDING TO ISO 3046 at 3000 rpm ……… …………………………… 34.5 BHP – 25.4 kW
- at 3600 rpm ……… …………………………… 36.0 BHP – 26.5 kW
- OUTPUT, INTERMITENT RATING BHP… at 4000 rpm .. …………………………… 39.3 BHP – 28.9 kW
- MAX. TORQUE Kp*m …………….. …….at 1800 rpm …….. …………………………… 9.2 Kpm – 90 Nm
- MAX. AIR CONSUMPTION ……… ……………………………… …………………………… 2214 Litres/min.
- ENGINE ROTATING, LOOKING AT FLYWHEEL ……….. …………………………… CLOCWISE
- IDLING SPEED ……………………… ……………………………… …………………………… 800 – 1000 RPM
- MAX INCLINATION, FORE AND AFT ……………………….. …………………………… 15o
- HEEL, MAX. CONTINOUS ………. ……………………………… …………………………… 30o
- NET WEIGHT INCL. ZF MARINEGEAR …………………….. …………………………… 265 Kg
- LOCATION OF ENGINE SERIAL NUMBER ……………….. …………………………… CRANKCASE NEAR FUEL PUMP
- EXHAUST TEMP. MAX / NORMAL …………………………… …………………………… 600oC – 580oC
- VALVE TIMING AND INJECTION POINT
- FLYWHEEL DIAMETER …………. ……………………………… …………………………… 370 mm
- INLET VALVE OPENS ……………. BEFORE TDC …………. …………………………… 32o (arc measure: 103 mm)
- INLET VALVE CLOSES …………. AFTER BDC …………… …………………………… 64o (arc measure: 207 mm)
- EXHAUST VALVE OPENS ……… BEFORE BDC ………… …………………………… 64o (arc measure: 207 mm)
- EXHAUST VALVE CLOSES …… AFTER TDC……………. …………………………… 32o (arc measure: 103 mm)
- INJECTION STARTS………………….BEFORE TDC………………………… …. 6.2o (arc measure: 20 mm)
- VALVE CLEARANCES (COLD ENGINE) INLET/EXHAUST ……………………….. 0.30 mm
- FUEL SYSTEM …………………….. ……………………………… …………………………… DIRECT INJECTION
- INJECTOR OPENING PRESSURE …………………………… …………………………… 210 Bar
- INJECTION TIMING……………………………………………………………… ….. AUTOMATIC VARIABLE
- FUEL LIFT PUMP ………………….. ……………………………… …………………………… CAM SHAFT DRIVEN DIAPHRAGM PUMP
- STATIC PRESSURE OF FUEL LIFT PUMP ……………….. …………………………… 153 – 285 mBar
- FUEL FILTER ………………………… ……………………………… …………………………… THROW AWAY FILTER INSERT
- FUEL QUALITY GAS OIL ……….. ……………………………… …………………………… BS 2869 CLASS A
- LUBRICATING SYSTEM
- TYPE OF LUBRICATING OIL PUMP …………………………. …………………………… ROTARY VANE PUMP
- LUBRICATING OIL PRESSURE: WARM ENGINE / MINIMUM ……………………. 2-4.5 Bar / 1 Bar
- LUBRICATING OIL QUALITY ….. ……………………………… …………………………… SERVICE CC or CD
- LUBRICATING OIL VISCOSITY . BELOW +5oC ………….. …………………………… SAE 10 or SAE 10W-30
- BETWEEN +5oc and +25oC …………………….. SAE 20 or SAE 15W-40
- ABOVE +25oC ………… …………………………… SAE 30 or SAE 15W-40
- LUBRICATING OIL CONTENT INCL. FILTER …………….. …………………………… 4.9 Litres
- LUBRICATING OIL FILTER ……. ……………………………… …………………………… THROW AWAY FILTER INSERT
- BAYSAN M60 MARINE GEAR
- LUBRICATING OIL QUALITY ….. ……………………………… …………………………… Automatic Transmission Fluid (ATF)
- LUBRICATING OIL TEMPERATURE ………………………… …………………………… MAX. 120oC
- LUBRICATING OIL CONTENT … ……………………………… …………………………… 0.5 Litres
- STERN TUBE (FLEXIBLE) LUBRICANT ……………………. …………………………… OUTBOARD GEAR OIL
- COOLING WATER SYSTEM – KEELCOOLING
- COOLING WATER TEMPERATURE …………………………. …………………………… 70 – 95oC
- TYPE OF CIRCULATING PUMP / CAPACITY AT 3600 rpm ……………………….. CENTRIFUGAL / 135 Litres/min
- COOLING WATER CONTENT EXCL. HOSES ……………. …………………………… 7.0 Litres
- ELECTRICAL SYSTEM
- BATTERY VOLTAGE / CAPACITY…………………….………..……………………….12 VOLT / 88 Ah
- STARTER TYPE / OUTPUT…………………………………………………… ……………. GEAR DRIVEN / 1.0 KW
- ALTERNATOR TYPE/ OUTPUT……………………. …………. …………………………… BELT DRIVEN / 700 W
- ENGINE STOP…………………………………………………………………… …… SOLONOID / MANUAL
- RELAY………………………………………………………………………… ……….. ELECTRONIC, BUILT ON
- TORQUES
- CYLINDER HEAD BOLTS/BEARING TOP SECTION ….. …………………………… 118 +/- 5 Nm (12 +/- 0.5 Kpm)
- CONNECTING ROD BOLTS …… ……………………………… …………………………… 69 +/- 3 Nm (7 +/- 0.3 Kpm)
- FLYWHEEL/COUNTERWEIGHTS ……………………………. …………………………… 147 +/- 7 Nm (15 +/- 0.7 Kpm)
- FLEX. COUPLING …………………. ……………………………… …………………………… 150 +/- 3 Nm (15.3 +/- 0.3 Kpm)
- ASSEMBLY OF FUEL VALVE …. ……………………………… …………………………… 59 +/- 3 Nm (6.0 +/- 0.3 Kpm)
- BRACKET FOR ENGINE SUPPORTS ………………………. …………………………… 69 +/- 3 Nm (7 +/- 0.3 Kpm)
RECOMMENDED MAINTENANCE AND CHECK LIST FOR BUKH LIFEBOAT ENGINES
| CHECK | RECTIFY IF NEEDED | |||||
| 1. Tightness of connections through hull: | W E E K L Y | M O N T H L Y | Y E A R L Y | EVERY 5 YEARS | ||
| 1.1 stern tube | hull connection | change sealing | X | |||
| 1.2. keel-cooling pipes | hull connection | change sealing | X | |||
| 1.3 spray pump | hull connection | change sealing | X | |||
| 2. Check of lubricating oil: | ||||||
| 2.1 a engine | change oil | – | X | X | ||
| 2.1.b engine | check oil level | – | X | |||
| 2.2.a gearbox | change oil | – | X | |||
| 2.2.b gearbox | check oil level | – | X | |||
| 2.3 sealbox for spraypump | refill the oillevel | renew if leaking- | X | |||
| 2.4 lubricating oil filter | change | – | X | |||
| 3. Check of cooling watersystem: | ||||||
| 3.1 system | system to be full | fill up | X | |||
| 3.2 anti freeze liquid | check for minus 25°C. | refill anti freeze liquid | X | |||
| 3.3 cooling water connections tightness | for leaks | renew if leaking | X | |||
| 3.4 condition of rubber hoses | cracks and leaks | renew | X | |||
| 3.5 retightened clamping bands | – | – | ||||
| 3.6 V-belt for cooling water pump | adjust or renew | – | X | |||
| 3.7 thermostat | renew after 5 years | – | X | |||
| 4. Check of fuel system: | ||||||
| 4.1 supply line | clean water/fuel separator and check line bends | repair if damaged or renew | X | |||
| 4.2 fuel tank | drain for water | – | X | |||
| 4.3 fuel filter | change | – | X | |||
| 4.4 return line | check for bends & damages | repair if damaged or renew | X | |||
| 5. Check of remote control cables: | ||||||
| 5.1 cables | check easy operation and stroke sufficient | adjust cables | X | |||
| 6. Check of propeller shaft arrangement: | ||||||
| 6.1 rear stern tube bearing | check clearance for bearing insert | renew insert | X | |||
| 6.2 sufficient water flow to rear stern tube bearing | check that water holes in bearing housing are not blocked | clean holes | X | |||
| 6.3 alignment of gear flange and prop.shaft flange | alignment to be within 0.05- 0.01mm | realign the engine | X | |||
| 6.4 stuffing box seals | tightness | renew all three seals | X | |||
| 6.5 condition of rubber tube for stuffing box | cracks | renew | X | |||
| 6.6 Out-Board gearoil. | oillevel | refill | X | |||
| 6.7 propeller | check size and condition | renew if damaged | X | |||
| 7. Starting of the engine: | ||||||
| 7.1 start with electrical start | engine start within 2 minutes | if malfunctions -the engine must be ser- viced by a mechanic | X | |||
| 7.2 start with handstart | same | same | X | |||
| 7.3 start with other optional starting system if fitted | same | same | X | |||
| 7.4 starting instruction | if it is readable | change if damaged | X | |||
| CHECK | RECTIFY IF NEEDED | |||||
| W E E K L Y | M O N T H L Y | Y E A R L Y | EVERY 5 YEARS | |||
| 8. Engine maintenance | ||||||
| 8.1 valve clearance | clearance | adjust | X | |||
| 8.2 electric starter | rust protection of starter drive | spray rust protection spray | X | |||
| 9. Running with engine – check: | ||||||
| 9.1 Idling speed to be 800-1000 RPM | 800-1000 RPM | adjust RPM | X | |||
| 9.2 Full speed unload / min. 3700 RPM | min. 3700 RPM | adjust RPM | X | |||
| 9.3 Full speed loaded with propeller | 3300-3600 RPM | adjust RPM | X | |||
| 9.4 Full speed loaded with propeller and spray pump | 2800-3600 RPM | adjust RPM | X | |||
| 9.5 Cooling water temp. to be max. 95 degr. Celcius | max. 95°C | change termostat | X | |||
| 9.6 Audible and visual alarms | check function | change senders, lamps or switch | X | |||
| 9.7 Lubricating oil pressure | min. 1.5 kg/cm² at idling speed | adjust oil relief valve | X | |||
| 9.8 Gearbox change from FW to Neutral to ASTERN | check cables | adjust | X | |||
| 10. Air supply: | ||||||
| 10.1 air inlet filter | renew | – | X | |||
| 11. Bateries: | ||||||
| 11.1 level of liquid | check, refill | renew | X | X | X | X |
| 11.2 voltage conditon | charge | renew | X | |||
| 12. Spray pump – check: | ||||||
| 12.1 waterspray being sufficient . | waterspray- nozzles, waterintake and pump | clean nozzles and waterintake connection | X | |||
| 12.2 rubber hoses | cracks | renew | X | |||
| 12.3 clamping bands | retightened | X | ||||
IRREGULAR OPERATION – CAUSES AND REMEDIES
Engine does not start
| SYMPTOM | CAUSE | REMEDY |
| Insufficient or very little compression | Inlet and/or exhaust valves leaking | Grind or replace the valves, mill the seats |
| Inlet and/or exhaust valves sticking | Grease valve stems with 2/3 gas oil and 1/3 lub. Oil. If necessary clean the valves. | |
| Insufficient rocker arm clearance | Adjust to 0.25 mm inlet and 0.3 mm exhaust when engine is cold (turn left) | |
| Piston rings stuck in grooves or are worn | Replace piston rings | |
| Valve springs broken or are weak | Replace springs | |
| Insufficient or no pressure from fuel pump | Air in fuel system or nozzles sticking | Bleed or renew nozzles |
| Thermo start out of order | No fuel (valve leaking) | Fill up (renew thermo-start) |
| Electric supply out of order | Check and/or replace switch and connections. Chech fuse | |
| Engine does not reach normal revs | Unloaded battery or defective | Battery to be charged or renewed |
| Starter motor turns engine too slowly | Loose or corroded connections | Tighten or clean connections |
The engine starts, but stops soon after
| The engine starts, but stops soon after | Empty fuel tank | Refill and bleed |
| Air in fuel system | Bleed | |
| Nozzle sticking | Replace nozzle | |
| Fuel filter choked | Replace filter element. Clean the tank |
The engine does not reach maximum output
| Difficult to start | None or insufficient compression | See ”engine does not start” |
| The engine revs. Is reduced considerably when loaded | Fuel supply choked up. Air/water in fuel system | Check fuel system thoroughly |
| Governor incorrectly adjusted or something in the system works sluggishly | Adjust the governor. Check governor system and correct the error | |
| Hot engine(smell of heat) | Insufficient cooling water supply | Stop engine. Check cooling water pump |
| Damaged cylinder liner or bearings | Check bearings, piston and cylinder, if necessary replace them |
The engine knocks
| The engine runs unevenly | Air/water in fuel system | Bleed see ”engine does not start” |
The engine smokes
| Black smoke | Air inlet filter choked | Clean filter |
| Insufficient compression | See ”engine does not start” | |
| Blue smoke | The lube oil passes piston and oil rings an penetrates into combustion chamber, or vacuum valve defective | Replace oil rings and possibly the piston rings. Clean vacuum valve |
| Grey smoke | Thermostart valve is leaking | Replace |
Excessive consumption of lubricating oil
| Blue smoke | Oil- and piston rings are worn | Replace oil- and piston rings, if required |
| Piston and cylinder liner highly worn | Replace | |
| Defective vacuum valve | Replace | |
| Lub. oil leaks out of crankshaft bearings | Worn oil seal ring | Replace |
The engine gets too warm or too cold
| Cooling water temperature too high (smell of heat) | Unsufficient cooling water supply caused by:defective water pump, choked strainer or a defective thermostat | Investigate pump rotor for broken wings or lost driver screw. Clean strainer. Clean or replace thermostat |
| Cooling water temperature too low | Defective thermostat | Clean or replace thermostat |
Insufficient or no lubrication oil pressure
| Oil warning lamp lights up. Oil pressure gauge indicates abnormally low oil pressure | Insufficient lube oil in the engine | Check and refill |
| Leakage in lube oil system | Tighten and refill | |
| Relief valve sticking or spring too weak | Clean bore and valve, stretch or replace the spring |
LUBRICATING OIL CHART
| Lubricating oil for engine: temp range | Auxili- aries | |||||||
| OIL COMPANY | OIL TYPE | HD OIL GRADE & QUALITY | Below – 15oC | Below 5oC | 5oC – 25oC | Above 25oC | M60 gearbox (ATF) | Stern tube (flexible) |
| BP OIL | VISCO 5000 | SAE 5W-40 API SJ/CF | X | |||||
| BP OIL | Vanellus C4 Global | SAE 15W-40 API CF-4/CF/SG | X | X | X | |||
| BP OIL | Vanellus C3 Extra | API CF4/CE/SF | X | X | X | |||
| BP OIL | Outboard Gear Oil Universal | X | ||||||
| BP OIL | Energol GR-XP 150 | DIN 51 517 del. 3 | X | |||||
| BP OIL | Energol GR-XP 220 | DIN 51 517 del. 3 | X | |||||
| CALTEX | Havoline Fully Synthetic | SAE 5W-40 API SJ/CE | X | |||||
| CALTEX | Delo 350 Multigrade | SAE 15W-40 API CF4/CJ | X | X | X | |||
| CALTEX | Outboard Gear Oil EP | SAE 90 | X | |||||
| CASTROL OIL | CASTROL Syntruck | SAE 5W-40 API CF | X | |||||
| CASTROL OIL | CASTROL RX Super Plus | SAE 15W-40 API CH-4 | X | X | X | |||
| CASTROL OIL | CASTROL Marine Gear Oil | SAE 90 | X | |||||
| CHEVRON | DELO 400 Synthetic | SAE 10W-30 API CD/SG + SF | X | |||||
| CHEVRON | RPM HEAVY DUTY | SAE 15W-40 API CD – II | X | X | X | |||
| CHEVRON | GEAR COMPOUND EP 220 | ISO VG 220 | X | |||||
| ELF | Elf Synthése 5W/40 | SAE 5W-40 CD or CC | X | |||||
| ELF | Performance 3D 15W-40 | SAE 15W-40 CD or CC | X | |||||
| ELF | Performance 3D 10W-30 | SAE 10W-30 CD or CC | X | X | ||||
| ELF | Outboard Gear Oil | SAE 85W-90 | X | |||||
| EXXON / ESSO | EXXMAR CM | SAE 15W-40 | X | X | X | X | ||
| EXXON / ESSO | ESSOLUBE XT301 | SAE 15W-40 API CG-4 | X | X | X | X | ||
| EXXON / ESSO | ESSOLUBE XT301 | SAE 15W-40 API CG-4 FZG11 | ||||||
| EXXON / ESSO | SPARTAN EP220 | ISO VG 220 | X | |||||
| EXXON / ESSO | GEAROIL GX | SAE 80W-90 | X | |||||
| MOBIL OIL | MOBIL 1 0W-40 | SAE 0W-40 API SJ/CF/EC | X | X | X | X | ||
| MOBIL OIL | MOBIL Delvac 1 SHC | SAE 5W-40 API CE/CD | X | X | X | X | ||
| MOBIL OIL | MOBILGARD 1 SHC | API CD/CF/CF2 | X | X | X | X | ||
| MOBIL OIL | MOBILGARD HSD | 15W-40 API CG-4/CF-4/CF/SH | X | X | X | |||
| MOBIL OIL | MOBIL Stern Tube Lubricant | Outboard Gear Oil SAE 80-90 | X | |||||
| NIPPON OIL COMPANY | HIDIESEL S-3 SAVE | SAE 15W-40 CD | X | X | X | X | ||
| NIPPON OIL COMPANY | HIDIESEL S-3 SAVE | SAE 10W-30 CD | X | X | X | |||
| NIPPON OIL COMPANY | GEAR LUBE EHD | SAE 90 | X | |||||
| SHELL OIL | Helix Ultra | SAE 5W-40 | X | |||||
| SHELL OIL | Rimula X | SAE 10W-30 | X | |||||
| SHELL OIL | Rimula X | SAE 15W-40 | X | X | ||||
| SHELL OIL | Nautilus Marine Gear Oil | SAE 90 | X | |||||
| SHELL OIL | Spirax GX | SAE 80W-90 | X | |||||
| STATOIL | LazerWay 5W-40 | SAE 5W-40 API SL/CF | X | |||||
| STATOIL | PowerWay 15W-40 | SAE 15W-40 API CF4/SJ | X | X | X | |||
| STATOIL | LoadWay EP 220 | ISO VG 220 | X | |||||
| STATOIL | GearWay G5 | SAE 80W-90 | X | |||||
| TEXACO | Havoline Formula 3 Synthetic | SAE 5W-40 API SJ/CF | X | |||||
| TEXACO | URSA Super LA | SAE 15W-40 API CG-4 | X | X | X | |||
| TEXACO | GEARTEX EP-C | SAE 80W-90 API GL-5 | X | |||||
| TEXACO | MEROPA 220 | ISO VG 220 | X | |||||
| Dexron II or III | X | |||||||
DIRECTIONS FOR LUBRICATION
| Designation | Application Point | Capacity Incl. Filter |
| Engine:DV36/48 | Change first time after 25 h and every 150 h or once a year | 4.9 Litres |
| Baysan M60 Marine Gear | Change first time after 25 h and every 250 h or once a year | 0.5 Litres |
| Oil Filter | Change every 150 h or once a year | |
| Stern Tube (flexible) | Change every 3 years | |
| Spray Pump | Change after 300 h or every 2 years | 70 mL |



BUKH DISTRIBUTORS – WORLDWIDE
| Fiala & Cia. S.R.L. Av. Presidente Roque Saenz Peña 710 Piso 3º “D” 1035 Buenos Aires ARGENTINA | Tel: +54-11-4328-1474 / 6280 Fax: +54-11-4328-2838 E-mail: [email protected] |
| Bukh Diesel Australia Pty. Ltd. P.O. Box 448 Caringbah, N.S.W. 1495 AUSTRALIA | Tel: +61-2-9525-0011 Fax: +61-2-9526-1084 E-mail: [email protected] Website: www.bukhdiesel.com.au Contact: Gary Townsend |
| Greenland Engineers & Tractors Company Ltd (GETCO) GPO Box 541 Dhaka 100 BANGLADESH | Tel: +880-2-812164 / 812175 Fax: +880-2-813319 E-mail: [email protected] Contact: Syed Taskin Saleheen, Assistant Manager |
| Chimtec Ltd Baza Himsnab 9181 Razdelna Port Varna West 8211 BULGARIA | Tel: +359-8882-80563 Fax: +359-5483-0090 E-mail: [email protected] Contact: Deian Tachev, Manager |
| Crinmar 873 Apple Down Drive Kingston, Ontario K7P 1C7 CANADA | Tel: +1-613-634-8100 Fax: +1-613-634-8110 E-mail: [email protected] Contact: Keith A Strutt |
| Chile Services Management 1001 Francia Av. Valparaíso CHILE | Tel: +56-32-210766 / 211652 Fax: +56-32-228995 E-mail: [email protected] Website: www.csmchile.cl Contact: Andre Quint, Technical Manager |
| Fibronaval Calle General Lagos No 1049 Valdivia CHILE | Tel: +56-63-210869 Fax: +56-63-208404 E-mail: [email protected] Contact: Jesús Brieva |
| Forwin Company Ltd, Qinhuangdao Office No 1-11, Nongken Building Shanhaiguan Development Zone Hebai CHINA 066206 | Tel: +86-335-5082-500 Fax: +86-335-5085-036 E-mail: [email protected] |
| For Win Equipment & Engineering Co Ltd Beijing Office Room 205, House Hao Bai C2 Block Building No 50 Xisanhuanbeilu Beijing CHINA 100044 | Tel: +86-10-8851-5498 Fax: +86-10-8851-7458 E-mail: [email protected] |
| Forwin Company Ltd, Shanghai Office Room 201, No 23, Lane 1299, Zhou jiia zui Road Shanghai CHINA 200082 | Tel: +86-21-6504-5055 Fax: +86-21-6504-49381 E-mail: [email protected] E-mail: [email protected] |
| Forwin Company Ltd, Guangzhou Office Room 1701, Block B5, Fuli Plaza 8 Road Zhongshan, Liwan District Guangzhu, Guangdong CHINA 510140 | Tel: +86-20-8135-6891 Fax: +86-20-8135-6896 E-mail: [email protected] |
| Forwin Company Ltd, Tianjin Office Room 602, No 37 Xiaoyuan Xincun, Teda Tianjin CHINA 300457 | Tel: +86-22-6620-1973 Fax: +86-22-6620-1509 E-mail: [email protected] |
| Forwin Company Ltd, Dalian Office 1-2-3, No 155, Xue Shi Street Zhon Shan District Dalian, Liaoning CHINA 116001 | Tel: +86-411-2719-395 Fax: +86-411-2719-929 E-mail: [email protected] |
| Forwin Company Ltd, Wuhan Office Room 2202, D. Tai Chang Flats 518 Jiefang Road, wuchang Wuhan, Hubei CHINA | Tel: +86-27-8885-1625 Fax: +86-27-8885-2147 |
| Wei Marine Shanghai Co Ltd Room 19G, No 2000 Pudong Dadao Road Shanghai 200135 CHINA | Tel: +86-21-5132-7372 / 3 / 4 / 5 / 6 / 7 Fax: +86-21-5132-7368 E-mail: [email protected] |
General Terms of Sale and Delivery
- Introduction
The terms of sale and delivery specified below shall apply to all quotations, orders and consignments unless otherwise specified in any other written agreement. - Quotations
Quotations shall be subject to confirmation and the goods being unsold. Bukh A/S reserves the right to change unconfirmed quotations without notice. The prices stated are exclusive of value‐added tax and other duties. - Orders
Any order shall be confirmed in writing by Bukh A/S in order that an agreement on consignments can be considered as binding.
The order will be delivered at a confirmed price subject to price increases resulting from changes in trade conditions, duties, rates of exchange, raw material supplies and similar conditions.
Cancellation will only be accepted as per arrangement and against payment of expenses incurred.
Illustrations, dimensioned sketches, as well as the contents of leaflets, catalogues, circular letters, etc are approximate and with no binding effect.
When carrying out the order, Bukh A/S reserves the right to make any changes which are deemed necessary from a technical point of view. - Terms of Delivery
Delivery will be “ex works” (Incoterms 2010), unless otherwise agreed.
Bukh A/S shall not be responsible for delays or obstacles due to force majeure, for example labour conflicts, fires, currency restrictions, shortage of labour and means of transport, general scarcity of goods, restrictions on power and flaws in consignments from subsuppliers or delay in such consignments, or any other conditions beyond the influence and control of Bukh A/S as well as delay caused by the customer not having supplied sufficient technical information punctually. If the customer fails to observe the terms stipulated for payment of the purchase price, Bukh A/S shall be under no obligation to make delivery. Bukh A/S shall not pay any damages for delays in delivery. - Packaging
Packaging is included in the price of the product and will not be taken back. - Payment
Payment for all consignments shall be made directly to Bukh A/S, Krusaa, Denmark.
The customer shall not be entitled to withhold payment because of any counterclaims.
If payment should be effected later than the stipulated settling date, interest shall be paid on overdue payments at the rate of 1.5 per cent per month or fraction of a month. Bukh A/S reserves the right to change the rate of interest. Any consignment shall remain the property of Bukh A/S until payment has been made in full, and the customer must keep the consignment insured against fire and damage ‐ in case of marine plant, against sea risk ‐ at the total new value from the date of shipment from the factory and until full payment has been effected. - Remedying Defects
If the consignment should prove defective, Bukh A/S undertakes during the first 24 months after the consignment has been put into service, however, not beyond 30 months from the day the consignment is reported to be ready for shipment, in the case of spare parts, however, 3 months from shipment, to remedy defects which are due to faulty design, materials or workmanship. However, the obligation to remedy defects is conditional on the operating conditions contained or provided in the agreement being observed and the consignment being used and operated correctly. Defects which are due to 1) improper storage before or during installation, 2) insufficient maintenance, 3) incorrect installation by the customer, 4) changes of the consignment carried out without the written consent of Bukh A/S, 5) incorrect or inexpedient repairs made by the customer or others, 6) normal wear or deterioration, rust, corrosion, deposits caused by water, foreign matter in pipes or the use of unsuitable oils, shall not be covered by Bukh A/S’s obligation to remedy defects.
Unless otherwise stipulated, all transport and mounting of defective, repaired and replaced equipment shall be at the customer’s account and risk.
Parts of the consignment which are not manufactured by Bukh A/S will only be replaced to the extent that Bukh A/S is compensated for them by the subsupplier. Bukh A/S’ liability for defects is limited to the above‐mentioned obligation. Bukh A/S shall only pay damages if it is proved that the loss caused by the defect is due to gross negligence or intentional circumstances on the part of Bukh A/S. Bukh A/S shall in no circumstances be held liable for operation loss, loss of profits or any indirect damage. - Arbitration
Any disputes are to be settled according to Danish law by arbitration in Copenhagen according to the rules of the International Chamber of Commerce and in accordance with the Danish Act on Arbitration of 1972.
References
Bremen - Informationen, Veranstaltungen, Tipps & mehr
Diesel: New arrivals, Jeans, Jackets, Shoes & Bags | Diesel®
marine.co.jp
Site Currently Unavailable
WN - Marine
WN - Maritime
阿里云企航_万网域名_工商财税_知识产权_资质备案_智能设计_网站建设-阿里云
Xtrim TVCable
SAPO
Alexander Ryan | Home
Home
Bukh-Bremen GmbH - Technik und Ausrüstung für die Berufs- und Sportschifffahrt
Home - BUKH
BUKH - The most reliable Marine Diesel Engines in the world
Marine diesel engines | Bukh Diesel Australia | Taren Point
- Clouds International
CSM Chile – Chile Services Management S.A.
DINATEC | Nautica
Gepa Fiberglass
GO-ON
Klydon d.o.o. - prodaja i servis Steyr brodskih motora
Lifeboat Davit | Rescue Boat Davit | Freefall Lifeboat | Breakwater International
marland.com.hk
เครื่องจักรกลการเกษตร | Minsen Machinery | กรุงเทพมหานคร
マリンエンジンの販売・修理・メンテナンスと救命艇の株式会社ミズノマリン
Scandiesel Marine | Motori marini per propulsione, ricambi e accessori
Domain Default page
СПБ Апфит - пропульсивные системы | Судовые двигатели и дизель-генераторы
The Engine Room Ltd
UMS
Univa - Velkommen til nettsiden

















